Getting started with the X-NUCLEO-53L8A1 Time-of-Flight expansion board
based on the VL53L8 series for STM32 Nucleo
UM3120
User manual
Introduction
The X-NUCLEO-53L8A1 is an expansion board for any STM32 Nucleo development board equipped with the Arduino R3 connectors. It provides a complete evaluation kit that allows you to learn, evaluate, and develop applications based on the VL53L8 series Time-of-Flight sensors.
The expansion board is delivered with a cover glass holder in which you can fit three different spacers of 0.25, 0.5, and 1 mm height below the cover glass to simulate various air gaps. A small oval cover glass fitting the sensor is included.
Several ST expansion boards can be stacked through the Arduino connectors, which allow, for example, the development of VL53L8 applications with Bluetooth or Wi-Fi interfaces.
Figure 1. X-NUCLEO-53L8A1 expansion board, spacers, cover glass holder, and oval cover glass

Getting started
1.1 Safety considerations
1.1.1 Electrostatic precautions
Warning: Take electrostatic precautions, including ground straps, when using the X-NUCLEO-53L8A1 expansion board. Failure to prevent electrostatic discharge could damage the device.

1.1.2 Laser safety considerations
The VL53L8CX contains a laser emitter and the corresponding drive circuitry.
The laser output is designed to remain within Class 1 laser safety limits under all reasonable foreseeable conditions, including single faults, in compliance with the IEC 60825-1:2014.
The laser output power must not be increased by any means and no optics should be used with the intention of focusing the laser beam.
Caution:
Use of controls or adjustments, or performance of procedures other than those specified herein may result in hazardous radiation exposure.

1.2 Features
- VL53L8CX, low-power, high performance 8×8 multizone Time of-Flight sensor
- Hideable behind a dark cover window
- Accurate absolute ranging distance, independent of the reflectance of the target
- Up to 400 cm ranging
- Histogram-based technology
- I²C (up to 1 MHz) or SPI (up to 20 MHz) interface
- Multiobject detection capability
- 0.25, 0.5, and 1 mm spacers to simulate air gaps
- One cover glass to protect the sensor from dust
- Compatible with STM32 Nucleo development boards
- Equipped with Arduino UNO R3 connectors
- Full system software supplied, including code examples and graphical user interface
- RoHS, CE, UKCA, and China RoHS compliant
1.3 VL53L8 series Time-of-Flight sensor characteristics
- Laser wavelength : 940 nm
- Invisible laser radiation
- Maximum laser power emitted : 215 mW
- Integration time : 2 ms minimum
1.4 Spacers and covers
The X-NUCLEO-53L8A1 expansion board is delivered with: - three spacers of 0.25 mm, 0.5 mm, and 1 mm height, used to simulate different air gaps between the VL53L8 and the rectangular-shaped cover glass;
- two twelve-pin headers that allow connecting the two mini PCB of the SATEL boards to the XNUCLEO-53L8A1 expansion board through flying wires.
Attention: The VL53L8 is delivered with a liner to prevent potential foreign material from piercing the module holes during the assembly process. Remove this liner before use.
1.5 Ordering information
Table 1. Ordering information
| Order code | PCB version | Core product |
| X-NUCLEO-53L8A1A | X$NUCLEO-53L8A1A | VL53L8 |
1.6 Ordering information for the VL53L8 series Time-of-Flight sensors
This board is equipped with a noncommercial VL53L8CA evaluation purposes only Time of Flight sensor. Its equivalent orderable products are listed in the following table. For a detailed description of each sensor, please refer to its datasheet on the product web page. Additional information is available from the user manual and collateral documents of the target ToF sensor.
Table 2. VL53L8 series ordering information
| RPN | CPN | Datasheet | Features |
| VL53L8CX | VL53L8CXV0GC/1 | DS14161 | Low-power high-performance 8×8 multizone Time-of-Flight |
Using the expansion board
The X-NUCLEO-53L8A1 expansion board allows the user to test the VL53L8 sensor functionality, to program it and to understand how to develop an application using this sensor.
The X-NUCLEO-53L8A1 integrates:
- the VL53L8 sensor;
- Arduino UNO R3 connectors;
- Connectors for SATEL-VL53L8 optional breakout boards;
Important:
Program a microcontroller to control the VL53L8CX through the I2C bus.
The application software and an example of the C-ANSI source code are available on the sensor web page.
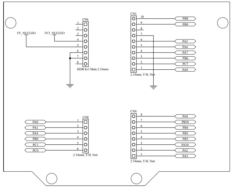
The X-NUCLEO-53L8A1 expansion board can be connected to the STM32 Nucleo development board through the Arduino UNO R3 connectors (CN5, CN6, CN8, and CN9).
I²C (up to 1 MHz) and SPI (up to 20 MHz) interfaces are available on the X-NUCLEO-53L8A1 expansion board.
The user can choose between the two using the J9 jumper to configure the SPI_I2C_N signal as depicted in the following picture.

Breakout boards
The X-NUCLEO-53L8A1 package does not include the VL53L8 breakout boards.
You can purchase them in a pack of two PCBs as SATEL-VL53L8.
For mechanical integration purposes, it could be interesting to use the mini PCB by breaking the SATEL-VL53L8 along the red line as shown in the figure below. It is easier to integrate this setup into a customer’s device thanks to its small size.

The SATEL-VL53L8 boards cannot be directly plugged onto the X-NUCLEO-53L8A1 through the two 6-pin headers (see Figure 7).
They can be connected to the X-NUCLEO-53L8A1 by using the mini PCB through flying wires (see Figure 9. VL53L8 mini PCB flying wire connection to the X-NUCLEO-53L8A1 expansion in SPI mode. J9 jumper with pin 1 and 2 connected).
The schematic can be duplicated for the sensor on the right allowing the use of both mini PCB.
Figure 7. SATEL-VL53L8 breakout boards can not be connected to the X-NUCLEO-53L8A1 expansion board
Figure 8. VL53L8 mini PCB flying wire connection to the X-NUCLEO-53L8A1 expansion board in I2C mode. J9 jumper with pin 2 and 3 connected
Figure 9. VL53L8 mini PCB flying wire connection to the X-NUCLEO-53L8A1 expansion in SPI mode. J9 jumper with pin 1 and 2 connected
Graphical user interface (GUI) and programming example for the X-NUCLEO-53L8A1
To evaluate the VL53L8 device performance, use the related GUI or the X-CUBE-TOF1.
The X-NUCLEO-53L8A1 expansion board requires the NUCLEO-F401RE development board to use the GUI or run the ranging examples included in the X-CUBE-TOF1.
Important:
Despite the fact that the X-NUCLEO-53L8A1 can be stacked on any STM32 Nucleo board equipped the Arduino R3 connectors, the GUI is designed to work with the NUCLEO-F401RE only.
Download the GUI (in the Tools and Software tab of the X-NUCLEO-53L8A1 web page) or the X-CUBE-TOF1 to evaluate the VL53L8.
Schematic diagrams
Note: These schematic diagrams refer to the board latest version.

Note: The display connector is an optional connector to connect an SSD1306 I2C OLED display to output the ranging data or other meaningful information if required. The related application note and example code will be available on st.com.
Figure 11. X-NUCLEO-53L8A1 circuit schematic (2 of 5)
Nucleo Arduino connectors

Figure 12. X-NUCLEO-53L8A1 circuit schematic (3 of 5)
Power Section

Figure 13. X-NUCLEO-53L8A1 circuit schematic (4 of 5)

Figure 14. X-NUCLEO-53L8A1 circuit schematic (5 of 5)
NOTE CORE_1V8 and IOVDD is from the same 1.8V regulator
Satellite board connector

Bill of materials
Table 3. X-NUCLEO-53L8A1 bill of materials
| Item | Quantity | Reference | Part/value | Description | Manufacturer | Order code |
| 1 | 3 | C2, C4, C6 | 1 μF | CAP, CER, 1uF, 35V, X5R, 0402 | Murata | GRM155R6YA105KE11D |
| 2 | 1 | C3 | 10 μF | Capacitance, ceramic, 10 μF, 6.3 V, X5R, 0603 | Kemet | C0603C106M9PACTU |
| 3 | 10 | C8, C9, C10, C11, C12, C13, C14, C15, C16, C21 | 100 nF | Capacitance, ceramic, 100 μF, 50 V, X5R, 0402 | Murata | GRM155R61H104KE19 |
| 4 | 1 | CN5 | 2.54 mm, T/H, Vert | Connectors, header, 10POS, 10×1, 2.54 mm, T/H, VERT | Harwin | M20-9991045 |
| 5 | 2 | CN6, CN9 | 2.54 mm, T/H, Vert | Connectors, header, 08 POS, 8×1, 2.54 mm, T/H, VERT | Harwin | M20-9990845 |
| 6 | 1 | CN8 | 2.54 mm, T/H, Vert | Connectors, header, 06 POS, 6×1, 2.54 mm, T/H, VERT | Harwin | M20-9990645 |
| 7 | 2 | GND1, GND2 | Clip | TESTPOINT, CLIP, TIN, SMD | Harwin | S1751-46R |
| 8 | 3 | J1, J2, J3 | 2×1 2.54 mm T/H | Connectors, header, 2POS, 2.54 mm, T/H, VERT | Harwin | M20-9990245 |
| 9 | 6 | J1[1-2], J2[1-2], J3[1-2], J7[1-2], J8[1-2], J9[2-3] | 0.1″ Jumper Link | Link, header, 2.54 mm | Harwin | M7571-05 |
| 10 | 2 | J6_Left, J6_Right | HDR_11x1 Female 2.54 mm | Connectors, header 11POS, SNGL, 2.54 mm, T/H | Samtec | SSW-111-01-G-S |
| 11 | 3 | J7, J8, J9 | 2.54 mm T/H | Connectors, header, 3POS, SNGL, 2.54 mm, T/H | Harwin | M20-9990345 |
| 12 | 2 | J12_Left, J12_Right | HDR_3x1 Female 2.54 mm | Connectors RCPT 3POS 0.1 Gold PCB | Samtec | SSW-103-01-G-S |
| 13 | 7 | R4, R5, R6, R14, R16, R17, R30 | 47 k | Resistors, 47 k, 1 %, 1/10 W, 0402 | Panasonic | ERJ2RKF4702X |
| 14 | 4 | R2, R3, R18, R19 | 2.2 k | Resistors, 2.2 k, 1 %, 1/16 W, 0402 | Stackpole Electronics | RMCF0402FT2K20 |
| 15 | 4 | R20, R22, R23, R26 | 10 k | Resistors, 10 k, 1 %, 1/16 W, 0402 | Yageo | RC0402FR-0710KL |
| 16 | 2 | R40, R41 | 1 k | Resistors, 1 k, 1 %, 1/16 W, 0402 | Yageo | RC0402FR-071KL |
| 17 | 1 | SB1[1-2] | Solder bridge | Link, solder | N/A | N/A |
| 18 | 2 | U1, U3 | LDK130M33RY, SOT23-5L | IC, REG, LDO, 3.3 V, 0.3 A, SOT23-5L | ST | LDK130M33RY |
| 19 | 1 | U2 | LDK130M18R, SOT23-5L | IC, REG, LDO, 1.8 V, 0.3 A, SOT23-5L | ST | LDK130M18R |
| 20 | 1 | U4 | VL53L8CA | Multi-zone time-of-flight ranging sensor | ST | VL53L8CAV0GC/1 |
| 21 | 4 | U5, U6, U7, U8 | PI4ULS3V204 | IC, 4-bit bi-directional level shifter, TQFN3.5×3.5-14 | Diodes Incorporated | PI4ULS3V204ZBEX |
| 22 | 1 | C19 | 10 nF | Capacitor, ceramic, 10 nF, 25V, X5R, 0402 | AVX | 04023D103KAT2A |
| 23 | 1 | R1 | 47 k | Resistor, 47 k, 1 %, 1/10 W, 0402 | Panasonic | ERJ2RKF4702X |
| 24 | 4 | R21, R24, R25, R28 | 10 k | Resistors, 10 k, 1 %, 1/16 W, 0402 | Yageo | RC0402FR-0710KL |
Board versions
Table 4. X-NUCLEO-53L8A1 versions
| PCB version | Schematic diagrams | Bill of materials |
| X$NUCLEO-53L8A1A (1) | X$NUCLEO-53L8A1A schematic diagrams | X$NUCLEO-53L8A1A bill of materials |
Regulatory compliance information
Formal Notice Required by the U.S. Federal Communications Commission
For evaluation only; not FCC approved for resale
FCC NOTICE
This kit is designed to allow:
(1) Product developers to evaluate electronic components, circuitry, or software associated with the kit to determine whether to incorporate such items in a finished product and (2) Software developers to write software applications for use with the end product.
This kit is not a finished product and when assembled may not be resold or otherwise marketed unless all required FCC equipment authorizations are first obtained. Operation is subject to the condition that this product not cause harmful interference to licensed radio stations and that this product accept harmful interference. Unless the assembled kit is designed to operate under part 15, part 18 or part 95 of this chapter, the operator of the kit must operate under the authority of an FCC license holder or must secure an experimental authorization under part 5 of this chapter 3.1.2.
Formal Product Notice Required by Industry Canada Innovation, Science and Economic Development
Canada compliance:
For evaluation purposes only. This kit generates, uses, and can radiate radio frequency energy and has not been tested for compliance with the limits of computing devices pursuant to Industry Canada (IC) rules.
Formal product notice required by EU
This device is in conformity with the essential requirements of the Directive 2014/30/EU (EMC) and of the Directive 2015/863/EU (RoHS).
Notice for the United Kingdom
This device is in compliance with the UK Electromagnetic Compatibility Regulations 2016 (UK S.I. 2016 No. 1091) and with the Restriction of the Use of Certain Hazardous Substances in Electrical and Electronic Equipment Regulations 2012 (UK S.I. 2012 No. 3032).
Appendix A References
- VL53L8CX: DS14161
- X-NUCLEO-53L8A1: DB4921
- X-CUBE-TOF1: DB4449
Revision history
Table 5. Document revision history
| Date | Revision | Changes |
| 3-Mar-23 | 1 | Initial release. |
IMPORTANT NOTICE – READ CAREFULLY
STMicroelectronics NV and its subsidiaries (“ST”) reserve the right to make changes, corrections, enhancements, modifications, and improvements to ST products and/or to this document at any time without notice. Purchasers should obtain the latest relevant information on ST products before placing orders. ST products are sold pursuant to ST’s terms and conditions of sale in place at the time of order acknowledgment.
Purchasers are solely responsible for the choice, selection, and use of ST products and ST assumes no liability for application assistance or the design of purchasers’ products.
No license, express or implied, to any intellectual property right is granted by ST herein.
Resale of ST products with provisions different from the information set forth herein shall void any warranty granted by ST for such product.
ST and the ST logo are trademarks of ST. For additional information about ST trademarks, refer to www.st.com/trademarks. All other product or service names are the property of their respective owners.
Information in this document supersedes and replaces information previously supplied in any prior versions of this document.
© 2023 STMicroelectronics – All rights reserved
References
STMicroelectronics: Our technology starts with you
STMicroelectronics: Our technology starts with you
STMicroelectronics Trademark List - STMicroelectronics
VL53L8CA - 2nd generation multi-zone time-of-flight ranging sensor - STMicroelectronics
VL53L8CA - 2nd generation multi-zone time-of-flight ranging sensor - STMicroelectronics
VL53L8CX - Low-power high-performance 8x8 multizone Time-of-Flight sensor - STMicroelectronics
LDK130 - 300 mA low quiescent current very low noise LDO (automotive for SOT23-5L package) - STMicroelectronics
NUCLEO-F401RE - STM32 Nucleo-64 development board with STM32F401RE MCU, supports Arduino and ST morpho connectivity - STMicroelectronics
SATEL-VL53L8 - Breakout board based on the VL53L8 series Time-of-Flight sensors - STMicroelectronics
VL53L4CD - Time-of-Flight high accuracy proximity sensor - STMicroelectronics
VL53L8CX - Low-power high-performance 8x8 multizone Time-of-Flight sensor - STMicroelectronics
X-CUBE-TOF1 - Time-of-Flight sensors software expansion for STM32Cube - STMicroelectronics
X-NUCLEO-53L4A2 - Time-of-Flight sensor with extended range measurement expansion board based on the VL53L4CX for STM32 Nucleo - STMicroelectronics
X-NUCLEO-53L8A1 - Time-of-Flight expansion board based on the VL53L8 series for STM32 Nucleo - STMicroelectronics
STM32 Nucleo Boards - STMicroelectronics



















