

041823
NYX SERIES DOWNLIGHT INSTALLATION GUIDE – WARNING
WARNING – READ ALL PRODUCT LABELS AND INSTRUCTIONS BEFORE INSTALLING FIXTURE.
WARNING – THE FIXTURE IS INTENDED FOR MOUNTING ONLY IN A COVERED CEILING WHERE ONLY THE LED SIDE OF THE LUMINAIRE WILL BE EXPOSED TO WET LOCATIONS WHEN REFLECTOR IS INSTALLED.
WARNING – INSTALLATION SHOULD ONLY BE PERFORMED AFTER POWER TO THE FIXTURE HAS BEEN TURNED OFF.
WARNING – RISK OF FIRE OR ELECTRIC SHOCK. INSTALLATION OF THIS FIXTURE REQUIRES A PERSON FAMILIAR WITH THE CONSTRUCTION AND OPERATION OF THE LUMINAIRE’S ELECTRICAL SYSTEM AND THE HAZARD INVOLVED. IF NOT QUALIFIED. DO NOT ATTEMPT INSTALLATION. CONTACT A QUALIFIED ELECTRICIAN.
WARNING – RISK OF FIRE OR ELECTRIC SHOCK. INSTALL THIS KIT ONLY IN THE LUMINAIRE THAT HAS THE CONSTRUCTION FEATURES AND DIMENSIONS SHOWN IN THE PHOTOGRAPHS AND/OR DRAWINGS AND WHERE THE INPUT RATING OF THE FIXTURE DOES NOT EXCEED THE INPUT RATING OF THE LUMINAIRE.
DO NOT MAKE OR ALTER ANY OPEN HOLES IN AN ENCLOSURE OF WIRING OR ELECTRICAL. COMPONENTS DURING KIT INSTALLATION.
CAUTION – TO PREVENT WIRING DAMAGE OR ABRASION. DO NOT EXPOSE WIRING TO EDGES OF SHEET METAL OR OTHER SHARP OBJECTS.
WIRING DIAGRAM

- For non dimmable or forward & reverse phase dimming, use only black (L), white (N) & Green (GND). Cap the 0-10V wires (purple and pink).
- DO NOT USE 0-10V and Forward/Reverse Phase dimming together, this will damage the luminaire.
ROUND REFLECTOR ASSEMBLY
- Identify Light Engine and Reflector, light engine and reflector should be the same size. Locate the notches on the reflectors and the latches on the light engine.
- Line up the notches of reflector and light engine, and insert. the reflector in the light engine. (fig. 1)
- Twist the reflector clockwise and lock the reflectors with the light engines, the 3 notches should lock in the latches of the light engine. (fig. 2)
- Trim should be flush and secure with the downlight.
fig. 1 fig. 2

SQUARE REFLECTOR AND OPTIC ASSEMBLY
- Locate the squeezing tabs on the optic and the 2 retainers on the light engine. Align tabs and retainer and insert the optic in the light engine. (fig. 1)
- Secure the optic by maintaining pressure with one end on the middle of the optic, and with your other hand push alternatively on each tab to secure and lock them in the retainer, you should hear a click on both sides. (fig. 2 & 3)
- Locate the 4 magnets on the light engine and the 4 magnets on the feet at each corner of the reflector. Align magnets and insert the trim in the light engine.
- Trim should be flush and secure with the downlight
fig. 1 fig. 2

fig. 3 fig. 4

fig. 5

NEW CONSTRUCTION INSTALLATION
Product Information | Compatible Products |
![]() | NYX 4″ |
![]() | NYX 6″ |
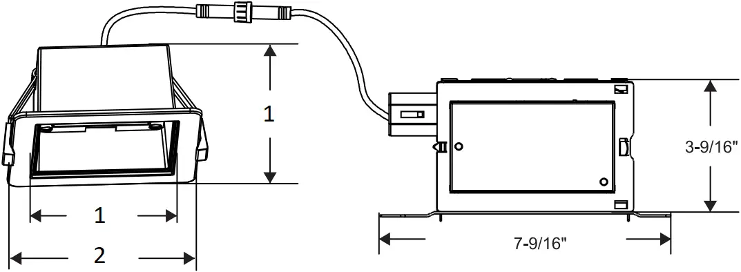
NYX NEW CONSTRUCTION INSTALLING THE DRIVER ON THE FRAME
1. Make sure the POWER IS TURNED OFF at the source to the location in which you are installing the product.
2. Locate the 2 studs on frame. And the hooks on the driver box. Place driver facing the hole of the frame. Slide left side of driver box into the left studs (hook is perpendicular to driver box), rotate and and slide the right part of the driver box to hook on the right studs (hook is parallel to driver box).(fig. 1)
3. Secure the driver box on the plate by hand tightening the thumb screws of the studs on both sides of the box, until driver box is firmly attached to the frame.
fig. 1 fig. 2

NYX NEW CONSTRUCTION DRYWALL INSTALLATION
4. Using a hammer, secure the bar hangers to the wood joist with the nail. Secure at all four locations. For steel studs, use self-tapping sheet metal screws in place of nails. (fig. 3)
5. Adjust and center the downlight opening hole as desired, by sliding the frame along the bar hangers. Lock and secure the frame with the bar hangers by tightening the edging screws. (fig. 4)
fig. 3 fig. 4

NYX NEW CONSTRUCTION T-GRID INSTALLATION
6. Extend the bar hangers and secure to the ceiling T-Grid using the vertical slots at the end of each bar hanger.
7 Adjust and center the downlight opening hole as desired, by sliding the frame along the bar hangers. Lock and secure the frame with the bar hangers by tightening the edging screws. (Fig. 5)
8. If required by code, connect the bar hangers to the T-grid with self-tapping sheet metal screws. (fig. 6)
fig. 5 fig. 6

NYX NEW CONSTRUCTION INSTALLATION
9. Once the frame is installed and secure. Open the driver face plate by gently pulling the metal tab. (fig. 7)
10. Open one of the driver box knock-out with a flat head screwdriver, and insert source cable directly to the junction box, through one of the knock-outs, secure it. You can use provided power clamp for standard cable, for MC cable please use appropriate snap-in or screwing connector (not provided).
11. Close the lid and ensure all the wires and connectors are securely tucked into the driver box. Adjust the fixture power to desired lumen output by sliding the blue selector switch. Adjust the color temperature to desired one, by sliding the black selector switch. Make sure the switch is never in between positions. (fig. 9)
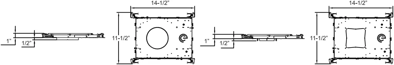
12. If a new hole is needed for ceiling tile, hardlid or drywall installations, use an appropriate cutting tool to cut along the edge of the new construction round or square collar for the desired size (fig. 10)
13. Reach and make sure the driver cable is accessible from the ceiling hole. (fig. 11)
14. Connect the power cord from the driver to the fixture using the cable connector. Secure it by tightening the connector threaded lock nut (fig. 12)
15. Squeeze the two spring clips so they are in an upright position and insert lamp in the ceiling. (fig. 13)
16. Once light engine and reflector. is inside the ceiling, release the spring clips and continue pushing fixture until securely fixed and flush with ceiling. (fig. 14 and 15)
17. Restore power at the source and the installation is complete.
fig. 7 fig. 8

fig. 9 fig. 10

- Select CCT
- Select Lumen
fig. 11 fig. 12

fig. 13 fig. 14

fig. 15

DIRECT MOUNT INSTALLATION
- Make sure the POWER IS TURNED OFF at the source to the location in which you are installing the product.
- If a new hole is needed for ceiling tile, hardlid or drywall installations, use an appropriate cutting tool to cut along the edge of the new construction round or square collar for the desired size. (fig. 1)
- Open the driver face plate by gently pulling the metal tab. Open one of the driver box knock-out with a flat head screwdriver, and Insert the incoming power source cable directly to the junction box, through one of the knock-out, Open one of the driver box knock-out with a flat head screwdriver, and insert source cable directly to the junction box, through one of the knock-outs, secure it. Proceed to wiring following wiring diagram (p. 1). (fig. 2)
- Close the lid and ensure all the wires and connectors are securely tucked into the driver box. Adjust the fixture power to desired lumen output by sliding the blue selector switch. Adjust the color temperature to desired one, by sliding the black selector switch. Make sure the switch is never in between positions. (fig. 3)
- Set the driver in the ceiling following your local electric code for securing it. Make sure the driver cable is accessible. (fig. 4)
- Connect the power cord from the driver to the fixture using the cable connector. Secure it by tightening the connector threaded lock nut. (fig. 5)
- Squeeze the two spring clips so they are in an upright position and insert lamp in the ceiling. (fig. 6)
- Once light engine and reflector is inside the ceiling, release the spring clips and continue pushing fixture until securely fixed and flush with ceiling. (fig. 7)
- Restore power at the source and the installation is complete.
fig. 1 fig. 2


fig. 3 fig. 4


- Select CCT
- Select Lumen
fig. 5 fig. 6

fig. 7


- FIXTURE HEIGHT
- INSIDE DIAMETER
- OUTSIDE DIAMETER
Inside Diameter | Outside Trim Diameter | Fixture Height | Minimum Cutout | Maximum Cutout | ||
| NYX ROUND | 4 | 3-15/16″ | 5-1/2″ | 2-1/2″ | 4-1/2″ | 4-3/4″ |
6 | 5-1/2″ | 7-1/16″ | 2-1/2″ | 6-1/16″ | 6-5/16″ |

- FIXTURE HEIGHT
- INSIDE DIAMETER
- OUTSIDE DIAMETE
Inside Diameter | Outside Trim Diameter | Fixture Height | Minimum Cutout | Maximum Cutout | ||
| NYX SQUARE | 4 | 3-3/8×3-3/8″ | 4-7/8×4-7/8″ | 2-1/2″ | 4×4″ | 4-1/8×4-1/8″ |
6 | 4-13/16×4-13/16″ | 6-3/8×6-3/8″ | 2-1/2″ | 5-5/16×5-5/16″ | 5-5/8×5-5/8″ |
NYX SQUARE WALL WASH INSTALLATION
- Locate the 2 side latches and the notch at the back of the wall wash. Insert the latches in the small gap between the reflector and light engine (fig. 1)
- Once latches are secure on both side of the reflector push the wall wash to the edge of the reflector and clip the end notches to secure it. (fig. 2)
- Wall wash should be secured and flush with the reflector. (fig. 3)
fig. 1 fig. 2 fig. 3

Open side should be directed toward the wall when installed
NYX ROUND WALL WASH INSTALLATION
- Locate the 3 latches and the notch on the open arch. (fig. 1)
- Insert the latches in the small gap between the reflector and light engine. Once latches are secure to the reflector clip the end notches to secure it. (fig. 2)
- Wall wash should be secured and flush with the reflector. (fig. 3)
fig. 1 fig. 2 fig. 3



Open side should be directed toward the wall when installed
NYX ROUND LENS REPLACEMENT
- Push on the optic to unlock it from the reflector. (fig. 1 and 2)
- Insert the new optic to the reflector by pushing it on top of the reflector. The optic should click on the reflector and the 3 latches should clipped over the optic. (fig. 3 and 4)
- Optic should be secured and flush with reflector.
fig. 1 fig. 2

fig. 3 fig. 4

www.greencreative.com – [email protected] – Tel / Fax: (866) 774-5433 –
/ GREENCREATIVELED
/GClightingLED
/ GREEN-CREATIVE An ILLUMUS Brand


















