CURT 11276 Class 1 Pin and Clip Trailer

WARNING: Safety glasses should be worn at all times while installing this product.
INSTALLATION INSTRUCTIONS
- YEARS: 2010-PRESENT
- 2010-2015
- MAKE: TOYOTA
- MODEL: PRIUS V
- PRIUS & PRIUS PLUG-IN
- STYLE: WAGON
- HATCHBACK
- PRO INSTALL TIME: 15 MIN.
- NOVICE INSTALL TIME: 30 MIN.
INSTALLATION REQUIRES

INSTALLATION TIPS
- BEFORE YOU BEGIN INSTALLATION, READ ALL INSTRUCTIONS THOROUGHLY.
- TO EASE INSTALLATION, 2 PEOPLE MAY BE REQUIRED.
- USING PROPER TOOLS WILL GREATLY IMPROVE THE QUALITY OF THE INSTALL AND REDUCE THE TIME REQUIRED.
- NEED HELP OR HAVE SOME QUESTIONS?
- CALL TECHNICAL SUPPORT AT 877.287.8634
LEVEL OF DIFFICULTY: EASY
EASY/MODERATE/CHALLENGING

VEHICLE PHOTO

- REPRESENTATIVE PHOTO
HITCH ILLUSTRATION

- MAKE SURE YOUR HITCH MATCHES
PERIODICALLY CHECK THIS RECEIVER HITCH TO ENSURE ALL FASTENERS ARE TIGHT AND ALL STRUCTURAL COMPONENTS ARE SOUND
CURT Manufacturing LLC. warrants this product to be free of defects in material and/or workmanship at the time of retail purchase by the original purchaser. If the product is found to be defective, CURT Manufacturing LLC. may repair or replace the product at their option, when the product is returned, prepaid, with proof of purchase. Alteration to, misuse of, or improper installation of this product voids the warranty. CURT Manufacturing LLC.’s liability is limited to repair or replacement of products found to be defective, and specifically excludes liability for incidental or consequential loss or damage. For more information log onto www.curtmfg.com, & for helpful towing tips log onto www.hitchinfo.com This product complies with safety specifications and requirements for connecting devices and towing systems of the state of New York, V.E.S.C.Regulation V-5 and SAE J684.
SCAN FOR MORE INFO

INSTALLATION WALKTHROUGH

RUBBER ISOLATOR REMOVAL DIAGRAM

This technique can be used if an Exhaust Hanger Removal Pliers is not available. Using a 58″ open-end wrench, slide the wrench up to the rubber isolator, cradling the hanger rod as shown. Next place the flat edge of a pry bar between the wrench and the hanger stop or hanger rod. Then simply rotate the pry bar toward the wrench to remove the rubber isolator.
Note: Using a spray lubricant or soapy water on the hanger rod and the rubber isolator helps removal.
CONICAL TOOTHED WASHER ORIENTATION DIAGRAM


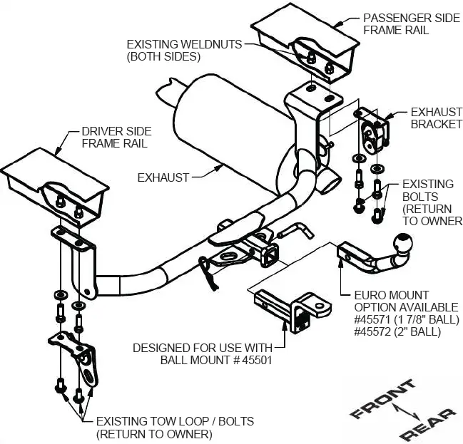
- Remove existing bolts from rearmost exhaust hanger to lower exhaust. Return bolts to owner. NOTE: For ease of installation rearmost remove rubber isolator. See RUBBER ISOLATOR REMOVAL DIAGRAM.

- Remove existing bolts from tow loop. Return tow loop and bolts to owner. NOTE: Access bolts through tow loop cut out in the underbody panel on standard Prius models.

- Position hitch by raising the driver side plate against the frame rail (this will go through the tow loop cut out in the underbody panel on standard Prius models). Loosely attach hitch to the weldnuts in the frame using the supplied M12 – 1.25 X 40mm bolts with 1/2″ conical toothed washers.

- Clamp the passenger side plate between the frame rail and exhaust bracket. Secure using M12 – 1.25 X 40mm bolts with 1/2″ conical toothed washers, as shown above.

- Torque all 12mm fasteners to 86 ft-lbs.

- Reinstall rubber isolator (if it was removed in step 1). Installation is complete.
- NOTE: Ball mount must be used in the rise position only, as shown below.

- NOTE: Ball mount must be used in the rise position only, as shown below.
TOYOTA PRIUS, PRIUS V, & PRIUS PLUG-IN
GROSS LOAD CAPACITY WHEN USED AS A WEIGHT CARRYING HITCH: 2,000 LBS. TRAILER WEIGHT & 200 LBS. TONGUE WEIGHT.
WARNING
- ALL NON-TRAILER LOADS APPLIED TO THIS PRODUCT MUST BE SUPPORTED BY 18050 STABILIZING STRAPS.
- FAILURE TO PROPERLY SUPPORT NON-TRAILER LOADS WILL VOID THE PRODUCT WARRANTY
- DO NOT EXCEED VEHICLE MANUFACTURER’S RECOMMENDED TOWING CAPACITY
- FOR MORE INFORMATION LOG ONTO WWw.cURTMFG.COM & FOR HELPFUL TOWING TIPS LOG ONTO WWW.HITCHINFO.COM HAVING INSTALLATION QUESTIONS? CALL TECHNICAL SUPPORT AT 1-877-287-8634


NOTE: BALL MOUNT MUST BE USED IN RISE POSITION ONLY (AS SHOWN)
CONICAL TOOTHED WASHER ORIENTATION DIAGRAM

RUBBER ISOLATOR REMOVAL DIAGRAM

This technique can be used if an Exhaust Hanger Removal Pliers is not available. Using a 5/8″ open-end wrench, slide the wrench up to the rubber isolator, cradling the hanger rod as shown. Next place the flat edge of a pry bar between the wrench and the hanger stop or hanger rod. Then simply rotate the pry bar toward the wrench to remove the rubber isolator.
Note: Using a spray lubricant or soapy water on the hanger rod and the rubber isolator helps removal.
- HITCH WEIGHT: 25 LBS
INSTALL TIME
- PROFESSIONAL: 15 MINUTES
- NOVICE (DIY): 30 MINUTES
INSTALL NOTES
- LOWER EXHAUST
- NO DRILLING REQUIRED
- REMOVE TOW LOOP
INSTALLATION STEPS
- Remove existing bolts from rearmost exhaust hanger to lower exhaust. Return bolts to owner. NOTE: For ease of installation rearmost remove rubber isolator. See RUBBER ISOLATOR REMOVAL DIAGRAM above.
- Remove existing bolts from tow loop. Return tow loop and bolts to owner. NOTE: Access bolts through tow loop cut out in the underbody panel on standard Prius models.
- Position hitch by raising the driver side plate against the frame rail (this will go through the tow loop cut out in the underbody panel on standard Prius models). Loosely attach hitch to the weldnuts in the frame using the supplied M12 – 1.25 X 40mm bolts with 1/2″ conical toothed washers.
- Clamp the passenger side plate between the frame rail and exhaust bracket. Secure using M12 – 1.25 X 40mm bolts with 1/2″ conical toothed washers, as shown above.
- Torque all 12mm fasteners to 86 ft-lbs. Reinstall rubber isolator (if it was removed in step 1).
PERIODICALLY CHECK THIS RECEIVER HITCH TO ENSURE THAT ALL FASTENERS ARE TIGHT AND THAT ALL STRUCTURAL COMPONENTS ARE SOUND
CURT Manufacturing LLC., warrants this product to be free of defects in material and/or workmanship at the time of retail purchase by the original purchaser. If the product is found to be defective, CURT Manufacturing LLC., may repair or replace the product, at their option, when the product is returned, prepaid, with proof of purchase. Alteration to, misuse of, or improper installation of this product voids the warranty. CURT Manufacturing LLC.’s liability is limited to repair or replacement of products found to be defective, and specifically excludes liability for incidental or consequential loss or damage. This product complies with safety specifications and requirements for connecting devices and towing systems of the state of New York, V.E.S.C.Regulation V-5 and SAE J684.
Scan for more information



























