CURT 13144 Class 3 Trailer Hitch Instruction Manual

INSTALLATION INSTRUCTIONS
Safety glasses should be worn at all times while installing this product.
- YEARS: 2014-CURRENT
- MAKE: SUBARU
- MODEL: FORESTER
- STYLE: SUV
WARNING: NEVER EXCEED YOUR VEHICLE MANUFACTURER’S RECOMMENDED TOWING CAPACITY
WEIGHT CARRYING:
TRAILER WEIGHT: 3500 LBS.
TONGUE WEIGHT: 525 LBS.
WARNING:
WE RECOMMEND THE USE OF 18050 STABILIZING STRAPS FOR ALL NON-TRAILER (WHEEL-LESS) LOADS. PLEASE SEE THE CURT CATALOG OR VISIT US ONLINE AT WWW.CURTMFG.COM FOR FURTHER INFORMATION.
PRO INSTALL TIME: 30 MIN.
NOVICE INSTALL TIME: 60 MIN.
IF YOU ARE HESITANT TO UNDERTAKE THIS TASK ON YOUR OWN, CONTACT AN AUTHORIZED CURT INSTALLER FOR ADDITIONAL ASSISTANCE.
INSTALLATION REQUIRES:

INSTALLATION TIPS:
- BEFORE YOU BEGIN INSTALLATION, READ ALL INSTRUCTIONS THOROUGHLY.
- TO EASE INSTALLATION, 2 PEOPLE MAY BE REQUIRED.
- USING PROPER TOOLS WILL GREATLY IMPROVE THE QUALITY OF THE INSTALL AND REDUCE THE TIME REQUIRED.
- NEED HELP OR HAVE SOME QUESTIONS? CALL TECHNICAL SUPPORT AT 877.287.8634
LEVEL OF DIFFICULTY: MODERATE


PERIODICALLY CHECK THIS RECEIVER HITCH TO ENSURE ALL FASTENERS ARE TIGHT AND ALL STRUCTURAL COMPONENTS ARE SOUND CURT Manufacturing LLC. warrants this product to be free of defects in material and/or workmanship at the time of retail purchase by the original purchaser. If the product is found to be defective, Curt Manufacturing LLC. may repair or replace the product at their option, when the product is returned, prepaid, with proof of purchase. Alteration to, misuse of, or improper installation of this product voids the warranty. Curt Manufacturing LLC.’s liability is limited to repair or replacement of products found to be defective, and specifically excludes liability for incidental or consequential loss or damage.
I NSTALLATI ON WALKTHROUGH:
- Parts List
- QTY PART
- NUMBER
- DESCRIPTION
| 1 | 6 | 1/2-13 x 1 3/4, GR8 | CARRIAGE BOLT |
| 2 | 6 | HFN 1213, GR8 | HEX FLANGE NUT |
| 3 | 6 | CM-SP10 | .250 x 1.00 x 2.50″ SQUARE HOLE SPACER |
| 4 | 6 | 1_2 FISHWIRE | 1/2″ FISHWIRE |

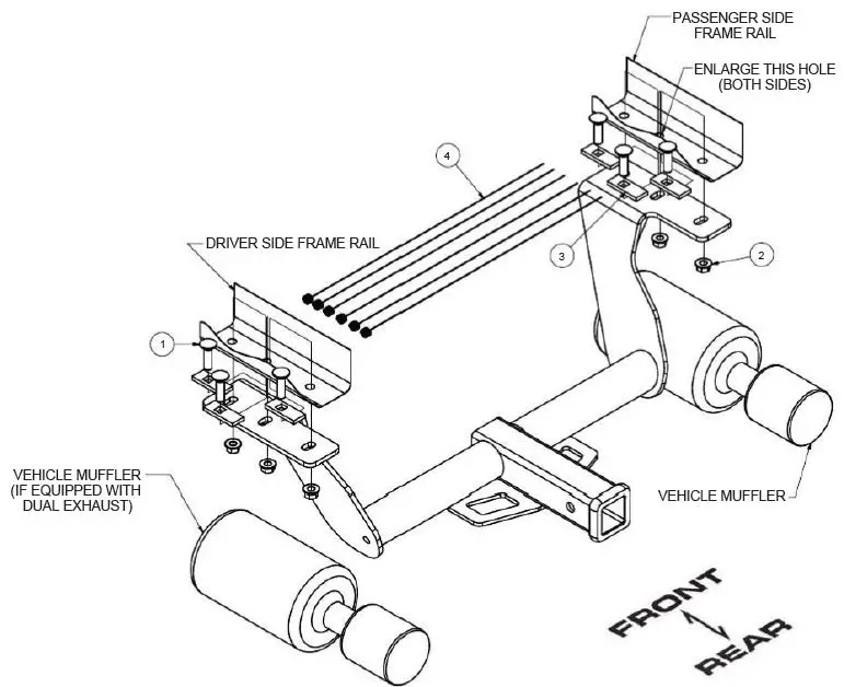
- Remove (2) exhaust hangers from the passenger side muffler and exhaust hanger from the center front of vehicle for single exhaust vehicles, dual exhaust will remove (2) exhaust hangers from the driver side muffler as well. Support lowered exhaust with jack stand.

- Remove (4) heat shield attachments with Philips head screwdriver or 10mm socket (both sides if equipped with dual exhaust). Remove three hole plugs from each side of frame to expose mounting holes. Return all removed items to customer.

For more information log onto www.curtmfg.com, & for helpful towing tips log onto www.hitchinfo.com
INSTALLATION WALKTHROUGH:
- Enlarge the center hole on each side of the frame to about 1 1/8″ to allow the mounting hardware to pass though. (Both sides)

- Fishier 1/2″ carriage bolt and spacer through the front and rear frame holes in both frame sides then reverse fishier the center hole both sides.

- Raise hitch into place and secure hitch to frame, using the 1/2″ hardware provided. Torque all hardware to 110ft-lb.

- Raise exhaust back into place and reattach exhaust hangers. Install complete.

For more information log onto www.curtmfg.com, & for helpful towing tips log onto www.hitchinfo.com
TDWINB SAFETY INFORMATION
Gross Trailer Weight I GTW
The Gross Trailer Weight Is the weight of the trailer & cargo. Measure this by putting the fully loaded trailer on a vehicle scale.

Tongue Weight I TW
The downward force that is exerted on the hitch ball by the coupler. The tongue weight will vary depending on where the load is positioned in relationship to the trailer axle(s). To measure the tongue weight, use either a commercial scale or a bathroom scale with the coupler at towing height. Whom using a bathroom scale with heavier tongue weights, use the method shown and multiply or,…,..1> the scale reading by 3.

Weight Carrying I WC
Though total weight of both though tailor and though cargo inside. Never exceed the weight capacity of your trailer hitch.

Sway Control
A device used to reduce the lateral movements of the trailer that are caused by the wind. This works in conjunction with a weight distribution hitch. Do not use this on a class 1 or 2 hitch, or with surge brakes.
How Much Can You Safely Tow?

Ball Mount
The ball mount is placed inside the opening of the receiver hitch which is mounted to the hitch vehicle. before Make ou sure b a in hitch towing. pin and chp ls properly securing the ball mount to the receiver A:RISE: N:DROPE.C:HOLE SIZE.D:LENGHT

Trailer Ball
The connection from the hitch to the trailer. There are many factors tho1 determine the correct hitch ball: Number one is the hitch ball’s gross trailer weight rating. The mounting platform must be at least 3/8″ thick. H
The hole diameter must not be more than 1/16 larger than the threaded shank. A: Ball Dia. B: Shank Dia. C: Shank Length. D: Shank Rise.

Coupler
The component that is placed over the trailer ball to connect the vehicle to the trailer. Be sure that the coupler size matches the size of the hitch ball and that the coupler handle is securely fastened. To determine what size hitch ball you need for your aft)plica· ton you will need to know the size of coupler that is on the trailer. Be sure your coupler is properly adjusted to the ball you are using.
NOTE: For added security the use of safety devices such’s Coupler Safety Pins and Locks is strongly recommended.
Safety Chains
Safety chains are a requirement and should be bossed under the tongue of the trailer so that the tongue will not drop to the road if it becomes separated from the hitch. Always leave enough slack so you can turn. Never allow the safety chains to drag on the ground and never attach though chains to though bumper. Trailer Classification: Safety Chain Breaking Force – Minimum
- Class 1: 2,000 lbs. {8.9 k N)
- Class, 2: 3,500 lbs. (15.6 k N)
- Class 3: 5,000 lbs. (22.2 k N)
The strength rating of each length of safety chain or its equivalent and its attachments shall be equal to or exceed In minimum braking force the GWIR (Gross Velde Weight Rating) of the trailer.
Electrical
Trailer lights, Electric Brakes, Break-away systems Every time you tow, boo sure to check that all components are working properly.
Wiring identification by color:
SUBARU FORESTER
9/16/2014 GROSS LOAD CAPACITY WHEN USED AS A WEIGHT CARRYING HITCH: 3 5 0 0 LBS. TRAILER WEIGHT & 5 2 5 LBS. TONGUE WEIGHT. WARNING: ALL NON-TRAILER LOADS APPLIED TO THIS PRODUCT MUST BE SUPPORTED BY 18050 STABILIZING STRAPS.FAI LURE T O PR OP ER LY SUPPORT N O N -T R AI LER LOA D S W I L L V O I D PRODU CT WA RRA N T Y * HAVING INSTALLATION QUESTIONS? CALL TECHNICAL SUPPORT AT 1-877-287-8634
| 1 | 6 | 1/2-13 x 1 3/4, GR8 | CARRIAGE BOLT |
| 2 | 6 | HFN 1213, GR8 | HEX FLANGE NUT |
| 3 | 6 | CM-SP10 | .250 x 1.00 x 2.50″ SQUARE HOLE SPACER |
| 4 | 6 | 1_2 FISHWIRE | 1/2″ FISHWIRE |

- TOOLS REQUIRED RATCHET
- 10mm, 3/4″ SOCKET
- 6″ SOCKET EXTENSION 1
- SCREW DRIVER GRINDER/ DRILL TORQUE WRENCH JACK STAND

- HITCH WEIGHT: 3 5 LBS.
- INSTALL TIME
- PROFESSIONAL: 30 MINUTES
- NOVICE (DIY): 60 MINUTES
- INSTALL NOTES:
- PART REMOVAL
- HOLE ENLARGEMENT
- FISHWIRE
- REVERSE FISHWIRE


INSTALLATION STEPS
- Remove (2) exhaust hangers from the passenger side muffler and (1) exhaust hanger from the center front of vehicle for single exhaust vehicles, dual exhaust will remove (2) exhaust hangers from the driver side muffler as well. Support lowered exhaust with jack stand.
- Remove (4) heat shield attachments with Philips head screwdriver or 10mm socket (both sides if equipped with dual exhaust). Remove three hole plugs from each side of frame to expose mounting holes. Return all removed items to customer.
- Enlarge the center hole on each side of the frame to about 1 1/8″ to allow the mounting hardware to pass though.
(Both sides) - Fishier 1/2″ carriage bolt and spacer through the front and rear frame holes in both frame sides, then reverse fishier the center hole both sides.
- Raise hitch into place and secure hitch to frame using the 1/2″ hardware provided. Torque all hardware to 110ft-lb.
- Raise exhaust back into place and reattach exhaust hangers.
PERI ODI CALLY CH ECK T H I S RECEI V ER H I T CH T O EN SU RE T H AT ALL FAST EN ERS ARE T I GHT AN D TH AT ALL STRU CT U RAL COMPONEN T S ARE SOU ND. Curt Manufacturing LLC., warrants this product to be free of defects in material and/or workmanship at the time of retail purchase by the original purchaser. If the product is found to be defective, Curt Manufacturing LLC., may repair or replace the product, at their option, when the product is returned, prepaid, with proof of purchase. Alteration to, misuse of, or improper installation of this product voids the warranty. Curt Manufacturing LLC.’s liability is limited to repair or replacement of products found to be defective, and specifically excludes liability for incidental or consequential loss or damage.





















