15752000 Metris Classic, Talis Classic
Instruction Manual
Metris Classic / Talis Classic
15752XXX
Safety Notes
Gloves should be worn during installation to prevent crushing and cutting injuries.
The shower system may only be used for bathing, hygienic and body cleansing purposes.
Children as well as adults with physical, mental and/ or sensoric impairments must not use this shower system without proper supervision. Persons under the influence of alcohol or drugs are prohibited from using this shower system.
The hot and cold supplies must be of equal pressures.
Installation Instructions
The fitting must be installed, flushed and tested after the valid norms!
Technical Data
Operating pressure: max. 1 MPa
Recommended operating pressure: 0,1 – 0,5MPa
Test pressure: 1,6MPa
(1 MPa = 10 bar = 147 PSI)
Hot water temperature: max. 80°C
Recommended hot water temp.: 65°C
Rate of flow by 0,3 MPa: approx. 26 l/min anti-pollution function
Do not use silicone containing acetic acid!
Safety Function (see page 62)
The desired maximum temperature for example max. 42º C can be pre-set thanks to the safety function.
Adjustment (see page 63)
After the installation, the output temperature of the thermostat must be checked. A correction is necessary if the temperature measured at the output differs from the temperature set on the thermostat.
Maintenance (see page 64)
- To guarantee the smooth running of the thermostat, it is necessary from time to time to turn the thermostat from total hot to total cold.
- The mixer is equipped with non return valves. The non return valves must be checked regularly according to DIN EN 1717 in accordance with national or regional regulations (at least once a year). At this time, please also check the filter (A) situated on the MTC-thermoelement (94282000). After assembling the MTC-thermoelement, it is necessary to check the water temperature at the take off point as described under the headline „adjustment“. Before the adjustment, please check, if the warm water supply is activated and the maximum temperature of the warm water is available at the take off point.
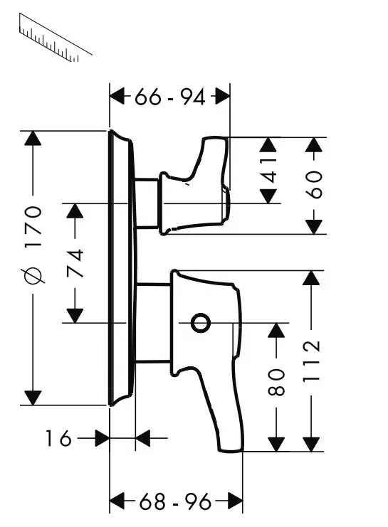
Dimensions (see page 66)
Spare parts (see page 67)
Operation (see page 68)
Assembly see page 60
| Fault | Cause | Remedy |
| Insufficient water | – Supply pressure inadequate | – Check water pressure (If a pump has been installed check to see if the pump is working). |
| – Regulator filter dirty | – Clean filters | |
| – Shower filter seal dirty | – Clean filter seal between shower and hose | |
| Crossflow, hot water being forced into cold water pipe, or vice versa, when mixer is closed | – Backflow preventers dirty or leaking | – Clean backflow preventers, exchange if necessary |
| Spout temperature does not correspond with temperature set | – Thermostat has not been adjusted | – Adjust thermostat |
| – Hot water temperature too low | – Increase hot water temperature to 42 °C to 65 °C | |
| Temperature regulation not possible | – Temperature regulator dirty or calcified | – Clean temperature regulator, exchange if necessary |
| – For new installations: basic body incorrectly connected (should be: cold right, hot left) or installed with 180° rotation | – Install function block turned through 180° | |
| Safety stop button not operating | – Spring defective – Button calcified | – Clean spring and/or button, exchange if necessary |
| Valve stiff | – Shut-off unit damaged | – Exchange shut-off unit |
| Shower or spout dripping | – Dirt or sedimentation on valve seat, shut-off unit damaged | – Clean or exchange shut-off unit |






Test certificate
| PA-IX | DVGW | SVGW | ACS | WRAS | NF | KIWA | |
| 15752000 | PA-IX 9711/ID | X | X |
XXX = Colors
000 = chrome plated
820 = nikiel szorowany

Hansgrohe · Postfach 1145
D-77761 Schiltach
Telefon +49 (0) 78 36/51-1282
Telefax +49 (0) 7836/511440
E-Mail: [email protected]
Internet: www.hansgrohe.com

















