
Barn Door Hardware 6.6 ft – J Shape – Black
Herraje para Puertas de Granero de 2 m (6,6 pies) – Forma en J – Negro
Ferrure de Porte de Grange 2 m (6,6 pieds) – en Forme de J -Noire
B07GF58DXB
Welcome Guide
Contents:
Before getting started, ensure the package contains the following components:



IMPORTANT SAFEGUARDS
Read these instructions carefully and retain them for future use. If this product is passed to a third party, then these instructions must be included.
When using the product, basic safety precautions should always be followed to reduce the risk of injury including the following:
- If your door opening has trim around it, it is recommended that you install the track onto a header board above the door opening.
- If your door opening does not have trim around it, the track can be installed directly into the drywall provided you find the studs in your walls.
- The track CANNOT be mounted directly into the drywall.
Before First Use
- Check for transport damage.
DANGER
Risk of suffocation! Keep any packaging materials away from children – these materials are a potential source of danger, e.g. suffocation.
Installation
Step 1: Track Preparation

NOTICE
If your door opening DOES NOT have trim going around it, follow the below steps.
- Using the layout above as a reference, position the track where you would like it.
- Using a stud finder, locate the studs where you want to attach the track.
- Using a small nail, tap it into the drywall and make sure you have located the stud.
- Using a pencil, mark the location of the stud.
- Repeat steps 2 and 3 until you have five marks indicating you have found five wall studs.
- Place the track on the wall and make sure the five pencil marks on the wall match up with the five holes in the track.
- If the holes in the track DO ALIGN with the marks on the wall, proceed to Track Installation.
- If the holes in the track DO NOT ALIGN with the marks on the wall, then a header board will need to be used.
Step 2: Header Board Installation

NOTICE
Draw a straight vertical line of at least 3.5” (89 mm), going through the mark that you made for the stud location.
- Locate and mark the center of the 1 x 6.
- Using the centerline of the header board, line it up to the stud marks.
- Using interior screws, mount the header board to the wall.
NOTICE
Use a level to ensure the header board is level when installing it to the studs.
Step 3: Track Installation

Attaching the track directly to the studs:
- Using the 5 marks you made, drill a 1/4” (6 mm) pilot hole 1” – 3” (25 – 76 mm) deep on each mark.
- Slide the washer (G1) over the screw (G) and repeat for all 5 screws.
NOTICE
If the door is going to stop before the last hole (8” / 20 cm) on either end, then the doorstop C1 or C2 will need to be installed onto the rail first. - Position the track over the drilled holes.
- Starting at one end of the track, insert the screw (G) through the track and then through the spacer (B) and into the pilot hole.
- Use a wrench to tighten the screw.
NOTICE
Do not tighten the screw completely until all screws are installed and the track is level. - Repeat steps 4 and 5 for the remaining holes (checking with a level for each screw installed).
Attaching the track to the header board:
- Place the track in the center of the header board and determine where you want it to be installed.
NOTICE Make sure the track is level before making your hole marks. - Mark locations for all 5 holes.
- Using the 5 marks you made, drill a 1/4” (6 mm) pilot hole 1” – 3” (25 – 76 mm) deep on each mark.
- Follow steps 2 through 6 under “Attaching the track directly to the studs”.
Installing door stops
- Slide one doorstop (C1, C2) on each end of the tack, making sure the hex screws are facing up and the actual stops are facing the door.
- Determine where you want the door to stop in both directions, then move the doorstop to that location and tighten down the hex screws with the hex wrench.
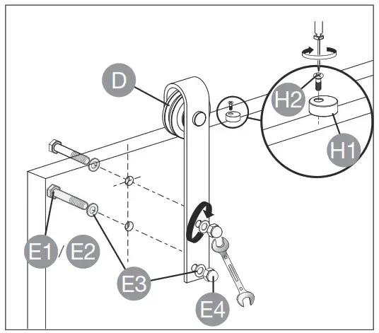
Step 4: Installing Hangers and Anti-Jump Disc


Installing hanger brackets
- Starting from the left side of the door, measure in 2” (51 mm) and make a mark.
- Measure down 1-1/2” (38 mm) and make a mark.
- Take the hanger bracket and center the top hole over the line intersection.
- Mark the bottom hole (making sure the center of the bottom hole is 2” (51 mm) away from the door edge).
- Remove the bracket and drill a 7/16” (11 mm) hole through the door for each bracket hole.
NOTICE Door thickness will determine which bolt size to use. - Slide the washer (E3) over the screw (E1 or E2) and insert it through the back of the door.
- Slide the washer (E3) over the screw and screw on the nut (E4), then hand-tighten.
- Repeat steps 6 and 7 for the bottom hole.
- Tighten down nuts.
- Repeat for another side.
Installing anti-jump disk
- Measure 2-7/16” (62 mm) from the inside of the hanger and make a mark in the center of the door edge.
- Screw the anti-jumper disc into the door top.
- Do not tighten the anti-jumper disc all the way.
NOTICE Prior to hanging the door, the anti-jump discs must be hanging over the front edge of the door. - Repeat for another side.
Step 5: Hanging Door

- Lift the door onto the track.
- Turn the anti-jumper discs to where they are now centered on the door edge.
- Tighten.
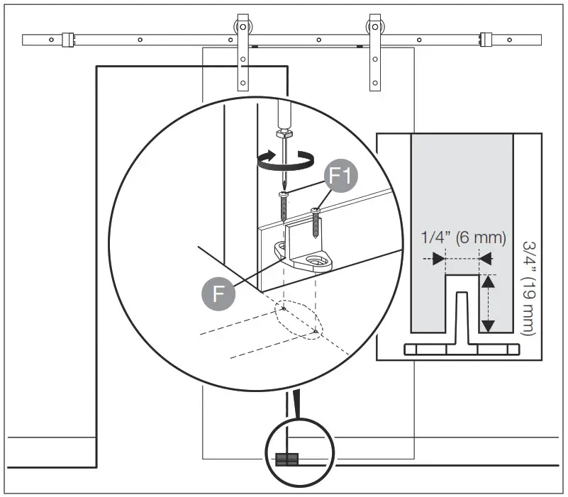
Step 6: Installing Floor Guide
If your door already has a groove in the bottom of the door:
- With the door at an open position, place the floor guide (F) into the center of the groove. (The floor
guide should not be sticking outside the edge of the door.) - Loosen the back door stop (C2) and slide the door backward (enough to see the floor guide).
- Screw the floor guide (F) into the floor using 2 screws (F1).
- Slide the door forward and reposition the doorstop (C2) and tighten.
If your door does not have a groove in the bottom of the door:
- Loosen the anti-jumper disc turn (to where they are hanging over the front edge of the door).
- Lift the door off the track and place it on a flat surface.
- Find the center of the door edge and draw a line that reaches the entire length of the door edge.
- Using a router, make a groove in the bottom of the door.
- Hang the door back on the track.
- Turn the anti-jumper discs to where they are now centered on the door edge.
- Follow the steps above (If your door already has a groove in the bottom of the door).
Step 7: Checking Operation of Door

- Slide the door back and forth and make sure it rolls smoothly and isn’t hitting or dragging on anything.
Cleaning and Maintenance
- Check the components regularly to make sure all screws and bolts are tightened.
Warranty Information
To obtain a copy of the warranty for this product:
Visit amazon.com/AmazonBasics/Warranty
— or —
Contact Customer Service at 1-866-216-1072
Feedback
Love it? Hate it?
Let us know with a customer review.
AmazonBasics is committed to delivering customer-driven products that live up to your high standards. We encourage you to write a review sharing your experiences with the product.
Please visit: amazon.com/review/review-your-purchases#

https://www.amazon.com/review/review-your-purchases#
For further services:
Visit amazon.com/gp/help/customer/contact-us
— or —
Contact Customer Service at 1-866-216-1072

MADE IN CHINA


















