sentiotec HOME-C60 Home Combi

Product Information
The Sauna Heater Home Combi comes in two variants, the Home-C60 with 6.0 kW power and the Home-C90 with 9.0 kW power. It is designed to be used for heating sauna cabins and increasing the humidity inside the sauna cabin. The product is equipped with an integrated evaporator and should be used in conjunction with a sauna control unit without a remote start function. The product is produced in accordance with applicable safety rules and regulations.
Product Usage Instructions
It is important to carefully read the instructions for installation and use provided with the product and keep them near the sauna for future reference. The installation and operating instructions can also be found on the manufacturer’s website.
Important Safety Information
Adhere to the following safety information and specific warning notices in the individual chapters:
- The product should only be used for heating sauna cabins and increasing humidity inside the sauna cabin.
- The product should only be used in conjunction with a sauna control unit without a remote start function.
Installation and Connection
The installation location and sensor position, safety distances, installation on the cabin wall, connection diagrams for 400 V 3 N~ and 230 V 1 N~, wiring diagrams, and electrical connection details can be found in chapter 4 of the instruction manual.
Commissioning
The process of filling the stone container and heating for the first time can be found in chapter 5 of the instruction manual.
Operation
Operating instructions for the sauna heater can be found in chapter 6 of the instruction manual. The product comes with two modes: Finnish sauna mode and combi mode.
Maintenance
Instructions for extended periods of non-use, cleaning the sauna heater, changing the sauna stones, cleaning the evaporator tank, and descaling the evaporator tank can be found in chapter 7 of the
instruction manual.
Disposal
Instructions for disposal can be found in chapter 8 of the instruction manual.
Problem-solving by the Installer
Instructions for problem-solving by the installer can be found in chapter 9 of the instruction manual.
Technical Data and Spare Parts
Technical data and spare parts information can be found in chapters 10 and 11 respectively of the instruction manual.
Overheat protector of the device can go off also at temperatures below -5˚C / 23˚F (storage, transport, environment). Before installation take the device to the warm environment. The overheat protector can be reset when the temperature of the device is approx 18˚C / 64˚F. The overheat protector must be reset before using the device. See the user manual > Resetting the Overheat Protector.
About this instruction manual
Carefully read these instructions for installation and use, and keep them near the sauna. This ensures that you can refer to information on safety and operation at any time.
These installation and operating instructions can also be found in the downloads section of our website: www.sentiotec.com/downloads.
Symbols used for warning notices In these instructions for installation and use, a warning notice located next to an activity indicates that this activity poses a risk. Always observe the warning notices. This prevents damage to property and injuries, which in the worst case may be fatal. The warning notices contain keywords, which have the following meanings:
- DANGER!
Serious or fatal injury will occur if this warning notice is not observed. - WARNING!
Serious or fatal injury can occur if this warning notice is not observed. - CAUTION!
Minor injuries can occur if this warning notice is not observed. - NOTE!
This keyword is a warning that damage to property can occur.
Other symbols
- This symbol indicates tips and useful information.
- Do not cover Read the operating instructions
Important information for your safety
The Home combi sauna heater has been produced in accordance with the applicable safety rules and regulations. However, hazards may arise during use. Therefore adhere to the following safety infor-mation and the specific warning notices in the individual chapters.
Intended use
- The Home combi is a sauna heater with integrated evaporator. The Home combi may only be used for heating sauna cabins and for increasing the humidity inside the sauna cabin. The Home combi may only be used in conjunction with a sauna control unit without a remote start function.
- The Home combi sauna heater can also be used with a sauna control unit with a remote start function, but only in conjunction with the optional safety shutdown feature.
- The Home combi sauna heater can also be used in public saunas, but only in conjunction with the optional safety shutdown feature.
- Any use exceeding this scope is considered improper use. Improper use can result in damage to the product, severe injuries or death.
Safety information for the installer
- Installing and connecting the sauna heater may only be performed when the power supply is disconnected.
- Installation may only be performed by a qualified electrician or a similarly qualified person.
- A fully disconnecting all-pole isolating device compliant with overvoltage category III must be fitted on site.
- Always use silicone cables that are heat-resistant up to 150 °C to connect the sauna heater.
- Only install one sauna heater in the cabin. The Home fin sauna heater must not be used together with other sauna heaters in a sauna cabin.
- The roof and walls of the sauna cabin must be manufactured from low-resin, untreated or thermally treated wood, e.g. Nordic spruce, hemlock, pine or fir, or from laminated wooden materials. If lami-nated wooden materials are used, make sure that the adhesive used in them does not give off formaldehyde. If other materials than wood are used in the sauna cabin, these materials must be heat-resistant and corrosion-resistant and must not cause any negative effects on the health of the sauna users.
- The height of the sauna cabin must be at least 1.9 m.
- Observe the specifications on volumes and on ventilation of the sauna cabin in chapter 10. Technical data on page 27.
- When positioning the sauna heater, observe the minimum safety distances (see Chapter 4.2. Safety distances).
- Also comply with the regulations applicable at the installation location.
- For your own safety, consult your supplier in the event of problems that are not explained in sufficient detail in the installation instructions.
Safety information for the user
- The device must not be used by children under 8 years of age.
- The device may only be used by children over 8 years of age, by persons with limited psychological, sensory or mental capa-bilities or by persons with lack of experience/knowledge under the following conditions:
- They are supervised.
- They have been shown how to use the device safely and are aware of the hazards that could occur.
- Children must not play with the device.
- Children under 14 years of age may only clean the device if they are supervised.
- For health reasons, do not use the sauna when under the influ-ence of alcohol, medication or drugs.
- Never operate the sauna heater without sauna stones, as this can cause fires.
- Make sure that no flammable objects have been placed on the sau-na heater before the sauna control unit is switched on.
- Heat up the sauna heater for half an hour BEFORE using the sau-na for the first time. Do NOT remain in the sauna cabin during this period. Then ventilate the sauna cabin well (see 5.2. Heating for the first time on page 19).
- Never touch the sauna heater while it is operating. The surfaces of the sauna heater and sauna stones become extremely hot.
- For your own safety, consult your supplier in the event of problems that are not described in sufficient detail in the user instructions.
Product Description
Scope of delivery
- Sauna heater
- Instructions for installation and use
Accessories
| Accessories | Item number |
| Cut-off rocker switch | SFE-350400 / 1-045-583 |
Product features
- Finnish sauna mode: usually 80 to 100 °C; approx. 10% rel. humidity
- Combi mode (only in combination with a combi control): approx. 40 to 65 °C, 35% to 70% humidity. The maximum permissible relative humidity decreases with increasing temperature.
Installation and connection
Take the following points into account when positioning and connecting the sauna heater:
WARNING!
Danger of electric shock
- The sauna heater may only be installed and connected when the pow-er supply is disconnected.
- The electrical connection may only be performed by a qualified electrician or similarly qualified person.
- A fully disconnecting all-pole isolating device compliant with overvoltage category III must be fitted on site.
- The Home fin sauna heater is a wall-mounted heater. Before starting the heater, check that the heater has been firmly installed on the mounting rail.
Installation location and sensor position
Position the heater centrally in front of the air intake opening on the cabin wall. Observe the safety distances to the cabin wall specified in Fig. 1.
Install the temperature sensor with excess temperature cut-out to the cabin wall above the centre of the sauna heater. Maintain a distance of 15 cm to the sauna cabin roof. Observe the assembly instructions for the sauna control unit.
Safety distances
Observe the minimum safety distances specified in Fig. 1.
Fig. 1 Safety distances
- Home combi 6.0 kW and 9.0 kW (HOME-C60 / HOME-C90)
- Dimensions in mm
Installation on the cabin wall
Observe Fig. 1, Fig. 2, Fig. 3 and Fig. 4 (page 11, 12, 13).
- Attach the mounting rail 1 to the wall horizontally using the wood screws supplied 2. Observe the minimum distances for the heater shown in Fig. 1.
- Suspend the heater 3 from the mounting rail from above, moving it down-wards. Make sure that the heater is flush with the wall.
- Secure the heater 3 using the lock screws supplied 4 on the mounting rail 1.
Risk of fire
To fix the heater in place and secure it against slippage, use the supplied lock screw 4 for attachment.
Mounting rail for Home combi Dimensions in mm


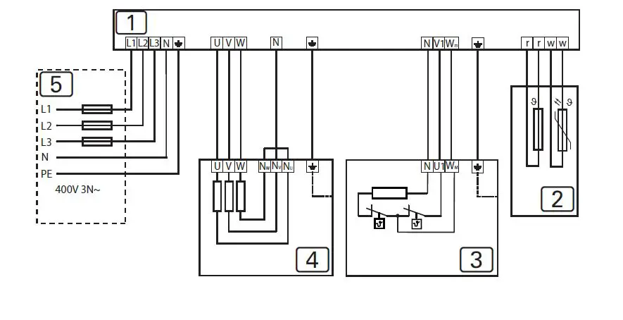
Connection diagram for 400 V 3 N~
Connection diagram for 400 V 3 N~ Home combi 6.0 kW and 9.0 kW (HOME-C60 / HOME-C90)
- Sauna control unit
- Temperature sensor with excess temperature cut-out
- Evaporator 2.0 kW
- 6.0 kW or 9.0 kW Heating system
- Power supply
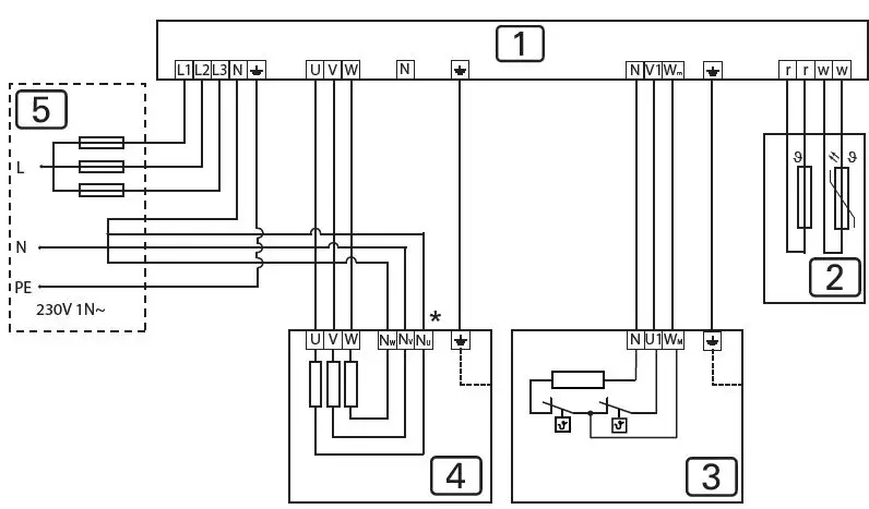
Connection diagram for 230 V 1 N~
Connection diagram for 230 V 1 N~ Home combi 6.0 kW and 9.0 kW (HOME-C60 / HOME-C90)
- Sauna control unit
- Temperature sensor with excess temperature cut-out
- Evaporator 2.0 kW
- Heating system 6.0 kW or 9.0 kW
- Power supply
Remove the copper bridge
Wiring diagrams
Electrical connection
- Unscrew the screws 2 with a screwdriver.
- Remove the cover plate 1.
- Unscrew the screws 4 with a screwdriver.
- Remove the cover plate 3.

Connecting the Home combi 6.0 kW and 9.0 kW (HOME-C60 / HOME-C90)
- Guide the connection cable for the heating system through the feed-through 6.
- Connect the wires of the connection cable (depending on the type) to the matching terminals of the connector block 5 and to the appropriate sauna control unit terminals. Observe the installation instructions for the sauna control and the connection diagrams on page 14 and 15.
- Guide the connection cable for the evaporator through the feed-through 7.
- Connect the connectors of the evaporator cable to the PE – N – U1 – Wm terminals on the connector block 5 and to the applicable sauna control unit terminals. Observe the installation instructions for the sauna control and the connection diagrams on page 14 and 15.
- Fasten the cover plates 3 and 1 back on the sauna heater.

- Connection block for the heating system and the evaporator
- Feed-through for the connection cable of the heating system
- Feed-through for the evaporator cable
Commissioning
Filling the stone container
Risk of fire due to overheating
If the sauna heater is used without sauna stones, the cabin walls will become extremely hot. This could cause fires.
NEVER operate the sauna heater without the sauna stones
- The stone basket 1 can be mounted at two different heights.
- Position 2: fewer stones, shorter heating time, energy saving
- Position 3 (set at factory): more stones, larger amount of water for pouring possible, creating more steam, longer heating times
The amount of stones suited to your heater can be found in chapter Technical data (see page 27).
- Wash the stones thoroughly using water and a brush before use. Do not use any cleaning additives.
- Before filling the heater with the sauna stones, check them for foreign objects and remove any remaining packaging.
- Place the stones in the stone container and also between the heating rods. Stack the sauna stones loosely so that air can flow through the gaps.
- Do NOT allow the heating rods to make contact with one another.
- Make sure that the sauna stones do not protrude beyond the edge of the stone container
Heating for the first time
Formation of smoke and odours when heating up for the first time Materials used during the manufacturing process will be present on the new heating elements. These evaporate when the sauna heater is heated up for the first time. This produces smoke and an unpleasant odour. Breathing in the fumes or smoke can be harmful to your health.
NOTE!
Overheat protector of the device can go off also at temperatures below -5˚C / 23˚F (storage, transport, environment). Before installation take the device to the warm environment. The overheat protector can be reset when the temperature of the device is approx 18˚C / 64˚F. The overheat protector must be reset before using the device.
Perform the following steps when operating the sauna heater for the first time and if the heating elements for the sauna heater have been replaced. This prevents damage to health due to the fumes and smoke produced when heating for the first time
- Heating the heating rods for the first time
- Select the highest possible temperature on the sauna control unit.
- Heat up the sauna heater for half an hour.
Do NOT remain in the sauna cabin during this period.
- Heating the evaporator for the first time
- Select a low temperature and high humidity on the sauna control unit.
- Heat up the evaporator with half the amount of water (see Filling the evaporator on page 20) Do NOT remain in the sauna cabin during this period.
- Switch off the sauna control unit after approx. 15 minutes.
- Allow the evaporator to cool (for approx. half an hour).
- Empty the water tank (see Filling the evaporator on page 20)
- Repeat step 2.b.
- Allow the sauna cabin to ventilate thoroughly after heating for the first time.
- If no smoke or odours form the next time the sauna heater is heated, you can start to use the sauna.
If smoke or odours form again, leave the sauna cabin immediately, and repeat the initial heating process, followed by ventilation.
Operation
Risk of fire
Combustible objects that are placed on the heater will ignite and cause fires.
- NEVER place combustible objects on the sauna heater.
- Make sure that NO flammable objects have been placed on the heater before operating it.
Operating the sauna heater
A sauna control unit is used to operate the sauna heater. For information on how to operate the sauna control unit, read the operating instructions for the device used. Please note that only sauna control units without a remote start function are permitted for use with the Home combi sauna heater
Finnish sauna mode
In Finnish sauna mode, only the heating system operates. Dry heat is produced. The temperature in the cabin is high (80 to 100 °C). The maximum humidity level of 10% is low. The temperature in the sauna cabin is regulated by your sauna control unit.
At the end of the sauna session, you can pour an infusion of water over the stones. Pour water over the stones using a sauna ladle. The water evaporates and the humidity in the sauna cabin increases. When pouring water over the stones, observe the following points:
- Only use tap water. Sea water, hard water and chlorinated water can damage the sauna heater.
- Only use fragrances and essential oils that are suitable for use in saunas. Follow the manufacturer’s instructions on the packaging of the scented substance.
- Do not pour the water onto the stones too quickly. Only this way will all the water evaporate completely.
Combi mode
Both the heating system and evaporator operate in combi mode. The temperature in the sauna cabin is lower than in Finnish sauna mode (approx. 40 to 65 °C), with the relative humidity being considerably higher at 35% to approximately 70%. The maximum permissible relative humidity decreases with increasing temperature. The temperature and the humidity in the sauna cabin are controlled by your sauna control unit.
Only settings on the lower left side of the characteristic curve are possible; e.g.: at 60%, a temperature of 50 °C cannot be exceeded
The evaporator tank must be filled manually. If the water in the evaporator tank has been used up, an overheating protection function automatically turns off the heating of the evaporator. The lack of water is reported to the sauna control unit and displayed there, e.g. by an audible warning tone and the message “FILL”.
Damage to the evaporator
Sea water, hard water, chlorinated water, herbs, essences or fragrances can damage the sauna heater.
- Only fill the evaporator tank with tap water.
- Do not put herbs, essences or fragrances directly into the evaporator tank, and only into the ceramic bowl over the evaporator.
- Descale the evaporator regularly (see 7.5 on page 25 on page).
Filling the evaporator
Risk of scalding
If you pour water into the hot evaporator tank, hot steam is created.
- NEVER pour water into the hot evaporator tank.
- Check and fill the evaporator tank each time before starting combi mode.
- If the overheating protection has switched off evaporator heating, or if your sauna control unit reports a lack of water, allow the evaporator to cool down BEFORE you pour water into the evaporator tank.
Risk of scalding
If the evaporator tank is too full, boiling water will spray out of the evaporator tank.
- Fill the evaporator tank with 5 litres of water
- Use a funnel 1 or remove the soapstone 2.
- Only fill the evaporator tank with fresh tap water. You will need about 5 litres of water for this. This amount of water allows the evaporator to be operated for approximately 1 hour.
- Remove the funnel 1 or put the soapstone back in

Using fragrances
If you wish, you can put liquid fragrances or dried herbs on the soapstone.
Observe the following points:
- Do not put fragrances directly into the evaporator tank.
- Carefully fill the trough in the soapstone, but only half full, so that the fragrances do not drip through the holes in the evaporator tank.
- Follow the manufacturer’s instructions on the packaging of the herbs and fragrances.
- Regularly clean the soapstone under running water.
Maintenance
Extended periods of non-use
Moisture can accumulate in the heating rods in humid ambient conditions or during long periods of non-use. This is a physical process and not a manufacturing fault. Accumulation of moisture in the heating rods can lead to the FI circuit breaker being triggered. In this case, contact an electrician to have the fault corrected (see section 9. Problem-solving by the installer on page 26).
Heat the sauna heater for approximately 15 minutes every 5 to 6 weeks. This prevents moisture from building up on the heating rods during extendedperiods of non-use.
Cleaning the sauna heater
Make sure that the ventilation openings are free of lint and dust. This prevents the air circulation in the sauna heater from being restricted and prevents the device from overheating.
Changing the sauna stones
Sauna stones are subject to stress by the water poured on them, and by large fluctuations in temperature which occur during use. The sauna stones can become weak and brittle
Risk of fire due to overheating
If the sauna heater is used without sauna stones, the cabin walls will become extremely hot. This could cause fires.
NEVER operate the sauna heater without the sauna stones
Check the sauna stones at regular intervals and replace the stones at least once a year.
- Remove the old sauna stones.
- Clear the stone container of limescale deposits, dust and other contamination.
- Wash the stones thoroughly using water and a brush before use. Do not use any cleaning additives.
- Before filling the heater with the sauna stones, check them for foreign objects and remove any remaining packaging.
- Place the stones in the stone container. Stack the sauna stones loosely so that air can flow through the gaps.
- Make sure that the sauna stones do not protrude beyond the edge of the stone container.
Cleaning the evaporator tank
Drain and clean the evaporator tank after each use. Perform the following steps:
- Wait until the water in the evaporator has cooled.
- Place a receptacle (at least 5 litres) under the ball valve at the bottom of the evaporator.
- Open the ball valve to the left until the remaining water flows out.
- When the evaporator tank is empty, close the ball valve.
- Remove the soapstone.
- Clean the evaporator tank with a household brush with plastic bristles.
Take care not to damage the tank sensor leads. Rinse with water. - Put the soapstone back in.
Descaling the evaporator tank
Descale the evaporator tank as required. To do this, use a descaling agent for household appliances. Observe the specifications and safety information provided by the manufacturer.
- Remove the soapstone.
- Empty the evaporator tank.
- Prepare the descaling solution according to the manufacturer’s instructions.
- Fill the evaporator with the descaling solution up to the top of the limescale.
- Let the descaling solution take effect according to the manufacturer’s in-structions.
- Place a receptacle under the ball valve at the bottom of the evaporator and drain the evaporator tank.
- Rinse the evaporator tank twice with cold tap water.
Disposal
- Please dispose of packaging materials in accordance with the ap-plicable disposal regulations.
- Used units contain reusable materials as well as hazardous sub-stances. Therefore, do not dispose of your used unit with household waste, but rather do so in accordance with the locally applicable regulations.
Problem-solving by the installer
Baking out of the heating rods
- Moisture can accumulate in the heating rods in humid ambient conditions or dur-ing long periods of non-use. This is a physical process and not a manufacturing fault. Under certain circumstances, the accumulation of moisture in the heating rods can lead to the FI circuit breaker being triggered.
- In this case, it is necessary to bake out the sauna heater under the supervision of an electrician. To do this, the protective function of the FI circuit breaker must be switched off. The baking out procedure takes approximately 10 minutes. The safety function of the FI circuit breaker must subsequently be reactivated.
- If the problem persists, consult your supplier.
Resetting the overheat cut-out of the evaporator
- A temperature switch is responsible detecting any lack of water. If a certain water level in the evaporator tank is not complied with (approx. 1 l), this tem-perature switch switches off the heating element.
- At the same time, the feed-back to the WM control unit falls to 0 V – the control unit displays the message “LOW WATER”.
- In case the evaporator still overheats, there is a temperature cut-out as protec-tion. This cut-out must be reset manually. To do this, press the contact in the left side wall 1.

Technical data
Dimensions of Home combi 6.0 kW and 9.0 kW (HOME-C60 / HOME-C90) Measurements in mm

Spare parts
| 1 Heating elements 2000 W | HP-HOME-200 (1-043-618) | 3 | |
| 1 | Heating elements 3000 W | HP-HOME-300 (1-043-620) | 3 |
| 2 Heating element
for evaporator 2000 W |
VZH-104(1-047-023) | 1 | |
| 3 | Complete evaporator unit | WX671 (1-051-000) | 1 |
| 4 Temperature cut-out 140 °C | ZSK-764 (1-046-109) | 1 | |
CENTRAL EUROPE
sentiotec GmbH
Division of Harvia Group
Wartenburger Straße 31, A-4840 Vöcklabruck
T +43 (0) 7672/22 900-50 | F -80 |
[email protected]
www.sentiotec.com
GLOBAL
HARVIA
P.O. Box 12, Teollisuustie 1-7,
40951 Muurame, FINLAND
T +358 207 464 000
[email protected]
www.harvia.fi
RUSSIA
ООО «Харвия Рус»
196006, Россия.Санкт-Петербург г, пр-кт Лиговский, д. 266, стр. 1, помещ. 2.1-Н.50 | ОГРН 1157847200818
T +78123258294
[email protected]



















