HOME-F45 Home Fin

Sauna Heater: Home Fin
The Home Fin sauna heater is available in four different models with varying power capacities:
- HOME-F45 / 1-039-794: Home fin 4,5 kW
- HOME-F60 / 1-039-795: Home fin 6,0 kW
- HOME-F75 / 1-039-796: Home fin 7,5 kW
- HOME-F90 / 1-039-797: Home fin 9,0 kW
Instructions for Installation and Use
Before using the Home Fin sauna heater, it is important to carefully read and follow the instructions for installation and use to ensure safety and optimal performance. The instructions are available in English, German, French, Italian, Dutch, Swedish, Czech, Slovenian, and Finnish.
Product Description
The scope of delivery includes the Home Fin sauna heater and installation and operating instructions. The sauna heater is designed for use in sauna cabins and comes with a stone container for heating sauna stones.
Installation and Connection
Proper installation and connection of the Home Fin sauna heater is crucial for its safe and efficient operation. The instructions provide detailed information on installation location, safety distances, connection diagrams for different voltage levels, wiring diagrams, and electrical connection.
Starting Up
Before using the sauna heater, it is necessary to fill the stone container with stones and heat it up for the first time. The instructions provide step-by-step guidance on how to do this.
Operation
Operating the Home Fin sauna heater involves pouring water onto the heated stones to produce steam. The instructions provide guidance on how to operate the sauna heater safely and effectively.
Maintenance
The instructions provide information on how to maintain the sauna heater, including recommendations for extended periods of non-use, cleaning, and changing the sauna stones.
Disposal
When disposing of the Home Fin sauna heater, it is important to follow the instructions for safe and environmentally responsible disposal.
Problem-Solving by the Installation Engineer
If any issues arise with the installation or operation of the sauna heater, it is recommended to contact an installation engineer for assistance.
Technical Data
The instructions provide technical data on the Home Fin sauna heater, including its power capacity, weight, dimensions, and electrical specifications.
About these instructions
Carefully read these instructions for installation and use, and keep them near the sauna. This means you can refer to information regarding both your own safety and sauna operation at any time.
These installation and operating instructions can also be found in the downloads section of our website: www.sentiotec.com/downloads.
Symbols used for warnings
These installation and operating instructions feature warning symbols next to activities that present a hazard to the user. Warning symbols must be observed at all times. This prevents damage to property and injuries, which in the worst case may be fatal.
The warning symbols contain keywords that mean the following:
⚠DANGER!
Serious or fatal injury will occur if this warning symbol is not observed.
⚠WARNING!
Serious or fatal injury can occur if this warning symbol is not observed.
⚠CAUTION!
Minor injuries can occur if this warning symbol is not observed.
ATTENTION!
This keyword is a warning that damage to property may occur.
Other symbols
This symbol indicates tips and useful information.
Do not cover
Read the operating instructions
Important information for your safety
The Home fin sauna heater has been produced in accordance with the applicable safety rules and regulations. However, hazards may still occur during use. You should therefore adhere to the following safety information and the specific warnings in the individual chapters.
Intended use
The Home fin sauna heater may only be used for heating sauna cabins in combination with a sauna control unit that does not include remote start and preset time functions.
The Home fin sauna heater can also be used with a sauna control unit with a remote start function, but only in conjunction with the optional safety shutdown feature.
The Home fin sauna heater can also be used in public saunas, but only in conjunction with the optional safety shutdown feature.
Any use exceeding this scope is considered improper. Improper use can result in damage to the product, severe injuries or death.
Safety information for the installer
- Installing and connecting the sauna heater may only be performed when the power supply is disconnected.
- Installation may only be performed by a qualified electrician or similarly qualified person.
- An all-pole disconnecting device with full cut-off must be fitted on-site in accordance with overvoltage category III.
- Always use silicone cables that are heat-resistant up to 150 °C to connect the heater.
- Only install one sauna heater in the cabin. The Home fin sauna heater must not be used together with other sauna heaters in a sauna cabin.
- The roof and walls of the sauna cabin are manufactured from low-resin, untreated or thermally treated wood, e.g. Nordic spruce, hemlock, pine or fir, or from laminated wooden materials. If laminated wooden materials are used, make sure that the adhesive used in them does not produce formaldehyde. If other materials than wood are used in the sauna cabin, these materials must be heat-resistant and corrosion-resistant and must not cause any negative effects on the health of the sauna users.
- The height of the sauna cabin must be at least 1.9 m.
- Observe the specifications on volumes and on ventilation of the sauna cabin in chapter 10. Technical data.
- When positioning the sauna heater, observe the minimum safety distances (see chapter 4.2. Safety distances).
- Observe all regulations applicable at the installation location.
- For your own safety, consult your supplier in the event of problems that are not explained in sufficient detail in the installation instructions.
Safety information for the user
- The device must not be used by children under 8 years old.
- The device may only be used by children over 8 years old, by persons with limited psychological, sensory or mental capabilities or by persons with lack of experience/knowledge under the following conditions:
- When they are supervised.
- When they have been shown how to use the device safely and are aware of the hazards that could occur.
- Children must not play with the device.
- Children under 14 years old may only clean the device if they are supervised.
- For health reasons, do not use the sauna when under the influence of alcohol, medication or drugs.
Never operate the sauna heater without sauna stones as this can cause fires. - Make sure that no flammable objects have been placed on the sauna heater before the sauna control unit is switched on.
- Heat up the sauna heater for half an hour BEFORE using the sauna for the first time. Do NOT remain in the sauna cabin during this period. Then ventilate the sauna cabin well (see 5.2. Heating up for the first time on page 19).
- Never touch the sauna heater while it is operating. The surfaces of the sauna heater and sauna stones become extremely hot.
- For your own safety, consult your supplier in the event of problems that are not described in sufficient detail in the operating instructions.
Product description
Scope of delivery
- Sauna heater
- Instructions for installation and use
Product functions
The Home fin sauna heater is a Finnish sauna heater and makes it possible to produce a typical Finnish sauna climate of 80 °C to 100 °C with an air humidity of approximately 10%.
Installation and connection
Take the following points into account when positioning and connecting the sauna heater:
WARNING!
Danger of electric shock
- The sauna heater may only be installed and connected when the power supply is disconnected.
- The electrical connection may only be performed by a qualified electrician or similarly qualified person.
- An all-pole disconnecting device with full cut-off must be fitted on-site in accordance with overvoltage category III.
- The Home fin sauna heater is a wall-mounted heater. Before starting the heater, check that the heater has been firmly installed on the mounting rail.
Installation location and sensor position
Position the heater centrally in front of the air intake opening on the cabin wall. Comply with the safety distances to the cabin wall specified in Fig. 1.
Install the temperature sensor with excessive temperature controller to the cabin wall above the centre of the sauna heater. Maintain a distance of 15 cm to the sauna cabin roof.
Safety distances
Observe the minimum safety distances specified in Fig. 1.
Fig. 1 Safety distances for the Home fin 4,5 kW, 6,0 kW, 7,5 kW und 9,0 kW (HOME-F45 / HOME-F60 / HOME-F75 / HOME-F90) Dimensions in mm

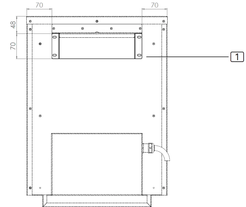
Installation on the cabin wall
Observe Fig. 1, Fig. 2, Fig. 3 and Fig. 4 (page 11, 12, 13).
- Attach the mounting rail 1 to the wall horizontally using the wood screws supplied 2. Observe the minimum distances for the heater shown in Fig. 1.
- Suspend the heater 3 from the mounting rail from above, moving it down-wards. Make sure that the heater is flush with the wall.
- Secure the heater 3 using the lock screws supplied 4 on the mounting rail 1.
WARNING!: Risk of fire
- To fix the heater in place and secure it against slippage, use the supplied lock screw 4 for attachment.
Fig. 2 Position of the mounting rail for Home fin Dimensions in mm
Fig. 3 Position of the mounting rail for Home fin Dimensions in mm
Fig. 4 Securing the Home fin (mounting rail) 
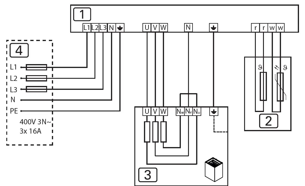
Connection diagram for 400V 3N~
Fig. 5: Connection diagram 400V 3N~ Home fin 4.5 kW, 6.0 kW, 7.5 kW and 9.0 kW
(HOME-F45 / HOME-F60 / HOME-F75 / HOME-F90)

- Sauna control unit
- Temperature sensor with excess temperature controller
- Sauna heater
- Power supply
Connection diagram for 230V 3~
Fig. 6 Connection diagram 230V 3~ Home fin 4.5 kW, 6.0 kW
(HOME-F45 / HOME-F60)

- Sauna control unit
- Temperature sensor with excess temperature controller
- Sauna heater
- Power supply
* Remove the copper bridge
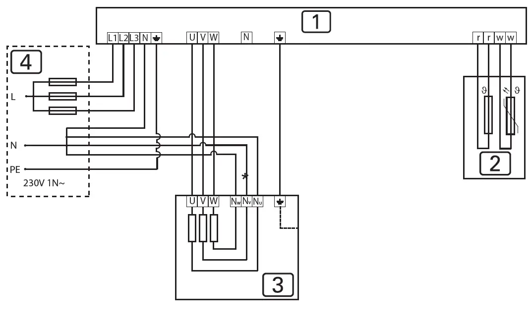
Connection diagram for 230V 1N~
Fig. 7 Connection diagram 230V 1N~
Home fin 4.5 kW, 6.0 kW, 7.5 kW and 9.0 kW
(HOME-F45 / HOME-F60 / HOME-F75 / HOME-F90)

- Sauna control unit
- Temperature sensor with excess temperature controller
- Sauna heater
- Power supply
* Remove the copper bridge
Wiring diagrams
Electrical connection
- Unscrew the screws 1 with a screwdriver. Remove the cover plate 2.
Connection Home fin 4.5 kW, 6.0 kW, 7.5 kW and 9.0 kW
(HOME-F45 / HOME-F60 / HOME-F75 / HOME-F90)
- Guide the connection cable through the feed-through 3.
- Connect the wires of the connection cable (depending on the type) to the terminals of the sauna heater and to the corresponding control device terminals. Observe the installation instructions for the sauna control unit when doing so.
- Reattach the cover panel 1 to the heater.

Starting up
Filling the stone container
WARNING!
Risk of fire due to overheating
If the sauna heater is used without sauna stones, the cabin walls will become extremely hot. This could cause fires.
- NEVER operate the sauna heater without the sauna stones.
The stone basket 1 can be mounted at two different heights.
Position 2: fewer stones, shorter heating time, energy saving
Position 3 (set at factory): more stones, larger amount of water for pouring possible, creating more steam, longer heating times
The amount of stones suited to your heater can be found in chapter 10. Technical data (see page 24).
- Wash the stones thoroughly using water and a brush before use. Do not use any cleaning additives.
- Before filling the heater with the sauna stones, check them for foreign objects and remove any remaining packaging.
- Place the stones in the stone container and also between the heating rods. Place sauna stones loosely so that air can flow through the gaps.
- Do NOT allow the heating rods to make contact with one another.
- Make sure that the sauna stones do not stick out over the edge of the stone container.
Heating up for the first time
CAUTION!
Formation of smoke and odors when heating up for the first time Working materials from the manufacturing process will be present on the new heating elements. These evaporate when the sauna heater is heated up for the first time. This produces smoke and an unpleasant odour. Breathing in the fumes or smoke can be harmful to your health.
Perform the following steps when operating the sauna heater for the first time and if the heating elements for the sauna heater have been changed. In this way you will prevent damage to health due to the fumes and smoke produced when heating up for the first time.
- Select the highest possible temperature on the sauna control unit.
- Heat up the sauna heater for half an hour.
Do NOT remain in the sauna cabin during this period.
Allow the sauna cabin to ventilate thoroughly after heating up for the first time. If no smoke or odor is produced the next time the sauna heater is heated up, you can start to use the sauna.
If smoke or odour is produced again, leave the sauna cabin immediately and repeat the initial heating up process followed by ventilation.
Operation
WARNING!
Risk of fire
Flammable objects that are placed on the heater will ignite and cause fires.
- NEVER place flammable objects on the sauna heater.
- Make sure that NO flammable objects are located on the heater before operating it.
Operating the sauna heater
A sauna control unit is used to operate the sauna heater. For information on how to operate the sauna control unit, read the operating instructions for the device used. Please note that only sauna control units without remote start or preset time functions are permitted for use with the Concept R mini sauna heater.
Pouring on water
At the end of the sauna session, you can pour water over the stones. Pour water over the stones using a sauna ladle. The water evaporates and the humidity in the sauna cabin is increased.
When pouring water over the stones, observe the following points:
- Only use tap water. Sea water, hard water and chlorinated water can damage the sauna heater.
- Only use fragrances and essential oils that are suitable for use in saunas. Follow the manufacturer’s instructions on the packaging of the scented substance.
- Do not pour the water onto the stones too quickly. Only in this way will the water evaporate completely.
Maintenance
Extended periods of non-use
Moisture can accumulate in the heating rods in especially humid ambient conditions or during long periods of non-use. This is a physical process and not a manufacturer error. Accumulation of moisture in the heating rods can lead to the FI circuit breaker being triggered. In this case, contact an electrician to correct the fault (see chapter 9. Problem-solving by the installation engineer).
Heat the sauna heater for approximately 15 minutes every 5 to 6 weeks. This prevents moisture from building up on the heating rods during extended periods of non-use.
Cleaning the sauna heater
Make sure that the ventilation openings are free of lint and dust. This prevents the air circulation in the sauna heater from becoming restricted and prevents the device from overheating.
Changing the sauna stones
Sauna stones are subjected to having water poured on them as well as large fluctuations in temperature which occur during use. The sauna stones can be-come weak and brittle.
Check the sauna stones at regular intervals and replace the stones at least once a year.
WARNING!
Risk of fire due to overheating
If the sauna heater is used without sauna stones, the cabin walls will become extremely hot. This could cause fires.
- NEVER operate the sauna heater without the sauna stones.
- Remove the old sauna stones.
- Clear the stone container of limescale deposits, dust and other contamination.
- Wash the stones thoroughly using water and a brush before use. Do not use any cleaning additives.
- Before filling the heater with the sauna stones, check them for foreign objects and remove any remaining packaging.
- Place the stones in the stone container. Place sauna stones loosely so that air can flow through the gaps.
- Make sure that the sauna stones do stick out over the edge of the stone container.
Disposal
- Dispose of packaging materials in accordance with the applicable disposal regulations.
- Used devices contain reusable materials, as well as hazardous substances. Do not dispose of your used device with household waste, but do so in accordance with the locally applicable regulations.
Problem-solving by the installation engineer
Baking out of the heating rods
Moisture can accumulate in the heating rods in especially humid ambient con-ditions or during long periods of non-use. This is a physical process and not a manufacturer error. Under certain circumstances, accumulation of moisture in the heating rods can lead to the FI circuit breaker being triggered.
In this case, it is necessary to bake out the sauna heater under the supervision of an electrician. To do this, the protective function of the FI circuit breaker must be switched off. The baking out procedure takes approximately 10 minutes. The safety function of the FI circuit breaker must subsequently be reactivated.
If the problem persists, consult your supplier.
Fig. 8 Dimensions of Home fin 4.5 kW, 6.0 kW, 7.5 kW and 9.0 kW
(HOME-F45 / HOME-F60 / HOME-F75 / HOME-F90) Dimensions in mm

Technical data
The dimensions can be found in Fig. 8.
| Article number | Power rating [kW] | Cabin volume [m3] | Minimum size of ventilation opening [mm] | Weight without stones [kg] | ||||
| HOME-F45 | 4.5 | 3 – 6 | 350 x 25 | 15 | ||||
| HOME-F60 | 6.0 | 5 – 9 | 350 x 30 | 15 | ||||
| HOME-F75 | 7.5 | 7 – 13 | 350 x 35 | 15 | ||||
| HOME-F90 | 9.0 | 8 – 14 | 350 x 50 | 15 | ||||
| Article number | Stone weight
[kg] |
Fuse [A] | Supply voltage | |||||
| HOME-F45 HOME-F60 |
ca. 20 / 30 ca. 20 / 30 |
3 x 10 3 x 10 |
400 V AC 3N~ 50/60 Hz 230 V AC 1N~ 50/60 Hz 230 V AC 3~ 50/60 Hz400 V AC 3N~ 50/60 Hz 230 V AC 1N~ 50/60 Hz230 V AC 3~ 50/60 Hz |
|||||
| HOME-F75
HOME-F90 |
ca. 20 / 30
ca. 20 / 30 |
3 x 16
3 x 16 |
400 V AC 3N~ 50/60 Hz 230 V AC 1N~ 50/60 Hz400 V AC 3N~ 50/60 Hz230 V AC 1N~ 50/60 Hz |
|||||
Article number Heating rods
- HOME-F45 3 x HP-HOME-150 (1-043-617)
- HOME-F60 3 x HP-HOME-200 (1-043-618)
- HOME-F75 3 x HP-HOME-250 (1-043-619)
- HOME-F90 3 x HP-HOME-300 (1-043-620)


















