fimar PF25EM 370W Fresh Pasta Machine Instruction

Delivery and warranty
Foreword
WARNING!
- The symbols used in this manual are intended to draw the reader’s attention to points and dangerous operations as regards personnel and operators safety as well as the risks to damage the machine.
- Do not operate the machine unless you are not certain to have understood proper-ly the meaning of these indications.
WARNING!
- For clarity, some illustrations in this Manual show the equipment or parts of it with the panels or casings removed.
- Do not use the machine in such conditions. The machine has to be used only when all guards are in place.
- This manual cannot be reproduced, even partially, without the consent of the man-ufacturer and its contents can not be used for purposes not permitted by the manu-facturer.
- Any violation of the copyright mentioned above could lead to prosecution under law.
Preserving and using the manual
- The purpose of this manual is to give the users by means of texts and images the recommendations and essential criteria related to transport, handling, use and maintenance of the machine. Read this manual carefully prior to using the ma-chine.
- The Manual must be preserved in a known easily accessible place, available for consultation whenever required. If the Manual is lost, damaged or becomes illegi-ble, contact your reseller or directly manufacturer for a copy.
- If the equipment concerned changes ownership, the Manual has to be handed over to the new owner.
- This manual reflects the state of the techniques at the moment the machine has been placed on the market and it doesn’t has to be considered obsolete just be cause not yet updated according to the new expertise. The manufacturer reserves the right to update the production and related manuals without updating the pro-duction and the previous manuals, except for special cases. In case of doubts, please contact the nearest Customer Assistance Service of the manufacturer.
- The manufacturer aims to continuously improve its products.
- For this reason, the manufacturer is keen to receive any report or proposal aimed at improving the machine and / or the manual. The equipment has been delivered to the user under warranty conditions at the moment of the purchase. Please contact the manufacturer for further details.
Warranty
Under no circumstances the user is allowed to tamper with the machine. In case of fault refer to your supplier. Any attempt of the user or unauthorized personnel to disassemble, modify or more generally tamper with any part of the machine will cause the Declaration of Conformity drawn up in accordance with EEC Directives 2006/42 to lapse, it shall void the warranty and will relieved the Manufacturer from damages caused by such behaviour. The Manufacturer shall be relieved of all liability in the following situations:
- incorrect installation;.
- improper use of the equipment by inadequately trained personnel;
- use contrary to regulations in force in the country where the equipment is used;
- omitted or poor maintenance;
- use of non-original spares or not specific for the model;
- total or partial non-compliance with these instructions- with spare parts that are not original or are not specific for the model.
Description of the machine
The machine in your possession is a simple, compact, highly efficient and powerful equipment.
- Since it must be used in food applications, the components were carefully cho-sen to provide maximum hygiene.
- The tank is made of 6060 anodised aluminium alloy and grade AISI 304 stain-less steel
- The utensil (blade) is made of grade AISI 304 stainless steel.
- The mouth and the screw are made of AISI 304 stainless steel and the ø75 dies of bronze.
- It provides two operation modes: mixing and extruding.
- Maximum mixing capacity 4.2 kg (3 kg flour 1.2 kg egg)
- Pre-arranged for dough-cutter installation.
- Ventilated single-phase motors offering the following advantages:
- consistency, high performance and durability of the motor;
- increases the real operation time due to fewer interruptions.
The version represented in this manual have been built in compliance with EC Directive 2006/42 and further modifications. In case of accident, no responsibility can be charged to the manufacturer if the machine has been modified, tampered with, if it has been used with the safety guards removed or for purposes not permitted by the manufacturer.
Permitted use
The machine was designed and built for fresh pasta production. It is to be used in professional environments; the machine operator has to be spe-cialize din the field and have read and understood this manual. Do not use the machine unless safely fixed to a solid workbench. The machine is designed for NON-continuous use: after every work cycle, we recommend leaving the machine to rest for a few minutes before using it again.
Improper use not permitted
The machine must be used exclusively for the purposes intended by the manufac-turer; in pardo notticular: use the machine for food products other than those indicated by the manufacturer.
- do not use the machine unless it has been properly installed with all the protec-tions intact and properly assembled to avoid the risk of severe injury.
- do not access the electrical components without having previously disconnect-ed the machine from the mains: ones risks electrocution.
- Follow the indicated flour / liquid quantities. Wrong quantities of ingredients can generate permanent damage to the machine.
- Do not wear clothing which do not follow the safety regulations. Check with your employer as regards the safety regulations and safety equipment to be provid-ed with.
- Do not use the equipment if damaged.
- Before using the machine make sure that any dangerous condition has been appropriately cleared. In case of abnormal operation, stop the machine and warn the persons in charge with maintenance.
- Do not allow unauthorized persons to operate on the equipment. The emergen-cy treatment in case of an accident caused by electrical shock implies to first remove the contact between the injured person from the conductor (since usual-ly the person faints). This is dangerous operation. The victim in this case is a conductor: touch him/her could imply being electrocuted. It should therefore first be remove contacts directly from the supply valve, other-wise move the victim using insulating materials (wood or PVC stick, cloth, leath-er, etc.). It is recommended to call for medical staff, the patient has to betrans-ferred to a hospital.
Identification of the equipment
Providing an exact description of the “Version”, the “Serial Number” and the ” Year of manufacture” of the machine will allow rapid and effective answer from our cus-tomer service. It is recommended to indicate the machine version and serial num-ber whenever you call for service. Collect these data from the plate shown in Fig. 1.7.1. It is suggested to insert the machine identification data in the following table:

- A = machine version
- B = Voltage
- C = motor power
- D = motor frequency Hz
- E = Weight
- F = Amperage
- G = Year of manufacture
- H = Serial No.
- I = Manufacturer
- L = Barcode
WARNING!
Do not alter the data on the identification plate under any any circumstances.
Warning plates (fig. 1.7.2)
WARNING!
Do not intervene on electrical components when the machine is connected to the mains . Ones risks electrocution. Follow the indications on the plates. Failure to comply to the recommendations could result in personal injury. Make sure the plates are always in place and readable. Otherwise apply or replace them.

Safety devices and protections
WARNING!
Before use ensure that all the safety devices are installed and working properly. Before each working shift ensure that all the safety devices are installed and that they are working properly. Otherwise contact the person in charge with maintenance activity.
- Cover sensor.
It prevents the starting up of the machine in case the cover is up.
WARNING!
Do not tamper with the safety devices.
Operating station
The correct position that the operator must occupy to optimize the working with the machine is shown in fig. 1.9.1.
Technical features
Main components
To facilitate the understanding of the manual, hereafter there are listed below and shown in fig. 2.1.1. the main parts of the machine
- Feet
- The kneading tank is made of 6060 anodised aluminium alloy and grade AISI 304 stainless steel
- POM-C natural extrusion die
- ABS NSF 51 distribution funnel
- Controls
- Blade unlocking lever
- Casing
- AISI 304 stainless steel interlocked lid.
- Die-cast AISI 304 stainless steel mouth and screw
- AISI 304 stainless steel utensil (blade)

| Motor | Supply | Hourly capacity | Extruders |
| watt/hp | V/Hz | kg/h. | ø mm |
| 750/1 | 230/50 | 8.4 | 75 |
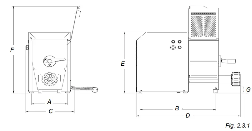
Dimensions and weight of the machine

| A | B | C | D | E | F | G | Net weight |
| mm | mm | mm | mm | mm | mm | mm | kg |
| 226 | 476 | 305 | 665 | 442 | 630 | 50 | 42 |
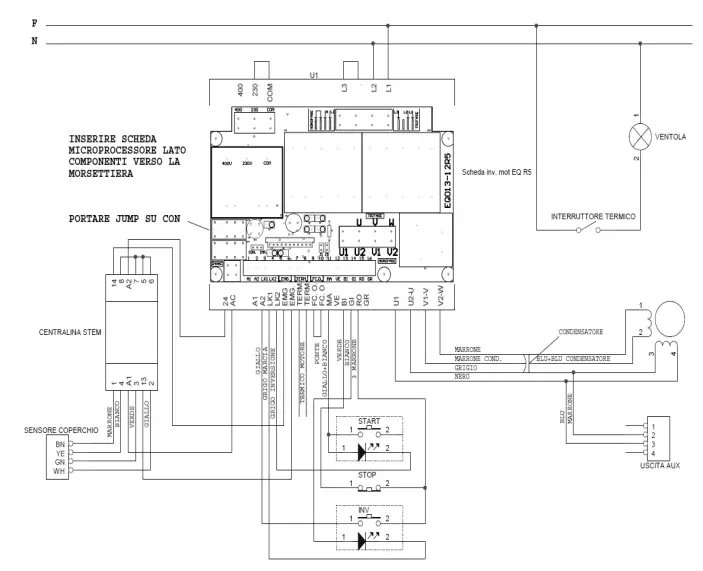
Electrical diagrams 2.5.1 – 230V / 50 Hz 1 ph

Controls and indicator lights
List of controls and indicator lights
- Start mixer button (1 fig. 3.1.1)
By pushing the button the machine starts in mixer mode:
it enables the paddle which, by rotating clockwise, brings the ingredients con-tained inside the basin towards its bot-tom and allows though the mixing. - When the button is pressed,
the LED gets lit (2 fig. 3.1.1) and it will re-main so throughout the mixing process. - Start extruding button (3 fig. 3.1.1)
By pushing the button the machine starts in extruding mode:
it enables the spiral that rotates anti- clockwise, pushes the product previously mixed contained inside the basin, towards the extruder. - The pasta will start being extruded.
When the button is pressed, the LED gets lit (4 fig. 3.1.1) and it will remain so throughout the extruding process. - Shut- down button
Push this button to shut down the machine. - Connector for dough-cutter application
Required to apply the dough-cutter if envisaged.
CAUTION!
The machine is equipped with a forced ventilation system (fan) controlled by a bimetallic switch connected to the motor. When the motor reaches 60 °C, the fan starts autonomously and continues operating until the motor’s temperature drops down to 40 °C.
Inspection, shipping, delivery and installation
Inspection
The equipment in your possession has been tested at our factory to verify that all moving parts work properly and it is properly adjusted. The tests are carried out with materials similar to those processed by the user.
Shipping and handling the machine
All materials shipped have been thoroughly checked before delivery to the ship-ping company. Unless otherwise agreed upon with the customer, the machine is wrapped with nylon and fixed with steel straps on the bench, cover by a box which is also fixed with steel straps to the pallet. On receiving the machine, check the integrity of the packaging. In case of damage to the packaging, the carrier shall sign the notice of receipt for instance which should sound like this: “I tentatively accept…” and the reason. ON opening the packaging, in case of badly damaged components of the machine, file a complaint to the shipping company within three days from the date indicated on the documents.
Installation
WARNING!
The machine installation area has to be sturdy and the surface has to ensure a safe support. When positioning the machine keep extensive space around it. This allows greater manoeuvrability during operation and ensures access for mainte-nance. Prepare suitable lighting around the machine to ensure proper visibility to the machine operator.
- Remove the ellophane wrapping off the machine and other packaging present on the inside.
Disposing the packaging
The components such as cardboard, nylon, wood products are comparable to mu-nicipal solid wastes. They can therefore be freely disposed off. The Nylon is a pol-lutant material that produces toxic fumes when burned. Do not burn it; dispose it off in accordance with the laws in force regarding the matter. If the machine is de-livered in countries where special rules are implemented, the packaging must be disposed off according to such regulations.
Handling the machine
WARNING!
Handle the machine with care and attention, avoid accidental falls that could dam-age it. To avoid muscle strain, when lifting the machine, use the force of the legs.
Electrical connections
WARNING!
Ensure the mains match the voltage given on the equipment’s ID plate. All interven-tions must be carried out exclusively by specialized and expressly authorized per-sonnel. Carrie out the electrical connection to properly earthed mains.
Single phase machine 220 Volt-50 Hz
In this version the machine is supplied with a power cable having 3 x 1.5 mm cross section. The cable is connected to a three-poles single-phased plug. Connect the cable to single phase 220 Volt- 50 Hz mains; interpose a differential circuit breaker of 16 amps.
In installations with voltages other than those mentioned, please consult the manu-facturer. Should it be necessary to lengthen the power cable, use a cable having the a cross section that matches the one installed by the manufacturer.
Starting-up and shutting-down
Checking the electrical connections
Connect the plug to the mains and press the start button (3 Fig. 3.1.1). The machine gets enable din extruding mode; ensure the spiral direction of rotation is counter-clockwise. Otherwise, disconnect the machine from the mains and contact your supplier.
Note: In the machines connected to a single phase line, manufactured for this specific power supply, the correct direction of rotation is determined directly by the manufacturer.
Checking presence and effectiveness of safety devices and pro-tections
- Interlocked cover
Ensure the machine stops when the upper cover is open.
When the cover is open the machine must not run.
Checking the effectiveness of the emergency button (5 fig. 3.1.1)
When machine is connected to the mains and tools are in movement, press the shut down button (5 Fig. 3.1.1). The machine must shut down.
Machine start up (1 or 3 fig. 3.1.1)
After having properly connected the machine to the mains, push the mixing button (1 Fig. 3.1.1) or push the extruding button(3 Fig. 3.1.1), to have the machine started up.
Machine shut down (fig. 3.1.1)
To shut down the machine, push the shut down button, “5” Fig. 3.1.1.
Description of the machine
Prescriptions
WARNING!
- Only authorized personnel can operate on the machine.
- Priori to the start up the operator must first ensure all the guards are in place and all the safety devices are present and effective. Otherwise, shut the machine down and contact the operator in charge with maintenance.
- Ensure that the of flour / egg ratio is always 1kg of flour / 400g of egg.
- Prior to start up, arrange the machine with the suitable extruder, spiral and mixing paddle
Dough preparation
- Pour the flour mix in the mixing basin
- Close the top cover and insert the funnel “4” (Figure 2.1.1) on the feeder cap
- Start the machine in mixer mode by means of the button “1” (Figure 3.1.1)
- Start the motor fan by means of the air vent switch “7” (Figure 3.1.1)
- Start pouring the eggs already beaten in the feeder funnel
- After the eggs where poured, wait for the dough to be ready (about 15 min)
- Shut down the machine
Extrusion
- Ensure the proper extruder is fitted on the locking ring
- Start the machine in mixer mode by means of the button 3 (fig 3.1.1)
- The spiral will process the dough. Once the pasta will reach an adequate pres-sure the extruding will begin.
- Cut with a knife the dough that comes out of the extruder to the necessary length
- When the basin is empty, shut off the machine.
Using the dough cutter
- Attach the pasta cutter accessory “1” (Fig. 6.4.1) to the front pins of the pasta machine.
- Insert connector “2” (Fig. 6.4.1) into connector “6” (Fig. 3.1.1).
- Start the machine in die mode.
- Intervene on potentiometer “3” (Fig. 6.4.1) to adjust the speed of the pasta cutter to cut the pasta to the desired length.
Maintenance
Prescriptions
WARNING!
- All maintenance and cleaning intervention must only be carried out with the machine shut down and disconnected from the mains.
- The area where maintenance is performed must always be clean and dry.
- Do not allow unauthorized personnel to operate on the machine.
- Any possible replacement of components, including the replacement tools, must be carried out with original spare parts by authorized workshops or directly by the man-ufacturer.
Lubrication
The machine does not require lubrication.
Cleaning the machine
WARNING!
- Unplug the machine from the mains before cleaning.
- Do not wash the machine with pressurized water jet.
- With a sponge soaked in water and suitable non toxic neutral degreasers (pH 7), remove any residues off the machine.
Removing the tools
At the end of each processing cycle, remove the utensils to optimally clean the machine.
Removing the mixer blade
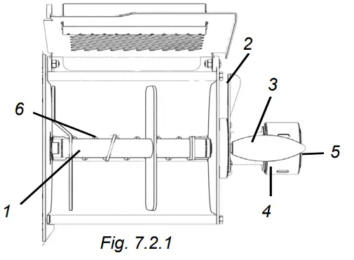
- Put the blade “1” in the position shown in Fig. 7.2.1.
- Raise the lever “2” and remove the bar “3”.
- Remove the blade “1” by sliding it upwards.
WARNING! If the blade is not locked in position as shown in fig. 7.2.1 it cannot be removed.
Removing the propeller
- loosen the ring 4
- remove the die 5
- remove the spiral 6
WARNING!
After each kneading, ensure the propelling pivots are thoroughly cleaned so the blade and Archimedean screw can be properly assembled (fig 7.2.2)
Waste Electrical and Electronic Equipment WEEE
Pursuant to article 13 of the Legislative Decree n. 151, July 25 , 2005 “implementation of Directive 2002/95/EC, 2002/96/EC and 2003/108/EC, related to the restrictions on the use of hazardous substances in electrical and electronic equipment, as well as waste disposal”
The crossed bin symbol on the device or its packaging indicates that, at the end of their life, the product must be collected separately from other waste. The separate collection at the end of this machinery life is organized and managed by the manufacturer. The user who wishes to dispose of this equipment must contact the manufacturer and follow the procedure adopted to allow separate collection at the end of life. Appropriate separate collection and subsequent decommissioning for recycling, treat-ment and environmentally compatible disposal helps prevent negative impact on the environment and health, and promotes the reuse and / or recycling of materials the equipment is made of. Illegal disposal of the product involves application of administrative sanctions provided by law.
Trouble-Shooting
| Problem | Cause | Solutions |
| The machine does not start up | The differential switch is positioned to “0”. | Bring the switch to “I” position |
| The main switch is positioned to “0” | Bring the switch to “I” position | |
| The start up button is faulty | Contact the Technical Assistance | |
| Safety devices not present or incorrectly mounted | Check the safety devices and protections | |
| The fun is nor working | The light switch is not lit | Contact the Technical Assistance |
| The fun got burnt out | ||
| The dough does not flow out | The extruder is dirty | Clean the extruder |
| The machine is running in mixing mode | Shut the machine down and push the extruding mode but- ton |



















