
Concerto 5 Pasta Machine Stainless Steel Instruction Manual
Fresh pasta machine
Delivery and warranty
1.1 – Foreword
WARNING!
The symbols used in this manual are intended to draw the reader’s attention to points and dangerous operations as regards personnel and operators’ safety as well as the risks to damage the machine.
Do not operate the machine unless you are not certain to have understood properly the meaning of these indications.
WARNING!
For clarity, some illustrations in this Manual show the equipment or parts of it with the panels or casings removed
Do not use the machine in such conditions. The machine has to be used only when all guards are in place.
This manual cannot be reproduced, even partially, without the consent of the manufacturer and its contents can not be used for purposes not permitted by the manufacturer. Any violation of the copyright mentioned above could lead to prosecution under the law.
1.2 Preserving and using the manual
The purpose of this manual is to give the users by means of texts and images the recommendations and essential criteria related to transport, handling, use, and maintenance of the machine. Read this manual carefully prior to using the machine. The Manual must be preserved in a known easily accessible place, available for consultation whenever required. If the Manual is lost, damaged, or becomes illegible, contact your reseller or directly manufacturer for a copy.
If the equipment concerned changes ownership, the Manual has to be handed over to the new owner.
This manual reflects the state of the techniques at the moment the machine has been placed on the market and it doesn’t have to be considered obsolete just because not yet updated according to the new expertise. The manufacturer reserves the right to update the production and related manuals without updating the production and the previous manuals, except for special cases. In case of doubts, please contact the nearest Customer Assistance Service of the manufacturer.
The manufacturer aims to continuously improve its products.
For this reason, the manufacturer is keen to receive any report or proposal aimed at improving the machine and/or the manual. The equipment has been delivered to the user under warranty conditions at the moment of the purchase. Please contact the manufacturer for further details.
1.3 Warranty
Under no circumstances the user is allowed to tamper with the machine. In case of fault refer to your supplier. Any attempt of the user or unauthorized personnel to disassemble, modify or more generally tamper with any part of the machine will cause the Declaration of Conformity drawn up in accordance with EEC Directives 2006/42 to lapse, it shall void the warranty and will relieve the Manufacturer from damages caused by such behavior.
The Manufacturer shall be relieved of all liability in the following situations:
– incorrect installation;.
– improper use of the equipment by inadequately trained personnel;
– use contrary to regulations in force in the country where the equipment is used;
– omitted or poor maintenance;
– use of non-original spares or not specific for the model;
– total or partial non-compliance with these instructions
– with spare parts that are not original or are not specific for the model.
1.4 Description of the machine
The machine in your possession is simple, compact, highly efficient, and powerful equipment.
Since it must be used in food applications, the components were carefully chosen to provide maximum hygiene.
- The basin is made of electropolished stainless steel.
- The tools are made of stainless steel to ensure durability and maximum hygiene.
- Cast stainless steel spout
- Copper extruders. – Ventilated single-phase motors offer the following advantages:
- consistency, high performance, and durability of the motor;
- increases the real operation time due to fewer interruptions;
– It provides two operation modes: mixing and extruding.
– Maximum mixing capacity 4.2 kg (3 kg flour 1.2 kg egg)
– Pre-arranged for dough-cutter installation.
The version represented in this manual has been built in compliance with EC Directive 2006/42 and further modifications.
In case of an accident, no responsibility can be charged to the manufacturer if the machine has been modified, tampered with if it has been used with the safety guards removed, or for purposes not permitted by the manufacturer.
1.5 Permitted use
The machine was designed and built for fresh pasta production. It is to be used in professional environments; the machine operator has to be spe
– specialize in the field and have read and understood this manual. Do not use the machine unless safely fixed to a solid workbench.
1.6 Improper use not permitted
The machine must be used exclusively for the purposes intended by the manufacturer; in particular:
– do not use the machine for food products other than those indicated by the manufacturer.
– do not use the machine unless it has been properly installed with all the protections intact and properly assembled to avoid the risk of severe injury.
– do not access the electrical components without having previously disconnected the machine from the mains: one risks electrocution.
– Follow the indicated flour/liquid quantities. Wrong quantities of ingredients can generate permanent damage to the machine.
– Do not wear clothing that does not follow the safety regulations.
Check with your employer as regards the safety regulations and safety equipment to be provided with.
– Do not use the equipment if damaged.
– Before using the machine make sure that any dangerous condition has been appropriately cleared. In case of abnormal operation, stop the machine and warn the persons in charge of maintenance.
– Do not allow unauthorized persons to operate on the equipment.
The emergency treatment in case of an accident caused by electrical shock implies to first removing the contact between the injured person from the conductor (since usually, the person faints). This is a dangerous operation. The victim in this case is a conductor: touching him/her could imply being electrocuted.
It should therefore first be removed contacts directly from the supply valve, otherwise move the victim using insulating materials (wood or PVC stick, cloth, leather, etc.).
It is recommended to call for medical staff, the patient has to be transferred to a hospital.
1.7 – Identification of the equipment
Providing an exact description of the “Version”, the “Serial Number” and the ” Year of manufacture” of the machine will allow rapid and effective answers from our customer service. It is recommended to indicate the machine version and serial num- ber whenever you call for service. Collect these data from the plate shown in Fig. 1.7.1. It is suggested to insert the machine identification data in the following table:
Machine version…………
Serial No.…………………
Year of manufacture………
Type………………………
A = machine version
B = Voltage
C = motor power
D = motor frequency Hz
E = Weight
F = Amperage
G = Year of manufacture
H = Serial No.
I = Manufacturer
L = Barcode
WARNING!
Do not alter the data on the identification plate under any circumstances.
1.7.1 – Warning plates (fig. 1.7.2)
WARNING!
Do not intervene in electrical components when the machine is connected to the mains. One risks electrocution. Follow the indications on the plates. Failure to comply with the recommendations could result in personal injury.
Make sure the plates are always in place and readable. Otherwise, apply or replace them.
WARNING
Isolate from mains before removing the cover.![]()
1.8 – Safety devices and protections
WARNING!
Before use ensure that all the safety devices are installed and working properly.
Before each working shift ensure that all the safety devices are installed and that they are working properly. Otherwise, contact the person in charge of maintenance activity.
1 – Cover sensor.
It prevents the starting up of the machine in case the cover is up.

WARNING!
Do not tamper with the safety devices.
1.9 Operating station
The correct position that the operator must occupy to optimize the working with the machine is shown in fig. 1.9.1.
Technical features
2.1 – Main components
To facilitate the understanding of the manual, hereafter there are listed below and shown in fig.
2.1.1. the main parts of the machine
1 – Feet
2 – Dough basin
3 – Copper extruders
4 – Feeder funnel
5 – Commands
6 – Fan switch
7 – Casing
8 – Interlocked cover
9 – Paddle release
2.2 – Technical features
| Motor | Supply | Hourly capacity | Extruders |
| watt/hp | V/hz | kg/h. | 0 mm |
| 750/1 | 230/50 | 8. | 70 |
2.3 – Dimensions and weight of the machine
2.4 – Noise level
The measured machine equivalent noise level does not exceed 70 dB.
| A | B | C | D | E | F | G | Net weight |
| mm | mm | mm | mm | mm | mm | mm | kg |
| 226 | 476 | 305 | 665 | 442 | 630 | 50 | 42 |
2.5 – Electrical diagrams
2.5.1 – Single-phase electrical diagram 
List of controls and indicator lights
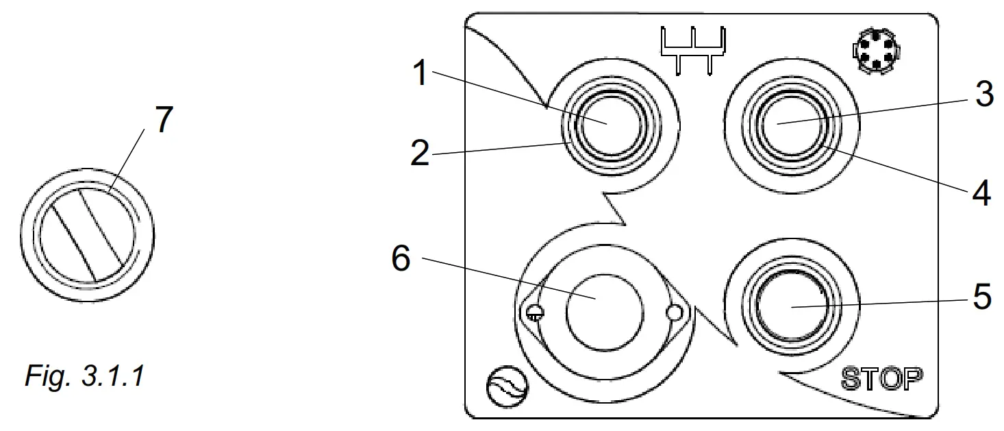
3.1 – List of controls and indicator lights
– Start mixer button (1 fig. 3.1.1)
By pushing the button the machine starts in mixer mode: it enables the paddle which, by rotating clockwise, brings the ingredients contained inside the basin towards its bottom and allows through the mixing. When the button is pressed, the LED gets lit (2 fig. 3.1.1) and it will remain so throughout the mixing process.
– Start extruding button (3 fig. 3.1.1)
By pushing the button the machine starts in extruding mode: it enables the spiral that rotates anticlockwise, and pushes the product previously mixed contained inside the basin, towards the extruder. The pasta will start being extruded. When the button is pressed, the LED gets lit (4 fig. 3.1.1) and it will remain so throughout the extruding process.
5 -Shut- down button Push this button to shut down the machine.
6 – Connector for dough-cutter application Required to apply the dough- utter if envisaged.
7 – Fan switch
Rotate clockwise to start the fan for internal ventilation; it has the function of cooling the motor.
When enabled with this switch, a LED inside the knob gets lit.
Inspection, shipping, delivery, and installation
4.1 Inspection
The equipment in your possession has been tested at our factory to verify that all moving parts work properly and it is properly adjusted. The tests are carried out with materials similar to those processed by the user.
4.2 – Shipping and handling the machine
All materials shipped have been thoroughly checked before delivery to the shipping company.
Unless otherwise agreed upon with the customer, the machine is wrapped with nylon and fixed with steel straps on the bench, covered by a box which is also fixed with steel straps to the pallet. On receiving the machine, check the integrity of the packaging. In case of damage to the packaging, the carrier shall sign the notice of receipt for instance which should sound like this: “I tentatively accept…” and the reason.
ON opening the packaging, in case of badly damaged components of the machine, file a complaint to the shipping company within three days from the date indicated on the documents.
4.3 – Installation
WARNING!
The machine installation area has to be sturdy and the surface has to ensure safe support. When positioning the machine keep extensive space around it. This allows greater maneuverability during operation and ensures access for maintenance. Prepare suitable lighting around the machine to ensure proper visibility to the machine operator. – Remove the cellophane wrapping off the machine and another packaging present on the inside.
4.3.1 – Disposing of the packaging
The components such as cardboard, nylon, and wood products are comparable to municipal solid wastes. They can therefore be freely disposed of. Nylon is a pollutant material that produces toxic fumes when burned. Do not burn it; dispose of it in accordance with the laws in force regarding the matter. If the machine is delivered in countries where special rules are implemented, the packaging must be disposed of off according to such regulations.
4.3.2 – Handling the machine
WARNING!
Handle the machine with care and attention, and avoid accidental falls that could damage it. To avoid muscle strain, when lifting the machine, use the force of the legs.
4.4 – Electrical connections
WARNING!
Ensure the mains match the voltage given on the equipment’s ID plate. All interventions must be carried out exclusively by specialized and expressly authorized personnel. Carrie out the electrical connection to properly earthed mains.
4.4.1 – Single-phase machine 220 Volt-50 Hz
In this version, the machine is supplied with a power cable having a 3 x 1.5 mm cross-section. The cable is connected to a three-poles single-phase plug. Connect the cable to single-phase 220 Volt-50 Hz mains; interpose a differential circuit breaker of 16 amps.
In installations with voltages other than those mentioned, please consult the manufacturer. Should it be necessary to lengthen the power cable, use a cable having a cross-section that matches the one installed by the manufacturer?
Starting-up and shutting-down
5.1 – Checking the electrical connections
Connect the plug to the mains and press the start button (3 Fig. 3.1.1). The machine gets enabled in extruding mode; ensure the spiral direction of rotation is counter-clockwise. Otherwise, disconnect the machine from the mains and contact your supplier.
Note: In the machines connected to a single-phase line, manufactured for this specific power supply, the correct direction of rotation is determined directly by the manufacturer. 5.2 – Checking the presence and effectiveness of safety devices and protections
1 – Interlocked cover
. Ensure the machine stops when the upper cover is open. When the cover is open the machine must not run.
5.3 – Checking the effectiveness of the emergency button (5 fig. 3.1.1)
When the machine is connected to the mains and tools are in movement, press the shutdown button (5 Fig. 3.1.1).
The machine must shut down.
5.4 – Machine start up (1 or 3 fig. 3.1.1)
After having properly connected the machine to the mains, push the mixing button (1 Fig. 3.1.1) or push the extruding button(3 Fig. 3.1.1), to have the machine started up. 5.5 – Machine shut down (fig. 3.1.1) TO shut down the machine, push the shut down button, “5” Fig. 3.1.1.
Description of the machine
6.1 Prescriptions
WARNING!
Only authorized personnel can operate on the machine. Prior to the start-up, the operator must first ensure all the guards are in place and all the safety devices are present and effective. Otherwise, shut the machine down and contact the operator in charge of maintenance. Ensure that the of flour/egg ratio is always 1kg of flour / 400g of the egg. Prior to start-up, arrange the machine with the suitable extruder, spiral, and mixing paddle
6.2 – Dough preparation
– Pour the flour mix in the mixing basin
– Close the top cover and insert the funnel “4” (Figure 2.1.1) on the feeder cap
– Start the machine in mixer mode by means of the button “1” (Figure 3.1.1)
– Start the motor fan by means of the air vent switch “7” (Figure 3.1.1)
– Start pouring the eggs already beaten in the feeder funnel
– After the eggs were poured, wait for the dough to be ready (about 15 min)
– Shut down the machine
6.3 – Extrusion
– Ensure the proper extruder is fitted on the locking ring
– Start the machine in mixer mode by means of the button 3 (fig 3.1.1)
– The spiral will process the dough. Once the pasta will reach adequate pressure the extruding will begin.
– Cut with a knife the dough that comes out of the extruder to the necessary length
– When the basin is empty, shut off the machine.
6.4 – Using the dough cutter
– Fit the dough cutter “1” (fig 6.4.1) to the machine by inserting it in the slits at the sides of the product outlet.
– Plug the connector “2” (fig. 6.4.1) into the connector “3” (fig 6.4.1)
– Start the machine in extruding mode
– Use the potentiometer “4” (fig 6.4.1) to vary the rotation speed of the cutter so as to cut the dough to the desired length
Maintenance
7.1 Prescriptions
WARNING! All maintenance and cleaning interventions must only be carried out with the machine shut down and disconnected from the mains.
The area where maintenance is performed must always be clean and dry.
Do not allow unauthorized personnel to operate the machine.
Any possible replacement of components, including the replacement tools, must be carried out with original spare parts by authorized workshops or directly by the Manufacturer.
7.1 – Lubrication
The machine does not require lubrication.
7.2 Cleaning the machine
WARNING!
Unplug the machine from the mains before cleaning.
Do not wash the machine with a pressurized water jet.
With a sponge soaked in water and suitable nontoxic neutral degreasers (pH 7), remove any residues of the machine.
Do not use gasoline, solvents or other flammable liquids as detergents; use authorized commercial solvents, non-toxic and not flammable, expressly intended for the cleaning of food components.
Adjust the protections to be used in cleaning and disinfection on the basis of the product used. Follow the instructions for the products used.
7.3 – Removing the locking ring, extruder, spiral and cleaning the spout
– Loosen the nut by means of the special spanner (supplied) unscrew it manually completely and then remove it.
– Pull out the extruder and wash it thoroughly. Dip it in a bowl containing water and vinegar
– Remove the spiral from the spout, clean it and wash it thoroughly
– Remove from the inside of the overflow spout all dough residues.
7.3.1 – Extruder maintenance
When not in use, it is recommended to keep the extruders soaked in a vessel containing water and vinegar to prevent any pasta residues from drying out and block the extruded
pasta outlet.
7.3.2 – Assembling the spiral, the extruder and the locking ring
– Insert the propeller in the spout
– Fit the extruder to the locking ring (fig. 7.3.4)
– Fasten the locking ring to the spout
– Loosen the locking ring by means of the special spanner
7.4 – Disassembling the shovel and the tank
– Unlock the fixing paddle rod by lifting the lever (fig. 7.4.1)
– Grab the knob fixing rod and pull until it is out and has freed the paddle
– Open the cover and remove the paddle by pulling it out of its seat.
– Clean and wash the paddle
– Clean and wash the inside of the basin by removing the product residues
7.4.1 Assembling the paddle
– With the cover open, insert the paddle in the basin; make sure it is firmly fitted in its housing.
– Grab the knob fixing rod and push it down to lock the paddle
– Lower the lever and lock the paddle fixing rod
– Close the cover.
7.5 Waste Electrical and Electronic Equipment WEEE
INFORMATION INTENDED FOR USERS
Pursuant to article 13 of the Legislative Decree n. 151, July 25th, 2005 “implementation of Directive 2002/95/EC, 2002/96/EC, and 2003/108/EC, related to the restrictions on the use of hazardous substances in electrical and electronic equipment, as well as waste disposal”
The crossed bin symbol on the device or its packaging indicates that, at the end of its life, the product must be collected separately from other waste.
The separate collection at the end of this machinery life is organized and managed by the manufacturer. The user who wishes to dispose of this equipment must contact the manufacturer and follow the procedure adopted to allow separate collection at the end of life.
The appropriate separate collection and subsequent decommissioning for recycling, treatment, and environmentally compatible disposal help prevent negative impact on the environment and health and promote the reuse and/or recycling of materials the equipment is made of.
Illegal disposal of the product involves the application of administrative sanctions provided by law.
TroubleShooting
8.1 – Trouble-shooting
Problem
1 – The machine does not start up
2 – The fun is not working
3 – The dough does not flow out
Cause
1.1 The differential switch is positioned to “0”.
1.2 The main switch is positioned to “0”
1.3 The start-up button is faulty
1.4 Ensure all safety devices are enabled and working properly
2.1 – The light switch is not lit
2.2 – The fun got burnt out
3.1 – The extruder is dirty
3.2 – The machine is running in mixing mode
Solutions
1.1 – Bring the switch to the “I” position
1.2 – Bring the switch to the “I” position
1.3 – Contact the Technical Assistance
1.4 – Check the safety devices and protections
2.1 – Start the fun up by means of the light switch
2.2 – Contact the Technical Assistance
3.1 – Clean the extruder
3.2 – Shut the machine down and push the extruding mode button
AUTHORIZED RESELLER



















