
MYSON Kickspace 500 Plinth Heater

Complete Heating Solutions
Product Information
The Complete Heating Solutions appliance is a fan convector that provides heating through the use of hot water. It is designed to be installed under a cupboard base and requires a water connection for optimum performance. The unit should be correctly sized to meet the heat loss requirements of the room and installed by a qualified electrician.
Contents
- 1.0 Safety Information
- 2.0 Installation
- 3.0 Water Connection
- 4.0 Electrical Connection
- 5.0 Controls
- 6.0 Troubleshooting
- 7.0 Appendix
Safety Information
The Complete Heating Solutions appliance can be used by children aged 8 years and above and individuals with reduced physical or mental capabilities if they have been given proper supervision or instruction on how to use the appliance safely. Children under the age of 8 should not play with the appliance or have access to its cord. Children aged 3 years and below should be kept away from the unit unless continuously supervised. Children aged 3 to 8 years should only switch on/off the appliance if they have been given instruction on how to use it safely, and they should not plug in, clean, or perform user maintenance on the appliance.
Installation
Before proceeding with installation, consider the heating system design and ensure that the unit is correctly sized to meet the heat loss requirements of the room. Unpack the carton contents and check against the checklist provided. The unit should be mounted on a clean and level floor area under the cupboard base. Align the grille and secure it to the unit with two screws (use the shorter screws), then secure the unit/grille to the plinth with two screws (use the longer screws). When installed in a kitchen, consider the storage of perishable goods in the cupboard above.
Water Connection
For optimum fan convector heating performance, ensure that the system can provide sufficient hot water through the heat exchanger. The minimum pipe size from boiler to fan convector must be at least 15mm, and microbore pipe must not be used. Where the unit is fitted on to a system with other emitters, a separate circuit for the fan convector should be considered to provide adequate water flow. This unit is not suitable for one-pipe systems. Optimum performance will require effective balancing of the whole system. This unit must not be used to replace a radiator in an existing system unless an adequate flow of water can be guaranteed. Pipework must be positioned correctly to ensure flexible hoses are not kinked when installed (see Figs. 5a & 5b). Only use the hose sets supplied with this unit. Do not use old or alternative hose sets. The direction of the arrows on the valves are not significant in this application (see Fig. 4).
Electrical Connection
The electrical installation must be done by a qualified electrician.
Safety Information
The KICKSPACE® 500, 600 600-12V, 800, 80S & 80D MUST NOT be installed in a bathroom or other similar high humidity area.
WARNING: KICKSPACE® 500, 600, 800, 80S & 80D models must be earthed.
For MYSON KICKSPACE® 500, 600, 600-12V, 800, 80S & 80D, a fused (3A) electrical spur with a switch having 3mm separation on all poles must be provided in an easily accessible position adjacent to the unit.
For the KICKSPACE® 600-12V, a fused electrical spur having 3mm separation on all poles must be provided in an easily accessible position adjacent to the transformer. Both the fused spur and the transformer must not be positioned in a bathroom or other similar high humidity area.
If the supply cord to the KICKSPACE® 500, 600, 600-12V, 800, 80S & 80D is damaged, it must be replaced by the manufacturer, its service agent or similar qualified persons in order to avoid a hazard.
This appliance can be used by children aged from 8 years and above and persons with reduced physical or mental capabilities or lack of experience and knowledge if they have been given supervision or instruction concerning the use of the appliance in a safe way and understand the hazards involved.
Children shall not play with the appliance. Cleaning and user maintenance shall not be made by children unless they are older than 8 years and supervised.
Keep the appliance and its cord out of reach of children aged less than 8 years.
Children of less than 3 years should be kept away from the unit unless continuously supervised.
Children aged from 3 years and less than 8 years shall only switch on / off the appliance provided that it has been placed or installed in its normal operating position and they have been given supervision or instruction concerning use of the appliance in a safe way and understand the hazards involved.
Children aged from 3 years and less than 8 years shall not plug in, clean the appliance or perform user maintenance.
Installation
- Before proceeding with the installation, the heating system design must be considered and the unit correctly sized to meet the heat loss requirements of the room.
- Before proceeding with the installation, unpack the carton contents and check against the checklist below:
- KICKSPACE® unit.
- Flexible hoses including isolating valves (1 pair).
- Instruction manual.
- Grille – supplied seperate.
- Screw fixing kit (with grille) – supplied seperate.
- Transformer (12V model only).
- Connector (12V model only).
- This MYSON KICKSPACE® fan convector is designed for installation in the cavity beneath kitchen cupboards on the vacant floor space, or other similar locations.
- For KICKSPACE® 500, 600, 600-12V & 800 a minimum of 25mm clear headroom is required above the top of the KICKSPACE® when fitted.
- The unit should be mounted on a clean and level floor area under the cupboard base.
- KICKSPACE® 80S & 80D models can only be installed if there is a minimum height of 80mm from the top of the floor covering to the underside of the kitchen unit (see Fig. 1).
- KICKSPACE® 500, 600, 600-12V & 500 floor mounting (see Fig. 2a) – The KICKSPACE® is normally fitted directly onto the floor and the base of the unit is fitted with four mounting feet.
- KICKSPACE® 500, 600, 600-12V & 500 plinth mounting (see Fig. 2b) –
- As an alternative to floor mounting the unit may be fitted into the plinth.
- A suitable support must be securely fitted to the floor.
- The top of the support must be level with the lower edge of the cut-out when fitted.
- KICKSPACE® 80S & 80D floor mountings (see Fig. 2c) – Applies to 80S & 80D units in 80mm plinth height kitchen unit.
- Decide the position of the KICKSPACE®, mark out and cut the plinth to the dimensions using table on page 9.
- Position the KICKSPACE® under the cupboard in the required location, with the front edge just behind the line of the plinth.
- Replace the plinth and bring the KICKSPACE® forward into the opening so the front edge projects approximately 10mm through the plinth.
- Align the grille and secure it to the unit with two screws supplied (use the shorter screws). (See Fig. 3).
- Secure the unit/grille to the plinth with two screws supplied (use the longer screws). (See Fig. 3).
- Complete the electrical installation, switch on and test the KICKSPACE® (see Fig. 3).
- When installed in a kitchen consideration should be given to storage of perishable goods in the cupboard above.
Water Connection
- The KICKSPACE® should only be used on closed circulation, two pipe, pump assisted central heating systems.
- For optimum fan convector heating performance the system must be capable of providing sufficient hot water through the heat exchanger. This means that:
- The minimum pipe size from boiler to fan convector must be at least 15mm. Microbore pipe MUST NOT be used.
- Where the unit is fitted on to a system with other emitters a separate circuit for the fan convector should be considered to provide adequate water flow.
- The system water temperature on the return of the KICKSPACE® must be above 30°C for the fan to switch on.
- This unit is NOT suitable for one-pipe systems.
- Optimum performance will require effective balancing of the whole system.
- This unit must not be used to replace a radiator in an existing system unless an adequate flow of water can be guaranteed.
Pipework must be positioned correctly to ensure flexible hoses are not kinked when installed (see Figs. 5a & 5b). Only use the hose sets supplied with this unit. Do not use old or alternative hose sets.
- Connect valve ends of the flexible pipes to the KICKSPACE®.
Note: The direction of the arrows on the valves are not significant in this application (see Fig. 4). - Open valves fully, check pipe connections for leaks and vent the heat exchanger. A vent screw is provided to vent the heat exchanger.
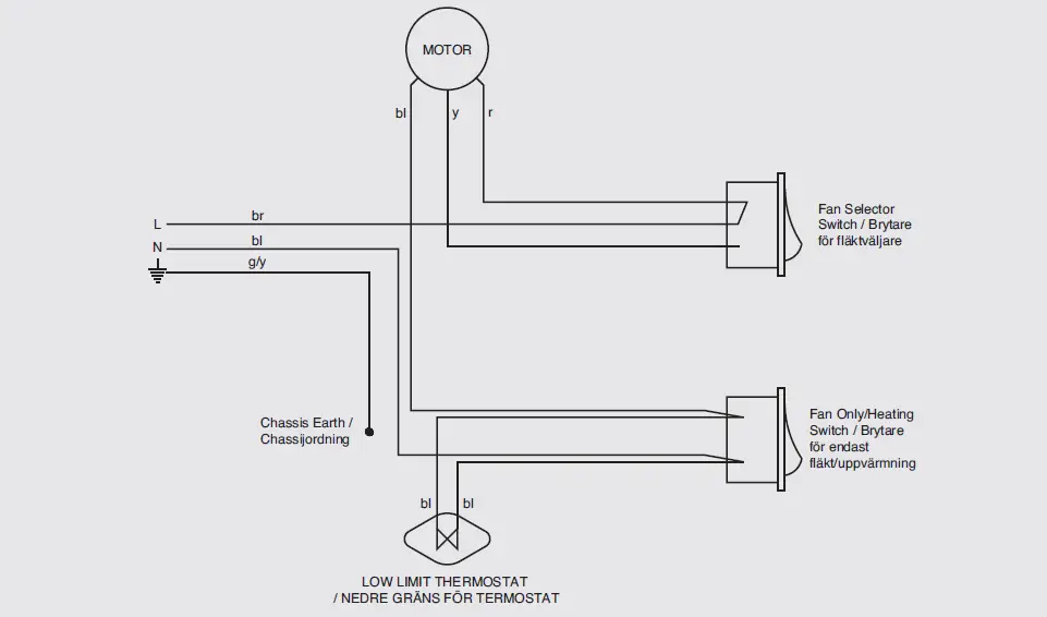
Electrical Connection
WARNING: MYSON KICKSPACE® 500, 600, 800, 80S & 80D – the unit must be earthed.
- The electrical installation must be done by a qualified electrician.
- MYSON KICKSPACE® comes equipped with a 2 metre 0.75mm2 earthed power cable.
- The attached room thermostat also has a built-in main power switch. For easy installation, use the provided wall adapter. The adapter is used both for the room thermostat and the MYSON KICKSPACE® unit.
- The room thermostat has a tolerance of max 10A. See Fig. 6 and connection diagram (Figs. 7a and 7b).
- If the power cable to the room thermostat doesn’t come straight out of wall and into the thermostat housing, please attach the provided pull relief on the inside of the room thermostat.
Do not energise the electrical supply until the remaining stages of the installation have been completed.
Controls
This unit is controlled by the switches on the front of the unit (see Fig. 3).
Ensure the electricity supply is switched on.
Heating Mode
- Set the heating/fan only switch to heating
- Set fan speed control to position I
- The unit will now run on low fan speed.
The system water temperature on the return of the KICKSPACE® must be above 30°C for the fan to switch on*
*Eg. When the mean water temperature is greater than 30°C the fan will switch on, then when the water temperature drops below 30°C the fan will switch off.
Performance will depend on the water temperature at the coil and the flow though the coil.
The fan speed can be set to boost by switching the fan speed switch to II.
A low speed setting is recommended for normal operation with the higher speeds for boost heating when required.
Off Position
Set the fan speed selector switch to the off (O) position.
Fan Only Mode
If required, the KICKSPACE® can be used in summer for air circulation without heat.
- Set the heating/fan only switch to fan only
- Adjust fan speed to required setting.
Troubleshooting
Once installed this fan convector becomes an integral part of a complete heating system that includes boiler, pump, other emitters such as radiators and fan convectors, and a number of heating controls, dependent on system complexity. An apparent problem with this unit may be the result of system controls being incorrectly set and can be solved easily without calling out your installer. Before calling your installer, please carry out the checks listed below.
| Problem | Possible Causes | Remedy |
|
Fan not working in heating mode |
Unit switched off | Turn on |
| Room thermostat not calling for heat | Turn up room thermostat | |
| Unit isolating valves shut | Open valves | |
| Water temperature of KICKSPACE® below 30°C | Ensure boiler, pump and other central heating equipment is working correctly, if not contact your installer Note: Operation of fan can be checked by switching to fan only setting |
If the fan convector is still faulty after checking the above, call your installer.
KICKSPACE® may have poor performance/cycle if a low water temperature/flow rate is supplied, please refer to your installer as this could be from the following:
- Unit incorrectly sized for heat loss of room
- Lack of flow to KICKSPACE® from heating system
- Pipe sizes/pump sized incorrectly
- System incorrectly balanced
Appendix
Heating Performance Data
|
Model |
Fan Speed | Temperature Difference | |||||||||
| Heat Output | Heat Output | ||||||||||
| ΔT20 | ΔT30 | ΔT40 | ΔT50 | ΔT60 | ΔT20 | ΔT30 | ΔT40 | ΔT50 | ΔT60 | ||
|
500 |
Normal | 393 | 566 | 733 | 896 | 1056 | 1340 | 1930 | 2501 | 3057 | 3603 |
| Boost | 447 | 683 | 923 | 1166 | 1412 | 1524 | 2331 | 3150 | 3980 | 4817 | |
| 600 | Normal | 467 | 729 | 1000 | 1278 | 1562 | 1592 | 2486 | 3412 | 4361 | 5330 |
| Boost | 607 | 939 | 1279 | 1625 | 1977 | 2072 | 3203 | 4363 | 5545 | 6744 | |
| 600-12V | Normal | 467 | 729 | 1000 | 1278 | 1562 | 1592 | 2486 | 3412 | 4361 | 5330 |
| Boost | 607 | 939 | 1279 | 1625 | 1977 | 2072 | 3203 | 4363 | 5545 | 6744 | |
| 800 | Normal | 747 | 1077 | 1396 | 1707 | 2012 | 2550 | 3675 | 4763 | 5824 | 6864 |
| Boost | 845 | 1289 | 1738 | 2192 | 2649 | 2885 | 4397 | 5930 | 7478 | 9039 | |
| 80S | Normal | 304 | 455 | 605 | 755 | 905 | 1037 | 1552 | 2064 | 2576 | 3088 |
| Boost | 331 | 509 | 691 | 876 | 1062 | 1129 | 1737 | 2358 | 2989 | 3624 | |
| 80D | Normal | 421 | 624 | 824 | 1023 | 1221 | 1436 | 2129 | 2811 | 3490 | 4166 |
| Boost | 475 | 707 | 938 | 1169 | 1399 | 1621 | 2412 | 3200 | 3989 | 4773 | |
Heat outputs tested in accordance with
BS 4856 Part 1
- Flow Rate: 340 ltr/h (75 gal/h)
- Flow Rate Correction Factors
- 455 ltr/h (100 gal/h) multiply output by 1.03
- multiply output by 0.96 / 227 l/h (50 gal/h)
- multiply output by 0.85 / 113 l/h (25 gal/h)
- Test Pressure : 20 bar
- Maximum Working Pressure k: 10 bar
Sound Levels
| Model | Sound Pressures at 2.5m | |
| Normal | Boost | |
| 500 | 25.7 | 38.1 |
| 600 | 26.4 | 37.2 |
| 600-12V | 29.4 | 39.0 |
| 800 | 28.5 | 49.8 |
| 80S | 24.5 | 31.4 |
| 80D | 21.8 | 35.6 |
Sound levels tested in accordance with EN 23741
Approximate Hydraulic Resistance through Fan Convectors
| Litres/h Liter/h | mm wg | |||||
| 500 | 600 | 600-12V | 800 | 80S | 80D | |
| 455 | 788 | 1046 | 1046 | 911 | 592 | 613 |
| 340 | 488 | 625 | 625 | 544 | 372 | 439 |
| 227 | 231 | 326 | 326 | 258 | 207 | 295 |
| 113 | 82 | 95 | 95 | 82 | 95 | 176 |
| Litres/h Liter/h | kPa | |||||
| 500 | 600 | 600-12V | 800 | 80S | 80D | |
| 455 | 7.7 | 10.3 | 10.3 | 8.9 | 5.8 | 6.0 |
| 340 | 4.8 | 6.1 | 6.1 | 5.3 | 3.6 | 4.3 |
| 227 | 2.3 | 3.2 | 3.2 | 2.5 | 2.0 | 2.9 |
| 113 | 0.8 | 0.9 | 0.9 | 0.8 | 0.9 | 1.7 |
Weight, Water Content and Motor Power
| Model | Motor Power | Water Content | Unit Weight | ||
| 500 | 25 | 0.26 | 4.3 | ||
| 600 | 40 | 0.30 | 5.0 | ||
| 600-12V* | 40 | 0.30 | 7.9* | ||
| 800 | 40 | 0.34 | 5.5 | ||
| 80S | 13 | 0.17 | 3.83 | ||
| 80D | 17 | 0.25 | 5.13 |
*Includes transformer


Dimensions
| Dimensions / Mått (mm) | ||
| Model / Modell | A | B |
| 500 | 466 | 93 |
| 600 & 600-12V | 520 | 93 |
| 800 | 573 | 93 |
| 80S | 530 | 80 |
| 80D | 730 | 80 |
| A = Width of cutout / | B = Height of cu | |

A = Width of cutout





Sanova AB, Sockerbruksgatan 3C,
531 40 Lidköping, SWEDEN
Tel: 0510-485890 Email: [email protected]
www.sanova.se


















