vetus V-docker Combined Engine and Thruster Control Instruction Manual
Safety
Warning indications
The following warning indications are used in this manual in the context of safety:
Danger
Indicates that great potential danger exists that can lead to serious injury or death.
Warning
Indicates that a potential danger that can lead to injury exists.
Caution
Indicates that the usage procedures, actions etc. concerned can result in serious damage to property. Some CAUTION indications also advise that a potential danger exists that can lead to serious injury or death.
Note
Emphasises important procedures, circumstances etc.
Symbols
Indicates that the relevant procedure must be carried out.
Indicates that a particular action is forbidden.
Pass the safety precautions on to other people who will use the system. General rules and laws concerning safety and accident prevention must always be observed.
Introduction
This manual give guidelines for operating ans fitting the VETUS Vlocker.
Make sure that the batteries are supplying the correct voltage during use The system in maintenance-free.Read this manual carefully before installing the system.
The quality of installation will determine how reliably the system performs. Almost all faults can be traced back to errors or imprecision during installation. It is therefore imperative that the steps given in the installation instructions are followed in full during the installation process and checked afterwards.
Alterations made to the system by the user will void any liability on the part of the manufacturer for any damages that may result
We recommend that all parts of this system are installed by a professional installer.
Make sure that the user of the vessel is supplied with the owner’s manual.
Operation
General
In this explanation of how to operate the system it is assumed that the installation has been completed and that it has been taken into service.
The system has two modes of operation:
- Cruising Mode (in open water) and
- Docking Mode (within a port or confined spaces)
In Cruising Mode the joystick is used only to control the propulsion engine.
In Docking Mode the joystick is used to control the propulsion engine, bow thruster and stern thruster.![]()
It is highly recommended first to make yourself familiar with the behaviour of your boat during operating of the joy-stick, on open water.
Switching on the system
Switch on the power supply.
The system can be immediately operated if only (1) panel is installed.
If 2 panels are installed the system can be operated on of the panels, on that panel the ‘SELECT’ button is illuminated.
To operate the system on the other panel, follow these steps.
Station selection in case of 2 helm stations
Press the ‘SELECT’ button to take over the control from a panel at another station.
Once this panel is in control, the other panel will be switched off.
Note
Taking over control to another panel can be carried out only with the gearbox in neutral and at idle speed of the engine.
Warning
Keep in mind that there are great risks of taking over control to another station at high boat speeds.
Cruising mode
After switching the power to the system the it will be in Cruising Mode. Both the ‘N’ (Neutral) and ‘SELECT’ are lit.
Warning
Make sure you have plenty of space around your boat when you test using the two ways to control the engine speed for the first time. A high engine speed it reached sooner as expected.
Cruising Mode is used when you are out on the open water. Only the propulsion engine can be controlled in this mode.
Engaging the gearbox in forward
To engage forward gear:
- Press the button on the joystick,
- Move the joystick forward,
- Release the button,
- Let the joystick return to neutral position

Engaging the gearbox in reverse
To engage reverse gear:
- Press the button on the joystick,
- Move the joystick backwards,
- Release the button,
- Let the joystick return to neutral position.

Throttle while in Forward
With the gearbox engaged in forward use the joystick to change the engine speed.
Push the joystick forwards and release it immediately to increase the engine speed in steps of approx. 100 RPM.
OR
Push the joystick forwards and keep it in that position, the engine speed will increase continuously until the joystick is released.
Warning
Make sure you have plenty of space around your boat when you use for the first time this way to control the engine speed. A high engine speed it reached sooner as expected.
Pull the joystick backwards to decrease the engine speed
Throttle while in Reverse
With the gearbox engaged in reverse use the joystick to change the engine speed.
Pull the joystick backwards and release it immediately to increase the engine speed in steps of approx. 100 RPM.
OR
Pull the joystick backwards and keep it in that position, the engine speed will increase continuously until the joystick is released.
Warning
Make sure you have plenty of space around your boat when you use for the first time this way to control the engine speed, especially in reverse. A high engine speed it reached sooner as expected.
Push the joystick forwards to decrease the engine speed.
Disengaging the gearbox
Press the button while the joystick is in centre position to disengage the gearbox.
If not already at idle speed, the engine will first go back to idle speed before putting the gearbox into neutral.
Operation throttle only, ‘Warming up’
The special function ‘Warming Up’ allows you to set a number of revolutions without engaging the gearbox.
This function is to allow the engine to warm up.
Using the joystick to change the engine speed while the gearbox is not engaged, i.e. in ‘NEUTRAL’.
Push the joystick forwards and release it immediately to increase the engine speed in steps of approx. 100 RPM.
The maximum engine speed which can be set is approx. half throttle.
Normal operation is resumed by pressing the push button on the joystick once.
Docking Mode
Docking Mode is the mode that is used when you are is in a port or in other confined spaces where you want to have good manoeuvrability.
In Docking Mode the joystick is used to control the propulsion engine, bow thruster and stern thruster.
Preparing for Docking Mode
To switch from Cruising Mode to Docking Mode the gearbox must be in ‘Neutral’ and engine speed must be idle.
Selecting Docking Mode
Press the ‘DOCK’ button on the panel for approx. 2 seconds.
The ‘DOCK’ LED starts flashing for a short period of time.
When the ‘DOCK’ LED is flashing the system changes from ‘Cruising’ to ‘Docking’ Mode. During this short period of time only the propulsion engine can be controlled.
When the ‘DOCK’ LED stops flashing and remains on the system is in Docking Mode. Both propulsion engine, bow and stern thruster can be controlled by the joystick.
Returning to Cruising Mode
Keep the joystick in neutral position to make sure that the engine is at idle speed and the gearbox is in neutral position.
Press the ‘DOCK’ button on the panel for approx. 2 seconds.
The ‘DOCK’ LED starts flashing for a short period of time.
When the ‘DOCK’ LED is flashing the system changes from ‘Docking’ to ‘Cruising’ Mode.
When the ‘DOCK’ LED is off the system is returned in Cruising Mode.
Propulsion Engine Only, in Docking Mode
The way the joystick is used to control the engine is different in Docking mode from the way it is used in Cruising mode.
- Move the joystick from centre position forwards (or backwards) to engage the gearbox.

- Continue to move the joystick away from the centre position to increase the throttle of the engine.

Release the joystick, in centre position, the engine will go to idle speed and gearbox will go to neutral.
Note
Keep in mind that in ‘Docking Mode’ with the joystick near the extreme position forward (or reverse) only a engine speed is reached of approx. halfway idle and maximum.
But with the joystick in the extreme position forward (or reverse) the engine will go to full throttle immediately. This is to stop the boat quickly during docking.
Bow and /or Stern Thrusters Only
- First press the button on top of the joystick and keep it pressed.
- Then use the joystick as pictured to control the thruster or thrusters to have the boat sidewards moved only.


Rotate the joystick to control the bow and stern thruster in opposite
directions to rotate the boat.
Pressing the button on top of the joystick is not necessary
Both Propulsion Engine and Bow and/or Stern Thrusters
- First move the joystick from centre position forwards (or backwards) to engage the gearbox. Then continue to move the joystick away from the centre position to increase the throttle of the engine.
- Now press the button on top of the joystick, and keep it pressed, to lock the shift and engine speed.
- Then use the joystick as pictured to control the thruster, or thrusters, to have the boat sidewards moved while at the same time a forward, or backwards, motion is maintained.

Note
As long as the button on top of the joystick is pressed the propulsion engine will remain at the same speed and the gearbox in forward (or reverse).
This prevents the risk of switching in and out of gear while moving the joystick around.
| Component Description | Thrusters | |||||
| 2 x Tube thruster | 2 x Retractable thruster | 1 Tube thruster &1 Retractable thruster | ||||
| Helm positions | Helm positions | Helm positions | ||||
| 1 | 2 | 1 | 2 | 1 | 2 | |
| Control Panel | 1 | 2 | 1 | 2 | 1 | 2 |
| I/O box | 1 | 2 | 1 | 2 | 1 | 2 |
| Control box bow thruster c/w thrusterconnection cable | 2 | 2 | – | – | 1 | 1 |
| Actuator | 1 | 1 | 1 | 1 | 1 | 1 |
| Hub | 3 | 4 | 3 | 4 | 3 | 4 |
| CAN-Connection cable | 5 1) | 7 1) | 5 1) | 7 1) | 5 1) | 7 1) |
| CAN-Adaptor cable | x 2) | x 2) | x 2) | x 2) | x 2) | x 2) |
| All systems: | ||||||
| CAN-bus supply | 1 | |||||
| CAN-Terminator | 1 | |||||
- This is the minimum number of CAN-Connection cables required, the correct number depends, a.o. , on the location of the hubs, see ‘13 Wiring diagrams’.
- The required number of CAN-Adaptor cables depends, a.o., on the location of the hubs, see ‘13 wiring diagrams’.
Control panel and I/O box
Fit the control panel next to the steering position.
There must be at least 90 mm (3 1/2”) space behind the panel. The I/O box contains an warning buzzer and must be fitted therefore close to the steering position as well.
Setting DIP switches in control panel(s)
- If already installed, unscrew the 4 nuts securing the panel.
- Turn the panel upside down.
- Remove the rubber plug.
- Look through the hole to see a row of DIP switches.
- The DIP switches must be configured as shown in the drawings.

Panel 1 or panel 2 of two panels
DIP switch settings:
Control of the propulsion engine by the joy-stick
DIP switch settings:

- Re-install rubber plug at the rear side of the panel
Actuator unit
The actuator unit is required for mechanical control of throttle and gearbox.
Danger ![]()
The actuator unit is intended to operate inboard diesel engines. If you wish to use this unit for operating gas or petrol engines then the unit must be situated outside those areas with increased explosion risk. Take note here of the valid regulations for areas with increased explosion risk
Location of actuator unit
Select a place for the actuator in the engine room as close as possible to the propulsion engine but in an easily accessible position.
Avoid a location where the actuator unit may be exposed to excessive heat (engine exhaust) or vibrations (on the engine itself).
Note
Do not install the actuator unit to the selected location yet!
Push-pull cables
Connection to the throttle lever and the gearbox lever is to be done by means of VETUS push-pull cables type LF.
The cables should be kept as short as possible while the bending radius must never be less than the minimum radius of 165 mm (6 1/2”)
Installation of both gear and throttle push-pull cables has to be divided into two steps.
The first step, installation on the actuator side, can be done prior to electrical connections are made and the initial set-up procedure is carried out.
Second step, installation on the engine side, must be done after the electrical connections are made and the initial set-up procedure is carried out.

Installation of push-pull cables on the actuator side
- Remove the cover of the actuator unit prior to installation.
- Turn the actuator unit upside down.
Carry out the following procedure to connect, both for gear and throttle, one end of the push-pull cables to the actuator unit. - Install both the ram end parts (1 and 2), see drawing.
- Screw-on the catch plate (3) to each cable end (4) and install the lock nut (5) to secure it.
- Place push-pull cables to underside of base plate.
- Slide the catch plate into position at the ram end and secure it with the screw (6).
- Secure the outer cables with the clamps (7).
- Now turn over the actuator unit and install it at the selected location, a bulkhead or bracket. Use 4 screws M5 or 4.8 mm (#10).

Fitting the pull-push cables to the engine
![]()
Do not fit the pull-push cables to the engine before the electrical connections have been made and the setting procedure has been carried out.
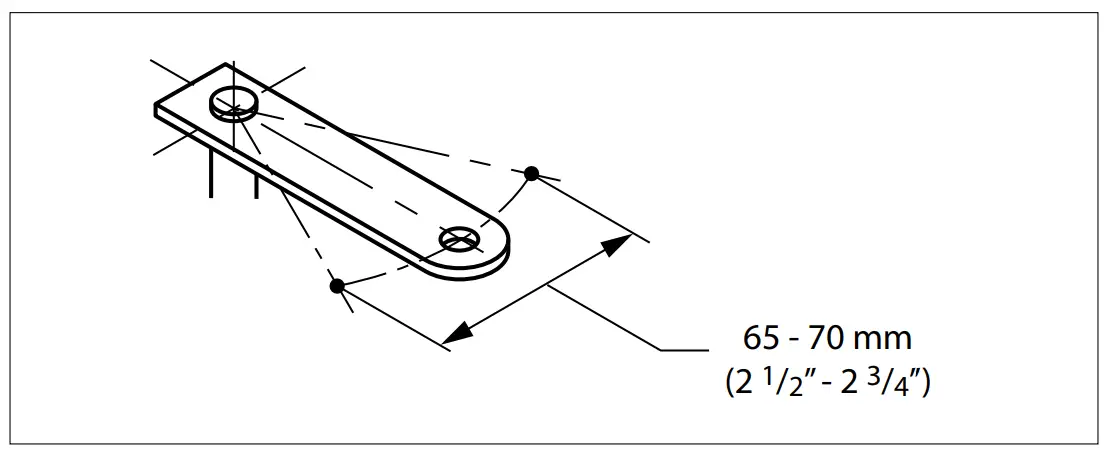
Check if both the strokes of cable ends, once connected to the levers, are 65 to 70 mm (2 1/2” to 2 3/4”).
E.g. for the throttle, from idle to full throttle and for the gearbox, from forward to reverse.
Extend the lever(s) in case the lever is too short to meet the required stroke.
If the lever is too short there is a risk that the power required to operate throttle or gearbox is more than the maximum that the servo motor can supply.
Note
Select the stroke of the lever not too big.
Don’t let the actuator travel up to the limit positions.
Installation of cable nipples:
To connect the cable end to the levers use cable nipples or ball joints
- Screw the cable nipple (1) onto the end of the cable so that 4 mm thread protrudes from the cable nipple.
- Secure the cable nipple with the nut (2).
- Place the cable nipple on the lever and secure the cable nipple with the cotter pin (3).

Or - Install a ball joint to connect cable end to lever

Thrusters
The bow and stern thruster can be either a tunnel or a retractable thruster.
Tunnel thruster
- First install the tunnel thruster as per installation manual.
To connect a tunnel thruster to the CAN-bus of the V-Docker system a control box is required. - Install this control box close to the tunnel thruster.
- Remove the original control wiring from the thruster and replace this with the wiring loom supplied with the control box. Consult the diagrams on page 90 how to connect.

Retractable thruster
- Install the retractable thruster as per installation manual.
The control circuit of a retractable thruster is completely prewired and ready to connect to the CAN-bus wiring.
Electrical connections
Note
Consult the diagrams.
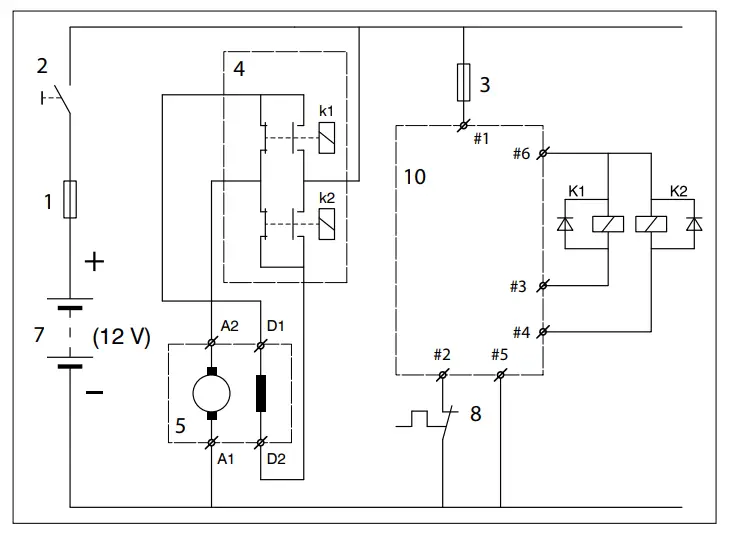
Power supply, actuator
Connect the actuator unit to the power supply (12 Volt) (POWER).
Install a main switch in the positive wire.
Red = +, Positive
Blue = -, Negative
Start in gear protection
Start in gear protection prevents the engine from being started when the gearbox is (still) engaged.
- Connect a relay to the S.LOCK connection and to the start circuit
of the engine as per diagram.
CAN bus connection
Pay attention to the block diagram below how to connect the parts of the system to each other.
Important
- Keep the cable lengths as short as possible,
- Install the system length-wise over the vessel,
- Don’t make any loops
Any of the 3 connections of the hubs are equal in function, therefore the sequence of the plugs on the hub is not important.
Note
Consult the diagrams on page 90 – 93 how to interconnect all the components of the system to the CAN bus hubs.
System with one control (1) control panel
System with two (2) control panels 
Setting procedure
After all parts have been electrically connected to each other the setting procedure must be carried out.
Warning
The setting procedure must be done before the push-pull cables are connected to the engine,
And while the boat is moored
- If already installed, unscrew the 4 screws securing the cover.
- Turn the cover of the actuator unit upside down.
- Remove the rubber plug.

- Look through the hole to see 2 push button switches and a row of DIP switches.
- Adjustment of the actuator can be carried out by using these switches.

Warning
Be careful, when using a screwdriver to operate the switches, to prevent short circuit or damage to the electronic circuitry.
- Switch on the power to both the CAN bus and the actuator.
- Set DIP switch S4 in position ON

| S4 in position ON | SETUP | |
| S4 in position OFF | RUN (Normal operation) |
Neutral Gear
DIP switch setting:
- Use the push button switches to align neutral gear position.

Forward Gear
DIP switch setting:
- Use the push button switches to align forward gear position.

Engine Idle Speed
DIP switch setting:
- Use the push button switches to align minimum throttle position.

Engine Maximum Speed
DIP switch setting:
- Use the push button switches to align maximum throttle position.

Warning
Do not allow cable end positions beyond mechanical limits of gearbox or throttle lever.
Setup procedure has now been completed.
- Set switches S4, S5 and S6 all to OFF position. 4 5 6

- Install cable ends to throttle and gearbox lever.

- Re-install rubber plug and install cover on actuator unit.

- Before commissioning, check the correct operation of the system
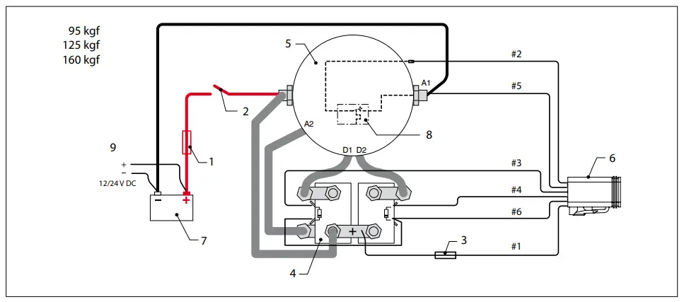
System with one (1) control panel and tunnel type bow and stern thruster
- Control box bow thruster (2 versions)
- Control box stern thruster (2 versions)
- Actuator unit throttle/gearbox
- Hub
- CAN-bus supply
- Fuse
- Switch
- Control panel
- I/O Box
- CAN-Connection cable
- CAN-Terminator
- CAN-Adaptor cable
- Key switch
- Starter
- Relay (Start-in-gear protection)
- Battery
Connection of second control panel

- Hub
- Control panel
- I/O Box
- CAN-Connection cable
- CAN-Terminator
- CAN-Adaptor cable
- Key switch
Connection of retractable bow or stern thruster

Connection wiring loom to thruster


- Main fuse
- Main switch
- Control current fuse
- Solenoid switch
- Electromotor
- Plug
- Battery
- Thermal Protection
- Alternator
- Connection box thruster
Wiring colour code:
- Red (+)
- Yellow
- Brown
- Green
- Blue (-)
- White











































