
BOWA0571 BOW PRO A Series Thrusters
Instruction Manual
Installation manual
BOW PRO ‘A’ Series Thrusters
BOWA0571
57 kgf – ø 150 mm – 12 V
Copyright © 2022 VETUS B.V. Schiedam Holland
BOWA0571 BOW PRO A Series Thrusters
Make sure that the user of the vessel is supplied with the owner’s manual.
Safety
Warning indications
The following warning indications are used in this manual in the context of safety:
DanGer
Indicates that great potential danger exists that can lead to serious injury or death.
WarninG
Indicates that a potential danger that can lead to injury exists. caution
Indicates that the usage procedures, actions etc. concerned can result in serious damage to property.
CAUTION
indications also advise that a potential danger exists that can lead to serious injury or death.
note
Emphasises important procedures, circumstances etc.
Symbols
Indicates that the relevant procedure must be carried out.
Indicates that a particular action is forbidden.
Share these safety instructions with all users.
General rules and laws concerning safety and accident prevention must always be observed.
Introduction
This manual give guidelines for installing a VETUS bow and/or stern thruster from the BOW PRO series, model ‘BOWA0571.’
The bow or stern thruster system consists of the following basic components:
– Side thruster
– Tunnel
– Energy storage
– Energy supply
– Operation
note
If necessary, consult the installation manuals for all components before putting the complete system into operation.
For maintenance and warranty, please refer to the ‘Maintenance and Warranty Manual’.
The quality of installation will determine how reliably the bow and/or stern thruster performs. Almost all faults can be traced back to errors or inaccuracies during installation. It is therefore imperative that the steps given in the installation instructions are followed in full during the installation process and checked afterward.
Alterations made to the bow thruster by the user will void any liability on the part of the manufacturer for any damages that may result.
The actual thrust generated by the bow and/or stern thruster will vary from vessel to vessel depending on the windage, the hull displacement, and the shape of the underwater section.
The nominal thrust quoted can only be achieved under normal conditions:
- During use ensure the correct battery voltage is available.
- The installation is carried out in compliance with the recommendations given in this installation instruction, in particular with regard to:
– Sufficiently large diameter of the battery cables so that voltage drop is reduced to a minimum.
– The manner in which the tunnel has been connected to the hull.
– Use of bars in the tunnel openings.
These bars should only be used where this is strictly necessary (if sailing regularly in severely polluted water.)
– The bars must have been fitted correctly.
note
The areas in which the electric motor(s) of the thruster(s) and batteries are positioned must be dry and well ventilated.
note
Check for possible leaks immediately the boat is relaunched.
note
The maximum continuous length of usage and the thrust as specified in the technical details are based on the recommended battery capacities and battery cables.
Installation recommendations
3.1 Positioning of the thruster tunnel
Several installation examples.
To achieve the optimum performance, position the thruster tunnel as far forward as possible.
If, in addition to controlling the movement of the bow, the stern of the vessel is required to move sideways, then a second thruster may be installed at the stern.
For a planing boat the tunnel should, if possible, be so situated so that when the vessel is planing it is above the water level thus causing no resistance.
Installation of two bow thrusters in tandem (for larger boats). In this case, depending on weather conditions, one or both bow thrusters may be used.
Tip:
We do not advise fitting 2 bow thrusters into one tunnel; this does not result in doubling the thrust!
When choosing the location for the thrust tunnel, take the following into account for optimum performance:
– The distance A shown in the drawing must be at least 0.5 x D (where D is the tunnel diameter).
– The length of the tunnel (distance B) should be between 2 x D and 4 x D.
3.2 Positioning of the bow thruster in the thrust-tunnel
When determining the exact position of the bow thruster in the thrust tunnel, the tailpiece MUST NOT protrude from the tunnel end.
The propeller should preferably be situated on the centreline of the vessel, but it must always be accessible from the outside. 
– The electric motor can be installed in various positions.
– If the motor is set up horizontally or at an angle, support is absolutely essential.
– The electric motor must be positioned in such a way that it is always well clear from the maximum bilge water level.
3.3 Connection of thrust tunnel to ship’s hull
Direct connection of the tunnel to the hull, without a fairing, produces reasonable results.
A The connection to the hull can be abrupt.
B It is better to make the connection rounded with radius ‘R’ of about 0.1 x D.
C It is even better to use sloping sides ‘C’ with dimensions 0.1 to 0.15 x D.
Connection of the thrust tunnel to the ship’s hull with a fairing results in lower hull-resistance during normal sailing.
A The connection with a fairing can be abrupt.
B It is better to make the connection with a fairing rounded with radius ‘R’ of about 0.1 x D.
C The best connection is with a fairing using sloping side ‘C’ with dimensions 0.1 to 0.15 x D.
tip:
The manner, in which the thrust tunnel is connected to the hull, has a great influence on the actual performance of the bow thruster and to the drag the hull experiences when underway.
– Length ‘L’ of the fairing should be between 1 x D and 3 x D.
– This fairing should be embodied in the ship’s hull in such a way that the centreline of the fairing will correspond with the anticipated shape of the bow-wave.
If the connection of the thrust tunnel and the boat’s hull is to be made with a sloped side, it should be executed in accordance with the drawing.
Make the sloped side (C) with a length of 0.1 to 0.15 x D and make sure that the angle between the tunnel and the sloped side will be identical to the angle between the sloped side and the ship’s hull.
3.4 Grid bars in the tunnel openings
Although the thrust force will be adversely affected, grid bars may be placed into the tunnel openings, for protection of the thruster.
In order to limit the negative effect of this on the thrust and on hull resistance during normal operation as much as possible, the follow- ing must be taken into account:
– Do not fit more bars per opening than is indicated in the drawing.
– The bars must have a rectangular cross-section.
– Do not fit round bars.
– The bars must overlap a certain amount.
– The bars must be installed so they are perpendicular to the expected waveform.
3.5 Installation of the thrust tunnel
- Drill 2 holes in the hull, where the centreline of the thrust tunnel will be, in accordance with the diameter of the marking tool.

- Pass the marking tool (home-made) through both pre-drilled holes and mark the outside diameter of the thrust-tunnel on the hull.

D [mm] (inches) Steel GRP Aluminium 159
(6 17/64”)161.6
(6 11/32”)160
(6 16/64”) - Dependent on the vessel’s construction material, cut out the holes by means of a jigsaw or an oxyacetylene cutter.

- Install the thrust-tunnel.
Polyester thrust tunnel:
Resin: The resin used for the polyester thrust tunnel is Isophtalic polyester resin (Norpol Pl 2857).
Pre-treatment: The outside of the tunnel must be roughened. Remove all of the top surface down to the glass-fibre. Use a grinding disc for this.
Important: After the tunnel been sawn to length, treat the end of the tube with resin. This will prevent water seeping in.
Laminating: Apply a coat of resin as the first coat. Lay on a glassfibre mat and impregnate with resin. Repeat this procedure until you have built up a sufficient number of layers.
A polyester thrust tunnel should be finished as follows:
- Roughen the hardened resin/glass-fibre. Apply a top coat of resin.
- Treat the side of the tunnel which comes into contact with water with ‘epoxy paint’ or 2-component polyurethane paint.

- Then apply anti-fouling treatment if required.
3.6 Drilling the holes in the thrust-tunnel
– Mark the installation position of the bow thruster by means of the intermediate flange.
– Use the drill pattern supplied, to determine the correct position of the holes to be drilled.
Important: The pattern of the holes must be positioned precisely on the centreline of the tunnel.
Consult the template for the dimensions of the holes to be drilled. Drill the holes through the thrust tunnel and take care that the holes are free of burrs.
3.7 Protection of the bow thruster against corrosion
To prevent corrosion problems, do not use copper based antifouling. Cathodic protection is a ‘must’ for the protection of all metal parts under water and the bow thruster is supplied with a zinc anode for this purpose.
Corrosion of a steel or aluminium thrust tunnel can be reduced by ensuring that the tail piece is completely insulated from the thrust-tunnel.
NOTE: The gaskets supplied are already electrically insulated. However the bolts and the shaft need to be fitted with insulation material, for example nylon bushes.
Installation
4.1 Introduction
note
The areas in which the electric motor(s) of the bow thruster(s) and the batteries are positioned must be dry and well ventilated.
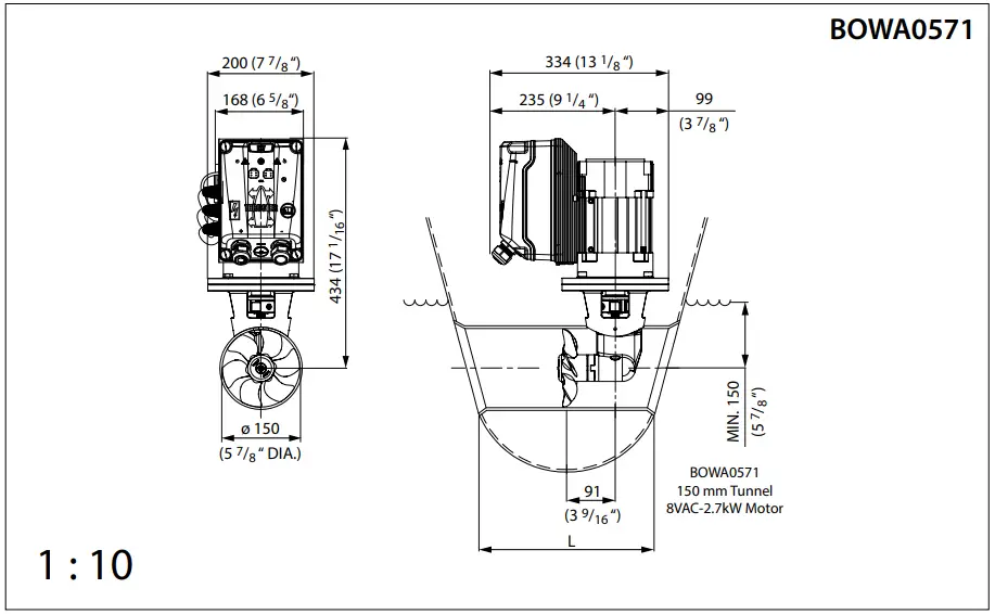
For overall dimensions see drawing, page 114
The bow thruster is supplied in parts as shown.
4.2 Installation tailpiece and intermediate flange
- Ensure that the plastic shim plate (1) has been positioned on the tail piece.
- Place one packing (2) between the tail piece and the tunnel.
- Apply a sealant (e.g. polyurethane*) or silicone) between the tail piece and packing, and between the packing and the tunnel wall.
- Place the tail piece in the hole in the tunnel.
Any extra packings used should be ones capable of justifying the tail piece.
*) e.g. Sikaflex®-292.
- Grease the hole of the intermediate flange and position this flange.
- Grease the threads of the bolts with ‘outboard gear grease’ *) before inserting and tightening them.
note
Check for any leaks immediately the vessel returns to the water.
*) A suitable grease is VETUS ‘Shipping Grease’, Art. code: VSG.
4.3 Final assembly
- Grease the propeller shaft with ‘outboard gear grease’ *) and install the propeller.
The propeller should run a minimum of 1.5 mm (1 /16”) free of the thrust tube wall, around the complete circumference. - Slide the flexible coupling onto the output spindle of the electric motor as far as necessary to allow the end of the output spindle (A) and the underside of the flange (B) to become aligned.

- Tighten the lock-screw (C) to the specified torque.
- Grease the input shaft with an installation compound, such as ‘Molykote® G-n plus’.
- Grease the threads of the fastenings bolts with ‘outboard gear grease’ and install the electric motor to the intermediate flange.

- For a first check, turn the propeller by hand – it should turn easily, while connected to the output spindle of the electric motor.
*) A suitable grease is VETUS ‘Shipping Grease’, Art. code: VSG.
Electrical installation
5.1 Choice of battery
The total battery capacity must be sufficient for the size of the bow thruster; see the table. See page 106 for the applicable battery capacity. The minimum battery capacity is specified in the table; with a larger battery capacity, the bow thruster will perform even better!
We recommend VETUS maintenance free marine batteries; these can be supplied in the following sizes: 55 Ah, 70 Ah, 90 Ah, 108 Ah, 120 Ah, 143 Ah, 165 Ah, 200 Ah and 225 Ah.
We also recommend that each bow thruster is powered by its own separate battery or batteries. This allows the battery bank to be placed as close as possible to the bow thruster; the main power cables can then be short thus preventing voltage losses caused by long cables. Always use batteries whose type and capacity are compatible for their use.
note![]()
Be sure to only use ‘sealed’ batteries if the batteries are located in the same compartment as the bow thruster.
VETUS ‘SMF’ and ‘AGM’ maintenance-free batteries are ideal for this application. Batteries that are not ‘sealed’ may produce small amounts of explosive gas during the charging cycle.
5.2 Main power cables (battery cables)
The minimum diameter and battery capacity must be sufficient for the bow thruster’s current draw in use. Consult the table on page 106 for the correct values.
note
The maximum operating time and the thrust, as specified by the technical details in your bow thruster installation and operating manual, are based on the recommended battery capacities and battery connection cables.
5.3 Main switch
see page 112
The main switch must be fitted to the ‘positive cable’.
The VETUS battery switch type BATSW250 is a suitable switch, which is also available in a 2-pole version, VETUS part number BATSW250T.
5.4 Fuses
Main power fuse 1, see page 112
A fuse must be included in the ‘positive cable’ for the main switch, as close to the battery as possible. This fuse protects the on-board power cabling from short circuits.
For all fuses we can suppy a fuse holder, VETUS part no.: ZEHC100.
See page 106 for the size of the fuse to be used.
5.5 Connecting the main power cables and configuring the bow and/or stern thruster
Make sure that no other electrical parts come loose when connecting the electric cables.
Check all electrical connections after 14 days. Electrical parts (such as bolts and nuts) may come loose as a result of fluctuations in temperature.
- Take off the cover.
- Feed the battery cables through the input glands in the cover.
- Apply cable terminals to the battery cables and connect the cables to the motor controller.
Make sure that the cable terminal on the negative cable cannot cause a short circuit to the lowest of the three motor connections on the controller!
note
The tightening torque of bolts in the motor regulator is a maximum of 10 Nm (7 ft-lbf).
The drawing shows how the cables must be laid in order for the cover to be replaced again.
note
Make sure that the voltage stated on the motor type plate is identical to the boat’s power supply voltage.
For connection diagrams, see also page 112.
note
To allow the bow thruster or stern thruster to be distinguished on the CAN bus, these must be configured appropriately.
Bow thruster
The configuration as supplied is for application as a bow thruster.
Stern thruster
Configure a stern thruster by putting the switch on the inside of the cover into the correct position.
• Reinstall the cover and tighten the glands.
Main power fuse 2
In the connection unit, there is a main power fuse on the controller.
This fuse protects the controller and motor against short circuit/overloading and it must remain present under all circumstances. 
note
When replacing the fuse, the replacement must be of the same rating.
5.6 Connecting CAN bus (control current) cables
See diagrams from page 107 if multiple panels have to be connected.
note
The CAN bus power supply must always be connected to 12 Volt (≥10 V, ≤16 V). Use the E-Drive MPE1KB key switch as power supply.
caution
As required by international standards, all neutral (negative) conductors of the DC system must be connected to one central point. This prevents not only dangerous situations and corrosion problems, but also error messages in the CAN bus system.
Troubleshooting
Please note that his is a general instruction. Specific actions may slightly differ from one type to another.
Check, and if necessary correct, the following items if the system is not working properly.
6.1 CAN bus system
- Is the power supply switched on?
- Is the CAN bus supply voltage correct? (=12VDC).
- Does the control panel switch on?
- Are both terminating resistors correctly positioned?
Note: The CAN bus power supply has an integrated terminating resistor. - Did all connectors “click” when inserted in the connection point?
- Are the correct CAN bus cables used and in good condition?
- Are the correct CAN bus connectors used and in good condition?
- Does the total length of the CAN bus network not exceed 40 meters?
- Is each “node” connected to the power supply? Check by measuring the voltage on the 2 opposite pins in the connector on the node (pin 1=12 VDC positive, pin 3=12 VDC neutral).
6.2 Thruster installation
- Is the battery supply switched on?
- Is the supply voltage of the thruster correct? (measure the voltage at the motor controller terminals).
- Is the thruster correctly configured? (bow or stern thruster).
- Do both the positive and neutral cables have the correct diameter and length?
- Are both the positive and neutral wires connected to the correct terminals of the thruster motor controller?
- Are both the positive and neutral wires correctly routed? Incorrect routing may cause the wire(s) to press against the circuit board, which can lead to malfunctions.
- Is the pressed cable lug of the neutral cable isolated from the nearby motor winding connections? (spacer ring installed?)
Note: Not applicable to bow thrusters with external cable connections. - Are the cable glands of the power supply cables firmly tightened?
- Is the white connector for the thermal sensor of the motor correctly connected to the circuit board under the top cover?
- Is the fuse (5 A) of the motor controller in place?
- Is the connector running from the top cover circuit board to the thruster motor controller fixed and are all connector pins correctly connected? (latch in place?)
Technical data
| Type | BOWA0571 |
| Electromotor | |
| Type | EC Motor (8VAC-2.7kW) |
| For DC systems | 12 V = |
| Current (In) | 295 A@ 12,0 V |
| 337 A@10,5V | |
| Power consumption | 3,5 kW |
| Rating | 52 -10 min.111 |
| Protection | IP44 |
| Insulation class | F |
| Motor controller | |
| MCV | MCV30024 + MCVB0571 |
| Transmission | |
| Gears | Bevel gear helical teeth |
| Gear ratio | 1:01 |
| Lubrication | oilbath, outboard gear oil SAE8OW or EP 90 |
| ca. 0.04 litre (1.4 fl.oz.) | |
| Propeller | |
| No. of blades | 6 |
| Profile | asymmetrical |
| Material | polyacetal (Delrin •) |
| Rated thrust | 570 N (57 kgf, 126 lbf) |
| Control circuit | |
| Fuse | Blade type fuse’ATO’ 5 A |
| Thrust-tunnel | |
| Steel model | |
| dimensions | O.D. outside 159 mm, wall thickness 4,5 mm |
| treatment | blasted, coated with: SilcaCor Steel Protect. Suitable for all kinds of protection systems. |
| Plastic model | |
| dimensions | O.D. outside 161.6 mm, wall thickness 5 mm |
| material | glass fibre reinforced polyester |
| Aluminium model | |
| dimensions | O.D. outside 160 mm, wall thickness 5 mm |
| material | aluminium, 6060 or 6062 (A1Mg1SiCu) |
| Weight | |
| Excl. thrust-tunnel | 31 kg (68 Ibs) |
Battery capacity, battery cables
| Bow thruster | Battery capacity required | Total length of plus- and minus cable | Cable cross-section | Main power fuse, see 5.4 | |||
| Minimum | ‘slow blow | VETUS art. code | |||||
| BOWA0571 57 kgf – 12V | 1 x 185 Ah -12V | 0 – 5 m | 0 – 16.4 ft | 50 mm2 | AWG 0 | 355 A | ZE355 |
| 5 – 7,1 m | 16.4 – 23.3 ft | 70 mm2 | AWG 00 | ||||
| 7,1 – 9,7 m | 23.3 – 31.8 ft | 95 mm2 | AWG 000 | ||||
| 9,7 – 12,2 m | 31.8 – 40 ft | 120 mm2 | AWG 0000 | ||||
| 12,2 – 14,2 m | 40 – 46.6 ft | 2 x 70 mm2 | 2 x AWG 00 | ||||
| 14,2 – 15,2 m | 46.6 – 49.9 ft | 150 mm2 | AWG 300 MCM | ||||
| 15,2 – 19,3 m | 49.9 – 63.3 ft | 2 x 95 mm2 | 2 x AWG 000 | ||||
| 19,3 – 24,4 m | 63.3 – 80.1 ft | 2 x 120 mm2 | 2 x AWG 0000 | ||||
| 24,4 – 30,5 m | 80.1 – 100.1 ft | 2 x 150 mm2 | 2 x AWG 300 MCM | ||||
Wiring diagrams

note
The CAN bus is a chain to which the bow thruster and the panels are connected.
At one end of the chain, the power supply (5) must be connected and the terminator (8) must be connected at the other end!
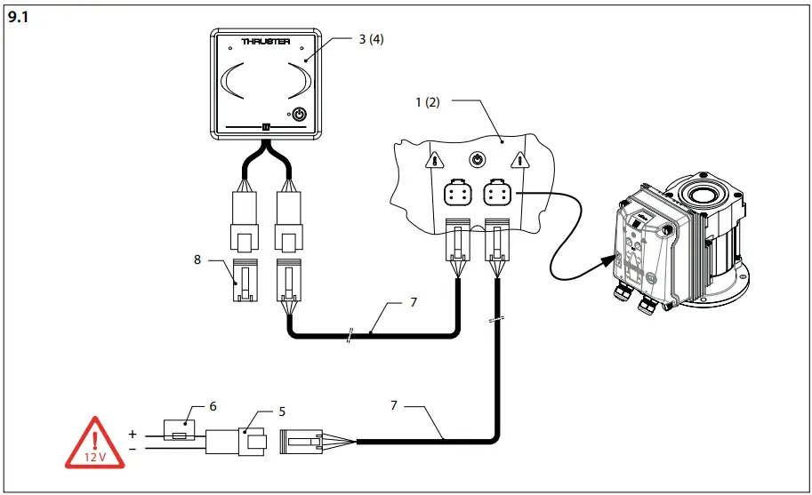
One (1) thruster (bow or stern),
One (1) helm station
- Connection box bow thruster
- Connection box stern thruster
- Control panel bow thruster
- Control panel stern thruster 5 CAN-bus supply
- Control voltage fuse
- Connection cable
- Terminator
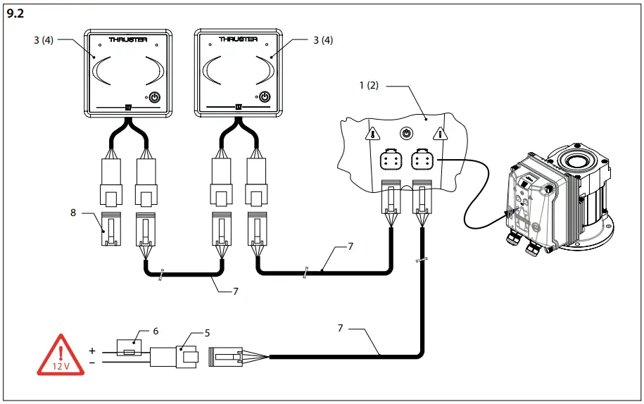
One (1) thruster (bow or stern),
Two (2) helm stations
Thrusters (bow AND stern), One (1) (8.3) or two (2) (8.4) helm stations. The diagram can be extended to up to four (4) helm stations.
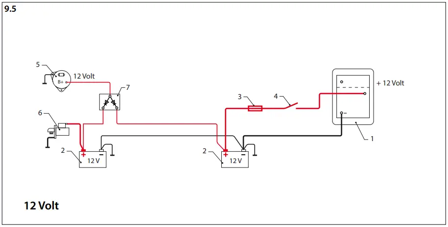
Connection of battery for a 12 volt bow or stern thruster
- Connection box thruster (or stern thruster)
- Battery
- Main fuse
- Main switch
- Alternator
- Starter motor
- Battery isolator

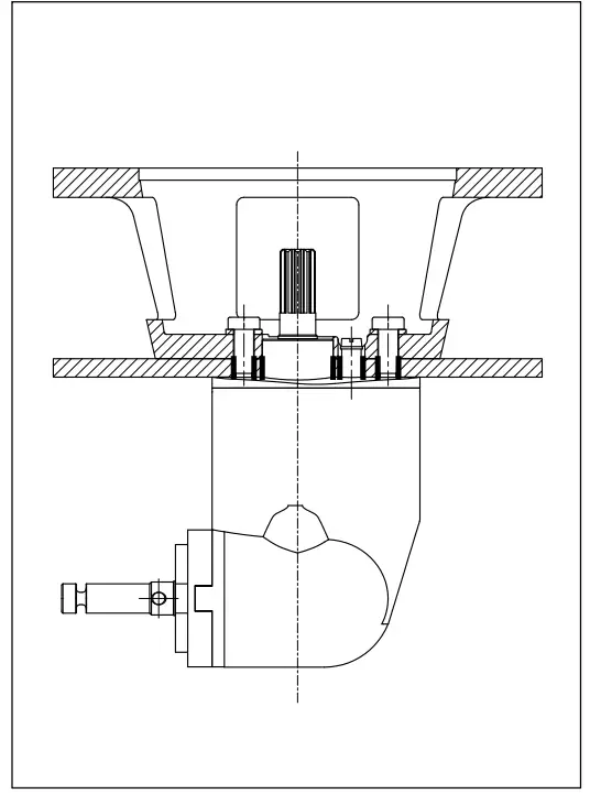
Principal dimensions
Installation manual BOW PRO Series Thrusters: BOWA0571
Fokkerstraat 571 – 3125 BD
Schiedam – The Netherlands
Tel.: +31 (0)88 4884700
– [email protected]
– www.vetus.com
Printed in the Netherlands
020804.03 2022-06





The propeller should run a minimum of 1.5 mm (1 /16”) free of the thrust tube wall, around the complete circumference.



















