SIDE-POWER SE 30-125 S Sidepower Bow Thruster


Technical specifications
- Motor: Custom made reversible DC-motor.
- Gearhouse: Seawateresistant bronze. Ball bearing at propeller shaft and combination of ball bearing and slide bearing at driveshaft. Pre-filled and sealed for life
- Motor bracket: Glass fibre reinforced composite material. Brass thread inserts.
- Tunnel: Cross spun with rowing G.R.P tunnel Steel and aluminium tunnels are available on request.
- Propeller: 5-blade skewback design “Q-prop” propeller, reinforced composite.
- Batteries: Minimum recommended battery capacity (cold crank capacity by DIN/SAE standard)
SE30/125S-12V : 200 CCA DIN/380 CCA SAE
SE40/125S-12V : 300 CCA DIN/570 CCA SAE
SE 60/185S-12V : 350 CCA DIN/665 CCA SAE
SE 60/185S-24V : 175 CCA DIN/380 CCA SAE
Max. use: S2 = 3 min. or approx. 7-10% within a limited time frame. - Safety: Electronic time-lapse device protects against sudden change of drive direction. Electric thermal cut-off switch in electromotor protects against over heating (auto reset when electro motor cools down). Shearpin between electro-motor and driveshaft protects electromotor and gear system if propeller gets jammed.
If original Sidepower panel is used, the panel shuts off automatically 6 minutes after last use. Integrated microprocessor monitors solenoids, reducing wear and risk of solenoid lock-in. Autostop of thruster in case of accidental solenoid lock-in or if run signal is continuous for more than 3 minutes
Planning and important precautions
Prior to installation, it is important that the installer reads this guide to ensure necessary acquaintance with this product.
- The thruster must NOT be installed in compartments that require ignition proof electric equipment. If necessary, make a separate compartment.
- The electromotor will generate some carbon dust so that any storage compartment must be separated from the thruster to prevent the stored items from becoming dusty/dirty.
- If you are installing the Sidepower in a small room /compartment, it should be ventilated to ensure cooling of the electromotor.
- If the height in the room you are installing the Sidepower is limited, the Sidepower can be installed horizontally or at any angle in between.
- If the electro motor is positioned more than 30o off vertical, it must be supported separately.
- The electromotor must be handled carefully. Do not lift it by the internal connections/main terminals or put it down on the driveshaft.
- Beware to keep installation within advised measurements. No part of the propeller or gearhouse must be outside the tunnel.
- The electromotor, its components, contacts / plugs or other joints in the control cables must be mounted so that they will keep dry at all times.
- We advice to paint the gearhouse and propellers with antifouling. PS! Do not paint the zinc anodes, sealings or propellershafts.
- Do not finish the inside of the tunnel with a layer of gelcoat / topcoat or similar. It is only room for a thin layer of primer and two layers of anti-fouling between the tunnel and the props.
- With the boat on land, only run the thruster for a fraction of a second, as without resistance it will accelerate very fast to a damaging rpm.
Also, while the thruster is in air, make sure that the propellers have come to a complete stop before performing a directions change of the thruster, as it might cause damage to the thruster. - This manual is intended to support educated/experienced staff and is therefore not sufficient in all details for the correct installation.
- Don’t install the electromotor at close range to easily flammable objects as it will reach over 100°C before the temperature switch is activated.
- Do not store items close to the thruster motor as it gets hot as well as any loose items near the thruster motor can cause problems with electrical wiring coming loose and short-circuiting.
- When installed in boats approved or classified according to international or special national rules, the installer is responsible for following the demands in accordance with these regulations / classification rules. The instructions in this guide can not be guaranteed to comply with all different regulations/classification rules.
- These instructions are only general instruction. If you are not skilled to do this work, please contact professional installers for assistance. NB! Faulty installation of the tunnel, thruster or panel will render all warranty given by Sleipner Motor AS void.

Positioning of the tunnel / thruster
The Thruster should be as far forward as possible (Fig. 1) Because of the leverage effect around the boats pivot point, it is very important for the thrusters actual effect in the boat to get it as far forward as possible. The relative distance change from the boats pivot point to the thruster will be the change of actual thrust for the boat.
Example:
- A: 55kg thrust x 11m leverage = 605kgm torque to rotate the boat
- B: 55kg thrust x 10m leverage = 550kgm torque to rotate the boat In position A you will get 10% more thrust to turn the boat around.
The thruster should be placed as deep as possible (Fig. 2) The tunnel should be placed as deep as possible for two reasons:- So that it does not suck down air from the surface which will destroy the thrust completely.
- To get as high as possible a water pressure to get maximum efficiency from the propeller. Generally the top of the tunnel should be a minimum of ½ x the tunnel diameter below the waterline. This is an absolute minimum and we recommend that it is at least ¾ x tunnel diameter below the waterline. A really good distance is about 1/1 x tunnel diameter below the waterline.
When you get the top of the tunnel 30-35 cm*/1 feet below the surface, other factors should be considered more important, i.e. moving the thruster further forward.
Optimal tunnel length
If the tunnel gets to long, the friction inside will reduce the water speed and thereby the thrust.
If the tunnel gets to short (normally only in the bottom section of the tunnel) you can get cavitation problems as the water will not have had time to “straighten” itself before reaching the propeller (Fig. 3&4).
This cavitation will reduce performance as well as creating a lot of noise.
The optimal tunnel length is 2 to 4 x tunnel diameter and you should avoid tunnels longer than 6 to 7 times

Tunnel ends
Rounded tunnel ends will maximize thrust and minimize noise.
We recommend rounding the tunnel connection to the hull-side as much as possible.
The optimum rounding has a radius of 10% of the tunnels diameter. Important advantages over sharp tunnel to hull connections are:
- The rounded tunnel end will prevent creation of turbulence and thereby reduces the effective tunnel diameter and thrust. The turbulence / cavitation hits the propeller and thereby reduce the propellers performance and creates noise.
- The curved tunnel end makes the thruster take water also from installations be as much as 30 – 40% of the total thrust.

Prevent drag from tunnel
A possible problem in sailboats or fast powerboats is that they get a drag from the back face of the tunnel, as this becomes a “tlat’ area facing the water flow (Fig. 1). This can also create problems with the thruster spinning (passive) and making noise while sailing or driving the boat with water being pushed through the tunnel at high speed. This can be solved in two different ways, depending on what is possible or easier to do.
- The best solution which normally reduces the drag most is to make a recess in the hull at the back of the tunnel. Thereby the back face is gone and about all the drag (Fig. 2). The depth and shape of this recess will depend on the boat. Basically you should not see the back face of the tunnel when standing directly in front of the tunnel at the angle of the boats centerline. The angle up or down backwards of the insert in the hull, depends on the hull shape, but normally it is angled slightly down because of the water flow on this area of the hull.
- The drag will also be reduced a lot, especially in fast power boats, by making a deflector I spoiler in front of the tunnel. This will push the water flow Out from the hull so that most of it passes by the back face of the tunnel (Fig. 3). The shape and size of this deflector will depend on the hull shape. Basically you should not see the back face of the tunnel when standing directly in front of the tunnel at the angle of the boats centerline. The easiest way of making this is to let a part of the tunnel stick out in the lower forward area of the hole, and use this as a support to mold a soft curve/spoiler shape. Remember to stil round the tunnel ends aS much as possible to get optimum thruster performance and minimum noise. For more information on how to practically do this see page 20.

Tunnel installation in sailboats
Many sailboats have a racing type hull which means that it is very flat bot- tomed and has a very shallow draft in the bow section. It is thereby very difficult not to say impossible to fit a tunnel thruster the usual way, at least as tar forward in the hull as a thruster should be (Fig. 1) However, it is possible to install a tunnel thruster in most sailboats, even when the hull does not directly support the fitting of a tunnel. This is done by fitting the tunnel halfway into and halfway under-neath the existing hull and then strengthen it and smoothening the water flow by moulding a bulb around / underneath the tunnel. This will allow installation in good position on the boat, maintaining the reliability and space advantages of a tunnel thruster. This installation is being used by some of the world’s largest sailboat builders, and has been proven to give little to no speed loss for normal cruising. This can also be a good installation method for flat bottomed barges to avoid extremely long tunnels and huge oval tunnel openings in the hull.

Tunnel installation
We recommend that a professional does the fibreglass fitting of the tunnel. These instructions are only general, and do not explain in any way the details of fibreglass work. Problems caused by faulty installation of the tunnel, are the installers full responsibility. Find the position in the boat considering the information given earlier in this manual and the applicable measurements for the thruster model you are installing. Mark the centre of the tunnel on both sides. Drill a 6mm hole horizontally in these marks (FIg. 1). Bend a ø 5mm steel bar as shown with the “tip” bent back at the tunnel radius and mark the circle for the tunnel opening (outside diameter of the tunnel). Cut the hole with a jigsaw (Fig. 2). Grind off the gelcoat and polyester so that you are down in the “real fibre- glass’ in an area of 12cm around the hole both inside and outside in the hull to cast the tunnel to the hull (Fig. 3). Insert the tunnel and mark its shape to fit the hull (Fig. 4). (if you are in- staling with a deflector/spoiler, leave a part or the tunnel of the front- and underside of the tunnel to have a base for this (see page 20, Fig. 2). Cut the tunnel ends to the desired shape and lightly sand its surface and clean with acetone or Similar where you are going to apply fibreglass. NB! Do not cast/glass on the area were the thruster will be placed. Then cast the tunnel to the inside of the hull, use at least 8 layers of 300 g glass and resin, preferably alternating mat and rowing types of fibreglass (see page 20, Fig. 1). If you are rounding the tunnel ends to the perfect 10% radius you mayin some cases have to make further layers inside to preserve the desired hull thickness. NB! Make sure that any gap between the tunnel and the hull are com- pletely filled with resin/fibreglass. In areas where you can not access to make normal layers of resin/fibreglass, a resin/ fibreglass mixture must be filled in that area.

GB Tunnel installation
Soften the edges with a radius of 10% of the tunnel diameter (Fig. 1a) or make a slope with a length of 10-15% of the tunnel diameter (Fig. 1c). If this is not possible, at least round the tunnel end as much as possible. We advice to also cast two layers on the outside of the tunnel/hull for an 6-8cm area (Fig. 1c & 1d). You must apply topcoat/epoxy on the areas outside where you have grounded or moulded to again make these waterproof. NB! All original Sidepower tunnels are fully waterproof when they are delivered. This means that unless you want, because of special reasons, to have ar other colour on it, you do not have to apply topcoat or the several layers of primer that is necessary on the boats’ hull to make it water-resistant. Sand it very lightly and apply one layer of primer to make the antifouling sit. The original Sidepower tube itself is fully water-resistant without treatmer except in the areas where you have bonded it to the hull. Apply topcoat/epoxy paint and primer on the areas where you have grounded or moulded as these areas give the water access to the hull which normally is not waterproof without these applications outside. PSI Avoid all casting where the motor-bracket is to be placed. as this will cause misfit and possible failure of the gearhous

GB Fitting gearhouse and motor bracket
- Mark the centreline of the tunnel and the boats centreline. The gearhouse and propeller must be fitted as shon above for the thrust direction to correspond with the control panel (Fig. 1).
- Use the gasket (A) to mark the centre of the holes and double check the measurements. NB! The thruster should be placed With the bolt hole as the centre (Fig. 2). All holes must be in- ine with the tunnels centreline for precise installation, as the clearance between the propeller and the tunnel is minima.
- There must be no, casting where the motor bracket is to be placed, as this will cause possible tailure or tne gearnouse. The motor bracket must fit steady on the tunnel, if the tunnel is not smooth, all bumps or uneven parts must be grinded smooth.
- Drill the main-hole and then the two screw-holes.
- Try the lower-unit in the tunnel (without the propeller) by using the gasket inside the tunnel. Iry on the propeller to make sure it Is in the middle of the tunnel and tuns freely With the same cleaing Irom eacn blade to the tunne. Use sealant e.g. SIkaflex to ensure that no leakages occur.
- Push the gearhouse through the main hole in the tunnel and push the gearhouse and motor-bracket gently togethe.
- Screw the lower unit and the motor-bracket together with the two provided bolts. ighten with 17 Nm / 12,4 1b/tt.
- Use the enclosed template to measure that the driveshaft has come through the motorbracket with the correct height (Fig. 5).

Fitting propeller
- SE30/125S & SE40/125S: push the propeller on to the shaft and turn until the internal spline in the propeller hub aligns with the external spline on the propeller shaft. SE60/185S: Push the propeller onto the shaft, carefully rotate the propeller until the drive pin (5) aligns and moves into the slot/grove in the propeller hub. There should be almost no gap (approximately 1mm) between the propeller hub and the gear house.
- Place the washer (4) on the propeller shaft and then tighten the lock-nut (3) on the propeller shaft.
- Place the zinkanode (2) in its designated position and tighten the zincanodes holding screw (1). Apply a thread glue (Locktite or similar) to ensure that the zincanodes holding screw does not un- rew itself from the propellers rotation. Parts description:
- Screw for zincanode
- Zincanode
- Propeller lock nut
- Washer
- Drive pin for propeller

Fitting the electromotor
- Check if the springs for the brushes sit correctly on the brushes (see through the metal web around the top of the electromotor).
- Turn the driveshaft in the gear house and the motor shaft so that the track for the shear pin has a corresponding direction with the shear pin in the motor shaft.
- Slide the motor gently onto the driveshaft and motor bracket. You might have to jiggle it a bit to get it on as the fitting is tight. The electromotor can sit in al aircons on ne dracker. Ensure that the cable terminals are available for electric installation later.
- Fasten the motor loosely to the bracket with the provided bolts.
- If you are installing the motor in an angle of more than 300 off a vertical position, the electromotor needs a separate/additional Support. See illustration in the measurements drawings.
- Tighten the bolts holding the motor to the motor bracket with 17Nm /12,4 Ib/ft as shown in FIg. 1.
- Check the drive system by turning the propeller, it will be a little hard to turn (because of the gear reduction and the motor), but you should easily be able to turn it by hand. In some cases (shallow installation or workboat/fishing boat only) we recommend to protect the propeller by mounting a grid in the tunnel opening (Fig. 2). It is important to keep a grid to a minimum and as streamlined for the thrusters water flow as possible, as it will decrease the effect of the thruster. Do not circular profile steel as it will decrease thrust significantly.
NB! Paint the gear house and propeller with antifouling made for propellers. Do not paint the propeller shaft, the zinc anodes or the end face of the gear house. NBI Do not run the thruster for more than very short bursts without being in the water.
NB! If the boat is still being built when the electromotor is installed, it must be covered up to avoid dust from the building going into the motor and the solenoids. This cover must be removed before the thruster is being used.

Electrical installation
- Explanation of electrical table All cable lengths are the total of+ and – (to and from). Battery Size is stated as minimum cold crank capacity, not Ah. Use slow fuse rated to hold stated Amp-Draw for min. 5 minutes. Cable size and main battery size when an extra bow battery with minimum the CCA mentioned as A is installed.
- It is important that you use a good cable size and batteries with a high cranking capacity to feed the thruster, because it is the actual voltage at the motor while running the thruster that decides the output rpm of the motor and thereby the actual thrust. Please see the list below for advised min. sizes of cables and batteries. You can of course use larger cables for even better results.
- A main switch (“C) that can take the load without noticeable voltage drop must be installed in the main positive lead so the power for the thruster can be turned off independent of the rest when not on board or in emergencies. This should be placed in an easy accessible place and the boats instructions should inform that this should be turned off ike the boats other main switches.
- We also advice to install a fuse (D) in the positive lead for protection against short circuiting of the main cables. This fuse should be of a adequate quality which normally means that it is physically large as these have less voltage drop than the simple / small ones. It should be of the slow type and sized to take the amperage draw for at least 5 minutes.
- A circuit breaker can be used instead of the fuse and main power switch as long as the functionality is the same. The cable ends must be fitted with terminals and these must be well isolated against contact with anything but the proper connection point.
- Terminals must be properly tightened. Secure/hold inner nut when tightening (Fig. 2). Tighten with max: 15 Nm/11lb/ft. The negativel minus cable (“A) connects to the A1 ) terminal. The poSitive/plus cable (B) connects to the “* terminal. SE30/125S-SE40/125S: ø8mm/ 5/16″ bolt. Tighten with 15 Nm/ 11 lb/ft. SE 60/185S: ø10mm /3/8” bolt. Tighten with 15 Nm/11lb/ft.
NB! Very important to check the following with main switch in off position: After all electrical connections have been completed check with an ohm meter that there is no electrical connection between electro- motor body and positive terminal on the motor and between the electromotor body and the negative (A1) terminal on the motor. If you feel unsure on how to perform this check, contact skilled personnel for guidance.

Control panel and control-leadds
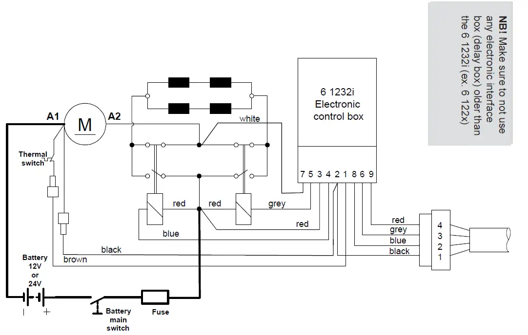
Control panel installation: All standard Sidepower control panels of 1999 models and later can be used in any combination as well as any two way switching device when installed with an ON/OFF switch that breaks control power to this switch. You can install as many panels as you wish by using optional Y-connectors. If two or more panels are operated at the same time in opposite directions, the electronic control bOx will stop the thruster until it only receives a signal to go in one direction. When using original Sidepower equipment it is all “plug & go” If the drive direction of the thruster is the opposite of what expected, the blue and grey wire must be changed on the thruster solenoid. You must turn the electronic control box 1800 around in its clip to do this. All controls must have spring load for automatic return to neutral position. The mechanical installation of the panel is described in the manual following the panel. The thruster control should be placed in a position were it is easy to use, and it is very common to use the thruster at the same time as your gear/throttle lever so it is normally a user friendly solution to be able to access these with one hand for each control. Pin configuration of 4 pole AMP contact Pin1: BLACK Ground Pin2: BLUE Engages thruster SB solenoid Pin3: GREY Engages thruster Port solenoid Pin4: RED Positive voltage for control panel
“Visual” wiring diagram

Technical wiring diagram

Checklist
- Propeller is fastened correctly to the shaft. Propeller turns freely in tunnel.
- The zinc-anode holding screw is tightened well with thread glue. Anti-fouling have been applied to the gearhouse and propeller but NOT on the zincanode or the gear house lid where the propeller is fastened. The brush springs are fitted correctly on the brushes in the electromotor (check through the grid around the top end of the motor).
- Correct drive direction as per control panel.
- All electrical connections are clean, dry and tight, and the correct cable, fuse and main switch sizes have been used.
- With a ohm meter check that there is no electrical connection between electromotor body and positive terminal on the motor and between the electromotor body and the negative (A1) terminal on the motor. The bolts holding the gear house and motor bracket together are tightened correctly. The bolts holding the electromotor to its bracket are tightened correctly. The thruster has been installed as per the instructions in this manual and all points in checklist above have been controlled.
Important user precautions
- Ensure that you know the location of the main battery switch that disconnects the thruster from all power sources (batteries) so that the thruster can be termed of in case of a malfunction.
- Always turn the main power switch off before touching any part of the thruster, as an incidental start while touching moving parts can cause serous injuries.
- Always tum the control device off when the thruster is not in use. approximately 3 minutes. The electromotor has a built in thermal Cut-off switch that will shut off the electromotor if it is overheating and re-engage it when it has cooled down some. This should be considered when planning your maneuvering nis also means that the nurser will emit notal running per time period so that you can not count on the thruster to hold you in a current and side wind for extensive time periods. Depending9 on the surrounding temperatures etc. the thruster will be able to Nev r close to somebody in the water, as the thruster will draw objects close by into the tunnel and contact with the rotating propellers Will cause serious injures.
- With the boat on land, only run the thruster for a fraction of a second, as without resistance t Wil accelerate very test to a damaging rpm. Als0, Wine the thruster IS in air, make sure propellers have come to a complete stop before performing a directions change of the thruster, as it might cause damage to the user stops giving thrust while the electromotor is running. chances are that there is a problem in the drive-system. You must then immediately stop trying to run it, and turn it off, as running the electromotor tor more than a tew seconds without resistance from tne propeller, can cause serious damage to tne electromotor. if the When leaving the boat always tum off the main power switch for he thruster.
- We advice to always keep the main engine(s) running while using a thruster. this will keep the batteries in a good charge condition. this will also give better performance to the thruster, as a higher voltage at ne the voltage available at the electromotor.
- This voltage will decrease by time because aging batteries have a reduction of capacity. By installing new batteries the effect of the thruster should be back at tune organdy level. Make sure that only one control is used at the same time, f wo panels are operated in opposite directions at the same time thee the truer Eye overdyed in he same direction If the thruster is not performing or functioning as usual, the cause for this must be found and corrected as soon as possible so to avoid causing any other or further damage to the equipment.
- You must also turn or the main battery switcn immediately in case the problem is of electric noggin. Never store anything (e.g. equipment, sails, ropes etc.) in the same compartment as the thruster. When the thruster runs for a longer period t will get hot and will cause damage.

How to use Side power thrusters
How to use a bow thruster
- Turn main power switch for the bow thruster on. (Always tum off the main power switch when not onboard.)
- Please take some time to exercise thruster usage in open water to avoid damages to your boat.
- Turn the control panel on by pushing both “ON” buttons on the original Side power panel simultaneously. If another type of control is installed, engage the On/Off switch for the bowthruster.
- Turn the bow in the desired direction by pushing the red button for port movement or the green button for starboard movement. If you have a joystick control, move it in the direction you wish the bow to move. Other controls like footswitches or toggle-switches on the throttle can be used. These are normally logically installed, so by engaging the port control, the bow goes port etc. In case of any doubts, try in open waters first.
- Depending on the sideways speed of the bow, you must disengage the control device shortly before the bow is in the desired direction, as the boat will continue to move after stopping the bowthruster. How to use a single stern thruster Some boats might however have installed a single stern thruster because of space limitation in the bow. In this case the stern thruster is used in the same way as a single bow thruster (see above) for moving the boat’s sterm. How to use a bow and stern thruster combined The combination of a bow and stern thruster offers total maneuverability to the boat and the opportunity to move the bow and the stern separately from each other. This enables you to move the boat sideways in both directions and to turn the boat around its own axis staying at the same place. Again, if in doubt, try in open water first!

Maintenance
- Retighten the bolts holding the gear house to the motor bracket during the first on-land service with the specified bolt tightening force (see page 13).
- Keep the propeller and gear house clean from growth by painting with antifouling before every season. PS! The zinc anode, sealing and propeller shafts must absolutely not be painted. Be careful that you don’t fill paint in the “tracks” in the gear house that the propeller hub moves in.
- Change the zinc anode before every season, or when about half the anode is gone. Always use a sealant on the screw holding the zincanode to ensure that it does not fall off. Please observe that in some waterconditions it can be necessary to install an extra zincanode to ensure that it lasts for the whole period between regular service lifts of the boat. Consult your dealer for information on how to do this.
- As a part of the seasonal service of your boat, and before every season, always check that: The propeller is securely fastened The bolts holding the electric motor to the motor bracket are fastened correctly. The area where the thruster is installed is clean and dry. If there are signs of water you must try to find the source and eliminate it. All electrical connections are clean and fastened firmly. Make sure that your batteries are in a good condition so that the thruster gets a good voltage. Old or bad batteries will give a reduced performance from the thruster.
Troubleshooting
Before seeking assistance at the help desk of your Side power dealerl distributor please perform these tests and make notes of all measurements to ensure that they have as much information as possible to work on. NBI All check points and solutions must be carried out after consulting the relevant information elsewhere in this manual to under- stand how the system is intended to work. if you are unable to understand what to check, you must consult a professional. Check Solution The electromotor runs, but there is no thrust. f the flexible coupling between the motor and driveshaft is Check the flexible coupling/shear pin and the motor installation to ensure correct con not fitted correct inside the boat. section or the rexible coupling belore re-fitung tnhe electromotor. Are the propellers in the tunnel fastened correctly on the Re-fasten or replace the propeller and/or key/drive pin. prop-shaft (Key/drive pin present) With the motor removed, turn the dnveshaft rom inside the boat to feel f the gears are engaging and tuning the Instead of attempting to repear the internal gear and beaning system. in case of a tailored inside the gear house, we advice to get a replacement gear-house prop-shaft The thruster does not start at all or works only in one direction. e votdge or tne electromotor is correct tor your installation oy their labels wrong, contact your dealer or distributor to obtain parts with the correct voltage. Check the voltage at the thruster between main minus input The no load voltage should be: (A1 on motor) and main plus input point 12V system =12,7V /24V system = 25,4 V. If below 12,3V/ 24,6V your batteries are not in a good charge state or worn out and must be recharged or replaced before trying to run the thruster. Check the voltage at the thruster while you are trying to If less than 8,5V at the thruster the voltage is to low tor the thruster to operate correctly. In a 24V boat the thruster will operate down to apprOx. 12V, but the performance will be very bad. Find and correct the reason for this low voltage which will probably be one or more of these points: main battery cable sizes and connections, battery size and run it. Keep main engine(s) running to have continous charge to the batteries. Condon, TUse dnid iain power swilcn permeance. if the main solenoids on the thruster are not even trying to the thruster runs in both directions, try the same in the connector that goes into the engage (clicking) they are probably not getting a “run” sig- back of the control panel. If it also works in this position, check the contact and wires nal trom the control system. Iry to run the thruster without on the back of the panel and try to engage this again by pushing both ON buttons the panel by directly connecting the red and the blue or the simultaneously. tne panel does not tum on (see control lignt), measure tne voltage red and the grey wires in the control cable contact coming Derween the Red and the Biack in the contact going into the tnruster. T the voltage is from ne thruster. good, chances are tnat the panel is not working. lf it works by the thruster, and not by the panel there is a bad contact or a broken lead the control cables between these two test points. Measure that you have the correct voltage between the Red (+) and all the other col Ours in the contact. if you do not get a reading. the thruster does not run at al, or only in one direction in Between main minus (A1 on motor) and the blue and the grey Wire connected to the motor, solenoids and electronic motor inter-face box to be the main battery cables on the thruster. If not, check that the internal warning on the so- in accordance with the wiring diagram and ensure that all lentoid is ok and measure that there is contact through the magnetizing spools of each connections are clean and tight. Side of the solenoid (measure between the red and blue on one side, and red and grey on the other side with an Ohm meter.). If there is no contact between these, the solenoid is broken and needs replacing.
Warranty statement
- The equipment manufactured by Sleeper Motor AS (The “Warrantor) is warranted to be free from defects in workmanship and materials under normal use did service.
- This Warranty is in effect for of two years from the date of purchase by the user. Proof of purchase must be included, to establish that it is inside the warranty period.
- This Warranty is transferable and covers the product for the specified time period. 4. In case any part of the equipment proves to be defective, other than those parts excluded in paragraph 5 below, the owner should do the following: (a) Prepare a detailed written statement of the nature and circumstances of the defect, to the best of the Owner’s knowledge, including the date of purchase, the place of purchase, the name and address of the installer, and the Purchasers name, address and telephone number, (D) the Owner should return the defective part or unit along with the statement referenced in the preceding paragraph to the warrantor, Sleeper Motor AS or an authorized Service Centre, postage/shipping prepaid and at the expense of the Purchaser, (c) lf upon the Warrantor’s or Authorized Service Centre’s examination, the defect is determined to result from defective material or workmanship, the equipment will De repaired or replaced at ne warrantors option without charge, and reburned to the Purchaser at the varactors expense, (a) no rerun or the purchase price will be granted to the Purchaser, unless the warrantor is unable to remedy the direct after having a reasonable number o Opportunities to do sO. Pnor to rerun or the purchase price, Purchaser must submit statement in writing rom a professional Doing equipment supplier that the installation instructions or nave complied with and that the direct remains, (e) warranty service shall be performed only by the Warrantor, or an authorized Service Centre, and any attempt to remedy the defect by anyone else shall render this warranty void.
- There shall be no warranty for defects or damages caused by faulty installation or hook-up, abuse or misuse of the equipment including exposure to excessive heat, salt or fresh water spray, or water immersion except tor equipment specifically designed as waterproof.
- No other express warranty is hereby given and there are no warranties which extend beyond those described in section 4 above. I his warranty is expressly in leu of any other expressed or implied warranties, including any implied warranty of merchantability, fitness tor the ordinary purposes for which Such goods are used, or fitness for a particular purpose, and any other obligations on the part of the Warrantor or its employees and representatives 7. There shall be no responsibility or liability whatsoever on the part of the Warrantor or its employees and representatives for injury to any person or persons, or damage to property, loss of income or profit, or any other consequential or resulting damage or cost which may be claimed to have been incurred through the use or sale of the equipment, including any possible tailored or malfunction of the equipment, or part thereto.
- The Warrantor assumes no liability for incidental or consequential damages of any kind including damages arising from collision with other vessels or objects.
- This warranty gives you specific legal rights, and you may also have other rights which vary from country to country.



References
Site Currently Unavailable
This domain is hosted by Simply.com
Home Page
| Ascherl Bootszubehör
atlantis-marine.com is for sale | HugeDomains
C-Dynamics.co | Redirect
BR.COM
Gertsen & Olufsen - G&O Maritime Group
Nautical Accesories Store | IMNASA
Imtra | Boating, Transportation, Energy & Marine Products
KENT Marine Equipment | KENT Marine Equipment
Home Page
The domain name marineparts.ch is for sale
miltec.ee
Home - saim-group
S&D Yachts Ltd - Yachting Since 76' - A True One-Stop Shop
Sleipner - Ocean born. Tech bred.
Sleipner AB
Штандарт
Storm Force Marine Ltd – Storm Force Marine Ltd
Trimer
タートルマリン
Yachting.bg | New And Used | Second hand | Boats and Yachts for sale



















