
UT385
Laser Power
Meter
User Manual


Preface
Thank you for purchasing this brand-new product. In order to use this product safely and correctly, please read this manual thoroughly, especially the safety notes.
After reading this manual, it is recommended to keep the manual at an easily accessible place, preferably close to the device, for future reference.
Limited Warranty and Liability
Uni-Trend guarantees that the product is free from any defect in material and workmanship within one year from the purchase date. This warranty does not apply to damages caused by accident, negligence, misuse, modification, contamination or improper handling. The dealer shall not be entitled to give any other warranty on behalf of Uni-Trend. If you need warranty service within the warranty period, please contact your seller directly.
Uni-Trend will not be responsible for any special, indirect, incidental or subsequent damage or loss caused by using this device.
INTRODUCTION
UT385 laser power meter is a stable, safe, and reliable tool for applications such as laboratories, laser device manufacturers, and industrial enterprises.
FEATURES
- Precise laser sensor
- Split design with a retractable spring wire, which is easy to operate
- LCD screen for clear readings
- Data storage function
- Selectable and customizable wavelengths
- Threshold alarm function
- Low power consumption
ACCESSORIES
Open the package and check if any item below is missing or damaged.
Device ———————————- 1
9V battery —————————– 1
English manual ———————- 1
USB cable —————————– 1
SAFETY INSTRUCTION
- Never stare into the laser beam directly or expose eyes to the reflected laser light, otherwise, eyesight impairment or even blindness may occur. Especially the high-frequency laser, such as UV-light, is invisible by naked eyes and requires extra attention.
- No laser over 40mW is allowed to input, the sensor may be damaged by a high-power laser.
- To avoid inaccurate measurement, please keep the sensor illuminated surface clean and free from scratch and contamination.
- Check the device and accessories for any damage or abnormality before usage. Do not operate the product if you find it damaged obviously, no display, or you suspect it is faulty.
- Operating instructions must be followed during measurement.
- Do not open the meter shell or change the internal circuit to avoid damage to the meter.
- Users should change the battery in time when the icon blinks on the LCD. Remove the batteries during long-time storage to avoid battery leakage.
- Do not use or store the meter in an environment of high temperature, high humidity, flammable, explosive or intense electromagnetic.
- Clean the meter shell with a soft damp cloth and neutral detergent. Do not use abrasive or solvents, to protect the meter from corrosion.
STRUCTURE DESCRIPTION
| ① Device ② Buttons ③ LCD screen ④ USB interface ⑤ Sensor illuminated window (laser entrance) | ⑥ Sensor protection cover ⑦ Probe handle ⑧ Probe handle holder ⑨ Spring wire |

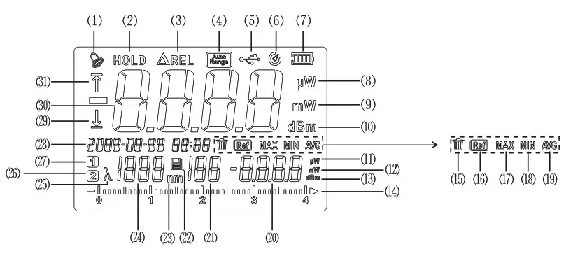
LCD FUNCTIONS

| 1 | Audio alarm | 17 | Maximum measurement |
| 2 | Data hold | 18 | Minimum measurement |
| 3 | Relative value | 19 | Average measurement |
| 4 | Auto range | 20 | Secondary display area for maximum, minimum, average value, and so on |
| 5 | USB connection | 21 | Data storage number |
| 6 | Auto power off | 22 | Data storage icon |
| 7 | Battery status | 23 | Wavelength unit nm |
| 8 | Unit pW (main display area) | 24 | Wavelength value |
| 9 | Unit mW (main display area) | 25 | Wavelength icon |
| 10 | Decibel unit dBm (main display area) | 26 | Customized wavelength number 1 |
| 11 | Unit pW (secondary display area) | 27 | Customized wavelength number 2 |
| 12 | Unit mW (secondary display area) | 28 | Date and time |
| 13 | Unit dBm (secondary display area) | 29 | Lower limit icon |
| 14 | Simulation bar | 30 | Main display area |
| 15 | Delete data | 31 | Upper limit icon |
| 16 | Obtain relative value |
Power on/off
In power-off status, long press the button 1s to power on
In power-on status, long-press it 1s to turn on/off auto power-off, short press to power off.- HOLD/
HOLD/Backlight
Short press it to enter/exit HOLD mode. Long press it to turn on/off the backlight. - MODE: MAX/MIN/AVG modes
Short press it to switch between Maximum/Minimum/Average modes, and long-press it to exit. - REL: Relative Value
Long press it to obtain relative value. Short press it to enter/exit the relative value mode.
Settings
Short press it to enter setting mode. Short press
or
to switch the setting item according to the codes below.
S.dt: set date and time
S.dlt: set lower limit threshold
S.ult: set upper limit threshold
rSt?: restore settings
dEL?: delete saved data
Short press
the button to exit the setting mode.
Short press
button to enter the according to item’s setting.
Up/Audio Alarm
In normal measurement mode, long-press the button to turn on/off the audio alarm, and short press it to switch between upper/lower/upper and lower limit test modes or exit.
In setting mode, short press it to switch setting item or increase setting value.
Note: only the upper limit will be detected when the icon displays and only the lower limit will be detected when the icon displays. Both the icons will be displayed when upper and lower limit test modes are turned on simultaneously.
Switch units and Auto Range
Short press the button to switch between μw/mW/dBm/auto range modes.
Note the icon
displays during auto range mode, otherwise, it is in manual range.
Review/Return
Short press the button to enter storage data review mode or return.
Save/Down
In normal measurement mode, long-press the button to save the current measured value, the icon will
blink if 199 groups of data storage have been fulfilled. Short press it to check the date and time. In setting mode, short press the button to switch setting item or decrease setting value.
Wavelength/confirm
In normal measurement mode, short press the button to switch laser wavelength, and long-press it to enter wavelength setting.
In the date and time setting, short press this button to switch the digit position.
In setting mode, short press this button to confirm selection or enter the item.
OPERATION INSTRUCTION
- Date and Time Setting
Short press
to enter the setting interface, switch to S.dt, and short press
to enter date and time setting interface as the figure below:
Short press
and
button to adjust setting value (long press to rapidly adjust). Short press
to move the cursor to the left, while a short press
to move the cursor to the right.
After the setting is done, the short press
button, the blinking of the icon
means the date and time setting is saved, then short press to
exit. - Upper/lower Limit Threshold Setting
Short press
to enter the setting interface, select S.dlt, and short press to enter lower limit threshold setting interface as the figure below:
In setting interface, select S.ult and short press to enter upper limit threshold setting interface as the figure below:
Short press
and
button to adjust setting value (long press to rapidly adjust).
After the setting is done, short press the
button to confirm and save the setting, or short press the
button to exit and not to save. - Relative Value Mode
Long press REL button to set current measured value as relative value and displays it in the secondary display area, as shown in the figure:
The short press REL button can enter relative value mode. It will subtract the relative value from the actual measuring value, the difference will be displayed in the main display area as shown in the figure:
- Customized Wavelength Setting
Long press
to enter customized wavelength setting interface, 2 customized wavelengths can be saved as 1and 2, which can be switched by
and
button. Short press
to enter wavelength setting mode, the icon λ on LCD will blink as the figure below:
Short press or long-press
or
button to set customized wavelength.
Short press to save the current setting wavelength, the showing of icon
means the wavelength setting is saved, then short press
to exit. - Review or Delete Storage Value
Short press button to enter data review mode as shown in the figure.
For example, the current storage data is:
A.The storage serial number is 2.
B.The measured data is 0.1μW.
C.The wavelength is 650nm.
D.The measured time is 09:04 (24-hour) 2nd December 2019
Short press
and
to switch storage data. Short press
button to select specified data as the figure below:
Then short press
button again to delete specified data, short press
to cancel deleting. After setting, short press
button to exit.
OPERATION STEPS AND NOTICES
- Power on the meter.
- Aim the laser at the middle illuminated surface of the sensor and keep the laser angle with the illuminated surface to be 90°, at this point, the reading is the measured laser power.
- According to the laser type, in case the measured laser output will be influenced by the reflected light of the illuminated surface, please twist the angle a little bit to avoid the direct reflection on the laser port.
- In weak laser measurement (<1nW), in order to avoid the affection of the light interference such as ambient light, it should be operated in a dark room.
PARAMETERS AND SPECIFICATIONS
Main Parameters
| Function | Range | Resolution | Accuracy | Remarks |
| Laser power Measured range Accuracy | OpW-399.9pW | 0.1pW | OpW-10.0pW: ±(5%+0.3) 10.0pW-399.9pW: ±5% | The meter calibrates by the wavelength of 633nm |
| 0.400mW-3.999(TM | 0.001mW | ±5% | ||
| 4.00mW-39.99mW | 0.01mW | |||
| -40dBm-16dBm | Formula : dBm=10*Ig (mW) | |||
| Measured range | OpW-39.99mW | |||
| Laser wavelength range | 400nm-1100nm | |||
| Laser wavelength options | 520nm, 633nm, 650nm, 780nm | |||
General Specifications
- LCD display: 4-digit LCD display, maximum display value: 3999
- Over-range indication: OL will be displayed when the laser power exceeds the range of 39.99mW.
- MAX/MIN/AVG mode: maximum/minimum/average value and the icon of MAX/MIN/AVG will be displayed in MAX/MIN/AVG mode.
- Data hold function: the icon of HOLD will be displayed during data hold.
- Backlight: backlight can be turned on/off manually.
- Auto power off: the meter will automatically shut down if no action was detected out within 5 minutes and auto power off can be turned off.
- Sampling rate: 0.5s
- Data storage: maximum 199 sets of data can be saved.
- Impact resistance: 1m drop proof
- Battery requirement: 1*9V battery, new battery should be replaced in time if the low battery icon
shows on LCD. - Product size: 198*104*35mm
- Weight: 319g (includes battery)
Environmental Conditions
Indoor use
Maximum altitude: 2000m
Class of pollution: Class 2
Operating humidity and temperature: 0°C~40°C (≤85%RH)
Storage humidity and temperature: -10°C~50°C (≤75%RH)
Reference Standards
JJG 249-2004; GBT 1153-2012
ONLINE MEASUREMENT
- Download the PC software according to the General Documents Download Instruction in accessories.
- Connect the meter with PC by USB cable and make sure the battery is enough.
- Real-time measured data can be sent and the saved data in meter can be downloaded by USB Interface. The report can be generated by these data.
- Users can click the [Help] option in the software operating interface for Software User Manual.
BATTERY REPLACEMENT
- Remove the screw of the battery cover as shown in the figure:

- Load the 9V battery into the battery compartment correctly, close the cover and tighten the screw as the figure:

This manual is subject to change without prior notice.
UNI-TREND TECHNOLOGY (CHINA) CO., LTD.
No.6, Gong Ye Bei 1st Road,
Songshan Lake National High-Tech Industrial
Development Zone, Dongguan City, Guangdong Province, China
Made in China
P/N:110401109388X
HOLD/Backlight




For example, the current storage data is:




















