
CONDTROL Smart 40 Laser Distance Meter

Congratulations on your purchase of laser distance meter CONDTROL SMART 40.
Safety instructions can be found in the end of this user manual and should be carefully read before you use the product for the first time.
FUNCTIONS/APPLICATIONS
Laser distance meter SMART 40 is intended to measure distance, length, height and calculate area and volume of measured objects as well as to carry out indirect measurements (Pythagoras’ Theorem). The product is suitable for use at both indoor and outdoor building areas.
SET
- Laser distance meter – 1 pc.
- Carry pouch with a strap – 1 pc.
- User manual – 1 pc.
- Batteries LR3 (AAA) – 2 pcs.
SPECIFICATIONS
| Working range | 0,05…40 m* |
| Smallest unit displayed | 1 mm |
| Measuring accuracy | ±1,5 mm** |
| Laser type | class II, 635 nm, < 1 mW |
| Continuous distance measuring (Tracking) | + |
| Area/volume | + |
| Pythagoras | + |
| Automatic shutdown | 2,5 min |
| Sound | + |
| Battery life | Up to 6000 times |
| Storage temperature | -20…+60 °С |
| Working temperature | 0…+40 °С |
| Storage humidity | RH85% |
| Battery | 2 х 1.5V AAA LR3 (alkaline) |
| Dimensions | 105х47х27 mm |
| Weight | 83 g |
- Use a target plate to increase the measurement range during daylight or if the target has poor reflection properties.
- Accuracy can decrease in unfavorable conditions, such as intense sunshine or when measurements are made against glossy or transparent surfaces, moving objects, objects with rough surface.
In unfavourable conditions or when measured distance is over 100 m the maximum permissible accuracy is calculated in the following way:
- ± (Y + 0,25хDх10-3) mm, where
- D (mm) – measured distance
- Y (mm) – permissible accuracy according to technical data.
INSERT/REPLACE BATTERIES

Remove the battery cover. Insert the batteries, observing correct polarity. Put the battery cover back. Remove the batteries when the product is not used for a long time to avoid corrosion and battery depletion. Both batteries should be replaced at the same time.
Both batteries must be of the same brand with the same charge level. Replace batteries when symbol
is constantly flashing on the display. Prepare replaceable batteries when
symbol is illuminated on the display. You can produce around 100 measurements after this symbol appeared.
SWITCH ON/OFF
Switch on: short press![]()
The product will switch on and enter single distance measurement mode.
Switch off: press and hold
during 2 seconds.
In order to save battery power the product will switch off automatically within 2,5 minutes after the last operation.
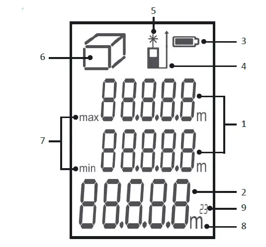
PRODUCT DESCRIPTION
| № Button | Short press | Long press |
| 1 | Switch on the product/switch on laser beam/measurement | Continuous measurement (tracking) |
| 2 | Calculation of area/volume/ indirect measurement (Pythagoras’ Theorem) | Choose reference point |
| 3 | Clear | Switch off the product |
Display

- Secondary display lines
- Main display line
- Battery charge level
- Reference point
- Laser beam indicator
- Indicator of area/volume/ Pythagoras calculation
- Indicator of min/max value
- Measuring unit
- Area and volume measuring unit
OPERATION
Reference point setting
It is possible to set the reference point – from the top or bottom end of the product.
The default reference point is the bottom end of the product. Press and hold
during 2 seconds to change the reference point.
Measurements
- Single distance measurement
Turn on the product. Short press button
to switch on the laser beam. Point the laser beam at the target and short press button
again for single distance measurement. To perform next single distance measurement pshort press button
.
To delete measuring results short press button
- Continuous distance measurement (Tracking)
Press and hold button
during 2 seconds. The product will take measurements one after another, showing the last measured value as well as maximal and minimal measured values.
To exit the mode press button
or
- Area
Press button
. Symbol
will appear on the display. Short press button
to measure the first side (length).
Short press button
again to measure the second side (width).
Area (length and width multiplication) will be calculated and appear on the display.
Short press button
to exit area measuring mode. - Volume
Short press button
twice. Symbol
will appear on the display. Short press button
to measure the first side (length). Short press button
again to measure the second side (width). Result of area calculation will appear in the main display line. Short press button
to measure the third side (height).
Volume (length, width and height multiplication) will be calculated and appear on the display.
Press
to exit volume measuring mode. - Indirect measurement (Pythagoras’ Theorem)
If it is impossible to make direct measurement (there is some obstruction) required length can be calculated with the help of 2 others.
Short press button
3 times. Symbol
will appear on display. Measure length of segments A and B. Segment B must be perpendicular to segment C and can’t be longer than segment A. Length of segment C is calculated according to Pythagoras’ Theorem.

MESSAGE CODES
While operation, the following codes/symbols may appear on the display:
| Message | Cause | Solution |
| Err1 | Received signal is too weak | Choose the surface with stronger reflectance. Use the reflecting plate. |
| Err2 | Received signal is too strong | Choose the surface with weaker reflectance. Use the reflecting plate. |
| Err3 | Low battery voltage | Change the power supply. |
| Err4 | The working temperature is out of working range | Use the device in the specified temperature. |
| Err5 | Record damaged | Contact the distributor. |
MEASURING CONDITIONS
Measuring range
The range is limited to 30 m.
At night or dusk and if the target is in shadow the measuring range without target plate may increase. Use a target plate to increase the measurement range during daylight or if the target has poor reflection properties
Target surfaces
Measuring errors can occur when measuring toward colorless liquids (e.g. water) or dust free glass, styrofoam or similar semi-transparent and high gloss surfaces. Measuring time may increase if measurements are taken against non-reflective and dark surfaces.
SAFETY REGULATIONS
The user manual should be read carefully before you use the product for the first time. Unintended use of the product can be dangerous for human’s health and cause serious injury. Keep this user manual. If the product is given to somebody for temporary use, be sure to enclose user manual to it.
- Do not misuse the product
- Do not remove warning signs and protect them from abrasion, because they contain information about safe operation of the product.

The device belongs to laser product class 2 in accordance with
EN 60825-1 with a 630-670 nm wavelength. - Do not look into the laser beam or its reflection, with unprotected eye or through an optical instrument. Do not point the laser beam at people or animals without the need. You can dazzle them.
- To protect your eyes close them or look aside.
- It is prohibited to disassemble or repair the product yourself. Intrust product repair to qualified personnel and use original spare parts only.
- Do not use the product in explosive environment, close to flammable materials.
- Avoid heating the batteries to avoid the risk of explosion and electrolyte leakage. In case of liquid contact with skin, wash it immediately with soap and water. In case of contact with eyes, flush with clean water during 10 minutes and consult the doctor.
CARE AND MAINTENANCE
Attention! The instrument is a precision device and requires careful handling. The following recommendations will extend the life of the product:
- Do not point the product at the sun
- Protect the product from bumps, falls, excessive vibration; do not let liquids, construction dust and foreign objects get inside the product.
- Do not expose the product to extreme temperatures.
- If liquids get inside the product first remove the batteries, then contact a service center.
- Do not store or use the product under high humidity conditions for a long time.
- Clean the product with soft wet cloth.
- Keep device optics clean and protect it from mechanical damage.
- Сarry out control measurements occasionally, especially
if the product is subject to excessive mechanical or other impact, before and after taking important measurements.
UTILIZATION
Expired tools, accessories and package should be passed for waste recycle. Please send the product to the following address for proper recycle:
CONDTROL GmbH Wasserburger Strasse 9 84427 Sankt Wolfgang Germany
Do not throw the product in municipal waste!
According to European directive 2002/96/ЕC expired measuring tools and their components must be collected separately and submitted to environmentally friendly recycle of wastes.
WARRANTY
All CONDTROL GmbH products go through post-production control and are governed by the following warranty terms. The buyer’s right to claim about defects and general provisions of the current legislation do not expire.
- CONDTROL GmbH agrees to eliminate all defects in the product, discovered during the warranty period, that represent the defect in material or workmanship in full volume and at its own expense.
- The warranty period is 12 months and starts from the date of purchase by the end consumer (see the original supporting document).
- The Warranty does not cover defects resulting from wear and tear or improper use, malfunction of the product caused by failure to observe the instructions of this user manual, untimely maintenance and service and insufficient care, the use of non-original accessories and spare parts. Modifications in design of the product relieves the seller from responsibility for warranty works. The warranty does not cover cosmetic damage, which doesn’t hinder normal operation of the product.
- CONDTROL GmbH reserves the right to decide on the replacement or repair of the device.
- Other claims not mentioned above, are not covered by the warranty.
- After holding warranty works by CONDTROl GmbH warranty period is not renewed or extended.
- CONDTROL GmbH is not liable for loss of profit or inconvenience associated with a defect of the device, the rental cost of alternative equipment for the period of repair.
This warranty applies to German law except provision of the United Nations Convention on contracts for the international sale of goods (CISG).
In warranty case please return the product to retail seller or send it with defect description to the following address:
CONDTROL GmbH Wasserburger Strasse 9 84427 Sankt Wolfgang Germany




















