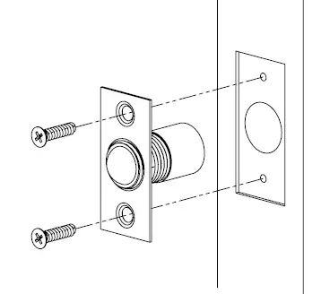
EMTEK Ball Catch with Strike and Screws

Installation Guide – Ball Catch
Door Prep

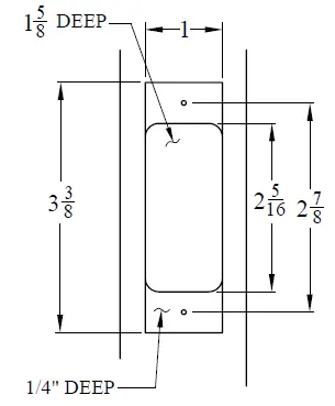
Door Jamb Prep

Install Strike Plate

Install Ball Catch

Installation Instructions – Roller Catch
Door Prep

Door Jamb Prep

Install Strike Plate

Install Roller Catch

IN4-BALLCATCH REV 2 11-22-21




















