ICONIC NORDIC ROOMS 800 011 08 Basin Mixer Instruction Manual
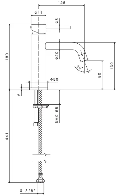
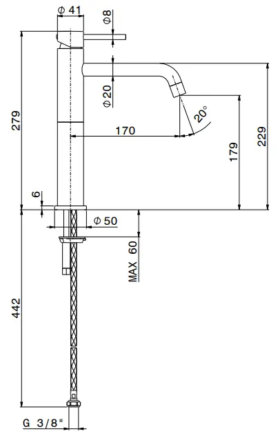
PRODUCT OVERVIEW


BEFORE INSTALLATION
- We recommend to carefully read this manual before using and installing the product.
- This manual is an integral part of the product; keep it in good condition and at hand throughout the product’s life.
- Installation and service should be made by an authorized plumber.
- The manufacturer is not liable if the product is used with purposes other than those provided for.
- Do not block the water flow.
The basin mixer is intended for a maximum operating pressure 10 bar, test pressure 16 bar and highest water temperature 60 ºC.
For information about type approval, see www.inr.se
INSTALLATION
Turn of the water supply. The main supply pipework must be rinsed before installation.

Screw on the flexible hose. Put the tap on the surface of the sink laying the O-Ring in between (1) and position below the fastening set.

Tighten the fastening nut and connect the flexible hoses to the water supply.
Red to hot water and blue to cold water.
Do not forget the gaskets (1). Connect to a thread with a flat end.
During the connection to the water network, keep the hoses steady to prevent them from unscrewing from the tap’s body
Check connections for leaks after installation.
MAINTENANCE

Cartridge replacement
Remove the plug (1), unscrew the fastening screw (2) and remove the handle (3). Unscrew the fastening ring nut (4) and remove the cartridge (5).
Aerator filter cleaning
Unscrew the aerator filter (6) and blow into it to remove any dirt residues. We recommend cleaning after the first use and thereafter regularly in order to avoid flow rate reductions.
Exterior cleaning
We recommend cleaning the taps exclusively with water and soap, avoid using abrasive detergents (in powder or liquid), abrasive sponges or other products containing alcohol, acids or other aggressive substances.
INR Sverige
Kosterögatan 15
211 24 Malmö
Sverige
Tel 0200-38 40 40
[email protected]
www.inr.se
INR Norge
Fjordgaten 13 A
3125 Tønsberg
Norge
Tel +47 33 33 02 00
[email protected]
www.inr.no
INR Danmark
Kosterögatan 15
211 24 Malmö
Sverige
Tel +45 33 60 31 10
[email protected]
www.inr.dk
INR Suomi
Itsehallintokuja 4
02 600 Espoo
Suomi
Tel 010 209 3300
[email protected]
www.inr.fi

















