
Installation Instructions
Watch this installation online; visit the product page at www.sterlingplumbing.com.


72261100-0 Accord 37.25-in W x 48-Inch L with Center Drain Single Threshold Rectangle Shower Base
Optional
- Mortar cement
- Shims
- Furring Strips
- Drop cloth
Record your model number below for future reference:
Observe all local building and plumbing codes.
Install on an adequately supported subfloor.
If the subfloor is not level and access to shim is difficult, install with a 1″ (25 mm) to 2″ (51 mm) bed of mortar cement.
| 1. Construct a plumb stud pocket according to the roughing-in information on the back page. | 2. Install the rough plumbing. | 3. Install the drain to the shower base. |
![]() | ![]() | ![]() |
| 4. Staple the felt pad, if provided, to the subfloor so it will contact all support feet. | 5. Without a pad, we recommend the basin area be set in 1″ (25 mm) to 2″ (51 mm) of mortar cement. | 6. Lift and position the shower base in the stud pocket. |
![]() | ![]() | ![]() |
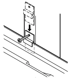
| 7. With the unit level, shim under the support feet as needed. | 8. Install plastic attachment clips at all stud locations. | 9. Connect the drain to the drain pipe. Position a protective liner in the basin. |
![]() | ![]() | ![]() |
| 10. To pre-fit the walls, remove the retaining clips. Reinstall the retaining clips before continuing. | 11. Install the back wall. Insert the back wall tabs into the slots. | 12. Measure, mark, and drill the faucet holes in the drain end wall. |
![]() | ![]() | ![]() |
| 13. Install the end walls. Engage the interlocks, pivot and snap the end walls into the retaining clips. | 14. The front edges should be flush, with no more than a 1/32″ (1 mm) gap. | 15. Starting at the bottom, install screws through the dimples to secure the flanges to the studs. |
![]() | ![]() | ![]() |
| 16. Secure the walls to the studs along the top. Use shims as needed. | 17. Cover the framing with water-resistant wallboard. Install the finished wall material. | 18. Install the faucet trim and accessories, and seal where they contact the wall panels. |
![]() | ![]() | ![]() |
| 19. After painting, apply 100% silicone sealant where the unit contacts the finished wall. | ||
![]() |
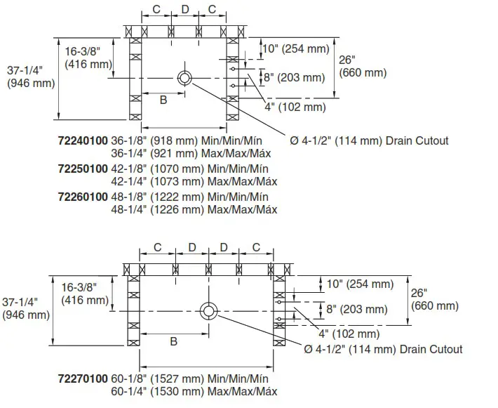
Roughing-In, 7224, 7225, 7226, 7227 Series
| Series | 72240100 | 72250100 | 72260100 | 72270100 |
| A | 36″ (914 mm) | 42″ (1067 mm) | 48″(1219 mm) | 60″ (1524 mm) |
| B | 18″ (457 mm) | 21″ (533 mm) | 24″ (610 mm) | 30″ (762 mm) |
| C | 10″ (254 mm) | 13″ (330 mm) | 16″ (406 mm) | 16″ (406 mm) |
| D | 16″ (406 mm) | 16″ (406 mm) | 16″ (406 mm) | 14″ (356 mm) |


Need help? Contact the Customer Care Center.
USA/Canada: 1-800-STERLING (1-800-783-7546),
Mexico: 001-877-680-1310
For service parts information, visit sterlingplumbing.com/parts.
For care and cleaning, visit sterlingplumbing.com/care-and-cleaning.
Patents: kohlercompany.com/patents
This product is covered under the STERLING® Vikrell® or Acrylic Baths and Shower Bases Ten-Year Limited
Warranty, found at sterlingplumbing.com/warranty. For a hardcopy of warranty terms, contact the Customer Care Center.
USA/Canada: 1-800-STERLING (1-800-783-7546)
Mexico: 001-877-680-1310
www.SterlingPlumbing.com
1485063-2-B
© 2021 Kohler Co.
References
Kohler Co. Portfolio | Innovation and Design | Patents | Kohler | Kohler
Care and Cleaning | Kitchen | Bathroom | Sterling Plumbing
Parts | Sterling Plumbing
Warranty Information|Sterling Plumbing
Sterling Plumbing | Bathroom and Kitchen products, Shower Doors, Baths, Showers, Toilets, Bathroom Sinks, Kitchen Sinks






































