STELPRO LA NIÑA Hand Dryer

Product Information: Hand Dryer
The Hand Dryer is a unit that complies with UL standards and comes with a replacement component list. The product is designed for easy installation and comes with technical drawings to aid in mounting. The unit has electronic controls that allow for customization of the operational modes and sensitivity detection.
Technical Drawings
The unit has dimensions of 8 1/4″ (210mm) in height, 6 1/4″ (160mm) in width, and 4 1/2″ (114mm) in depth. The recommended mounting height varies depending on the user’s demographic, ranging from 35″ (90cm) for small children to 45″ (115cm) for men. The product can be mounted on masonry, hollow, or wood walls using the recommended fasteners.
Installation
The Hand Dryer must be connected to a bypass circuit according to electrical and building codes in the area. It is recommended to turn off the power before connecting the unit and ensure that the power supply corresponds to that indicated on the nameplate. If the product is located in a wet location, it must be protected by a ground fault circuit breaker. Mechanical support is required when installing on gypsum walls. The installation process involves six steps that include determining the location of the hand dryer, leveling the backplate, and connecting the hand dryer to the power cable.
Controls
The Hand Dryer has four operational modes and three sensitivity detections that can be customized by a qualified technician. To adjust the operational modes, the technician must disconnect electricity to the unit at the breaker, remove the cover, and choose the desired configuration of dip switches SW1 and SW2 as shown on the instruction manual.
Product Usage Instructions
- Determine the location of the Hand Dryer and mount it on a wall using the recommended fasteners.
- Turn off the power before connecting the unit to ensure safety.
- Connect the power cable to the terminals of the Hand Dryer following the wiring diagram inside the cover of the dryer.
- If the Hand Dryer is located in a wet location, it must be protected by a ground fault circuit breaker.
- To adjust the operational modes and sensitivity detection, a qualified technician must follow the instructions provided in the instruction manual.
- Once installation and customization are complete, use the Hand Dryer as needed.
WARNING
- Before installing and operating this product, the user and/or installer must read, understand and follow these instructions and keep them handy for future reference. If these instructions are not followed, the warranty will be considered null and void and the manufacturer deems no further responsibility for this product.
- This product must be installed by a qualified person and connected by a certified electrician, according to the electrical and building codes effective in your region.
- The following instructions must be adhered to in order to avoid personal injuries or property damages, serious injuries and potentially fatal electric shocks.
Protect the heating unit with the appropriate circuit breaker or fuse, in accordance with the nameplate. - Make sure the line voltage (volt) is consistent with that indicated on the unit’s nameplate.
- This unit must be grounded.
- Switch off the power at the circuit breaker/fuse before installing, repairing and cleaning the unit.
- Make sure the unit is appropriate for the intended use (if needed, refer to the product catalog or a representative).
- Do not install the unit where objects or pieces of furniture could be damaged by heat.
- Respect distances and positions indicated in the installation section.
- If the installer or user modifies the unit, they will be held responsible for any damage resulting from this modification, and the UL certification will be void.
- This unit must not come into contact with a water source and must be protected from splashes (e.g. a wet mop). Do not use it if any part has been immersed.
- When cutting or drilling into a wall, be careful not to damage electrical wiring and other hidden utilities.
- Because this unit is hot when in use, it may pose risks even in normal operation. Therefore, be careful and responsible when using it.
- Never block air vents. This obstruction could lead to overheating, which could result in a fire.
- Do not insert or allow foreign objects to enter any air vent as this may cause electric shocks, a fire, or damage to the unit.
- This unit has hot and arcing or sparking parts inside. It is not designed to be used or stored in wet areas or areas containing flammable liquids, combustible materials or corrosive, abrasive, chemical, explosive and flammable substances such as, but not limited to, gasoline, paint, chlorine, sawdust and cleaning products.
- Some areas are dustier than others. Thus, it is the user’s responsibility to evaluate if the unit must be cleaned based on the amount of dirt accumulated on and inside air vents.
- Accumulated dirt can lead to a component malfunction or give a yellowish colour to unit. Failure to install and maintain unit in accordance with these instructions poses a fire hasard.
- Thermal protection activation indicates that the unit has been subjected to abnormal operating conditions. If the thermal protection remains activated or activates and deactivates repeatedly, it is recommended that a qualified electrician or a certified repair centre examine the unit in order to make sure it is not damaged. (Refer to the limited warranty)
- If the unit is damaged or defective, cut off power supply at circuit breaker and call a certified repair centre. (Refer to the limited warranty)
Note: When a part of the product specification must be changed to improve operability or other functions, priority is given to the product specification itself. In such instances, the instruction manual may not entirely match all the functions of the actual product. Therefore, the actual product and packaging, as well as the name and illustration, may differ from the manual.
TECHNICAL DRAWINGS

INSTALLATION
Suggested mounting height from bottom of dryer
| MEN | 45” (115 cm) |
| WOMEN | 43” (110 cm) |
| TEENAGERS | 41” (105 cm) |
| SMALL CHILDREN | 35” (90 cm) |
| HANDICAPPED | 37” (95 cm) |
| MINIMUM HEIGHT | 15” (40 cm) |
RECOMMENDED FASTENERS
Masonry walls: 1/2” expansion sleeve with 1/4” lag bolt Hollow walls: 1/4” wing type bolts
Wood walls: 1/4” lag screw with washer
ELECTRICAL CONNECTION
- Turn off the power before connecting the unit.
- Check if the power supply corresponds to that indicated on the nameplate. Connect the dryer to a bypass circuit according to electrical and building codes in your area.
- Connect the power cable to the terminals of the hand dryer, as shown in the wiring diagram inside the cover of the dryer.
- If the hand dryer is located in a room with a shower or in other wet locations, it must be protected by a ground fault circuit breaker.
Note: When installing on a gypsum wall, ensure that at least two anchor bolts are set in a beam of wood or steel. Where possible, it is recommended to install a wooden beam behind the gypsum (see FIG. 3). If you have no choice but to fix the 2 other screws in a hollow wall, use 1/4” wing type bolts.
WALL INSTALLATION IN 6 STEPS
- Determine the location of the hand dryer and screw the central anchor screw without tightening completely. (FIG. 1)

- Level the back plate and tighten the screw completely. (FIG. 1)
- Insert the other anchor screws in the appropriate holes. If needed, you can use the extra holes to firmly hold the back plate. (FIG. 3)
- Connect the hand dryer to the power cable. (FIG. 4)

- Install the cover on the wall and slide it to the top. (FIG. 5)
- Once the cover is hooked to the anchors of the back plate, secure the cover by SCREWING the tamper-proof screws (clock-wise). (FIG.6)

CONTROLS
Your LA NINA hand dryer is equipped with electronic controls to customize the unit to meet your needs.
FOUR OPERATIONAL MODES – DESCRIPTION AND SYMBOLS
ULTIMATE – High air speed and full heating power for quick drying
COMFORT – Reduced air speed and moderate heating power for a comfortable noise level and heat range
ECONOMICAL – High air speed without heat for quick drying with energy and cost savings
HARMONY – Reduced air speed without heat for energy savings and a moderate noise level
THREE SENSITIVITY DETECTIONS – DESCRIPTION AND SYMBOL
Maximal detection – standard (4’’)
Medium detection – decreased
Minimal detection – minimum
FOR OPERATIONAL ADJUSTMENTS BY A QUALIFIED TECHNICIAN, FOLLOW THESE STEPS
- Disconnect electricity to unit at breaker.
- Remove cover by executing steps from Fig. 6 and 5 in reverse, from previous page.
- Determine the operation mode and desired sensitivity by choosing the desired configuration of dip switches SW1 and SW2 as shown on the diagram here.
- Replace cover and restore electricity.
NB : Never leave a powered unit (without its cover) unattended.

OPERATION in maximal detection mode (standard)
The hand dryer will start automatically when hands are placed 4 inches (10cm) below the opening of the air output. The unit will shut off once hands are removed.
MAXIMUM DURATION OF OPERATION
As long as the sensor detects the presence of hands, the unit will function continuously for 60 seconds. After this delay, the user must withdraw his hands and put them back under in order for the unit to start up again.
The hand dryer will stop 1 second after no hand movement is detected.
MAINTENANCE
N.B. In order for the warranty to be valid, the unit must be cleaned regularly.
SWITCH OFF THE MAIN BREAKER IN THE ELECTRICAL PANEL OR REMOVE THE FUSE BEFORE CLEANING THE UNIT.
OUTSIDE
Gently wash cover (including air inlet holes) using a soft cloth or sponge and a mild soap or detergent with luke warm water to loosen dirt and grime.
INSIDE
CLEANING SHOULD BE PERFORMED BY QUALIFIED SERVICE PERSONNEL
For normal use, dryer will require cleaning once a year. Heavy usage requires more frequent cleaning. Lint on the air inlet or other internal parts of dryer will reduce efficiency and shorten the life of the working parts. To clean, remove cover by unscrewing the tamper-proof bolts from the cover with the special wrench provided with each dryer. Use a small, soft brush to gently clean all parts.
TROUBLESHOOTING
N.B. If you do not solve the problem after checking these points, cut off the power supply at the main electrical panel and contact our customer service (see the “Limited warranty” section to obtain the phone numbers).
| PROBLEM | DEFECTIVE PART OR PART TO CHECK |
| The hand dryer does not turn on |
|
| The hand dryer runs continuously |
|
| The hand dryer does not turn on, or turns on by itself |
|
| The hand dryer blows only cool air |
|
COMPONENT REPLACEMENT
STEPS TO FOLLOW FOR REPLACING COMPONENTS
- Disconnect electricity to unit at the breaker.
- Remove cover by executing steps from Fig. 6 and 5 in reverse of the “Wall installation in 6 steps” section.
ELECTRONIC BOARD REPLACEMENT
- Disconnect all wires from the board (power, sensor, motor and element).
- Remove screw and slide out the board. (FIG.1)
- Replace board and execute the steps in reverse.
INFRARED SENSOR REPLACEMENT
- Disconnect sensor from the electronic board. (FIG.2)
- Eject sensor from the support by pushing the little tabs located on each side of the sensor. (FIG.3)
- Replace sensor and execute the steps in reverse.

MOTOR & BLOWER WHEEL REPLACEMENT KIT
- Disconnect the motor from the electronic board. (FIG. 4)
- Remove the two screws and detach the upper tunnel. (FIG. 5)

- Remove the two screws and serrated bracket that hold the motor. (FIG.6)
- Push on the back motor support until it slides out easily and remove motor & blower wheel kit.
- Replace motor & blower wheel kit and execute the steps in reverse. (FIG. 7-8)
Verify the wheel turns freely.

ELEMENT REPLACEMENT
- Disconnect element from the electronic board. (FIG.9)
- Remove upper tunnel. (FIG. 10)
- Remove element. (FIG. 11)
- Replace element and execute the steps in reverse.

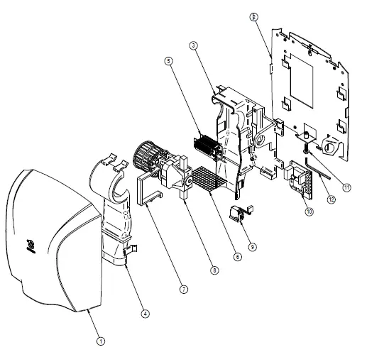
REPLACEMENT COMPONENT LIST

| ITEM # | PART # | DESCRIPTION |
| 1 | P-SMBP04Z0 | COVER |
| 2 | M-SMBP00Z0 | BACK PLATE |
| 3 | P-SMBP00Z0 | MOTOR SUPPORT & LOWER TUNNEL |
| 4 | P-SMBP01Z0 | UPPER TUNNEL |
| 5 | ELF-007 | HEATING ELEMENT ASSEMBLY (WITH FUSELINK AND PROTECTION) 120V / 1200W |
| 6 | M-SMBP01Z0 | PROTECTIVE GRILL |
| 7 | P-SMBP03Z0 | SERRATED BRACKET |
| 8 | MO-066 | MOTOR & BLOWER WHEEL KIT |
| 9 | CIR-008 | INFRARED SENSOR |
| 10 | CIR-032 | ELECTRONIC BOARD |
| 11 | LAN-001 | TAMPER-PROOF BOLT |
| 12 | ELN-013 | TAMPER-PROOF WRENCH |
LIMITED WARRANTY
This limited warranty is offered by Stelpro Design Inc. (“Stelpro”) and applies to the following product made by Stelpro: LAN models. Please read this limited warranty carefully. Subject to the terms of this warranty, Stelpro warrants its products and their components against defects in workmanship and/or materials for the following period from the date of purchase: 3 years. This warranty applies only to the original purchaser; it is non-transferable and cannot be extended.
CLAIM PROCEDURE
If at any time during the warranty period the unit becomes defective, you must cut off the power supply at the main electrical panel and contact 1) your installer or distributor, 2) your service center or 3) Stelpro’s customer service department. In all cases, you must have a copy of the invoice and provide the information written on the product nameplate. Stelpro reserves the right to examine or to ask one of its representatives to examine the product itself or any part of it before honoring the warranty. Stelpro reserves the right to replace the entire unit, refund its purchase price or repair a defective part. Please note that repairs made within the warranty period must be authorized in advance in writing by Stelpro and carried out by persons authorized by Stelpro.
Before returning a product to Stelpro, you must have a Stelpro authorization number (RMA). To obtain it, call the customer service department at:1-800-363-3414 (electricians and distributors – French), 1-800-343-1022 (electricians and distributors – English), or 1-866-766-6020 (consumers). The authorization number must be clearly written on the parcel or it will be refused.
CONDITIONS, EXCLUSIONS AND DISCLAIMER OF LIABILITY
This warranty is exclusive and in lieu of all other representations and warranties (except of title), expressed or implied, and Stelpro expressly disclaims and excludes any implied warranty of merchantability or implied warranty of fitness for a particular purpose.
Stelpro’s liability with respect to products is limited as provided above. Stelpro shall not be subject to any other obligations or liabilities whatsoever, whether based on contract, tort or other theories of law, with respect to goods or services furnished by it, or any undertakings, acts or omissions relating thereto. Without limiting the generality of the foregoing, Stelpro expressly disclaims any liability for property or personal injury damages, penalties, special or punitive damages, damages for lost profits, loss of use of equipment, cost of capital, cost of substitute products, facilities or services, shutdowns, slowdowns, or for other types of economic loss or for claims of a dealer’s customers or any third party for such damages.
Stelpro specifically disclaims all consequential, incidental and contingent damages whatsoever.
This warranty does not cover any damages or failures resulting from: 1) a faulty installation or improper storage; 2) an abusive or abnormal use, lack of maintenance, improper maintenance (other than that prescribed by Stelpro) or a use other than that for which the unit was designed; 3) a natural disaster or an event out of Stelpro’s control, including, but not limited to, hurricanes, tornadoes, earthquakes, terrorist attacks, wars, overvoltage, flooding, water damages, etc. This warranty does not cover any accidental or intentional losses or damages, nor does it cover damages caused by negligence of the user or owner of the product. Moreover, it does not cover the cost of disconnection, transport, and installation.
The warranty is limited to the repair or the replacement of the unit or the refund of its purchase price, at the discretion of Stelpro. Any parts replaced or repaired within the warranty period with the written authorization of Stelpro will be warranted for the remainder of the original warranty period. This warranty will be considered null and void and Stelpro will have the right to refuse any claims if products have been altered without the written authorization of Stelpro and if the nameplate numbers have been removed or modified. This warranty does not cover scratches, dents,corrosion or discoloration caused by excessive heat, chemical cleaning products and abrasive agents. It does not cover any damage that occurred during the shipping.
Some states and provinces do not allow the exclusion or limitation of incidental or consequential damages and some of them do not allow limitations on how long an implied warranty lasts, so these exclusions or limitations may not apply to you. This warranty gives you specific legal rights and you may have other rights which vary from state to state or from province to province.
STELPRO DESIGN INC. | Saint-Bruno-de-Montarville | Québec | J3V 6L7




ULTIMATE – High air speed and full heating power for quick drying
COMFORT – Reduced air speed and moderate heating power for a comfortable noise level and heat range
ECONOMICAL – High air speed without heat for quick drying with energy and cost savings
HARMONY – Reduced air speed without heat for energy savings and a moderate noise level
Maximal detection – standard (4’’)
Medium detection – decreased
Minimal detection – minimum
















