JSOM-XP Explore Module
User Manual
1. Features
JSOM Explore is a highly integrated module with low power single band (2.4GHz) Wireless LAN (WLAN) and Bluetooth Low Energy communication.
- 802.11 b/g/n 1×1, 2.4GHz
- BLE 5.0
- Internal 2.4GHz PCB antenna
- Size: 40mm x 30mm
- USB2.0 Host Interface
- Supporting: SPI, UART, I2C, I2S interface application
- LCD driver supporting
- Audio DAC driver
- Supply Power Voltages: 3.135V ~ 3.465V
2. Picture of Product

3. Temperature Limit Ratings

4. Functional block

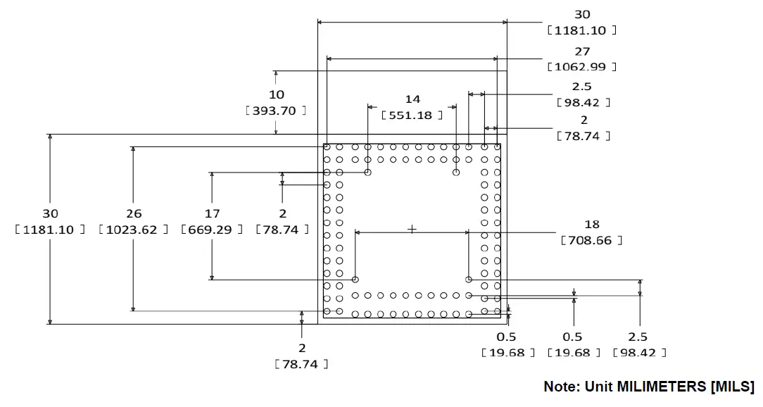
5. Package Specifications

LGA100 Device Dimensions
6. Product general specification

7. Application/ Tools
A. Image tool

B. Wi-Fi UI MP tool
UI MP tool could control Wi-Fi radio on test mode for testing purpose.

C. BT RF Test tool
BT RF test tool could control BLE radio on test mode for testing purpose by following command. ATM2=bt_power,on
ATM2=gnt_bt,bt
ATM2=bridge
(disconnect Putty and then turn on the tool)

Regulatory Notices
1. Federal Communications Commission (FCC) Compliance Statement
FCC Part 15.19 Statements:
This device complies with Part 15 of the FCC Rules. Operation is subject to the following two
conditions:
(1) this device may not cause harmful interference, and
(2) this device must accept any interference received, including interference that may cause undesired operation.
FCC Part 15.21 statement
CAUTION: Any changes or modifications not expressly approved by the manufacturer responsible for compliance could void the user’s authority to operate the equipment.
FCC Part 15.105 statement
NOTE: This equipment has been tested and found to comply with the limits for a Class B digital device, pursuant to part 15 of the FCC Rules. These limits are designed to provide reasonable protection against harmful interference in a residential installation.
This equipment generates, uses and can radiate radio frequency energy and, if not installed and used in accordance with the instructions, may cause harmful interference to radio communications. However, there is no guarantee that interference will not occur in a particular installation. If this equipment does cause harmful interference to radio or television reception, which can be determined by turning the equipment off and on, the user is encouraged to try to correct the interference by one or more of the following measures:
- Reorient or relocate the receiving antenna.
- Increase the separation between the equipment and receiver.
- Connect the equipment into an outlet on a circuit different from that to which the receiver is connected.
- Consult the dealer or an experienced radio/TV technician for help.
IMPORTANT NOTE: To comply with FCC RF exposure compliance requirements, the antenna used for this transmitter must be installed to provide a separation distance of at least 20 cm from all persons and must not be co-located or operating in conjunction with any other antenna or transmitter.
2. Industry Canada (IC) Compliance Statement
CAN ICES-3 (B)/NMB-3(B)
This digital apparatus does not exceed the Class B limits for radio noise emissions from digital apparatus as set out in the interference-causing equipment standard entitled “Digital Apparatus,” ICES-003 of Industry Canada.
ISED Canada: This device contains license-exempt transmitter (s)/receiver(s) that comply with Innovation, Science and Economic Development Canada’s license-exempt RSS(s). Operation is subject to the following two conditions: 1. This device may not cause interference. 2. This device must accept any interference, including
interference that may cause undesired operation of the device.
The device meets the exemption from the routine evaluation limits in section 2.5 of RSS 102 and compliance with RSS-102 RF exposure, users can obtain Canadian information on RF exposure and compliance.
This transmitter must not be co-located or operating in conjunction with any other antenna or transmitter. This equipment should be installed and operated with a minimum distance of 20 centimeters between the radiator and your body.
End Product Labeling
The module is labeled with its own FCC ID and IC Certification Number. If the FCC ID and IC Certification Number are not visible when the module is installed inside another device, then the outside of the device into which the module is installed must also display a label referring to the enclosed module. In that case, the final end product must be labeled in a visible area with the following:
Contains FCC ID: 2AVPF-JSOM-XP
Contains IC: 25873-JSOMXP


















