JABIL JSOM-CN JSOM Connect Module
Features
JSOM CONNECT is a highly integrated module with low power single band (2.4GHz) Wireless LAN (WLAN) and Bluetooth Low Energy communication. The module is limited to OEM installation ONLY, and the OEM integrator is responsible for ensuring that the end-user has no manual instructions to remove or install the module that is limited to installation in mobile or fixed application.
- 802.11 b/g/n 1×1, 2.4GHz
- BLE 5.0
- Internal 2.4GHz PCB antenna
- Size: 40mm x 30mm
- USB2.0 Host Interface
- Supporting: SPI, UART, I2C, I2S interface application
- LCD driver supporting
- Audio DAC driver
- Supply Power Voltages: 3.135V ~ 3.465
Picture of Product
Temperature Limit Ratings
| Parameter | Minimum | Maximum | Unit |
| Storage Temperature | -40 | +125 | °C |
| Ambient Operating Temperature | -20 | +85 | °C |
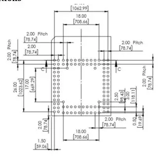
Package Specifications
LGA100 Device Dimensions
Product general specification
| Product Specification | |
| OPERATING FREQUENCY | 802.11 b/g/n: 2412MHz ~ 2472 MHz BLE 5.0: 2402 ~ 2480 MHz |
| NUMBER OF CHANNEL | 802.11 b/g/n: 1 ~ 13 CH (US, Canada) BLE 5.0: 0 ~ 39 CH |
| CHANNEL OF SPACING | 802.11 b/g/n: 5 MHz BLE 5.0: 2 MHz |
| RF OUTPUT POWER | 802.11 b/g/n: 19.5/23.5/23.5 dBm BLE 5.0: 3.0 dBm |
| MODULATION TYPE | 802.11 b/g/n: BPSK/QPSK/16-QAM/64-QAM BLE 5.0: GFSK |
| MODE OF OPERATION | Simplex |
| BIT RATE OF TRANSMISSION | 802.11 b/g/n: 1/2/5.5/6/9/11/12/18/24/36/48/54 Mbps BLE 5.0: 1/2 Mbps |
| ANTENNA TYPE | PCB antenna |
| ANTENNA GAIN | 4.97 dBi |
| TEMPERATURE RANGE | -20 ~ 85 °C |
Remark: When using an external antenna with the module, only a PCB/Flex/FPC self-adhesive type antenna can be used, and the maximum gain shall not exceed 4.97dBi.
Application/ Tools
A. Image tool

Wi-Fi UI MP tool
UI MP tool could control Wi-Fi radio on test mode for testing purposes.

BT RF Test tool
BT RF test tool could control BLE radio on test mode for testing purpose by following command. ATM2=bt_power,on
ATM2=gnt_bt,bt
ATM2=bridge
(disconnect Putty and then turn on the tool)

Regulatory Notices
- Federal Communications Commission (FCC) Compliance Statement
FCC Part 15.19 Statements:
This device complies with Part 15 of the FCC Rules. Operation is subject to the following two
conditions: (1) this device may not cause harmful interference, and (2) this device must accept any
interference received, including interference that may cause undesired operation.
FCC Part 15.21 statement
WARNING: Any changes or modifications not expressly approved by the manufacturer responsible for compliance could void the user’s authority to operate the equipment.
FCC Part 15.105 statement
NOTE: This equipment has been tested and found to comply with the limits for a Class B digital device, pursuant to part 15 of the FCC Rules. These limits are designed to provide reasonable protection against harmful interference in a residential installation. This equipment generates, uses and can radiate radio frequency energy and, if not installed and used in accordance with the instructions, may cause harmful interference to radio communications. However, there is no guarantee that interference will not occur in a particular installation. If this equipment does cause harmful interference to radio or television reception, which can be determined by turning the equipment off and on, the user is encouraged to try to correct the interference by one or more of the following measures- Reorient or relocate the receiving antenna.
- Increase the separation between the equipment and receiver.
- Connect the equipment into an outlet on a circuit different from that to which the receiver is connected.
- Consult the dealer or an experienced radio/TV technician for help.
IMPORTANT NOTE: To comply with FCC RF exposure compliance requirements, the antenna used for this transmitter must be installed to provide a separation distance of at least 20 cm from all persons and must not be co-located or operating in conjunction with any other antenna or transmitter.
Industry Canada (IC) Compliance Statement
CAN ICES-3 (B)/NMB-3(B)
This digital apparatus does not exceed the Class B limits for radio noise emissions from digital apparatus as set out in the interference-causing equipment standard entitled “Digital Apparatus,” ICES-003 of Industry Canada.
Cet appareil numerique respecte les limites de bruits radioelectriques applicables aux appareils numeriques de Classe B prescrites dans la norme sur le material brouilleur: “Appareils Numeriques,” NMB-003 edictee par l’Industrie.
ISED Canada: This device contains license-exempt transmitter (s)/receiver(s) that comply with Innovation, Science and Economic Development Canada’s license-exempt RSS(s). Operation is subject to the following two conditions:
1. This device may not cause interference. 2. This device must accept any interference, including interference that may cause undesired operation of the device
End Product Labeling
The module is labeled with its own FCC ID and IC Certification Number. If the FCC ID and IC Certification Number are not visible when the module is installed inside another device, then the outside of the device into which the module is installed must also display a label referring to the enclosed module. In that case, the final end product must be labeled in a visible area with the following:
Contains FCC ID: 2AXNJ-JSOM-CN
Contains IC: 26680-JSOMCN






















