Danfoss UL-HGX66e Reciprocating Compressor

Product Information
The Reciprocating Compressor is a pressurized machine used for refrigeration. It comes in different models with varying specifications:
- UL-HGX66e/1340 ML 31
- UL-HGX66e/1540 ML 36
- UL-HGX66e/1750 ML 44
- UL-HGX66e/2070 ML 50
- UL-HGX66e/1340 S 37
- UL-HGX66e/1540 S 42
- UL-HGX66e/1750 S 50
- UL-HGX66e/2070 S 60
Product Usage Instructions
Safety
It is important to observe the safety instructions to prevent accidents and serious injuries:
- Read and follow all safety instructions provided in the manual.
- Do not assemble or use the compressor improperly.
- Observe all product safety labels.
- Refer to local building codes for installation requirements.
Electrical Connection
The manual provides information on the electrical connection of the compressor:
- General safety precautions for electrical connections.
- Information for contactor and motor contactor selection.
- Circuit diagrams for different motor start types.
- Connection instructions for the electronic trigger unit INT69 G.
- Function test of the trigger unit INT69 G.
- Optional accessories like oil sump heater and capacity regulator.
- Selection and operation of compressors with frequency converters.
Technical Data
The manual provides technical specifications of the compressor:
- Information on electrical and mechanical parameters.
Dimensions and Connections
The manual provides dimensions and connection information for the compressor:
- Physical dimensions of the compressor.
- Connection points and requirements.
Declaration of Incorporation
The manual includes a declaration of incorporation for the compressor:
- Official declaration stating compliance with relevant regulations and standards.
UL-Certificate of Compliance
The manual includes the UL-Certificate of Compliance for the compressor:
- Official certificate indicating compliance with UL standards.
Foreword
Danger
Risk of accidents.
Refrigerating compressors are pressurized machines and as such call for heightened caution and care in handling.
Improper assembly and use of the compressor can result in serious or fatal injury!
- To avoid serious injury or death, observe all safety instructions contained in these instructions before assembly and before using the compressor! This will avoid misunderstandings and prevent serious or fatal injury and damage!
- Never use the product improperly but only as recommended by this manual!
- Observe all product safety labels!
- Refer to local building codes for installation requirements!
Unauthorized changes and modifications to the product not covered by this manual are prohibited and will void the warranty!
This instruction manual is a mandatory part of the product. It must be available to the personnel who operate and maintain this product. It must be passed onto the end customer along with the unit in which the compressor is installed. This document is subject to the copyright of BOCK GmbH, Germany. The information provided in this manual is subject to change and improvements without notice.
Safety
Identification of safety instructions
- Indicates a dangerous situation which, if not avoided, will cause immediate fatal or serious injury.
- Indicates a dangerous situation which, if not avoided, may cause fatal or serious injury.
- Indicates a dangerous situation which, if not avoided, may cause fairly severe or minor injury.
- Indicates a situation which, if not avoided, may cause property damage.
- Important information or tips on simplifying work.
General safety instructions
Warning
Risk of accidents.
Refrigerating compressors are pressurized machines and as such call for heightened caution and care in handling.
The maximum permissible overpressure must not be exceeded, even for testing purposes!
Risk of burns!
- Depending on the operating conditions, surface temperatures of over 140°F (60°C) on the discharge side or below 32°F (0°C) on the suction side can be reached.
- Contact with refrigerant must be avoided. Contact with refrigerant can cause severe burns and skin damage.
Intended use
Warning
The compressor may not be used in potentially explosive environments!
- These assembly instructions describe the standard version of the compressor named in the title manufactured by Bock. Bock refrigerating compressors are intended for installation in a ma-chine (within the EU according to the EU Directives 2006/42/EC Machinery Directive, 2014/68/EU Pressure Equipment Directive, outside the EU according to the respective national regulations and guidelines).
Commissioning is permissible only if the compressor has been installed in accordance with these as-sembly instructions and the entire system into which it is integrated has been inspected and approved in accordance with legal regulations.
The compressors are intended for use in refrigeration systems in compliance with the limits of application. Only the refrigerant specified in these instructions may be used.
Any other use of the compressor is prohibited!
Qualifications required of personnel
Inadequately qualified personnel poses the risk of accidents, the consequence being serious or fatal injury. Work on compressors is therefore reserved for personnel who are qualified to work on pressurized refrigerant systems:
- For example, a refrigeration technician, or refrigeration mechatronic engineer. As well as professions with comparable training that enables personnel to assemble, install, maintain and repair refrigeration and air-conditioning systems. Personnel must be capable of assessing the work to be carried out and recognizing any potential dangers.
Product Description
Short description
- Semi-hermetic six-cylinder reciprocating compressor with suction-gas cooled drive motor.
- The stream of refrigerant sucked out of the evaporator flows over the motor and cools it intensively. In this way, the motor can be kept at a relatively low temperature level, particularly under high loads.

Dimension and connection values can be found in chapter 10.
Name plate (example)

Type key (example)

- HG – Hermetic Gas-Cooled (suction gas-cooled)
- X – Ester oil charge
- S – More powerful motor
- ML – Motor for normal cooling and deep freezing
Areas of application
Refrigerants
| HFC + blends | R134a, R404A/R507 |
| HFC/HFO blends | R448A, R449A, R450A, R513A |
More informations about approved refrigerants on Bock compressor selection tool VAP (vap.bock.de).
Oil charge
- The compressors are filled at the factory with the following oil type: BOCK lub E55
For refilling, we recommend the above oil types. See also section 7.4.
NOTICE
The oil level must be in the visible part of the sight glass; damage to the compressor is possible if overfilled or under-filled!

Limits of application
NOTICE
Compressor operation is possible within the operating limits. These can be found in Bock compressor selection tool (VAP) under vap.bock.de. Observe the information given there.
- Permissible ambient temperature: -20°C…+60°C (-4°F…140°F)
- Max. permissible discharge end temperature 140°C (284°F).
- Max. permissible switching frequency 12x /h.
- A minimum running time of 3 min. steady-state condition (continuous operation) must be achieved.
For operation with supplementary cooling:
- Use only oils with high thermal stability.
- Avoid continuous operation near the threshold.
- The suction gas superheat temperature may need to be reduced or set individually when operating near to the threshold.
For operation with capacity regulator:
- Continuous operation, when the capacity regulator is activated, is not permissible and can cause damage to the compressor.
- The suction gas superheat temperature may need to be reduced or set individually when operating near to the threshold.
- When the capacity regulator is activated, the gas velocity in the system can not under certain circumstances ensure that sufficient oil is transported back to the compressor.
For operation with frequency converter:
- The maximum current and power consumption must not be exceeded. In the case of operation above the mains frequency, the application limit can therefore be limited (max.(max. 60 Hz) 60 Hz).
When operating in the vacuum range, there is a danger of air entering on the suction side. This can cause chemical reactions, a pressure rise in the condenser and an elevated compressed-gas temperature. Prevent the ingress of air at all costs!
- Maximum admissible frequency: 60 Hz
- Maximum admissible operating pressure (LP/HP)1): 19/28 barg (276/406 psig)
- LP = Low pressure
- HP = High pressure
Compressor assembly
New compressors are factory-filled with inert gas. Leave this service charge in the compressor for as long as possible and pre-vent the ingress of air. Check the compressor for transport damage before starting any work.
Storage and transport
- Storage at -30°C…+70°C (-22°F…+158°F), maximum permissible relative humidity 10% – 95%, no condensation
- Do not store in a corrosive, dusty, vaporous atmosphere or in a com-bustible environment.
- Use transport eyelet.
- Do not lift manually!
- Use lifting gear!
Setting up
Attachments (e.g. pipe holders, additional units, fastening parts, etc.) directly to the compressor are not permissible!
- Provide adequate clearance for maintenance work.
- Ensure adequate compressor ventilation.

- Do not use in a corrosive, dusty, damp atmosphere or a combustible environment.

- Setup on an even surface or frame with sufficient loadbearing capacity.
- Single compressor preferably on vibration damper.
- Duplex and parallel circuits always rigid.
- Installation of pipe vibration mufflers is recommended!

Pipe connections
Damage possible.
Do not solder as long as the compressor is under pressure. Superheating can damage the valve. Remove the pipe supports therefore from the valve for soldering and accordingly cool the valve body during and after soldering. Only solder using inert gas to inhibit oxidation products (scale).
- Pipe connections on the compressor are available for soldering or welding (accessories). The discharge and suction line valves have graduated inside diameters so that pipes with standard millimeter and inch dimensions can be used. The pipe will be immersed more or less deeply according to dimension.
- The connection diameters of the shut-off valves are rated for maximum compressor output. The actual required pipe cross section must be matched to the output. The same applies for non-return valves.

Pipes
- Pipes and system components must be clean and dry inside and free of scale, swarf and layers of rust and phosphate. Only use air-tight parts.
- Lay pipes correctly. Suitable vibration compensators must be provided to prevent pipes being cracked and broken by severe vibrations.
- Ensure a proper oil return.
- Keep pressure losses to an absolute minimum.
Starting unloader (external)
An internal start unloader ex-factory is not available. Alternatively, a start unloader can be installed in the plant.
Operation:
When the compressor is started, a solenoid valve receives power via a time switch and opens a by-pass between the discharge and suction lines. At the same time, a non-return valve in the discharge line closes and prevents a backflow of refrigerant from the condenser (Fig. 5). The compressor is now short-circuited and delivers from the outflow directly into the intake. The pressure differential consequently decreases substantially. As a result, the torque on the drive shaft of the compressor is considerably diminished. The drive motor can now start with a low level of starting torque. As soon as the motor and the compressor reach their rated speed, the solenoid valve closes and the non-return valve opens (Fig. 6). The compressor now works under normal load.

Important:
- Start unloader may only be employed during the starting phase.
- Check the solenoid valve and the non-return valve regularly for tightness.
- In addition, we recommend using a heat protection thermostat on the discharge side of the com-pressor. This protects the compressor against thermal overloading. Connect the heat protection thermostat in series on the safety chain of the control circuit, to switch off the compressor if necessary.
- Follow these instructions to avoid thermal overloading.
Laying suction and pressure lines
- Improperly installed pipes can cause cracks and tears, the result being a loss of refrigerant.
- Proper layout of the suction and discharge lines directly after the compressor is integral to the system’s smooth running and vibration behavior.
A rule of thumb: Always lay the first pipe section starting from the shut-off valve downwards and parallel to the drive shaft.
Operating the shut-off valves
- Before opening or closing the shut-off valve, release the valve spindle seal by approx. 1/4 of a turn counter-clockwise.
- After activating the shut-off valve, re-tighten the adjustable valve spindle seal clockwise.

Operating mode of the lockable service connections

Opening the shut-off valve:
Spindle:
turn to the left (counter-clockwise) as far as it will go. —> Shut-off valve completely opened / service connection closed.
Opening the service connection
Spindle: Turn 1/2 – 1 turn clockwise.
- Service connection opened / shut-off valve opened.
After activating the spindle, generally fit the spindle protection cap again and tighten with 14-16 Nm (10-12 lb-ft). This serves as a second sealing feature during operation.
Suction pipe filter and filter drier
For systems with long pipes and higher degree of contamination, a filter on the suction-side is recommended. The filter has to be renewed depending on the degree of contamination (reduced pressure loss). Moisture in the refrigeration circuit can lead to crystal and hydrate formation. For this reason, we recommend using a filter drier and a sight glass with a moisture indicator.
Electrical connection
General safety
- Risk of electric shock! High voltage!
- Only carry out work when the electrical system is disconnected from the power supply!
- When attaching accessories with an electrical cable, a minimum bending radius of 3 x the cable diameter must be maintained for laying the cable.
Connect the compressor motor in accordance with the circuit diagram (see inside of terminal box).
- Use suitable cable entry point of the correct protection type (see name plate) for routing cables into the terminal box. Insert the strain relieves and prevent chafe marks on the cables.
- Compare the voltage and frequency values with the data for the mains power supply.
- Only connect the motor if these values are the same.
Information for contactor and motor contactor selection
All protection devices and switching or monitoring units must be fitted in accordance with the local safety regulations and established specifications (e.g. OSHA, UL/CSA) as well as with the manufac-turer’s information. Motor protection switches are required! Motor contactors, feed lines, fuses and motor protection switches must be rated on the basis of the maximum working current (see name plate). For motor protection use a current-dependent and time-delayed overload protection device for moni-toring all three phases. Set the overload protection device so that it must be actuated within 2 hours, if there is 1.2 times the max. working current.
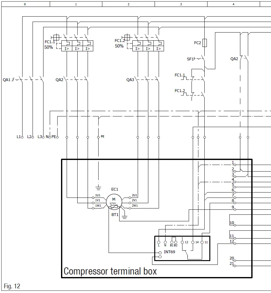
Standard motor, design for direct or partial winding start

Compressors with this marking are suitable for direct or partial winding start. The motor winding is subdivided into two parts:
- Part winding 1 = 50% and part winding 2 = 50%.
- This winding division reduces the start-up current needed for a part winding start to approx. 50% of that for a direct start.
A mechanical unloaded start with bypass solenoid valve is not required.
The motor is wired for direct start (YY) at the factory. For part winding start Y/YY the bridges must be removed and the motor feed line connected according to the circuit diagram:
NOTICE
Failure to do this results in opposed rotary fields and results in damage to the motor. After the motor starts up via partial winding 1, partial winding 2 must be switched on after a maximum delay of one second. Failure to comply can adversely affect the service life of the motor.
Basic circuit diagram for part winding start with standard motor

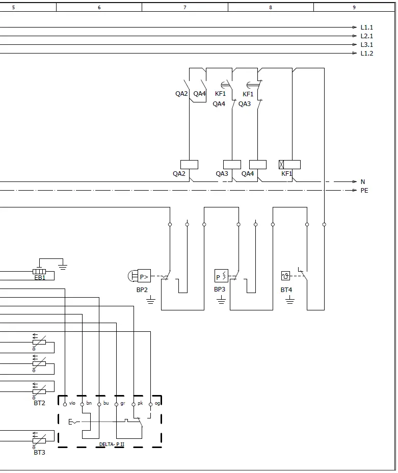
| BP2 | High pressure safety monitor |
| BP3 | Safety chain (high/low pressure monitoring) |
| BT1 | Cold conductor (PTC sensor) motor winding |
| BT2 | Thermal protection thermostat (PTC sensor) |
| BT3 | Oil temperature sensor |
| BT4 | Release switch (thermostat) |
| DELTA-P II | Oil differential pressure sensor DELTA-P II (accessory) |
| EB1 | Oil sump heater |
| EC1 | Compressor motor |

| FC1.1/1.2 | Motor protection switch |
| FC2 | Control power circuit fuse |
| INT69 G | Electronic trigger unit INT69 G |
| KF1 | Delay relay for contactor switchover |
| QA1 | Main switch |
| QA2 | Mains contactor (part winding 1) |
| QA3 | Mains contactor (part winding 2) |
| SF1 | Control voltage switch |
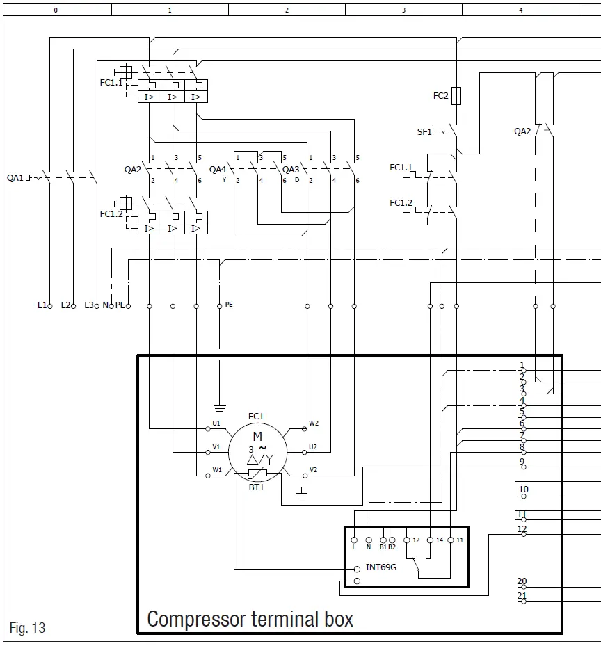
Special motor: design for direct or star-delta start
A mechanical unloaded start with bypass solenoid valve is required for the star-delta start.

Star-delta start-up is only possible for ∆ (230 V) power supply.
Example:

- In the factory the motor is wired for direct starting at high voltage.
- The brides are to be removed for star delta starting at low voltage.
Basic circuit diagram for star-delta start 230 V ∆ / 400 V Y

| BP2 | High pressure safety monitor |
| BP3 | Safety chain (high/low pressure monitoring) |
| BT1 | Cold conductor (PTC sensor) motor winding |
| BT2 | Thermal protection thermostat (PTC sensor) |
| BT3 | Oil temperature sensor |
| BT4 | Release switch (thermostat) |
| DELTA PII | Oil differential pressure sensor DELTA-P II (accessory) |
| EB1 | Oil sump heater |
| EC1 | Compressor motor |

| FC1.1/1.2 | Motor protection switch |
| FC2 | Control power circuit fuse |
| INT69 G | Electronic trigger unit INT69 G |
| KF1 | Delay relay for contactor switchover |
| QA1 | Main switch |
| QA2 | Mains contactor |
| QA3 | Δ-contactor |
| QA4 | Y-contactor |
| SF1 | Control voltage switch |
Electronic trigger unit INT69 G
The compressor motor is fitted with cold conductor temperature sensors (PTC) connected to the electronic trigger unit INT69 G in the terminal box. In case of excess temperature in the motor winding, the INT69 G deactivates the motor contactor. Once cooled, it can be restarted only if the electronic lock of the output relay (terminals B1+B2) is released by interrupting the supply voltage. The hot gas side of the compressor can also be protected against overtemperature using thermal protection thermostats (accessory).
The unit trips when an overload or inadmissible operating conditions occur. Find and remedy the cause.
- The relay switching output is executed as a floating changeover contact. This electrical circuit operates according to the quiescent current principle, i.e. the relay drops into a the idle position and deactivates the motor contactor even in case of a sensor break or open circuit.
Connection of the trigger unit INT69 G
Connect the trigger unit INT69 G in accordance with the circuit dia-gram. Protect the trigger unit with a delayed-action fuse (FC2) of max. 4 A. In order to guarantee the protection function, install the trigger unit as the first element in the control power circuit.
Measure circuit BT1 and BT2 (PTC sensor) must not come into contact with external voltage. This would destroy the trigger unit INT69 G and PTC sensors.

Function test of the trigger unit INT69 G
Before commissioning, after troubleshooting or making changes to the control power circuit, check the functionality of the trigger unit. Perform this check using a continuity tester or gage.
| Gage state | Relay position |
| Deactivated state | 11-12 |
| INT69 G switch-on | 11-14 |
| Remove PTC connector | 11-12 |
| Insert PTC connector | 11-12 |
| Reset after mains on | 11-14 |
Relay position INT69 G

Oil sump heater (accessories)
When the compressor is at a standstill, refrigerant diffuses into the lubricating oil of the compressors housing, depending on pressure and ambient temperature. This reduces the lubricating capacity of the oil. When the compressor starts up, the refrigerant contained in the oil evaporates out through the reduction in pressure. The consequences can be foaming and migration of the oil, causing oil shocks under certain circumstances.
Operation:
The oil sump heater operates when the compressor is at a standstill. When the compres-sor starts up, the oil sump heater switches off again automatically.
Connection:
The oil sump heater must be connected via an auxiliary contact (or parallel wired auxil-iary contact) of the compressor contactor to a separate electric circuit.
- El. data: 115 V AC 60 Hz, 160 W.
Connection to the current path of the safety control chain is not permitted.
Capacity regulator (accessories)
A fuse (max. 3xlB in accordance with IEC 60127-2-1) corresponding to the rated current must be placed in front of every magnetic coil of the capacity regulator as short-circuit protection. The ra-ted voltage of the fuse must be equal to or greater than the rated voltage of the magnetic coil. The ability of the fuses to switch off must be greater than or equal to the maximum assumable short-circuit current at the installation location.
Selection and operation of compressors with frequency converters
For safe operation of the compressor, the frequency converter must be able to apply an overload of at least 140% of the compressor’s maximum current (I-max.) for at least 3 seconds.
When using frequency converters, the following things must also be observed:
- The maximum permissible operating current of the compressor (I-max) (see type plate or technical data) must not be exceeded.
- If abnormal vibrations occur in the system, the affected frequency ranges in the frequency converter must be blanked out accordingly.
- The maximum output current of the frequency converter must be greater than the maximum current of the compressor (I-max).
- Carry out all designs and installations in accordance with the local safety regulations and common rules (e.g. VDE) and regulations as well as in accordance with the specifications of the frequency converter manufacturer.
| Rotational speed range | 0 – f-min | f-min – f-max |
| Start-up time | < 1 s | ca. 4 s |
| Switch-off time | immediately | |
f-min/f-max see chapter 9: Technical data: permissible frequency range
Commissioning
Preparations for start-up
To protect the compressor against inadmissible operating conditions, high-pressure and low-pressure press stats are mandatory on the installation side.
The compressor has undergone trials in the factory and all functions have been tested. There are therefore no special running-in instructions.
Check the compressor for transport damage!
Pressure integrity test
The compressor has been tested in the factory for pressure integrity. If however the entire system is to be subjected to a pressure integrity test, this should be carried out in accordance with UL 207 or a corresponding safety standard without the inclusion of the compressor.
Leak test
DANGER
Risk of bursting!
The compressor must only be pressurized using nitrogen (N2). Never pressurize with oxygen or other gases! The maximum permissible overpressure of the compressor must not be exceeded at any time during the testing process (see name plate data)! Do not mix any refrigerant with the nitrogen as this could cause the ignition limit to shift into the critical range.
- Carry out the leak test on the refrigerating plant in accordance with UL 207 or a corresponding safety standard, while always observing the maximum permissible overpressure for the compressor.
Evacuation
- Do not start the compressor if it is under vacuum. Do not apply any voltage – even for test purposes (must only be operated with refrigerant).
- Under vacuum, the spark-over and creepage current distances of the terminal board connection bolts shorten; this can result in winding and terminal board damage.
- First evacuate the system and then include the compressor in the evacuation process.
- Relieve the compressor pressure.
- Open the suction and pressure line shut-off valves.
- Evacuate the suction and discharge pressure sides using the vacuum pump.
- At the end of the evacuation process, the vacuum should be < 1.5 mbara (0.02 psia) when the pump is switched off.
- Repeat this process as often as is required.
Refrigerant charge
CAUTION
Wear personal protective clothing such as goggles and protective gloves!
- Make sure that the suction and pressure line shut-off valves are open.
- With the compressor switched off, add the liquid refrigerant directly to the condenser or receiver, breaking the vacuum.
- If the refrigerant needs topping up after starting the compressor, it can be topped up in vapor form on the suction side, or, taking suitable precautions, also in liquid form at the inlet to the evaporator.
NOTICE
- Avoid overfilling the system with refrigerant!
- To avoid shifts in concentration, zeotropic refrigerant blends must always only be filled into the refrigerating plant in liquid form.
- Do not pour liquid coolant through the suction line valve on the compressor.
- It is not permissible to mix additives with the oil and refrigerant.
Start-up
WARNING
Ensure that both shut-off valves are open before starting the compressor!
- Check that the safety and protection devices (pressure switch, motor protection, electrical contact protection measures, etc.) are all functioning properly.
- Switch on the compressor and allow to run for a minimum of 10 min.
- Check the oil level by: The oil must be visible in the sight glass.
If larger quantities of oil have to be topped up, there is a risk of oil hammer effects.
If this is the case check the oil return!
Avoiding slugging
- Slugging can damage the compressor and cause refrigerant to leak.
To prevent slugging:
- The complete refrigeration system must be properly designed.
- All components must be compatibly rated with each other with regard to output (particularly the evaporator and expansion valves).
- Suction gas superheat at the compressor input should be min. 7 – 10 K. (check the setting of the expansion valve).
- The system must reach a state of equilibrium.
- Particularly in critical systems (e.g. several evaporator points), measures are recommended such as replacement of liquid traps, solenoid valve in the liquid line, etc.
- There should be no movement of coolant whatsoever while the compressor is at a standstill.
Maintenance
Preparation
Before starting any work on the compressor:
- Switch off the compressor and secure it to prevent a restart.
- Relieve compressor of system pressure.
- Prevent air from infiltrating the system!
After maintenance has been performed:
- Connect safety switch.
- Evacuate compressor.
- Release switch lock.
Work to be carried out
In order to guarantee optimum operational reliability and service life of the compressor, we recom-mend carrying out servicing and inspection work at regular intervals:
Oil change:
- not mandatory for factory-produced series systems.
- for field installations or when operating near the application limit: for the first time after 100 to 200 operating hours, then approx. every 3 years or 10,000 – 12,000 operating hours. Dispose of used oil according to the regulations; observe national regulations.
Annual checks:
Oil level, leak tightness, running noises, pressures, temperatures, function of aux-iliary devices such as oil sump heater, pressure switch.
Spare parts recommendation/accessories
Available spare parts and accessories can be found on our compressor selection tool under vap.bock.de as well as at bockshop.bock.de.
Only use genuine Bock spare parts!
Lubricants / oils
The oil type filled as standard in the factory is marked on the name plate, and this should always be used, even in the case of maintenance units. Alternative oil types can vary significantly in quality due to additives or inferior raw materials by the manufacturer. Validation within the compressors entire operating limits can not be guaranteed, if such alternative oil types are used. It is for this reason, that we only recommend the use of oil from Bock! Bock assumes no liability for any damage arising from alternative oil types.
- Bock standard oil type: BOCK lub E55
Decommissioning
Close the shut-off valves on the compressor. Drain the refrigerant (it must not be discharged into the environment) and dispose of it according to the regulations. When the compressor is depressurized, undo the fastening screws of the shut-off valves. Remove the compressor using an appropriate hoist. Dispose of the oil inside in accordance with the applicable national regulations.
Accessories
Capacity regulator
ATTENTION
If the capacity regulator is installed at the factory, the control component (pilot valve) is subsequently installed and connected by the customer.
Before start-up, remove the cover at the capacity regulator and replace it with the enclosed control unit (pilot valve). Attention! Compressor is under pressure!Depressurize the compressor first. Screw in control unit (pilot valve) with seal ring and tight with 15 Nm. Wet thread sides with ester oil. Insert magnetic coil, fasten it with knurled nut and connect it.

WARNING:
Several capacity regulators cannot switch at the same time during compressor operation! Otherwise the sudden change in load can damage the compressor! Comply with the switching interval of 60 s.
Comply with the switching sequence:
- Switching on LR1 60s LR2
- Switching off LR2 60s LR1
NOTICE
- Capacity-regulated operation alters the gas speeds and pressure ratios of the refrigerating plant: Adjust the suction line routing and dimensioning accordingly, do not set the control intervals too close and do not let the system switch more than 12 times per hour (refrigerating plant must have reached a state of equilibrium). Continuous operation in the control stage is not recommended as the gas velocity in the plant system under certain circumstances does not guarantee sufficient oil return to the compressor with activated capacity regulator. We recommend switching to unregulated operation (100% capac-ity) for at least 5 minutes per capacity-regulated operating hour. An assured oil return can also be realised by a 100% capacity requirement after each compressor restart.
- Electrical actuation of the solenoid valve: Normally open, (corre-sponds to 100 % compressor capacity).
- For digital capacity regulation see document 09900.
Special accessories are only pre-mounted in the factory if ordered specially by customer. Retrofitting is possible in full compliance with the safety instructions and repair instructions enclosed with the kits. Information about the use, operation, maintenance and servicing of the components is available in the printed literature or on the internet under vap.bock.de.
Oil separator
Oil slugging can result in damage to the compressor.
To prevent oil slugging:
- The oil return from the oil separator must be guided back at the intended connection (D1) on the compressor housing.
- A direct oil return into the suction line from the oil separator is not permissible.
- Ensure that the oil separator is properly dimensioned.
Oil level regulator
Oil level regulation systems have proven themselves with parallel circuits of several compressors. The connection “0” is provided for installing an oil level regulator (see dimensions drawing). All common mechanical oil level regulators from AC&R, ESK, Carly as well as the electronic oil level regulation system from AC&R, Teklab, OM3 TraxOil from Alco and ESK (only long version) can be connected directly without adapters (see Fig. 21). A sight glass on the oil level regulator is not required.
The assembly is made at the original position of the standard sight glass (see Fig. 22).
Technical data
|
Type UL-HGX66e/ | No. of cylinders | Displacement (1450 rpm / 1740 rpm) | Electrical data 3 | Weight | Connections 4 | Oil charge (ex works) | Oil charge (sight glass center) | ||||||
|
1 |
2 |
2 | Starting current (rotor locked) | permissible frequency range | Discharge line DV | Suction line SV | |||||||
| 50 Hz 60 Hz | PW 1+2 | PW 1/PW 1+2 | |||||||||||
| V | A | kW (HP) | A | Hz | lb | mm (inch) | mm (inch) | ltr (fl.oz) | ltr (fl.oz) | ||||
| cfh | |||||||||||||
| 1340 ML 31 |
6 | 4115 4938 | 380-420 V Y/YY – 3 – 50 Hz PW 440-480 V Y/YY – 3 – 60 Hz PW PW = Part Winding, Winding ratio: 50%/50% | 54 | 31,9 (43,4) | 170/275 | 25 – 60 | 671 |
42 (1 5/8) |
54 (2 1/8) |
4.4 (155) |
3.8 (134) | |
| 1340 S 37 | 4115 4938 | 65 | 38,1 (51,8) | 196/335 | 678 | ||||||||
| 1540 ML 36 | 4724 5668 | 62 | 37,2 (50,6) | 170/275 | 666 | ||||||||
| 1540 S 42 | 4724 5668 | 75 | 44,4 (60,4) | 196/335 | 673 | ||||||||
| 1750 ML 44 | 5374 6449 | 72 | 42,4 (57,6) | 196/335 | 656 | ||||||||
| 1750 S 50 | 5374 6449 | 87 | 50,7 (68,9) | 222/361 | 677 | ||||||||
| 2070 ML 50 | 6356 7627 | 85 | 50,7 (68,9) | 196/335 | 680 | 64 (2 5/8) | |||||||
| 2070 S 60 | 6356 7627 | 103 | 60,7 (82,5) | 222/361 | 691 | ||||||||
- Tolerance (±10%) relative to the mean value of the voltage range. Other voltages and types of current on request.
- The specifications for max. power consumption apply for 60Hz operation
- Take account of the max. operating current / max. power consumption for design of fuses, supply lines and safety devices.
Fuse: Consumption category AC3
- Take account of the max. operating current / max. power consumption for design of fuses, supply lines and safety devices.
- All specifications are based on the average of the voltage range
- For solder connections
Dimensions and connections
UL-HGX66e


| SV DV | Suction line see technical data, chapter 9 Discharge line | |
| A | Connection suction side, not lockable | 1/8“ NPTF |
| A1 | Connection suction side, lockable | 7/16“ UNF |
| B | Connection discharge side, not lockable | 1/8“ NPTF |
| B1 | Connection discharge side, lockable | 7/16“ UNF |
| C | Connection oil pressure safety switch OIL | 1/8“ NPTF |
| D | Connection oil pressure safety switch LP | 7/16“ UNF |
| D1 | Connection oil return from oil separator | 1/4“ NPTF |
| F | Oil drain | M12x1.5 |
| H | Oil charge plug | 1/4“ NPTF |
| J | Connection oil sump heater | 3/8“ NPTF |
| K | Sight glass | 3 x M6 |
| L | Connection thermal protection thermostat | 1/8“ NPTF |
| M | Oil filter | M12x1.5 |
| O | Connection oil level regulator | 3 x M6 |
| P | Connection oil pressure differential sensor | M20x1.5 |
| ÖV | Connection oil service valve | 1/4“ NPTF |
| Q | Connection oil temperature sensor | 1/8“ NPTF |
| W | Connection for refrigerant injection | 2x 1/8“ NPTF |
Declaration of incorporation
Declaration of incorporation for incomplete machinery in accordance with EC Machinery Directive 2006/42/EC, Annex II 1. B
Manufacturer:
Bock GmbH
Benzstraße 7 72636 Frickenhausen, Germany.
We, as manufacturer, declare in sole responsibility that the incomplete machinery
Name:
Types:
Semi-hermetic compressor
- HG(X)12P/60-4 S (HC) ……………………HG(X)88e/3235-4(S) (HC)
- UL-HGX12P/60 S 0,7……………………… UL-HGX66e/2070 S 60
- HGX12P/60 S 0,7 LG …………………….. HGX88e/3235 (ML/S) 95 LG
- HG(X)22(P)(e)/125-4 A …………………… HG(X)34(P)(e)/380-4 (S) A
- HGX34(P)(e)/255-2 (A) ………………….. HGX34(P)(e)/380-2 (A)(K)
- HA(X)12P/60-4 ……………………………… HA(X)6/1410-4
- HAX22e/125 LT 2 LG ……………………. HAX44e/665 LT 14 LG
- HGX12e/20-4 (ML/S) CO2 (LT) ……….. HGX44e/565-4 S CO2
- UL-HGX12e/20 (S/ML) 0,7 CO2 (LT)… UL-HGX44e/565 S 31 CO2
- HGX12/20-4 (ML/S/SH) CO2T………….. HGX46/440-4 (ML/S/SH) CO2 T
- UL-HGX12/20 ML(P) 2 CO2T…………. UL-HGX46/440 ML(P) 53 CO2T
- HGZ(X)7/1620-4 ……………………………. HGZ(X)7/2110-4
- HGZ(X)66e/1340 LT 22…………………… HGZ(X)66e/2070 LT 35
- HRX40-2 CO2 T H………………………….. HRX60-2 CO2 T H
- Name: Open type compressor
- Types:
- F(X)2 …………………………………… F(X)88/3235 (NH3)
- FK(X)1………………………………….. FK(X)3
- FK(X)20/120 (K/N/TK)…………….. FK(X)50/980 (K/N/TK)
complies with the following provisions of the above-mentioned Directive:
According to Annex I, points 1.1.2, 1.1.3, 1.1.5, 1.3.2, 1.3.3, 1.3.7, 1.5.1, 1.5.2, 1.5.13 and 1.7.1 to 1.7.4 (excepted 1.7.4 f) are fulfilled.
Applied harmonised standards, in particular:
- EN ISO 12100 :2010 Safety of machinery — General principles for design — Risk assessment and risk reduction
- EN 12693 :2008 Refrigerating systems and heat pumps — Safety and environmental requirements — Positive displacement refrigerant compressors
Remarks:
- We also declare that the special technical documentation for this incomplete machine has been created in accordance with Annex VII, Part B and we obligate to provide these upon reasoned request from the individual national authorities by data transfer.
- Commissioning is prohibited until it has been confirmed that the machinery into which the incomplete machine above is to be incorporated complies with the EC Machinery Directive and an EC Declaration of Conformity, Annex II. 1. A exists.
Authorized person for compiling and handing over technical documentation:
Bock GmbH
Alexander Layh Benzstraße 7 72636 Frickenhausen, Germany.
Frickenhausen, 04th of January 2021

Declaration of incorporation of partly completed machinery in accordance with UK Statutory Instrument Supply of Machinery (Safety) Regulations 2008, Annex II 1. B
Manufacturer:
Bock GmbH Benzstraße 7 72636 Frickenhausen, Germany.
We, as manufacturer, declare in sole responsibility that the partly completed machinery
- Name:
- Semi-hermetic compressor
- Types:
- HG(X)12P/60-4 S (HC) ……………………HG(X)88e/3235-4(S) (HC)
- UL-HGX12P/60 S 0,7……………………… UL-HGX66e/2070 S 60
- HGX12P/60 S 0,7 LG …………………….. HGX88e/3235 (ML/S) 95 LG
- HG(X)22(P)(e)/125-4 A …………………… HG(X)34(P)(e)/380-4 (S) A
- HGX34(P)(e)/255-2 (A) ………………….. HGX34(P)(e)/380-2 (A)(K)
- HA(X)22e/125-4 …………………………….. HA(X)6/1410-4
- HAX22e/125 LT 2 LG ……………………. HAX44e/665 LT 14 LG
- HGX12e/20-4 (ML/S) CO2 (LT) ……….. HGX44e/565-4 S CO2
- UL-HGX12e/20 (S/ML) 0,7 CO2 (LT)… UL-HGX44e/565 S 31 CO2
- HGX12/20-4 (ML/S/SH) CO2T………….. HGX46/440-4 (ML/S/SH) CO2 T
- UL-HGX12/20 ML(P) 2 CO2T…………… UL-HGX46/440 ML(P) 53 CO2T
- HGZ(X)7/1620-4 ……………………………. HGZ(X)7/2110-4
- HGZ(X)66e/1340 LT 22…………………… HGZ(X)66e/2070 LT 35
- HRX40-2 CO2 T H………………………….. HR(Z)X60-2 CO2 T (H)(V)
- Name: Open type compressor
- Types:
- F(X)2 …………………………………………… F(X)88/3235 (NH3)
- FK(X)1………………………………………….. FK(X)3
- FK(X)20/120 (K/N/TK)…………………….. FK(X)50/980 (K/N/TK)
- Serial number: BC00000A001 – BN99999Z999
complies with the following provisions of the above-mentioned Statutory instrument:
- According to Schedule 2, part1, points 1.1.2, 1.1.3, 1.1.5, 1.3.2, 1.3.3, 1.3.7, 1.5.1, 1.5.2, 1.5.13 and 1.7.1 to 1.7.4 (excepted 1.7.4 f) are fulfilled.
Designated standards:
- EN ISO 12100 :2010 Safety of machinery — General principles for design — Risk assessment and risk reduction
- EN 12693 :2008 Refrigerating systems and heat pumps — Safety and environmental requirements — Positive displacement refrigerant compressors
Remarks:
- We also declare that the special technical documentation for this partly completed machine has been created in accordance with Annex II, 1. B and we obligate to provide these upon reasoned request from the individual national authorities by data transfer.
- Commissioning is prohibited until it has been confirmed that the machinery into which the partly completed machine above is to be incorporated complies with the UK Statutory Instrument Supply machinery (Safety) regulations 2008 and an EC Declaration of Conformity, Annex II, 1. A exists.
Authorized person for compiling and handing over technical documentation:
Bock GmbH
Alexander Layh Benzstraße 7 72636 Frickenhausen, Germany.
Frickenhausen, 14th of October 2022

UL-Certificate of Compliance
Dear customer,
the Certificate of Compliance can be downloaded by the following QR-Code:

https://vap.bock.de/stationaryapplication/Data/DocumentationFiles/UL-Certificateofconformity.pdf
Danfoss A/S
Climate Solutions • danfoss.us • +1 888 326 3677 • [email protected].
Any information, including, but not limited to information on selection of product, its application or use, product design, weight, dimensions, capacity or any other technical data in product manuals catalogues descriptions, advertisements, etc. and whether made available in writing, orally, electronically, online or via download, shall be considered informative, and is only binding if and to the extent, explicit reference is made in a quotation or order confirmation. Danfoss cannot accept any responsibility for possible errors in catalogues, brochures, videos and other material. Danfoss reserves the right to alter its products without notice. This also applies to products ordered but not delivered provided that such alterations can be made without changes to form, fit or function of the product.
All trademarks in this material are property of Danfoss A/S or Danfoss group companies. Danfoss and the Danfoss logo are trademarks of Danfoss A/S. All rights reserved.
© Danfoss | Climate Solutions | 2023.07.


















