AeroCool Skribble ARGB Mid Tower Case

Front 1/O Cable Connection
Front /0 Connectors
(Please refer to the motherboard’s manual for further instructions).
Note: Specifications may vary depending on your region.
Contact your local retailer for more information.
Accessory Bag Contents
How to Install
Install Motherboard
Install PSU
Install add-on Card
Install 2.5″ SSD x1
Install 2.5″ SSD x2
Install 3.5″ HDD x1
Install 3.5″ HDD x1
Install Front Fans
Install Rear Fan
Install Top Fans
Install Front Radiator
Install Rear Radiator
Install Top Radiator
1/O Panel
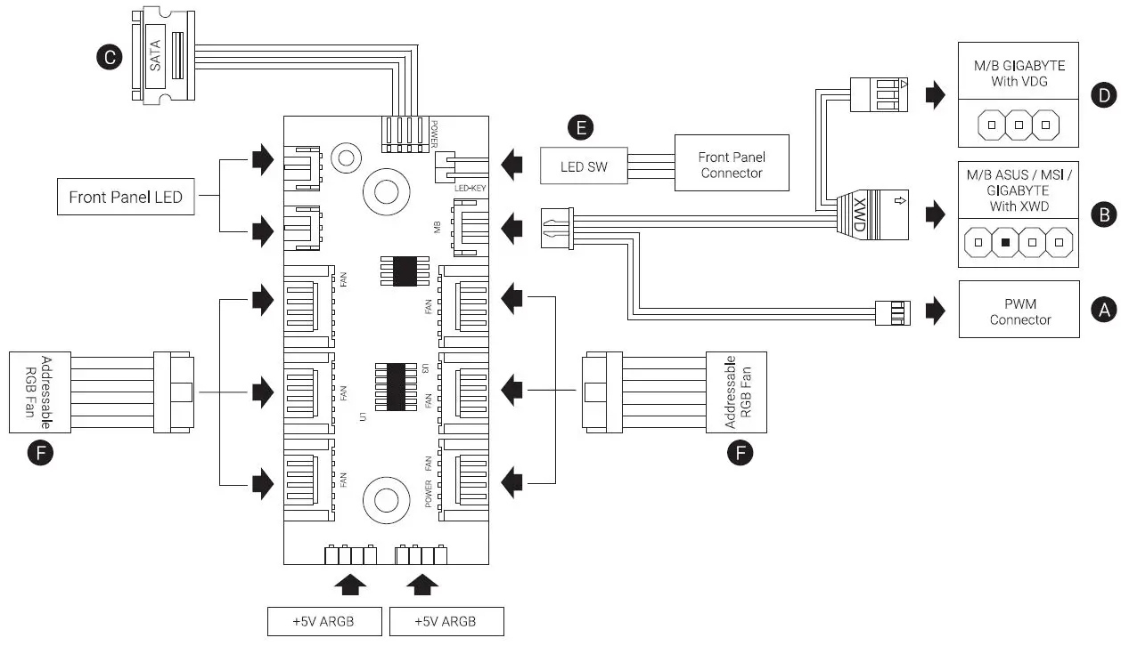
RGB Fan Hub (H66C)
Connection Set Up User Guide
For ASUS Aura Sync, MsI Mystic Light Sync, and GIGABYTE RGB Fusion Motherboards
- Connect (A) to motherboard’s PWM socket
- Connect (B) to motherboard’s Addressable RGB socket
- Connect (C) to PSU’s SATA connector
For GIGABYTE RGB Fusion Motherboards
- Connect (A) to motherboard’s PWM socket
- Connect (D) to motherboard’s Addressable RGB socket
- Connect (C) to PSU’s SATA connector
For Non-Addressable RGB Motherboards
- Connect (A) to motherboard’s PWM socket
- Connect the 2-Pin LED button connector (E) with your hub.
- Connect (C) to PSU’s SATA connector
- Use the RGB fan connectors (F) to connect the Addressable RGB fans with your hub.




















