
Hand dryer

High Speed
Surface Mounted High Speed Hand Dryer
Operating Instructions and Parts Manual

Technical Specifi cations
| Item Category | Performance Data |
| Operating Voltage | 220 – 240Vac, 50 Hz, 700 watts (heater off ) 1400 watts (heater on) |
| Warm Air Speed Output | 110 m/s, 200m³/h |
| Display | LED countdown |
| Motor Type | 35,000 rpm, ICP Brushless DC |
| Motor Thermal Protection | Auto Resetting Thermostat turns unit off , 240V at 221°F (105°C) – EURO Spec |
| Heater Element | 700 WATTS |
| Heater Thermal Protection | Auto resetting |
| Filter | Antibacterial fi lter |
| Air Freshener/Sanitizer | Organic ocean breeze fragrance |
| Drying Time | Less than 10 seconds |
| Circuit Operation | Infared Automatic, self adjusting |
| Timing Protection | 30 seconds auto shut off |
| Decibel Rating | 78dba @ 1 mtr |
| Drip Proof | IP22 |
| Isolation | CLASS I |
| Net Weight | 8.5 kg |
| Shipping Weight | 10 kg |
| Unit Size | 300mm W x 680mm H x 250mm D |
| Certifi cates | CE, WEEE, Greenspec |
| Item Code | Cover Type/Finish |
| BB702W | ABS White |
| BB702S | ABS Metallic silver |
| BB702T | ABS Silver/White two tone |
General Safety Information
WARNING
This product is intended for installation by a qualifi ed service person. Use AWAG No.16 solid conductor for wiring.
Failure to properly ground unit could result in electrical shock and/or death.
Disconnect power at the service breaker before installing or servicing.
NOT FOR HOUSEHOLD USE – MAY CAUSE BURNS “IMPROPRE A L’USAGE DOMESTIQUE – PUET OCCASIONNER.”
All units must be supplied with a 2-wire service. The ground wire must be connected with the dryers back plate.
NOTE: Do not install dryer over wash basin.
Type Y attachment
If the power supply cord is damaged, it must be replaced by the manufacturer or its service agent or a similar qualifi ed person in order to avoid a hazard.
Means for disconnection must be incorporated in the fi xed wiring in accordance with the wiring rules.
Installation
Installation must be carried out only by a qualified electrician
- Make sure power supply breaker is switched off .
Installation must be carried out in accordance with the current edition of the local wiring regulations code having jurisdiction. Installation should be performed only by a qualifi ed electrician. - Place template against wall at desired height (see mounting height recommendations) and mark locations of 4 mounting holes and wire service entry at knockout (KO) location.
NOTE: For two or more dryers, dryers should be no closer than 24 inches (610 mm) on centre. - Remove and retain 2 cover screws.
- Connect supply wires to terminal block where indicated and connect ground wire to baseplate with ground screw.
Connections:
a. Connect the live wire (coloured red or brown) to the terminal block marked “L”.
b. Connect the neutral wire (coloured black or blue) to the terminal block marked “N”.
Note that the colour of live and neutral wires depends on voltage of supply service. - Replace cover screens. Do not over-tighten.
Recommended Mounting Heights
From floor to bottom of dryer.
| Men’s | Ladies | Children, ages 11-17 | Children, ages 3-10 | Disabled |
| 13” | 11” | 10” | 6” | 4” |
| 350 mm | 300 mm | 250 mm | 150 mm | 100 mm |
Consumables
Biodrier Anti Bacterial Filter
The Anti Bacterial Filter is fi tted to ensure dust and airborne bacterias are restricted from entering the internal components and airfl ow of the dryer. The fi lter should be replaced every 3-6 months, depending on usage.

Biodrier Gels
Biodrier Gels are manufactured exclusively for Biodrier and preforms 3 jobs in one:
- Moisturise the hands.
- Sanitise the product internally, and the users hands.
- Fragrances the surrounding washroom area whilst in use.
The Gels are manufactured from natural sources and are chemical free.
| Product | Order Code |
| Antibacterial fi lter | HDS-BB702 |
| Moisturising Gel | HDC-BIO GELS TUB 12B |
Operation
- No touch operation.
- Shake excess water from hands.
- Place hands onto the aperture.
- Move hands up and down.
- Green LEDs count down drying time.
- Stops automatically after hands are removed.

Cleaning and Maintenance Instructions
Periodic cleaning of the unit is recommended to ensure optimum performance.
- Switch to service mode located on the top left side of the dryer.
- Wipe the cover with a soft cloth and a mild cleaning solution. Do not Soak. Never use abrasives to clean the cover.
WARNING
- Never spray water directly onto hand dryer
- Never use any abrasives or harsh chemicals
- Turn off electricity prior to cleaning the hand dryer

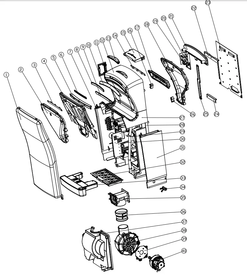
Diagram

Parts List
| Key | Description | Product Code |
| 1 | Cover | HD-BB7023159-01 |
| 2 | Fan house cover | HD-BB7023159-02 |
| 3 | LED light | HD-BB7023159-03 |
| 4 | Fan house cover | HD-BB7023159-04 |
| 5 | Air outlet | HD-BB7023159-05 |
| 6 | Eradiating screen | HD-BB7023159-06 |
| 7 | Left side board | HD-BB7023159-07 |
| 8 | Incept screen | HD-BB7023159-08 |
| 9 | Lighting screen | HD-BB7023159-09 |
| 10 | Air outlet | HD-BB7023159-10 |
| 11 | Door of power switch | HD-BB7023159-11 |
| 12 | Fan house cover | HD-BB7023159-12 |
| 13 | Display screen ornament | HD-BB7023159-13 |
| 14 | Sensor light PCB | HD-BB7023159-14 |
| 15 | Sensor PCB module | HD-BB7023159-15 |
| 16 | Left fi xer | HD-BB7023159-16 |
| 17 | Lighting PCB module | HD-BB7023159-17 |
| 18 | Fan house cover | HD-BB7023159-18 |
| 19 | Switch button | HD-BB7023159-19 |
| 20 | USB port | HD-BB7023159-20 |
| 21 | Bracket | HD-BB7023159-21 |
| 22 | Big pothook | HD-BB7023159-22 |
| 23 | Fixing board | HD-BB7023159-23 |
| 24 | Small pothook | HD-BB7023159-24 |
| 25 | PP seal board | HD-BB7023159-25 |
| 26 | Right fi xer | HD-BB7023159-26 |
| 27 | Connector | HD-BB7023159-27 |
| 28 | Base plate | HD-BB7023159-28 |
| 29 | Hose | HD-BB7023159-29 |
| 30 | Motor PCB | HD-BB7023159-30 |
| 31 | Right side board | HD-BB7023159-31 |
| 32 | Filter | HD-BB7023159-32 |
| 33 | Water tank | HD-BB7023159-33 |
| 34 | Lock | HD-BB7023159-34 |
| 35 | Heater | HD-BB7023159-35 |
| 36 | Passage | HD-BB7023159-36 |
| 37 | Motor cover | HD-BB7023159-37 |
| 38 | Fan house module | HD-BB7023159-38 |
| 39 | Motor bracket | HD-BB7023159-39 |
| 40 | Motor module | HD-BB7023159-40 |

















