Everything Hand Dryers 478631 Hydra 9 Low Energy Automatic Hand Dryer
PLEASE READ CAREFULLY THROUGH THIS MANUAL BEFORE USING THE PRODUCT, OBSERVING ALL SAFETY INFORMATION, AND WARNINGS.
WARNING
- This product is intended for installation by a qualified service person.
- Disconnect power at the service breaker before installing or serving.
- Failure to properly ground unit could result in severe electrical shock.
- All units must be supplied with a 3-wire service. The ground wire must be connected to the dryer’s backplate.
NOTE: Do not install dryer over washbasin. If the power supply cord is damaged, it must be replaced by the manufacturer or its service agent or similarly qualified person in order to avoid a hazard. Means for] disconnection must be incorporated in the\ fixed wiring in accordance with the current wiring regulations.
SPECIFICATION
- Voltage: 220V-240V 50/60Hz,1150W-1350W(Hot)/500W-510W(Cold) 40°C
- Air Temperature: (D=10CM,Room Temp.-25°C)
- Air Velocity: 10OM/S
- Air Flow: 130M/H
- Drying Time: 10-1 12S
- Sensor Range: 5-15CM
- Protection Level: IPXI
- Electric Isolation: CLASS 1
- Brush Motor: 2200OR/M
- Noiselat IM): 74dB
- Cabinet Material: Stainless Steel 304
- Dimension Vertical: W174×D100×H256MM
- Dimension Horizontal: W255-D150-H173MM
INSTALLATION
- Installation must be carried out in accordance with the current edition of the local wiring regulations code having jurisdiction.
- Installation should be performed only by a qualified electrician.
- Place template against wall at the desired height(see mounting height recommendations) and mark locations of 4 mounting holes Dia. 8mm(5/16″).
- Remove and retain 2 side security hex cover screws and cover. Then mount the hand dryer base on the wall. Before replacing the cover, there is an option to run the dryer heater on (1150-1350W) or heater off(500-510W). The switch is clearly marked.
- Replace cover. Do not over-tighten screws.
- Connect the hand dryer plug to the power supply.
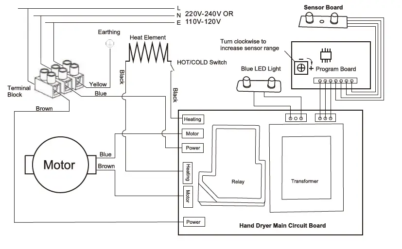
- Connect the live wire(Coloured Brown, Red, or Black) to the terminal block marked “L”.
- Connect the neutral wire(Coloured Black, Blue) to the terminal block marked “N”.
- Connect the ground wire(Coloured Green or Yellow) to the terminal block marked “E”.
OPERATION
- No-touch operation.
- There is a blue LED light to guide user to the airflow.
- Shake excess water from hands.
- Place hands under the outlet to start operation.
- Rub hands lightly and rapidly. Stops automatically after hands are removed.
MAINTENANCE
- Periodic cleaning of the unit is recommended.
- Remove cover and clean dryer dust lint.
- Wipe the cover with a damp cloth and mildcleaning solution. Do not soak.
- Never use abrasives to clean the cover.
PACKING
- Hand dryer: 1 PC
- User Manual: 1PC
- Installation Template: 1 PC
- Plug in Dia. 8x38mm: 4 PCS
- Screw-in Dia. 5x36mm: 4 PCS
- Hex Screwdriver: 1 PCS
| DIAGNOSIS & REMEDIES | |
| Symptom | Corrective Action |
| If the dryer will not run | Ensure the breaker supplying the dryers is operational. If it is, disconnect the power and remove the dryer cover. Taking suitable precautions to avoid shock hazards, reconnect the power and check for voltage at the terminal block. If there is power and the dryer will not run, replace the Electric Circuit Boar (large one) and/or Microcomputer Board (middle one) and/or Sensor Board. Turn the blower wheel several times by hand to establish if it is blocked. |
| If the dryer cycles by itself, runs all the time, or is not sensitive enough. | Ensure that there is no obstruction on or in front of the infrared sensor. Clean any dirt off the sensor lens. Try adjusting the sensitivity potentiometer on the Microcomputer Board (blue knob). Turn anti-clockwise to decrease the sensor range. If the problem persists, replace the Microcomputer Board and/or Sensor Board. |
| If the heating element gets hot but the fan motor does not turn | Disconnect the power. Remove the dryer cover and check for obstructions in the fan housing. Damaged fans must be replaced. If there are no obstructions, replace the motor or brushes. |
| If the dryer runs but makes a buzzing sound | Disconnect the power. Remove the dryer cover and check the fan for rubbing on the housing as it rotates. Replace the fan if is does rub. |
| If the fan motor runs but the heating element does not get hot (dryer blows cold air) | Disconnect the power. Remove the dryer cover. Check that the heat on/off switch is switched on. Check loose and damaged wires. Remove the blower housing. Check the heating element to see if it is burnt or damaged. The damaged element must be replaced. If the element does not appear damaged, disconnect it from the Electric Board and check element wire continuity. Please check the thermostat on the heating element at the same time. |
| If the motor makes a ticking/whining noise when it rotates | Disconnect the power. Remove the dryer cover and check the brushes for worn condition, replace them if necessary. |
DIAGRAM


















