
2KLEIN-101 KLEIN Submersible Stainless Steel Dewatering Pumps
Installation Guide
Installation, Operation & Maintenance Manual
Submersible Stainless Steel Dewatering Pumps
KLEIN series
0.5, 1 & 2 HP @ 3450 RPM
barmesa.com
IMPORTANT! – Read all instructions in this manual before operating or servicing a pump.
General Safety Information
Before installation, read the following instructions carefully. Failure to follow instructions and safety information could cause serious bodily injury, death, and/or property damage. Each Barmesa product is carefully inspected to ensure proper performance. Closely following these instructions will eliminate potential operating problems, assuring years of trouble-free service.
DANGER Indicates an imminently hazardous situation that, if not avoided, WILL result in death or serious injury.
WARNING Indicates an imminently hazardous situation that, if not avoided, MAY result in death or serious injury.
CAUTION Indicates a potentially hazardous situation that, if not avoided, MAY result in minor or moderate injury.
IMPORTANT! – Barmesa Pumps is not responsible for losses, injury or death resulting from failure to observe these safety precautions, misuse, abuse or misapplication of
pumps or equipment.
ALL RETURNED PRODUCTS MUSTB BE CLEANED, SANITIZED, OR DECONTAMINATED PRIOR TO SHIPMENT, TO INSUREE EMPLOYEES WILL NOT BE EXPOSED TO HEALTH HAZARDS IN HANDLING SAID MATERIAL. ALLAPPLIC ABLE AWSANDRE GULATIONSS SHALL APPLY.
WARNING
Installation, wiring, and junction connections must be in accordance with the National Electric Code and all applicable state and local codes. Requirements may vary depending
on usage and location.
WARNING
Installation and servicing is to be conducted by qualified personnel only.
Keep clear of suction and discharge openings. Do not insert fingers in the pump with power connected; the rotating cutter and/or impeller can cause serious injury.
Always wear eye protection when working on pumps. Do not wear loose clothing that may become entangled in moving parts.
DANGER
Pumps build up heat and pressure during operation. Allow time for the pump to cool before handling or servicing the temporary accessory items associated with or near the pump.
DANGER
This pump is not intended for use in swimming pools or water installations where there is human contact with the pumped fluid.
DANGER
Risk of electric shock. To reduce the risk of electric shock, always disconnect the pump from the power source before handling any aspect of the pumping system. Lock out power
WARNING’
Do not use these pumps in water over 104 °F. Do not exceed the manufactures recommended maximum performance, as this could cause the motor to overheat.
DANGER
Do not lift, carry or hang the pump by the electrical cables. Damage to the electrical cables can cause shock, burns or death. Never handle connected power cords with wet hands. Use the appropriate lifting device.
WARNING’
Ground Fault Circuit Interrupter (GFCI) to be used with plug-in type power cord.
DANGER
Failure to permanently ground the pump, motor, and controls before connecting to power can cause shock, burns o death.
DANGER
These pumps are not to be installed in locations classified as hazardous in accordance with the National Electric Code, ANSI/NFPA 70.
WARNING’
The Uniform Plumbing Code (UPC) states that sewage systems shall have an audio and visual alarm that signals a malfunction of the systems, that are required to reduce the potential for property damage.
IMPORTANT! – Prior to installation, record Model Number, Serial, Amps, Voltage, Phase, and HP from the pump nameplate for future reference. Also, record the Voltage and Current Readings at Startup:
Model Number:…………………..
Serial:……………………………….
Amps:………………………………
Volts:………………………………..
Phase:…………………………………
HP: ……………………………………….
Specifications
DISCHARGE:….. 2″ (5.08 cm) NPT female, vertical, bolt-on flange. Lost-wax casting 304 AISI stainless steel.
LIQUID TEMPERATURE:…. 104 °F (40 °C) .
PUMP CASING: 304 AISI stainless steel.
MOTOR HOUSING: 304 AISI stainless steel.
OIL CHAMBER: 304 AISI stainless steel.
IMPELLER: 8 vane, semi-open. 304 AISI stainless steel.
SHAFT: 304 AISI stainless steel.
HARDWARE: 304 AISI stainless steel.
O-RINGS: Buna-N®.
SEAL: Dual, mechanical, oil-filled chamber. The upper part of carbon-ceramic, the lower part of silicon carbide. Stainless steel hardware.
CORD ENTRY: 32 ft of neoprene cord, sealed against moisture.
BEARINGS: Ball, single row, permanently oil lubricated.
MOTOR: Dry-type submersible motor, 1 & 3 phase, 115 & 230 V, 60 Hz, 3450 RPM. Insulation class B and IP68 protection class.
SHAFT-SEAL LUBRICATION OIL: Turbine No. 32 ISO VG-32.
HANDLE 304 AISI stainless steel and Buna-N®.
| MODEL | PART No. | HP | VOLTS | PH | AMPS | RATED RPM | RATED | MAX. | ||
| ft | GPM | ft | GPM | |||||||
| 2KLEIN-051 | 70090121 | 0.5 | 115 | 1 | 6.6 | 3450 | 26 | 30 | 33 | 61 |
| 2KLEIN-101 | 70090123 | 1 | 115 | 1 | 12 | 3450 | 33 | 55 | 62.4 | 82 |
| 2KLEIN-102 | 70090124 | 1 | 230 | 1 | 6 | 3450 | 33 | 55 | 62.4 | 82 |
| 2KLEIN-202 | 70090125 | 2 | 230 | 1 | 13 | 3450 | 43 | 80 | 65.5 | 153 |
| 2KLEIN-203 | 70090127 | 2 | 230 | 3 | 8 | 3450 | 43 | 80 | 65.5 | 153 |
| 2KLEIN-204 | 70090128 | 2 | 460 | 3 | 4 | 3450 | 43 | 80 | 65.5 | 153 |
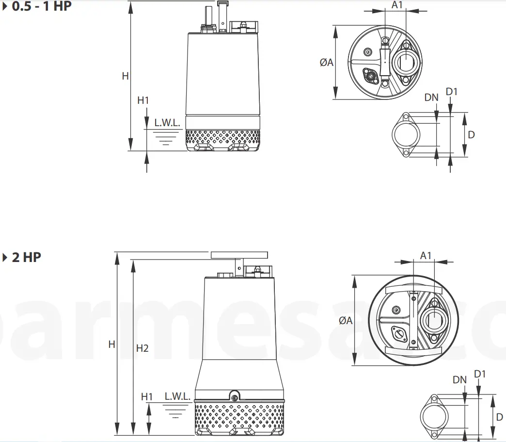
Dimensional drawings

| HP | A | A1 | D | D1 | DN | H | H1 | H2 | WEIGHT (lb) |
| 0.5 | 7.4 | 2.05 | 4.13 | 3.35 | 2″ | 13.58 | 2.05 | – | 31 |
| 1 | 7.4 | 2.05 | 4.13 | 3.35 | 2″ | 14.57 | 2.05 | – | 38 |
| 2 | 8.86 | 2.05 | 4.13 | 3.35 | 2″ | 17.91 | 3.19 | 17.17 | 55 |
* Weight without cord.
– Dimensions in inches.
– L.W.L.: lowest running water level.
Introduction
Purpose of this manual The purpose of this manual is to provide necessary information for:
- Installation
- Operation
- Maintenance
CAUTION
Read this manual carefully before installing and using the product. Improper use of the product can cause personal injury and damage to property and may void the warranty.
NOTICE
Save this manual for future reference, and keep it readily available at the location of the unit.
1.1 Safety terminology and symbols
About safety messages
It is extremely important that you read, understand, and follow the safety messages and regulations carefully before handling the product. They are published to help prevent these hazards: Y Personal accidents and health problems Y Damage to the product Y Product malfunction
Hazard levels
Hazard level | Indication |
| A hazardous situation that, if not avoided, will result in death or serious injury. | |
| A hazardous situation that, if not avoided, could result in death or serious injury. | |
| A hazardous situation that, if not avoided, could result in minor or moderate injury. | |
| NOTICE | A potential situation that, if not avoided, could result in undesirable conditions. A practice not related to personal injury. |
Hazard categories
Hazard categories can either fall under Hazard levels or let specific symbols replace the ordinary hazard level symbols. Electrical hazards are indicated by the following specific symbol:
ELECTRICAL HAZARD
1.2 Product warranty
Coverage
BARMESA undertakes to remedy the following faults in products sold by the manufacturer under the following conditions:
- The faults are due to defects in design, materials or workmanship.
- The faults are reported to the manufacturer representative within the warranty period.
- The product is used only under the conditions described in this manual.
- The monitoring equipment incorporated in the product is correctly connected and in use.
- All service and repair work is done by personnel authorized by the manufacturer.
- genuine manufacturer parts are used.
Limitations
The warranty does not cover faults caused by the following:
- Deficient maintenance.
- Improper installation.
- Modifications or changes to the product and installation are carried out without consulting the manufacturer.
- Incorrectlyexecutedrepairwork.
- Normal wear and tear.
BARMESA assumes no liability for the following:
- Bodily injuries.
- Material damages.
- Economic losses.
Warranty claim
BARMESA products are high-quality products with expected reliable operation and long life. However, should the need arise for a warranty claim, please contact a BARMESA representative?
Spare parts
We guarantee that spare parts will be available for 10 years after the manufacture of this product has been discontinued.
NOTICE
When purchasing pump parts, please provide the product code shown at the nameplate.
1.3 Safety
WARNING
- The operator must be aware of safety precautions to prevent physical injury.
- Any pressure-containing device can explode, rupture, or discharge its contents if it is over-pressurized.
Take all necessary measures to avoid over-pressurization. - Operating, installing or maintaining the unit in any way that is not covered in this manual could cause death, serious personal injury, or damage to the equipment. This includes any modification to the equipment or use of parts not provided by the manufacturer. If there is a question regarding the intended use of the equipment, please contact a BARMESA representative before proceeding.
- This manual clearly identifies accepted methods for disassembling units. These methods must be adhered to. Trapped liquid can rapidly expand and result in a violent explosion and injury. Never apply heat to impellers, propellers or their retaining devices to aid in their removal. Y Do not change the service application without the approval of an authorized BARMESA representative.
CAUTION
You must observe the instructions contained in this manual. Failure to do so could result in physical injury, damage, or delays.
1.4 User safety
General safety rules
- Always keep the work area clean.
- Pay attention to the risks presented by gas and vapors in the work area.
- Avoid all electrical dangers. Pay attention to the risks of electric shock or arc flash hazards.
- Always bear in mind the risk of drowning, electrical accidents, and burn injuries.
NOTICE
Never operate a unit unless safety devices are installed. Also, see specific information about safety devices in other chapters of this manual.
Electrical connections
These must be made by certified electricians in compliance with all international, national, state, and local regulations. For more information about requirements, see sections dealing specifically with electrical connections.
1.5 Environmental safety
The work area Always keeps the station clean to avoid and/or discover emissions.
Waste and emissions regulations
Observe these safety regulations regarding waste and emissions:
- Dispose appropriately of all waste.
- Handle and dispose of the processed liquid in compliance with applicable environmental regulations.
- Clean up all spills in accordance with safety and environmental procedures.
- Report all environmental emissions to the appropriate authorities.
Electrical installation
For electrical installation recycling requirements, consult your local electric utility.
Recycling guidelines Always recycle according to the guidelines listed below:
- Follow local laws and regulations regarding recycling if the unit or parts are accepted by an authorized recycling company.
- If the first guideline is not applicable, then return the unit or parts to the nearest BARMESA representative.
Prior to operation
Check the following points upon receipt of your pump.
- Is it the pump you ordered? Check nameplate. It is especially important that you check whether the pump is to be used with 50 or 60 Hz.
- Has any damage occurred during shipment? Are any bolts or nuts loose?
- Have all necessary accessories been supplied? For a list of standard accessories see the drawing and parts list.
Installation
Check the following before beginning installation:
3.1 Insulation resistance measurement
With the motor and cable (excluding the power supply cable) immersed in water, use a megger to measure the insulation resistance between the ground and each phase of the motor, and again between each phase of the motor.
The megger should indicate an insulation resistance of not less than 20 megaohms. While making the measurement, keep the power supply cable off the ground.
NOTICE
We recommend that an auxiliary pump be kept on hand in case of an emergency.
3.2 Installation
WARNING
Under no circumstances should the cable be pulled while the pump is being transported or installed.
Attach a chain or rope to the grip and install the pump.
This pump must not be installed on its side or operated a dry condition. Ensure that it is installed upright on a secure base.
Install the pump at a location in the tank where there is the least turbulence.
If there is a flow of liquid inside the tank, support the piping where appropriate. Install piping so that air will not be entrapped. If piping must be installed in such a way that air pockets are unavoidable, install an air release valve wherever such air pockets are most likely to develop.
Do not permit the end of discharge piping to be submerged, as backflow will result when the pump is shut down.
Non-automatic pumps do not have an automatic operating system. Do not operate the pump for a long time with the water level near the minimum operating level (L.W.L.) as shown in Fig.1, as the automatic cut-off switch incorporated inside the motor will be activated. To avoid a dry operation, install an automatic operating system so that this will not happen, as shown in Fig.2, and maintain a safe operating water level.
Electrical wiring
WARNING
- Electrical shock hazard. Check that the cable and cable entry has not been damaged during transport before installing the pump.
- Never let the end of the cable touch water.
- Use short circuit breakers to prevent the danger of electrical shock.
- Never start the pump while it is suspended, as the pump may jerk and cause a serious accident involving injury.
4.1 Wiring
- Wire as indicated for the appropriate start system as shown in Fig-3 & 4 for single-phase version and Fig-5 for three-phase.
- Loose connections will stop the pump. Make sure all electrical connections are secure.
- For three-phase motors, operate the pump for a short time (1 or 2 seconds) to verify the impeller’s direction of rotation: if its recoil is in a counterclockwise direction, then it is correct. If not please switch two of the three power cords to correct the rotation of the direction of the impeller.
- Make sure to check the pump’s direction of rotation with the pump exposed to the atmosphere.
- Operating the pump with reversed rotation while in submerged condition underwater will most likely damage the barmesa.com pump, which may lead to leakage and electrical shock.
4.2 Cable
- If the cable is extended, do not immerse the splice in water.
- Do not pull the cable. 3. Install the cable so that it will not overheat. Overheating is caused by coiling the cable and exposing it to direct sunlight.
4.3 Grounding
ELECTRICAL HAZARD
- You must ground all electrical equipment. This applies to the pump equipment, the driver, and any monitoring equipment. Test the ground lead to verify that it is connected correctly.
- If the motor cable is jerked loose by mistake, the ground conductor should be the last conductor to come loose from its terminal. Make sure that the ground conductor is longer than the phase conductors. This applies to both ends of the motor cable.
- Risk of electrical shock or burn. You must connect an additional ground fault protection device to the grounded connectors if persons are likely to come into physical contact with the pump or pumped liquids.
WARNING
To prevent damaging the pump and causing current leakage, which may lead to electrical shock, be sure to install the ground wire securely.
CAUTION
To prevent electrical shock caused by improper grounding, do not connect the ground wire to a gas pipe, water pipe, lightning rod, or telephone ground wire.
Electric circuit diagrams
Operation
5.1 Before starting the pump
- After completing the installation, measure the insulation resistance again as described in the Installation section.
- If the pump is operated continuously for an extended period of time in a dry condition or at the lowest water level, the motor protector will be activated. Constant repetition of this action will shorten pump service life. Do not start the pump again in such a situation until after the motor has completely cooled.
5.2 Operation test
- Turn the operating switch on and off a couple of times to check for a normal pump start.
Maintenance
Check pressure, output, voltage, current and other specifications. Unusual readings may indicate a pump failure. Refer to Troubleshooting and correct as soon as possible.
6.1 Daily inspections
Check current and ammeter fluctuation daily. If ammeter fluctuation is high, even though within the limits of pump
barmesa.com rating, foreign matter may be clogging the pump. If the discharged amount of liquid suddenly falls, foreign matter may be blocking the inlet suction.
6.2 Regular inspections
a. Monthly inspections Measure the insulation resistance. The value should be more than 1 megaohm. If resistance starts to fall rapidly even with an initial indication of over 1 M, this may be an indication of a pump failure, and repair work is required.
b. Annual inspections To prolong the service life of the mechanical seal by replacing the oil in the mechanical seal chamber once a year. Water mixed with the oil or cloudy textures are indications of a defective mechanical seal requiring replacement. When replacing the oil, lay the pump on its side with a filler plug on top. Fill a suitable amount of lubricating oil No. 32.
c. Inspections at 3-5 year intervals Conduct an overhaul of the pump. These intervals will help to avoid possible failures in the future.
6.3 Parts need to be replaced
Replace the appropriate part when the following conditions appear:
| REPLACEABLE PART | Mechanical seal | Oil filler plug gasket | Lubricating oil | O-ring |
| REPLACEMENT GUIDE | Whenever oil in mechanical seal chamber is clouded | Whenever oil is replaced or inspected | Whenever clouded or dirty | Whenever the pump is overhauled |
| FREQUENCY | Annually | Every 6 months | Every 6 months | Annually |
Disassembly and reassembly procedure
DANGER
Disconnect and lock out electrical power before installing or servicing the unit.
WARNING
A worn impeller and/or pump housing can have very sharp edges.Wear protective gloves.
CAUTION
Make sure to perform a trial operation when starting the pump after a reassembly. If the pump was assembled improperly, it may lead to abnormal operation, electrical shock or water damage.
7.1 Disassembly
When disassembling the pump, have a piece of cardboard or wooden board ready to place the different parts on as you work. Do not pile parts on top of each other, they should be laid out neatly in rows.
The “O” ring and gasket cannot be used again once they are removed. Have replacement parts ready. Disassemble in the following order, referring to the exploded view drawings.
- Remove pump casing bolts, raise the motor section and remove pump casing.
- Remove shaft head bolt and impeller.
- Remove the oil filler plug and drain the lubricating oil.
- Remove intermediate casing bolts and oil chamber. Remember that any lubricating oil remaining in the mechanical seal chamber will flow out.
- Carefully remove the mechanical seal, beware of not scratching the sliding surface of the motor shaft.
7.2 Assembly Re-assemble in reverse order of disassembly. Be careful of the following points:
a. During re-assembly, rotate the impeller by hand and check for smooth rotation. If rotation is not smooth, perform steps 3 through 5 again.
b. Upon completion of re-assembly, rotate the impeller by hand from the suction inlet and check that it rotates smoothly without touching the suction cover before operating the pump.
Please order”O” rings, packing, shaft seals, and other parts from your dealer.
| ITEM | NAME | MATERIAL |
| 18 | GASKET | EPDM |
| 18‐1 | GASKET | EPDM |
| 18‐2 | GASKET | EPDM |
| 19 | SCREW | AISI 304 |
| 19‐1 | SCREW | AISI 304 |
| 19‐2 | SCREW | AISI 304 |
| 19‐3 | SCREW | AISI 304 |
| 19‐4 | SCREW | AISI 304 |
| 19‐5 | SCREW | AISI 304 |
| 19‐6 | SCREW | AISI 304 |
| 19‐7 | SCREW | STEEL |
| ITEM | NAME | MATERIAL |
| 19-10 | SCREW | AISI 304 |
| 20 | WASHER | AISI 304 |
| 22 | SCREW W/ O-RING | AISI 304 / NBR |
| 23 | CABLE SEAT | – |
| 26 | T ADAPTER (OPTIONAL) | – |
| 31 | NUT | AISI 304 |
| 31-2 | NUT | AISI 304 |
| 33 | SPRING WASHER | AISI 304 |
| 34 | CORRUGATED SPRING | STEEL |
| 35 | SLEEVE | AISI 304 |
| 36 | KEY | AISI 304 |
40.5 – 1 HP
For repair part please supply: Model Number and Serial as shown on Name Plate, and Part Description and Part Number as shown on Parts List.
2 HP

| ITEM | NAME | MATERIAL |
| 18‐1 | GASKET | EPDM |
| 18‐2 | GASKET | EPDM |
| 19 | SCREW | AISI 304 |
| 19‐1 | SCREW | AISI 304 |
| 19‐2 | SCREW | AISI 304 |
| 19‐3 | SCREW | AISI 304 |
| 19‐4 | SCREW | AISI 304 |
| 19‐5 | SCREW | AISI 304 |
| 19‐6 | SCREW | AISI 304 |
| 19‐7 | SCREW | STEEL |
| 19‐10 | SCREW | AISI 304 |
| 20 | WASHER | AISI 304 |
| ITEM | NAME | MATERIAL |
| 22 | SCREW W/ O-RING | AISI 304 / NBR |
| 23 | CABLE SEAT | – |
| 26 | T ADAPTER (OPTIONAL) | – |
| 29 | INSULATION PAPER | – |
| 31-1 | NUT | AISI 304 |
| 31-2 | NUT | AISI 304 |
| 33 | SPRING WASHER | AISI 304 |
| 33-1 | SPRING WASHER | AISI 304 |
| 34 | CORRUGATED SPRING | STEEL |
| 35 | SLEEVE | AISI 304 |
| 36 | KEY | AISI 304 |
2 HP
For repair parts please supply: Model Number and Serial as shown on Name Plate, and Part Description and Part Number as shown on Parts List.
Troubleshooting
Risk of electric shock. Always disconnect the pump from the power source before handling inspections or repairs.
| Symptom | Possible Cause(s) | Corrective Action |
| Does not start. Starts, but immediately stop. | (1) Power failure (2) Large discrepancy between power source and voltage (3) Significant drop in voltage (4) Motor phase malfunction (5) Electric circuit connection faulty (6) Faulty connection of control circuit (7) Fuses is blown (8) Faulty magnetic switch (9) Water is not at the level indicated by float (10) Float is not an inappropriate level (11) Float is not effective (12) Short circuit breaker is functioning (13) Foreign matter clogging pump (14) Motor burned out (15) Motor bearing broken | (1)~(3) Contact electric power company and devise counter-measures |
| Operates, but stops after a while. | (1) Prolonged dry operation has activated motor protector and caused the pump to stop (2) High liquid temperature has activated the motor protector and caused the pump to stop (3) Reverse rotation | (1) Raise water level to C.W.L. |
| Does notrump. Inadequate volume. | (1) Reverse rotation (2) Significant drop in voltage (3) Operating a 60 Hz pump with 50 Hz (4) Discharge head is high (5) Large piping loss (6) Low operating water level causes air suction (7) Leaking from discharge piping (8) Clogging of discharge piping (9) Foreign matter in the suction inlet (10) Foreign matter clogging pump (11) Worn impeller | (1) Corre.ct protection (see Operation) (2) Contact the electric power company (3) Check nameplate (4) Recalculate and adjust (5) Recalculate and adjust (6) Raise the water level or lower pump (7) Inspect, repair (8) Remove foreign matter (9) Remove foreign matter (10) Remove foreign matter (11) Replace the impeller |
| Over current | (1) Unbalanced current and voltage (2) Significant voltage drop (3) Motor phase malfunction (4) Operating 50 Hz pump on 60 Hz (5) Reverse rotation (6) Low head. Excessive volume of water (7) Foreign matter clogging pump (8) Motor bearing is worn out or damaged | (1) Contact the electric power company (2) Contact the electric power company and devise counter-measure (3) Inspect connections and magnetic switch (4) Check nameplate (5) Correct rotation (see Operation 2) (6) Replace pump with high head pump= (7) Remove foreign matter (8) Replace bearing |
| The pump vibrates; excessive operating noise. | (1) Reverse rotation (2) Pump clogged with foreign matter (3) Piping resonates (4)Strainer is closed too far | (1) Correct rotation (2) Disassemble and remove foreign matter (3) Improve piping (4) Open strainer |
BARMESA PUMPS FACTORY WARRANTY
Barmes Pumps warrants that products of our manufacture will be free of defects in material and workmanship under normal use and service for 18 months from the date of manufacture or 12 months from the installation date whichever occurs first. This warranty gives you specific legal rights, which vary from state to state.
This warranty is a limited warranty, and no warranty-related claims of any nature whatsoever shall be made against Barmesa Pumps until the ultimate consumer or his/her successor notifies us in writing of the defect and delivers the product and/or defective parts) freight prepaid to our factory or nearest authorized service station as instructed by Barmesa Pumps.
THERE SHALL BE NO FURTHER LIABILITY. WHETHER BASED ON WARRANTY. NEGLIGENCE OR OTHERWISE. PRODUCT SHALL BE
EITHER REPLACED OR REPAIRED AT THE ELECTION OF BARMESA PUMPS.
Guarantees relating to performance specifications provided in addition to the foregoing material and workmanship warranties on a product manufactured by Barmesa Pumps, if any, are subject to possible factory testing. no additional guarantees, in the nature of certified performance specifications or time frame, must be in writing and such writing must be signed by our authorized factory manager at the time of order placement and/or at the time of quotation. Due to inaccuracies in field testing and should, a conflict arises between the results of field testing conducted by or for the user, Barmesa Pumps
reserves the right to have the product returned to our factory for additional testing. This warranty shall not apply when damage is caused by (1) improper installation, [2) improper voltage, [3) lightning, (4) excessive sand or other abrasive material, (5] corrosion build-up due to excessive chemical content or (6) uncontrollable acts of God. Any modification of the original equipment will also void the warranty. We will not be responsible for loss, damage or labor cost due to interruption of service caused Dy defective pumps, parts or systems. Barmes Pumps will not accept charges incurred by others without our prior written approval. This warranty is void if our inspection reveals the product was used in a manner inconsistent with normal industry practice and/or our specific recommendations. The purchaser is responsible for the communication of all necessary information regarding the application and use of the product.
UNDER NO CIRCUMSTANCES WILL WE BE RESPONSIBLE FOR ANY OTHER DIRECT OR CONSEQUENTIAL DAMAGES. INCLUDING BUT NOT LIMITED TO TRAVEL EXPENSES. CONTRACTOR FEES. UNAUTHORIZED REPAIR SHOP EXPENSES. LOST PROFITS. LOST INCOME. LABOR CHARGES. DELAYS IN PRODUCTION. IDLE PRODUCTION, WHICH DAMAGES ARE CAUSED BY ANY DEFECTS IN MATERIAL AND/OR WORKMANSHIP AND/OR DAMAGE OR DELAYS IN SHIPMENT. THIS WARRANTY IS EXPRESSLY IN LIEU OF ANY OTHER EXPRESS OR IMPLIED WARRANTY.
No rights extended under this warranty shall be assigned to any other person, whether by operation of law or otherwise, without our prior written approval.
IMPORTANT!
If you have a claim under the provision of the warranty, contact Barmesa Pumps or your authorized Barmesa Pumps Distributor
[email protected]
www.barmesapumps.com



















