Barmesa Pumps 8BSE-HLDS Series Submersible Solids Handling Pumps
General Safety Information
Before installation, read the following instructions carefully. Failure to follow instruction and safety information could cause serious bodily injury, death, and/or property damage. Each Barmesa product is carefully inspected to insure proper performance. Closely following these instructions will eliminate potential operating problems, assuring years of trouble-free service.
DANGER “Danger” indicates an imminently hazardous situation which, if not avoided, WILL result in death or serious injury.
WARNING “Warning” indicates an imminently hazardous situation which, if not avoided, MAY result in death or serious injury.
CAUTION “Caution” indicates a potentially hazardous situation which, if not avoided, MAY result in minor or moderate injury.
IMPORTANT-Barmesa Pumpsis are not responsible for losses, injury or death res ulting from failure to observe these safety precautions, misuse, abuse or misapplication of pumps or equipment.
ALL RETURNED
P R O D U C T S M U S T B E CLEANED, SANITIZED, OR DECONTAMI NAT ED PR I OR TO SHIPMENT , TO ENSURE EMPLOY WILL NOT BE EXPOSED TO HEALTH HAZARDS IN HANDLING SAID MATERIAL. ALL APPLICABLE EL WS AND REGULATIONS SHAL L APPLY.
WARNING Installation, wiring, and j un c t i on conn e c t i on s mu s t b e i n accordance with the National Electric Code and all applicable state and local codes. Requirements may vary depending on usage and location.
WARNING
Installation and servicing is to be conducted by qualified personnel only.
Keep clear of suction and discharge openings. Do not insert fingers in pump with power connected; the rotating cutter and/or impeller can cause serious injury.
Always wear eye protection when working on pumps. Do not wear loose clothing that may become entangled in moving parts.
DANGER Pumps build up heat and pressure during operation. Allow time for the pump cool before handling or servicing the pump or any accessory items associated with or near the pump.
DANGER This pump is not intended for use in swimming pools or water installations where there is human contact with the pumped fluid. a
DANGER Risk of electric shock. To reduce risk of electric shock, always disconnect the pump Jfrom the power source before handling any aspect of the pumping system. Lock out power and tag. A WARNING Do not use these pumps in water over 104° F. Do not exceed the manufacturer’s recommended maximum performance, as this could cause the motor to overheat. A DANGER Do not lift, carry or hang the pump by the electrical cables. Damage to the electrical cables can cause shock, burns or death. Never handle connected power cords with wet hands. Use the appropriate lifting device.
WARNING Ground Fault Circuit Interrupter (GFCI) to be used with plug-in type power cord.
WARNING Sump a n d s e w a g e pumps often handle materials that could cause illness or disease. Wear adequate protective clothing when working on a used pump or piping. Never enter a basin after it has been used.
A DANGER Failure to permanently ground the pump, motor, and controls before connecting to power can cause shock, burns or death.
DANGER These pumps are not to A be installed in locations not to classified as hazardous in accordance with the National Electric Code, ANSI/NFPA 70.
WARNING The Uniform Plumbing Code (UPC) states that sewage systems shall have an audio and visual alarm that signals a malfunction of the systems, that are required to reduce the potential for property damage. IMPORTANT! Prior to installation, record Mode Voltage, Phase and HP from pump name plate for the future reference. Also record the Voltage and Current Readingsat Startup: | Number, Serial, Amps,
| 3 Phase Models | |
| Amps L1-2: | Volts L1-2: |
| Amps L2-3: | Volts L2-3: |
| Amps L3-1: | Volts L3-1: |
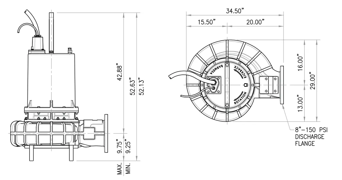
Specifications & Dimensions
- DISCHARGE: 8″, 125lb, flange horizontal.
- SPHERICAL SLD HNDLG: 3″
- LIQUID TEMPERATURE: 104° F (40° C) max.
- VOLUTE: Cast iron ASTM A-48 class 30.
- WEAR RING: Bronze.
- MOTOR HOUSING: Cast iron ASTM A-48 class 30.
- SEAL PLATE: Cast iron ASTM A-48 class 30.
- IMPELLER: 3 vanes, closed, with a bronze wear ring and vanes on back side. Cast iron ASTM A-48 class 30. 416 series stainless steel.
- SHAFT: Buna-N.
- SQUARE RINGS: Air dry enamel, water based.
- PAINT: Air dry enamel, water based.
- SEAL: Double mechanical, oil filled chamber. Silicon carbide outboard, carbon ceramic inboard seal, elastomer Buna-N and stainless steel hardware.
- DIAPHRAGM: Buna-N.
- HARDWARE: 300 series stainless steel.
- CORD ENTRY: 25 ft of neoprene cord, sealed against moisture.
- UPPER BEARING: Ball, single row, oil lubricated, for radial load.
- LOWER BEARING: Ball, single row, oil lubricated, for radial and thrust load.
- MOTOR: Three-phase, NEMA B, oil-filled. Requires overload protection to be included in control panel. Class F insulation.
- MOISTURE SENSOR: Normally open (N/O) included.
- TEMPERATURE SENSOR: Normally closed Included.
- OPTIONAL EQUIPMENT: Mueller trimming, additional cord, tungsten carbide seal, slide rail coupling (SRC-8).
| MODEL | PART No. | HP | VOLTS | PHASE | RPM (Nominal) | MAX AMPS | LOCKED ROTOR AMPS | NEMA CODE | CORD SIZE | CORD TYPE | CORD O. D. | WEIGHT (pounds) |
| 8BSE36036HLDS | 62170351 | 36 | 230 | 3 | 1150 | 90 | 434 | E | 2/3 | 3G | 1.34″ | 992 |
| 8BSE36046HLDS | 62170352 | 36 | 460 | 3 | 1150 | 45 | 217 | E | 2/3 | 3G | 1.34″ | 992 |
| 8BSE48046HLDS | 62170353 | 48 | 460 | 3 | 1150 | 65 | 290 | E | 2/3 | 3G | 1.34″ | 1014 |

Recommendations and Warnings
Receiving inspection
Upon receiving the pump, it should be inspected for damage or shortages. If damage has occurred, file a claim immediately with the company that delivered the pump. If the manual is removed from the packaging, do not lose or misplace.
Storage
Any product that is stored for a period longer than six (6) months from the date of purchase should be bench tested prior to installation. A bench test consists of, checking the impeller to assure it is free turning and a run test to assure the motor (and switch if provided) operate properly.
Controls
Manual models require a separate approved pump control device or panel for automatic operation. Be sure the electrical specification of the control selected properly match the electrical specifications of the pump.
Submergence
The pump should always be operated in the submerged condition. The minimum sump liquid level should never be less than above the pump’s volute (See Figure 1).
Installation
These pumps are recommended for use in a sump, basin or lift station. The sump, basin or lift station shall be sealed and vented in accordance with local plumbing codes. This pump is designed to pump sewage, effluent or wastewater, non-explosive and non-corrosive liquids and shall NOT be installed in locations classified as hazardous in accordance with the National Electrical Code (NEC) ANSI/NFPA 70 or Canadian Electric Code (CEC). The pump should never be installed in a trench, ditch, or hole with a dirt bottom. The legs will sink into the dirt and the suction will become plugged.
The installation should be at a sufficient depth to ensure that all plumbing is below the frost line. If this is not feasible, remove the check valve and size the basin to the backflow volume. accommodate additional Pumps are most commonly installed in simplex or duplex stations or basins with a slide rail system (Barmesa SRC), which allows the pump(s) to be instaled or removed without requiring personnel to enter the station, or resting on the basin foor.
Discharge Piping
Discharge piping should be as short as possible and sized no smaller than the pump discharge. Do not reduce the discharge pipe size below that which is provided on the pump. Both a check valve and a shut-off valve are recommended for each pump. The check valve is used to prevent backflow into the sump. The shut-off valve is used to manually stop system low during pump servicing.
Liquid Level Controls
The level control(s) should be mounted on the discharge piping, a cable rack or float pole. The level control should have adequate clearance so it cannot hang up in it’s swing and that the pump is completely submerged when the level control is in the “Off ” mode. By adjusting the cord tether the control level can be changed. One cycle of operation should be observed, so that any potential problems can be corrected.
It is recommended that the level control float should be set to insure that the liquid in the sump never drops below the top of the motor housing or a minimum level of 10 inches above the basin floor.
Electrical Connections Power cable
The power cable mounted to the pump must not be modified in any way except for shortening to a specific between the pump and the control panel must be made in accordance with the electric codes. It is application. Any splice recommended that a junction box, if used, be mounted outside the sump or be of at a minimum Nema construction if located within the wet well. DO NOT USE THE POWER CABLE TO LIFT PUMP. Always a Certified rely Electrician for installation. upon
Overload Protection
Three Phase – The Normally Closed (N/C) thermal sensor is embedded in the motor windings and will detect excessive heat in the event an overload condition occurs. The thermal sensor will trip when the windings become too hot and will automatically reset when the pump motor cools to a safe temperature. It is recommended that the thermal sensor be connected in series to an alarm device to alert the operator of an overload condition, and/or the motor starter coil to stop the pump. In the event of an overload, the source of this condition should be determined and repaired.
WARNING DOES NOT ALLOW THE PUMP TO CYCLE OR RUN IF AN OVERLOAD CONDITION OCCURS.
Moisture Sensors
A normally open (N/O) sensor rated of 1 watt @330K ohms, 50 volt, is installed in the pump seal chamber which will detect any moisture recommended that this detector be present. It is wired in series to an alarm device or motor starter coil to alert the operator that a moisture detect has occurred. In the event of moisture detect, check the individual moisture sensor probe leads for continuity, ( resistance = no moisture) and the junction box/control box for moisture content. These situations may induce a false signal in the moisture detecting circuit. If none of the above test prove conclusive, the pump(s) should be pulled and the source of the failure repaired. IF A MOISTURE DETECT HAS OCCURRED MAINTENANCE SHOULD BE PERFORMED AS soON AS POSSIBLE! If current through the temperature sensor exceeds the values listed, an intermediate control circuit relay must be used to reduce the current or the sensor will not work properly.
| TEMPERATURE SENSOR ELECTRICAL RATINGS | ||
| Volts | Continuous Amperes | Inrush Amperes |
| 220-240 | 1.50 | 15.0 |
| 440-480 | 0.75 | 7.5 |
Wire Size
If longer power cable is required consult a qualified electrician for Proper wITe Sie. Pre-Operation
- Check Voltage and Phase Compare the voltage and phase information stamped on the pump name plate.
- Check Pump Rotation- Improper motor rotation can result in poor pump performance and can damage the motor and/or pump. Check rotation on three phase units by momentarily applying power and observe the “kickback’. OTALO VCK BAC Bottom of Pump Kickback should always be in a counter-clockwise direction viewed from motor end or opposite to impeller rotation. Impeller rotation IS is counter-clockwise as viewed from bottom of pump.

- Name Plate Record the information from the pump name plate to drawing in front of manual for future reference.
- Insulation Test An insulation (megger) test should be pertormed on the motor. Before the pump is put into service. The resistance values (ohms), as well as the voltage (volts) and current (amps), should be recorded.
- Pump-Down Test – Be sure the pump has been properly wired, lowered into the basin, sump or lift station, check the system by filling with liquid and allowing the pump to operate through its pumping cycle. The time needed to empty the system, or pump-down time along with the volume of water, should be recorded.
Maintenance No lubrication or maintenance is required. Perform the following checks when pump is removed from operation or when pump performance deteriorates
- Inspect motor and seal chambers for oil level and contamination.
- Inspect impeller and body for excessive build-up or ciogging
- Inspect motor, bearings and seal for wear or leakage, replace if required..
Servicing
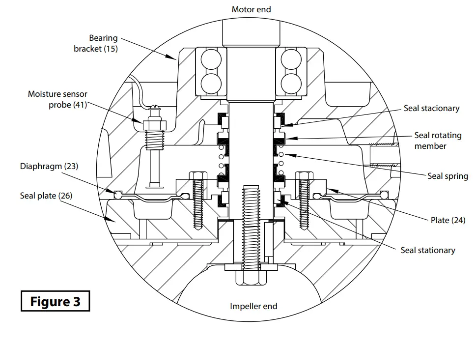
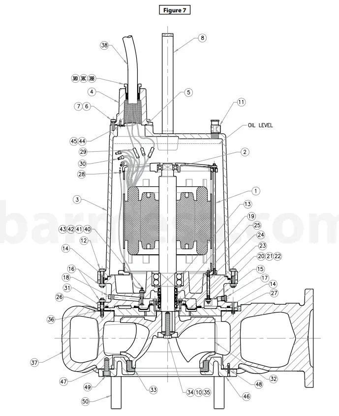
NOTE: Item numbers in () refer to Figures 6 and 7. a
Cooling Oil – Anytime the pump is removed from operation, the cooling oil in the motor housing should be checked visually for oil level and contamination. To check oil, set unit upright. Remove cap screws (6), lift conduit box assembly (4) from motor housing (3), Do Not disconnect wiring from motor leads. With a flashlight, visually inspect the oil in the motor housing (3) to make sure it is clean and clear, light amber in color and free from suspended particles. Milky white oil indicates the presence of water. Oil level should be just above the motor when pump is in vertical position.
Seal Chamber – Drain oil from seal chamber by placing pump on its side with pipe plug (18) downward and remove pipe plug (18). If the oil is found to contain considerable water or other contamination, the shaft seal (19) replaced if required. should be inspected and
oil Testing
- Drain oil into a clean, dry container placing pump on it’s side, remove cap screws (6), lift conduit box assembly (4) from motor housing (3). In separate container drain seal chamber by removing pipe plug (18).
- Check oil for contamination using an oil tester with a range to 30 kV breakdown.
- If oil is found to be clean and uncontaminated (measuring above 15 kV breakdown), refill the housing.
- If oil is found to be dirty or (or measures below 15 kV breakdown), the carefully inspected for leaks at the shaft seal, conduit box, o-rings, pipe plug and pressure valve, before reflling with oil. To locate the leak, perform a pressure test. contaminated pump must be After leak is repaired, dispose of old oil properly, and refill with new oil.

Pressure builds up extremely fast, increase pressure by by TAPPING” air nozzle. Too much pressure will damage seal. DO NOT exceed 10 PSI in housing and 20-25 PSI in seal chamber.
Pressure Test
Motor Housing – Oil should be at normal level. Remove pressure valve (11) from motor housing (3). Apply pipe sealant to pressure gauge assembly and tighten into hole (See Figure 2). Pressurize motor housing to 10 PSI. Use soap solution around the sealed areas above the oil level and inspect joints for “air bubbles”.
If, after five minutes, the pressure is still holding constant, and no “bubbles” /oil seepage is observed, slowly bleed the pressure and remove the gauge assembly. Replace oil. Leek must be located and repaired if pressure does not hold.
Seal Chamber
Check that seal chamber is full of oil by removing pipe plug (18). Apply pipe sealant to pressure gauge assembly and tighten into hole in bearing bracket (15). Pressurize seal chamber to 20-25 PSI and check for leaks.
Oil Replacement
Set unit upright and refill with new cooling oil as per table. Fill to just above motor as an air space must remain in the top of the housing to compensate for oil expansion. Reassemble the o-ring (5) and conduit box (4) to motor housing (3). Apply thread locking compound to cap screws (6) and place into holes and torque to 15 ft/lbs.
DO Overfill housing with oil can create excessively and NOT overfill oil. e dangerous hydraulic pressure which can destroy the pump and create a hazard. overfilling oil voids warranty il Replacement: Seal Chamber Refill chamber completely full with new cooling oil r reuse the uncontaminated oil.
| Cooling Oil Recommended Supplier/Grade | |
| BP | Enerpar SE100 |
| Conoco | Pale Parafin 22 |
| Mobile | D.T.E. Oil Light |
| Shell Canada | Transformer-10 |
| Texaco | Diala-Oil-AX |
Disassembly
Impeller and Volute – Disconnect power. Remove hex nuts (16) and vertically lift motor housing and seal plate assembly from volute (37). Clean out volute (37) if necessary. Inspect gasket (36) and replace if cut or damaged. Clean and examine impeller (32), for pitting or wear and replace if required.To remove impeller (32), remove cap screw (35), lockwasher (10) and washer (34). With a wheel puller, pull impeller straight of shaft and remove square key. To remove wear ring (33), split it and remove, being carefull not to damage volute.
Moisture Probes Drain oil from seal chamber, if not already done. Remove cap screws (9) and lifting handle (8). Set unit upside down on blocks to avoid damaging cables. Remove socket head cap screws (27) and lift seal plate (26), with seal’s (19) stationary, vertically from bearing bracket (15), do not damage seal. Check moisture sensor probes (41) for damage, replace by removing screws (42) and disconnecting wires (40). Then remove probes (41) from bearing bracket (15).
Diaphragm -with seal plate (26) removed, examine diaphragm (23) for ruptures or crackes. Replace diaphragm by removing capscrews (25) and plate (24). Clean vent holes in seal plate (26).
Shaft Seal – Remove outboard rotating member of seal (19), spring and inboard rotating member from shaft. Examine all seal parts. Inspect seal for signs of uneven wear pattern on stationary members, chips and scratches on either seal face. DO NOT interchange seal components, replace the entire shaft seal (19). If replacing seal, remove stationary by prying out with flat screwdriver.
Motor and Bearings Remove volute, impeller, seal plate and seal as previously stated and drain oil from motor housing (3). Position unit upright, using blocks to avoid resting unit on shaft.Remove cap screws (6), o-ring (5) and conduit box assembly (4) from motor housing (3). Note connections and then remove cable lead wires from motor lead wires and moisture and temperature sensor wires from control cable by removing connectors. Remove cap screws (12) and vertically lift the motor housing (3) from bearing bracket (15). Replace square ring (14) if damaged or cut. Remove the upper motor bolts and lift upper end bell from motor (1). Remove wave washer. Remove upper bearing (2) with a wheel puller if damaged or worn.
Vertically lift stator (1) from rotor/shaft. Inspect windings for shorts and resistance. Test the temperature sensors by checking fordamaged or worn. Vertically lift stator (1) from rotor/shaft. Inspect windings fo shorts and resistance. Test the temperature sensors by checking for continuity between the black and white wires. If defective contact factory or motor service station. Pull motor rotor/shaft with bearing (13) from bearing bracket (15). Remove bearing (13) with a wheel puller if worn or damaged. If rotor or stator windings are defective, replace the complete motor.
IMPORTANT! All parts- must be clean before reassembly.
Reassembly Bearings Replace bearings, being careful not to damage the rotor or shaft. If equipped, fill notch should face the rotor core tor both upper and lower bearings. Apply adhesive compound to the shaft and press bearing (15) onto shaft position squarely onto the shat applying force to the inner race of bearing only, until bearing seats on shoulder of the shaft. In the same manner, assemble upper bearing (2) to shaft.
Motor Slide rotor with bearing (13) into bearing bracket (15) until bearing seats on the bottom. Position motor housing and stator into pilot, install wave washers in upper end bell.
IMPORTANT! Special wave washers in upper motor housing are required to compensate for shaft expansion. These washers must be properly reinstalled to give the required constant down force on the motor shaft.
Position upper motor end bell aligning holes and thread cap screws into bearing bracket (15) and torque to 16 ft/lbs. Place all motor leads above the motor. Position square ringlower housing (3) over motor and into pilot, aligning handle so that it is parallel to motor end bell reliefs. Apply thread locking compound to threads on cap screws (12) and install with nuts (16) and torque to 24 ft/lbs.
Handle seal parts with extreme care. DO NOT damage lapped surfaces.
Seal/Diaphragm – (See Figure 3) Clean and oil seal cavities in bearing bracket (15) and seal plate (26). Lightly oil (do not use grease) outer surface of inboard and outboard stationary members of seal (19). Press inboard stationary member firmly into bearing bracket (15) and outboard stationary into seal plate (26), using a seal pusher tool. Nothing but the seal pusher tool is to come in contact with seal face.
IMPORTANT! – Hammering on the seal pusher tool will damage the seal face.
Be sure the stationary members are in straight and that the rubber ring is not out of it’s groove. Lightly oil (Do not use grease) shaft and inner surface of bellows on rotating member. With lapped surface facing bearing bracket (15), slide rotating member onto shaft using seal pusher tool, until lapped faces are together. It is extremely important to keep seal faces clean during assembly. Dirt particales lodged between faces will cause the seal to leak.
Be sure driving lugs in retainer are matched in rotating member of seal (19). Place spring over shaft and in place on rotating member, making sure it is seated in retainer and not cocked or resting on bellows tail. Lightly oil shaft and inner surface of outboard rotating member.
With tail section toward bearing bracket (15), slide rotating member onto shaft with seal pusher tool until retainer engages spring and spring is compressed slightly. Spring should be properly engaged in both retainers. Reassemble the diaphragm (23) with “bulg” facing seal plate (26). Place plate (24) on diaphragm (23) and insert capscrews (25) into plate and tighten. Place seal plate (26) over shaft onto bearing bracket (15), being careful not to damage outboard stationary member and align holes for cap screws (27). Thread cap screws (27) into bearing bracket (15) and tighten. Refill chamber with oil.
Conduit Box Assembly Check power (38) and control cables (39) for crackes or damage and replace complete conduit box (4) if required. (See Figure 4) Bring motor wires through opening in top of motor housing (3), check sleeving and replace if damaged. Position square ring (5) in conduit box (4) and reconnect leads using connectors and insulators. See Figures 5, for wiring schematics.
Refill with cooling oil. Position conduit box (4) with square ring (5) on motor housing. Apply thread locking compound to cap screws (6) threads and torque to 16 ft/lbs.
Remove gland nuts (38B) and (39B),Remove gland nuts (38B) and (398), friction rings (38C) and (39C), and grommets (38D) and (39D) from conduit box (4), inspect and replace if damaged (See Figure 4). Reassemble by inserting one friction ring, grommet, one more friction ring and gland nut into conduit box. Torque gland nuts to 15 ft/lbs to nrevent leakage
Wear Ring Apply retaining compound to the bore of volute (37) and press wear ring (33) into bore until seated.
Impeller and Volute Install impeller (32) by appling a thin film of oil to motor shaft and slide impeller straight onto shaft, keeping keyways lined up. Drive key into keyway. Locate washer (34) and lockwasher (10), apply thread lock primer (such as Loctite® Primer T), let set per manufacturer’s directions. Apply thread locking compound to threads on cap screw (35), and thread into shaft and torque to 35 ft/lbs.
Place gasket (36) on volute and install impeller and motor assembly over studs and onto volute (37). Apply thread locking compound to threads on cap screw (35), and thread into shaft and torque to 35 ft/lbs. Place gasket (36) on volute and install impeller and motor assembly over studs and onto volute (37). Apply thread locking compound to threads of studs (31) and thread nuts (16) onto studs and torque to 24 ft/lbs. Check for binding by rotating impeller. Clearance between the impeller and volute should be approximately 0.012 inch.
THREE PHASE 460V AC
| Power Cable | Motor Lead Number |
| Green (Ground) | Green – 2 |
| Yellow | Not used |
| Black | 1 |
| Red | 2 |
| White | 3 |
| T4 & T7 together | |
| T5 & T8 together | |
| T6 & T9 together |
THREE PHASE 208-230V AC
| Power Cable | Motor Lead Number |
| Green (Ground) | Green – 2 |
| Yellow | Not used |
| Black | 1 & 7 |
| Red | 2 & 8 |
| White | 3 & 9 |
| T4, T5 & T6 together |
CONTROL CABLE
| Control Cable | Lead Number |
| Green | Ground |
| Black | P1 (Temp. sensor) |
| White | P2 (Temp. sensor) |
| Red | W1 (Moisture sensor) |
| Orange | W2 (Moisture sensor) |
Repair Parts

Parts List
For repair part please supply: Model Number and Serial as shown on Name Plate, and Part Description and Part Number as shown on parts list.
Troubleshooting Chart
| Risk of electric shock. Always disconnect the pump from the power source before handling inspections or repairs. | ||
| Symptom | Possible Cause(s) | Corrective Action |
|
Pump will not run | 1. Poor electrical connection, blown fuse, tripped breaker or other interruption of power; improper power supply 2. Motor or switch inoperative (go to manual operation) 2a. Float movement restricted 2b. Switch will not activate pump or is defective 2c. Defective motor 3. Insufficient liquid level | 1. Check all electrical connections for security. Have electrician measure current in motor leads, if current is within ± 20% of locked rotor Amps, impeller is probably locked. If current is 0, overload may be tripped. Remove power, allow pump to cool, then re-check current. 2a. Reposition pump or clean basin as required to provide adaquate clearance for float 2b. Disconnect level control. Set ohmmeter for a low rang, such as 100 ohms full scale and connect to level control leads. Actuate level control manually and check to see that ohmmeter shows zero ohms for closed switch and full scale for open switch. (Float Switch) 2c. Check winding insulation (Megger Test) and winding resistance. If check is outside of range, dry and re-check. If still defective, replace per service instructions. 3. Make sure liquid level is above the pump 4. Re-check all sizing calculations to determine proper pump size. 5. Check discharge line for restrictions, including ice if line passes through or into cold areas. 6. Remove and examine check valve for proper .incstallation anod freedom of opmeration 7. Open valve 8. Check impeller for freedom of operation, security and condition. Clean impeller cavity and inlet of any obstruction 9. Loosen union slightly to allow trapped air to escape. Verify that turn-off level of switch is set so that the suction is always flooded. Clean vent hole 10. Check rotation. If power supply is three phase, reverse any two of three power supply leads to ensure proper impeller rotation 11. Repair fixtures as required to eliminate leakage 12. Check pump temperature limits and fluid temperature 13. Replace portion of discharge pipe with flexible connector or tighten existing piping. 14. Turn to automatic position 15. Check for leaks around basin inlet and outlets |
|
Pump will not turn off | 2a. Float movement restricted 2b. Switch will not activate pump or is defective 4. Excessive inflow or pump not properly sized for application 9. Pump may be air locked causing pump not to flow 14. H-O-A switch on panel is in “HAND” position | |
| Pump hums but doesn’t run | 1. Incorrect low voltage 8. Impeller jammed or loose on shaft, or inlet plugged | |
| Pump delivaers insufficientrcapacity m | 1. Incorrect low voltage 4. Excessive inflow or pump not properly sized for application 5. Discharge restricted 6. Check valve partially closed or installed backwards 7. Shute-off valve closedsa 8. Impeller jammed or loose on shaft, or inlet plugged 9. Pump may be air locked causing pump not to flow 10. Piping fixtures leaking or discharge before the nozzle | |
| Pump cycles too frequently or runs periodically when fixtures are not in use | 6. Check valve partially closed or installed backwards 11. Fixtures are leaking 15. Ground water entering basin | |
| Pump shuts off and turns on independent of switch, (trips thermal overload protector). CAUTION! Pump may start unexpectedly. Disconnect power supply. | 1. Incorrect low voltage 4. Excessive inflow or pump not properly sized for application 8. Impeller jammed or loose on shaft, or inlet plugged 12. Excessive water temperature (internal protection only) | |
|
Pump operates noisily or vibrates excessively | 2c. Worn bearings, motor shaft bent 5. Debris in impeller cavity or broken impeller 10. Pump running backwards 13. Piping attachments to building structure too loose or rigid | |
BARMESA PUMPS
FACTORY WARRANTY
Barmesa Pumps warrants that products of our manufacture will be free of defects in material and workmanship under normal use and service for 18 months from date of manufacture or 12 months from installation date whichever occurs first. This warranty gives you specific legal rights, which vary from state to state.
This warranty is a limited warranty, and no warranty related claims of any nature whatsoever shall be made against Barmesa Pumps, until the ultimate consumer or his/her successor notifies us in writing of the defect and delivers the product and/or defective part(s) freight prepaid to our factory or nearest authorized service station as instructed by Barmesa Pumps. THERE SHALL BE NO FUIUHER UABILITY, WHETHER BASED ON WARRANTY, NEGLIGENCE OR OTHERWISE. PRODUCT SHALL BE EITHER REPLACED OR REPAIRED AT THE ELECTION OF BARMESA PUMPS. Guarantees relating to performance specifications provided in addition to the foregoing material and workmanship warranties on a product manufactured by Barmesa Pumps, if any, are subject to possible factory testing. Any additional guarantees, in the nature of certified performance specifications or time frame must be in writing and such writing must be signed by our authorized factory manager at time of order placement and/or at time of quotation. Due to inaccuracies in field resting and should a conflict arises between the results of field testing conducted by or for the user, Barmesa Pumps reserves the right to have the product returned to our factory for additional testing.
This warranty shall not apply when damage is caused by [ 1) improper installation, (2) improper voltage, (3) lightning, (4) excessive sand or other abrasive material, (5) corrosion build-up due to excessive chemical content or (6) uncontrollable acts of god. Any modification of the original equipment will also void the warranty. We will not be responsible for loss, damaqe or labor cost due to interruption of service caused by defective pumps, parts or systems. Barmesa Pumps will not accept charges incurred by others without our prior written approval.
This warranty is void if our inspection reveals the product was used in a manner inconsistent with normal industry practice and/or our specific recommendations. The purchaser is responsible for communication of all necessary information regarding the application and use of the product. UNDER NO CIRCUMSTANCES WILL WE BE RESPONSIBLE FOR ANY OTHER DIRECT OR CONSEQUENTIAL DAMAGES, INCLUDING BUT NOT LIMITED TO TRAVEL EXPENSES, CONTRACTOR FEES, UNAUTHORIZED REPAIR SHOP EXPENSES, LOST PROFITS, LOST INCOME, LABOR CHARGES, DELAYS IN PRODUCTION, IDLE PRODUCTION, WHICH DAMAGES ARE CAUSED BY ANY DEFECTS IN MATERIAL AND/OR WORKMANSHIP AND/OR DAMAGE OR DELAYS IN SHIPMENT. THIS WARRANTY IS EXPRESSLY IN LIEU OF ANY OTHER EXPRESS OR IMPLIED WARRANTY. No rights extended under this warranty shall be assigned to any other person, whether by operation of law or otherwise, without our prior written approval.
IMPORTANT!
If you have a claim under the provision of the warranty, contact Barmesa Pumps or your authorized Barmesa Pumps Distributor:
[email protected]
www.barmesapumps.com























