Barmes Pumps BGP-DS Submersible Grinder Pumps

General Safety Information
Before installation, read the following instructions carefully. Failure to follow instruction and safety information could cause serious bodily injury, death and/or property damage. Each Barmesa product is carefully inspected to insure proper performance. Closely following these instructions will eliminate potential operating problems, assuring years of trouble-free service.
DANGER “Danger” indicates an imminently hazardous situation which, if not avoided, WILL result in death or serious injury.
WARNING “Warning” indicates an imminenty hazardous situation which, if not avoided, MAY result in death or serious injury.
- “Caution” indicates a potentially hazardous situation which, if not avoided, MAY result in minor or moderate injury.
IMPORTANT! – Barmesa Pumps is not responsible for losses, injury or death resulting from failure to observe these safety precautions, misuse, abuse or misapplication of pumps or equipment.
ALL RETURNED PRODUCTS MUST BE CLEANED, SANITIZED, OR DECONTAMINATED PRIOR TO SHIPMENT, TO INSURE EMPLOYEES WILL NOT BE EXPOSED TO HEALTH HAZARDS IN HANDLING SAID MATERIAL. ALL APPLICABLE LAWS AND REGULATIONS SHALL APPLY.
WARNING Bronze/brass fitted pumps may contain levels higher than considered safe for potable water systems. Government agencies have determined that leaded copper alloys should not be used in potable water applications.
WARNING Installation, wiring, and junction connections must be in accordance with the National Electric Code and all applicable state and local codes. Requirements may vary depending on usage and location.
WARNING Installation and servicing is to be conducted by qualified personnel only. Keep clear of suction and discharge openings. Do not insert fingers in pump with power connected; the rotating cutter and/or impeller can cause serious injury. Always wear eye protection when working on pumps. Do not wear loose clothing that may become entangled in moving parts
DANGER Pumps build up heat and pressure during operation. Allow time for pumps to cool before handling or servicing the pump or any accessory items associated with or nearthe pump.
DANGER This pump is not intended for use in swimming pools or water installations where there is human contact with pumped fluid.
DANGER Riskof electric shock. To reduce risk of electric shock, always disconnect pump from power source before handling. Lock out power and tag.
WARNING Do not use these pumps in water over 1040 F. Do not exceed manufacturers recommended maximum performance, as this could cause the motor to overheat.
DANGER Do not lift, carry or hang the pump by the electrical cables. Damage to the electrical cables can cause shock, burns or death. Never handle connected power cords with wet hands.Use the appropriate lifting devices.
WARNING Sump and sewage pumps often handle materials that could cause illness or disease. Wear adequate protective clothing when working on a used pump or piping. Never enter a basin after it has been used.
DANGER Failure to permanently ground the pump, motor and controls before connecting to power can cause shock, burns or death.
DANGER These pumps are not to |be installed in locations classified as hazardous in accordance with the National Electric Code, ANS/NFPA 70.
WARNING Do not introduce into any sewer, either directly, or through the kitchen waste disposal unit or toilet: seafood shells, aquarium gravel, cat litter, plastic objects (toys, utensils, etc), sanitary napkins or tampons, diapers, rags, disposable wipes or cloth, medications, flammable material, oil or grease, strong chemicals, gasoline.
IMPORTANT! – Prior to installation, record Model Number, Serial, Amps, Voltage, Phase and HP from pump name plate for the future reference. Also record the Voltage and Current Readings at Startup:
| 1 Phase Models | |
| Amps: | Volts: |
| 3 Phase Models | |
| Amps L1-2: | Volts L1-2: |
| Amps L2-3: | Volts L2-3: |
| Amps L3-1: | Volts L3-1: |
- Model Number: _____________________
- Serial: ____________
- PHASE: ______
- HP: __________________

| MODEL | HP | VOLTS | PHASE | RPM (nominal) | MAX AMPS | LOCKED ROTOR AMPS | NEMA CODE | CORD SIZE | CORD TYPE | WEIGHT (pounds) |
| BGP302DS | 3 | 230 | 1 | 3450 | 23 | 75 | G | 10/4C | SO | 188 |
| BGP303DS | 3 | 230 | 3 | 3450 | 13 | 56.6 | K | 10/4C | SO | 188 |
| BGP304DS | 3 | 460 | 3 | 3450 | 6.5 | 28.3 | K | 10/4C | SO | 188 |
| BGP502DS | 5 | 230 | 1 | 3450 | 39 | 117 | H | 8/4C | SO | 199 |
| BGP503DS | 5 | 230 | 3 | 3450 | 20 | 81.4 | L | 10/4C | SO | 199 |
| BGP504DS | 5 | 460 | 3 | 3450 | 10 | 40.7 | L | 10/4C | SO | 199 |
| BGP753DS | 7.5 | 230 | 3 | 3450 | 24 | 102 | J | 10/4C | SO | 203 |
| BGP754DS | 7.5 | 460 | 3 | 3450 | 12 | 51 | J | 10/4C | SO | 203 |
- The moisture cord and/or temperature cord is size 18/5, type SO, Ø0.485″, for all models.

Recommendations and Warnings
Receiving inspection
Upon receiving the pump, it should be inspected for damage or shortages. If damage has occurred, file a claim immediately with the company that delivered the pump. If the manual is removed from the packaging, do not lose or misplace.
Storage
Any product that is stored for a period longer than six (6) months from the date of purchase should be bench tested prior to installation. A bench test consists of, checking the impeller to assure it is free turning and a run test to assure the motor (and switch if provided) operate properly.
Controls
BGP series grinders require a separate approved pump control device or panel for automatic operation. Be sure the electrical specification of the control selected properly match the electrical specifications of the pump.
Submergence
The pump should always be operated in the submerged condition. The minimum sump liquid level should never be less than above the pump’s volute (See Figure 1).
IMPORTANT! – A clearance n d e r t h e p u m p f o r entrance of sewage solids must be a minimum of 3″ to a maximum of 4.5″.
Location
The grinder pump is designed to fit in a basin or wet well by using a slide rail coupling (SRC-2).
Installation
There are several methods of installing grinder pumps. See contract plans and/or specification: A slide rail in a package system or concrete wet well is the most common, which allows the pump(s) to be installed or removed without requiring personnel to enter the wet well. These pumps are recommended for use in a sump, basin or lift station. The sump, basin or lift station shall be sealed and vented in accordance with local plumbing codes. This pump is designed to pump grinder or wastewater, non-explosive and non-corrosive liquids and shall NOT be installed in locations classified as hazardous in accordance with the National Electrical Code (NEC) ANSI/NFPA 70 or Canadian Electric Code (CEC). The pump should never be installed in a trench, ditch, or hole with a dirt bottom. The legs will sink into the dirt and the suction will become plugged. The installation should be at a sufficient depth to ensure that all plumbing is below the frost line. If this is not feasible, remove the check valve and size the basin to accommodate the additional backflow volume.
Discharge Piping
Discharge piping should be as short as possible and sized no smaller than the pump discharge. Do not reduce the discharge pipe size below that which is provided on the pump. Both a check valve and a shut-off valve are recommended for each pump. The check valve is used to prevent backflow into the sump. The shut-off valve is used to manually stop the system low during pump servicing.
Liquid Level Controls
The level control(s) should be mounted on the discharge piping, a cable rack or a float pole. The level control should have adequate clearance so it cannot hang up in it’s swing and that the pump is completely submerged when the level control is in the “Off ” mode. By adjusting the cord tether the control level can be changed. One cycle of operation should be observed so that any potential problems can be corrected. It is recommended that the level control float should be set to insure that the liquid in the sump never drops below the top of the motor housing or a minimum level of 10 inches above the basin floor.
Electrical Connections Power cable:
The power cable mounted to the pump must not be modified in any way except for shortening to a specific application. Any splice between the pump and the control panel must be made in accordance with the electric codes. It is recommended that a junction box, if used, be mounted outside the sump or be of at a minimum NEMA 4 construction if located within the wet well. DO NOT USE THE POWER CABLE TO LIFT PUMP. Always rely upon a Certified Electrician for installation.
Thermal Protection
The normally closed (N/C) over-temperature sensor is embedded in the motor windings and will detect excessive heat in the event an overload condition occurs. The thermal sensor will trip when the windings become too hot and will automatically reset when the pump motor cools to a safe temperature. It is recommended that the thermal sensor be connected in series to an alarm device to alert an overtemperature condition and/or motor starter coil to stop the pump. In the event of an overtemperature, the source of this condition should be determined and repaired immediately. Thermal protection shall not be used as a motor overload device. A separate motor overload device must be provided in accordance with the NEC code. DO NOT ALLOW THE PUMP TO CYCLE OR RUN IF.
AN OVERLOAD CONDITION OCCURS. If the current through the temperature sensor exceeds the values listed, an intermediate control circuit relay must be used to reduce the current or the sensor will not work properly.
| TEMPERATURE SENSOR ELECTRICAL RATINGS | ||
| Volts | Continuous Amperes | Inrush Amperes |
| 110-120 | 3.00 | 30.0 |
| 220-240 | 1.50 | 15.0 |
| 440-480 | 0.75 | 7.5 |
| 600 | 0.60 | 6.0 |
Moisture Sensors
A normally open (N/O) sensor rated of 1 watt @330K ohms, 500 volt, is installed in the pump seal chamber which will detect any moisture present. It is recommended that this detector be wired in series to an alarm device or motor starter coil to alert the operator that moisture detection has occurred. In the event of moisture detect, check the individual moisture sensor probe leads for continuity, (∞ resistance = no moisture) and the junction box/control box for moisture content. These situations may induce a false signal in the moisture-detecting circuit. If none of the above test prove conclusive, the pump(s) should be pulled and the source of the failure repaired. IF A MOISTURE DETECTION HAS OCCURRED MAINTENANCE SHOULD BE PERFORMED AS SOON AS POSSIBLE!
Wire Size:
If a longer power cable is required consult a qualified electrician for proper wire size.
Pre-Operation
- Check Voltage and Phase -Compare the voltage and phase information stamped on the pump nameplate.
- Check Pump Rotation – Improper motor rotation can result in poor pump performance and can damage the motor and/or pump. Check rotation on three phase units by momentarily applying power and observing the “kickback”.Kickback should always be in a counter-clockwise direction as viewed from the motor end or opposite to impeller rotation. Impeller rotation is counter-clockwise as viewed from bottom of the pump.

- Name Plate Record the information from the pump nameplate to the drawing in front of manual for future reference.
- Insulation Test An insulation (megger) test should be performed on the motor. Before the pump is put into service. The resistance values (ohms) as well as the voltage (volts) and current (amps) should be recorded.
- Pump-Down Test- Be sure the pump has been properly wired, and lowered into the basin, sump or lift station, check the system by filling with liquid and allowing the pump to operate through its pumping cycle. The time needed to empty the system, or pump-down time along with the volume of water, should be recorded.
Maintenance
No lubrication or maintenance is required. Perform the following checks when the pump is removed from operation performance deteriorates:
- Inspect the motor chamber for oil or when pump level and contamination.
- Inspect the impeller and body for excessive build-up or clogging.
- Inspect motor, bearings, and shaft seal for wear or leakage.
Servicing
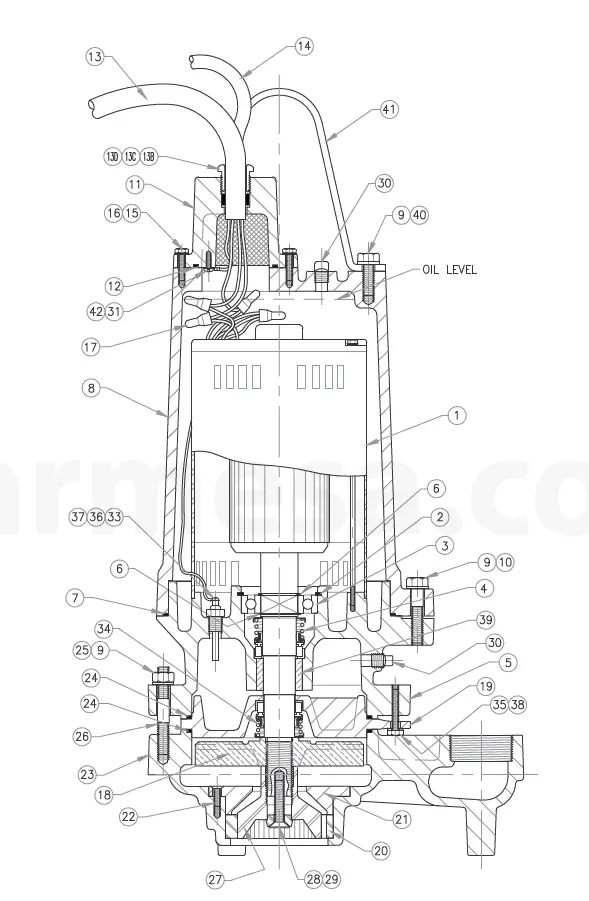
NOTE: Item numbers in refer to Figure 7 and 8.
Cooling Oil
Anytime the pump is removed from operation, the cooling oil in the motor housing should be checked visually for oil level and contamination. To check oil, set unit upright. Remove pipe plug (30) from housing (8). With a flashlight, visually inspect the oil in housing (8) to make sure it is clean and clear, light amber in color and free from suspended particles. Milky white oil indicates the presence of water. Oil level should be just above the motor when pump is in vertical position.
Oil Testing
- Drain oil into a clean, dry container by placing pump on it’s side, remove pipe plug (30), from housing (8).
- Check oil for contamination using an oil tester with a range to 30 kilovolts breakdown.
- If oil is found to be clean and uncontaminated (measuring above 15 kV breakdown), refill the housing.
- If oil is found to be dirty or contaminated (or measures below 15 kV breakdown), the pump must be carefully inspected for leaks at the shaft seal, cable assembly, square ring and pipe plug, before refilling with oil. To locate the leak, perform a pressure test. After leak is repaired, dispose of old oil properly, and refill with new oil.
Pressure Test
If oil has been drained – Remove pipe plug (30) from housing (8). Apply pipe sealant to pressure gauge assembly and tighten into hole. Pressurize motor housing to 10 PSI. Use soap solution around the sealed areas and inspect joints for “air bubbles”.If, after five minutes, the pressure is still holding constant, and no “bubbles” are observed, slowly bleed the pressure and remove the gauge assembly. Replace oil. Leek must be located and repaired if pressure does not hold.
Pressure Test
If oil has NOT been drained
Oil should be at normal level. Remove pipe plug (30) from housing (8). Apply pipe sealant to pressure gauge assembly and tighten into hole. Pressurize motor housing to 10 PSI. Use soap solution around the sealed areas above the oil level and inspect joints for “air bubbles”. For sealed areas below oil level, leeks will seep oil. If, after five minutes, the pressure is still holding constant, and no “bubbles” /oil seepage is observed, slowly bleed the pressure and remove the gauge assembly. Replace oil. Leek must be located and repaired if pressure does not hold.
Pressure builds up extremely fast, increase pressure by “TAPPING” air nozzle. Too much pressure will damage seal. DO NOT exceed 10 PSI in housing and 20-25 PSI in seal chamber.
Seal Chamber
Set pump on its side with fill plug (30) downward, remove plug (30) and drain all oil from seal chamber. Apply pipe sealant to pressure gauge assembly and tighten into hole in intermediate coupling (5). Pressurize seal chamber to 10 PSI. and check for leaks.
Oil Replacement
Motor Housing
Drain all oil (if not already done so) from motor housing and dispose of properly per Local and Environmental Standards. Set pump upright and refi ll with new cooling oil, see “Cooling Oil” chart. Fill to just above motor as an air space must remain in the top of the motor housing to compensate for oil expansion. Apply pipe thread compound to threads of pipe plug (30) then assemble to motor housing (8).
Seal Chamber
Drain all oil (if not already done so) from seal chamber and dispose of properly per Local and Environmental Standards. Place pump on its side with plug (30) upward, and refill with new oil, see “Cooling Oil” chart. Apply pipe thread compond to threads of pipe plug (30) and assemble to intermediate coupling (5). DO NOT overfill oil. Overfilling of housing with oil can create excessive and dangerous hydraulic pressure which can destroy the pump and create a hazard. Overfilling oil voids warranty.
| Cooling Oil Recommended Supplier/Grade | |
| BP | Enerpar SE100 |
| Conoco | Pale Parafin 22 |
| Mobile | D.T.E. Oil Light |
| Shell Canada | Transformer-10 |
| Texaco | Diala-Oil-AX |
Disassembly
Cutter – Lay pump on its side and remove the cutter retaining screw (29) and washer (28). A small amount of heat may be needed to loosen screw. DO NOT overheat. Wedge a fl at screwdriver between cutter and shredding ring and remove screw. With a hammer and punch, tap the cutter (27) counter-clockwise to remove.
CAUTION Cutter edges are very SHARP. Cutter must be removed before removing volute.
Volute
Remove hex nuts (25) and washers (9) from studs (26) and remove volute (23) and square ring (24) from pump.
Shredding Ring
To replace or reverse the shredding ring (20), remove allen screws (22) and lift throat (21) from volute (23) then press out using an arbor press.The shredding ring (20) can be pressed out and reversed when cutting edges dull.
Impeller
Remove impeller (18) by turning counter-clockwise while holding the motor shaft stationary with a screwdriver. NOTE: Seal spring is relaxed with impeller removed, some oil may seep from seal cavity. Do not store pump without impeller in place.
Outer Seal
Handle seal parts with care. Remove seal (34) spring and rotating member from shaft. Examine all seal parts. Inspect contact faces for signs of uneven wear tracks on stationary, chips and scratches on either seal face. DO NOT interchange seal components, replace the entire shaft seal (34).
Seal Plate
Remove cap screws (35) and washers (38) from seal plate (19). Remove seal plate (19) and square ring (24) from intermediate coupling (5). With flat screwdriver, press out seal (34) stationary member. Inspect square ring (24) for cuts or abrasions.
Cable Assemblies
Remove Hex plugs (13B) and (14B), washers (13C) and (14C) and gromeents (13D) and (14D) from conduit box (11).
Motor
Remove pipe plug (30) and drain oil if not already done so. Position pump upright using blocks or pvc pipe to avoid resting pump on the shaft. Remove cap screws (15) and lockwashers (16) from cable box assembly (11) and slide conduit box up the cords until motor lead wires are exposed. Disconnect connectors (17) from motor leads wires to remove cable assemblies (13) and (14). Remove ground screw (31). Remove and inspect o-ring (12). Remove cap screws (10) and lockwashers (9) from motor housing (8). Vertically lift motor housing (8) from intermediate coupling (5) along with square ring (7), replace if cut or damaged. Remove motor bolts and carefully remove stator housing from rotor. Remove retaining ring (2) from intermediate (5) and pull rotor out with bearing (3) and rotating member of inner seal. Inspect motor winding for shorts and check resistance values. Check rotor for wear. If rotor or the stator windings are defective, the complete motor must be replaced.
Bearings and Inner Seal
Remove seal (4) rotating member and spring from rotor shaft. Press stationary from intermediate (5) with flat screwdriver. Examine all seal parts. Inspect contact faces for signs of uneven wear tracks on stationary, chips and scratches on either seal face. DO NOT interchange seal components, replace the entire shaft seal (4). Remove retaining rings (6) from shaft. Using a wheel puller or arbor press remove bearing (3) from shaft. Remove upper motor bearing from shaft with a bearing puller. (See Figure 3) Check sleeve bearing (39) for excessive wear, if replacement is required the complete intermediate coupling (5) should be replaced.
Inner Seal
Clean and oil seal cavity in intermediate coupling (5). Lightly oil (Do not use grease) outer surface of stationary member. Press seal’s (4) stationary member firmly into intermediate coupling (5), using a seal tool or pipe. Nothing should come in contact with the seal face except the seal tool. Be sure the stationary is in straight. Place seal’s (4) retaining ring and spring over shaft until seated on shaft shoulder. Slide a bullet tool over rotor shaft threads. Lightly oil (Do not use grease) shaft, bullet, and inner surface of bellows on rotating member, with finished end away from motor, slide rotating member over the bullet and onto the shaft until it engages spring. Make sure spring is seated in retaining ring and spring is lined up on rotating member and not cocked or resting on bellows tail. (See Figure 3)
Motor – Slide rotor/shaft with bearing (3) and seal parts (4) into intermediate coupling (5) until bearing seats into the intermediate coupling. Install retaining ring (2) into intermediate coupling (5). Place motor stator over the rotor, lining up motor bolts with holes in intermediate coupling (5). Place end bell on top of the motor and insert motor bolts and torque to 17 in/lb.
Wiring Connections – Set square ring (7) in grove on intermediate coupling (5). Pull wires through the opening in top of the motor housing (8) while lowering the motor housing onto the intermediate coupling (5). Insert capscrews (10) with lockwasher (9) through motor housing into intermediate and tighten. Place square ring (12) on motor housing cable (14) for damage and replace complete conduit box and cable assembly if required. Place conduit box (11) on motor housing (8) and insert capscrews (15) with washers (16) into motor housing and torque to 16 ft-lb.
Cable Assemblies
Power cable: place one friction ring (13C), grommet (13D), one friction ring (13C) and hex plug (13B) into conduit box (11). Control cable: place one friction ring (14C), grommet (14D), one friction ring (14C) and hex plug (14B) into conduit box (11). Torque hex plugs to 15 ft-lb to prevent leakage. See Figures 7 and 8.
Seal Plate
Lubricate and set square ring (24) in bottom groove of seal plate (19). Place seal plate (19) over shaft and onto intermediate coupling (5), being sure square ring (24) is not twisted and in the groove. Place two capscrews (35) with lockwashers (38) into seal plate and torque to 6.5 ft-lb.
Outer Seal
Clean and oil stationary Press stationary firmly into seal plate (19) using a seal pusher tool. Be sure the stationary member is in straight. Nothing but the seal tool is to come in contact with seal face. (Figure 4)
IMPORTANT! – Hammering on the seal pusher tool will damage the seal face.
With seal guide tool over motor shaft, Lightly oil (Do not use grease) guide, shaft and inner surface of bellows on rotating seal.
With lapped surface of rotating member facing inward toward stationary, slide rotating member over guide and onto shaft, using seal pusher tool, until lapped faces of stationary and rotating seal are together. Place spring over shaft and rotating member. Be sure it is seated on the retainer and not cocked or resting on bellows tail.
Impeller
Place impeller (18) on motor shaft, with machined step fitting inside the inside diameter of seal spring, by turning clockwise while holding shaft stationary with screwdriver.
Shredding Ring
Install shredding ring (27) into volute with the use of an arbor press. Assemble throat (21) into volute (23) with tree allen screws (22).
Volute
Lubricate square ring (24) and place in groove in bottom of seal plate (19). Place volute (23) on seal plate (19) being careful not to damage square ring (24). Place nuts (25) with lockwashers (9) onto studs (26) and torque evenly to 11 ft-lb.
Cutter
Screw radial cutter (27) onto shaft, turning it clockwise while holding the shaft stationary with a screwdriver. The radial cutter (27) should be flush with shredding ring (20), on suction side to within ± .020. Place washer (28) on screw (29), apply green Loctite® on threads and place into shaft and tighten.
SINGLE-PHASE 230V AC

THREE-PHASE 230V AC

THREE-PHASE 460V AC

CONTROL CABLE

Typical Panel Wiring Schematic

Repair Parts

- For Repair Part Please supply: Model Number and Serial as shown on Name Plate, and Part Description and Part Number as shown on Parts List.

- For Repair Part Please supply: Model Number and Serial as shown on Name Plate, and Part Description and Part Number as shown on Parts List.
Parts List

For Repair Part Please supply: Model Number and Serial as shown on Name Plate, and Part Description and Part Number as shown on Parts List.
Troubleshooting Chart

NOTE: Barmesa Pumps assumes no responsibility for damage or injury due to disassembly in the field. Disassembly of the pumps or supplied accessories other than at Barmesa Pumps or its authorized service centers automatically voids the warranty.
BARMESA PUMPS FACTORY WARRANTY
Barmes Pumps warrants that products of our manufacture will be free of defects in material and workmanship under normal use and service for 18 months from date of manufacture or 12 months from installation date whichever occurs first. This warranty gives you specific legal rights, which vary from state to state. This warranty is a limited warranty, and no warranty related claims of any nature whatsoever shall be made against Barmesa Pumps, until the ultimate consumer or his/her successor notifies us in writing of the defect and delivers the product and/or defective part(s] freight prepaid to our factory oor nearest authorized service station as instructed by Barmesa Pumps. THERE SHALL BE NO FURTHER LIABILITY WHETHER BASED ON WARRANTY, NEGLIGENCE OR OTHERWISE. PRODUCT SHALL BE EITHER REPLACED OR REPAIRED AT THE ELECTION OF BARMESA PUMPS. Guarantees relating to performance specifications provided in addition to the foregoing material and workmanship warranties on a product manufactured by Barmesa Pumps, if any, are subject to possible factory testing. Any additional guarantees, in the nature of certified performance specifications or time frame, must be in writing and such writing must be signed by our authorized factory manager at time of order placement and/or at time of quotation. Due to inaccuracies in field testing and should, a Conflict arises between the results of field testing conducted by or for the user, Barmesa Pumps reserves the right to have the product returned to our factory for additional testing. This warranty shall not apply when danage is caused by (1) improper installation, (2) improper voltage, (3) lightning. (4) excessive sand or other abrasive material, (5) corrosion build-up due to excessive chemical content or (6) uncontrollable acts of god. Any modification of the original equipment will also void the warranty. We will not be responsible for loss, damage or labor cost due to interruption of service caused by defective pumps, parts or systems. Barmes Pumps will not accept charges incurred by others without our prior written approval. This warranty is void if our inspection reveals the product was used in a manner inconsistent with normal industry practice and/or our specific recommendations. The purchaser is responsible for communication of all necessary information regarding the application and use of the product. UNDER NO CIRCUMSTANCES WILL WE BE RESPONSIBLE FOR ANY OTHER DIRECT OR CONSEQUENTIAL DAMAGES, INCLUDING BUT NOT LIMITED TO TRAVEL EXPENSES, CONTRACTOR FEES, UNAUTHORIZED REPAIR SHOP EXPENSES, LOST PROFITS, LOST INCOME, LABOR CHARGES, DELAYS IN PRODUCTION, IDLE PRODUCTION, WHICH DAMAGES ARE CAUSED BY ANY DEFECTS IN MATERIAL AND/OR WORKMANSHIP AND/OR DAMAGE OR DELAYS IN SHIPMENT. THIS WARRANTY IS EXPRESSLY IN LIEU OFANY OTHER EXPRESS OR IMPLIED WARRANTY No rights extended under this warranty shall be assigned to any other person, whether by operation of law or otherwise, without our prior written approval.
IMPORTANT!
If you have a claim under the provision of the warranty, contact Barmesa Pumps or your authorized Barmesa Pumps Distributor:






















