Barmesa Pumps BSP200MU Series Self-Priming Frame Mounted Pump

IMPORTANT! – Read all instructions in this manual before operating or servicing a pump.
General Safety Information
- Before installation, read the following instructions carefully. Failure to follow instructions and safety information could cause serious bodily injury, death and/or property damage. Each Barmesa product is carefully inspected to ensure proper performance. Closely following these instructions will eliminate potential operating problems, assuring years of trouble-free service.
- DANGER Indicates an imminently hazardous situation which, if not avoided, WILL result in death or serious injury.
- WARNING Indicates an imminently hazardous situation which, if not avoided, MAY result in death or serious injury.
- CAUTION Indicates a potentially hazardous situation which, if not avoided, MAY result in minor or moderate injury.
- IMPORTANT! – Barmesa Pumps is not responsible for losses, injury or death resulting from failure to observe these safety precautions, misuse, abuse or misapplication of pumps or equipment.
- ALL RETURNED PRODUCTS MUST BE CLEANED, SANITIZED, OR DE-CONTAMINATED PRIOR TO SHIPMENT, TO ENSURE EMPLOYEES WILL NOT BE EXPOSED TO HEALTH HAZARDS IN HANDLING SAID MATERIAL. ALL APPLICABLE LAWS AND REGULATIONS SHALL APPLY.
- WARNING Installation, wiring, and junction connections must be in accordance with the National Electric Code and all applicable state and local codes. Requirements may vary depending on usage and location.
- WARNING Installation and servicing is to be conducted by qualified personnel only.
- DANGER Keep clear of suction and discharge openings. Do not insert fingers in pump with power connected; the rotating cutter and/or impeller can cause serious injury.
- WARNING Always wear eye protection when working on pumps. Do not wear loose clothing that may become entangled in moving part
- DANGER Pumps build up heat and pressure during operation. Allow time f o r p ump s t o c o o l before handling or servicing the pump or any accessory items associated with or near the pump.
- DANGER This pump is not intended for use in swimming pools or water installations where there is human contact with pumped fluid.
- DANGER Risk of electric shock. To reduce risk of electric shock, always disconnect pump from power source before handling any aspect of the pumping system. Lock out power and tag.
- WARNING Do not use these pumps in water over 160 °F. Do not exceed the manufacturer’s recommended maximum performance, as this could cause the motor to overheat.
- WARNING Operation against a closed discharge valve will cause premature bearing and seal failure on any pump, and on end suction and self-priming pump the heat build may cause the generation of steam with resulting dangerous pressures. It is recommended that a high-case temperature switch or pressure relief valve be installed on the pump body.
- WARNING Carefully read instruction manuals supplied with motor or engine before operating or servicing.
- DANGER These pumps are not to be installed in locations classified as hazardous in accordance with the National Electric Code, ANSI/NFPA 70.
- WARNING Bronze/brass fitted pumps may contain lead levels higher than considered safe for potable water systems. Lead is known to cause cancer and birth defects or other reproductive harm.
- Various government agencies have determined that leaded copper alloys should not be used in potable water applications. For non-leaded copper alloy materials of construction, please contact factory.
- IMPORTANT! – Prior to installation, record Model Number, Serial, Amps, Voltage, Phase and HP from pump nameplate for future reference. Also, record the Voltage and Current Readings at Startup:
Model Number: ____________________
Serial: ____________________________
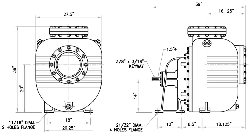
Specifications & Dimensions
- SUCTION: 10″ NPT, female.
- DISCHARGE: 10″ NPT, female.
- SPHERICAL SLD HNDLG: 1½”
- LIQUID TEMPERATURE: 160 °F (71 °C) max.
- VOLUTE: Cast iron ASTM A-48 class 30.
- BODY: Cast iron ASTM A-48 class 30.
- PEDESTAL: Cast iron ASTM A-48 class 30.
- IMPELLER: 4 vanes, semi-open type, dynamically balanced. Cast iron ASTM A-48 class 30.
- SHAFT: Steel.
- SHAFT SLEEVE: Steel.
- O-RINGS: Buna-N.
- PAINT: Air dry enamel, water-based.
- SEAL: Single mechanical with lip seal, water lubricated. Ceramic stationary part, carbon ring seal and exclusion in the rotating part. Buna-N elastomer and stainless steel spring.
- CHECK VALVE: Flap-neoprene, weight of steel.
- HARDWARE: Steel.
- BEARING-DRIVE END: Single row, ball, oil lubricated.
- BEARING-PUMP END: Single row, ball, oil lubricated.
- SHIM SET: Stainless steel.
- STRAINER: Steel.

Recommendations, Warnings & Installation
- Receiving inspection
Upon receiving the pump, it should be inspected for damage or shortages. If damage has occurred, file a claim immediately with the company that delivered the pump. If the manual is removed from the packaging, do not lose or misplace it. - Storage
Any product that is stored for a period longer than six (6) months from the date of purchase should be bench-tested prior to installation. A bench test consists of, checking the impeller to assure it is free turning and a run test to assure the motor (and switch if provided) operates properly. - Controls
Manual models require a separate approved pump control device or panel for automatic operation. Be sure the electrical specification of the control selected properly match the electrical specifications of the pump. - Installation Location:
- The pump should be located as near as possible to the liquid to be pumped and in no case should the pump be more than 25 feet above the surface of the liquid supply.
- The pump should always be as level as possible.
- Locate the pump on a firm footing to make sure the pump will not move due to vibration.
- Flex-coupled and V-belt-driven units should be permanently grouted onto a cement foundation.
- The pumps should be level to provide favorable operating conditions.
- In addition, the flexible coupling should be realigned after grouting in order to eliminate excessive wear on the coupling.
- Allow a minimum of 18 inches in front of the pump case cover or hatch cover to permit easy removal and access to the interior of the pump.
- On belt-driven units, allow a minimum of 10 inches at the shaft end to permit easy removal of the pedestal or rotating cartridge.
- Rotation
All pump units rotate clockwise when looking from the driven end of the pump. The impellers are threaded on the shaft and it is necessary to slide one half of the flexible coupling back when checking rotation in order to eliminate the possibility of unscrewing the impeller and damaging the pump. NOTE: Where impellers thread on pump shaft, never check the direction of electric motor rotation without first disconnecting flexible coupling. - Suction
- CAUTION THIS PUMP SHOULD NOT BE OPERATED WITHOUT A STRAINER ON THE END OF THE SUCTION LINE TO PREVENT STICKS. STONES, RAGS AND OTHER FOREIGN MATTER FROM BEING DRAWN INTO THE IMPELLER. THE STRAINER SHOULD BE CLEANED REGULARLY TO ENSURE FULL FLOW.
- It is advisable to use a suction line of the same size as the pump port size. All horizontal suction lines should slope up to the pump to avoid trapped air pockets. An adjustable stand, pipe clamp or floor flange must be installed to support the weight of the suction line. Using a smaller suction line than the pump port size can cause internal damage to the pump.
- Discharge
Connect discharge hose or pipe to the side outlet on the discharge tee or to the discharge elbow. - Driver
Read the engine or motor manufacturer’s instruction book. - Lubrication
The only part of the pump requiring lubrication is the bearing housing. The impeller and shaft seal are lubricated by the liquid being pumped and need no other lubrication.
The bearing housing is factory filled with 90-weight oil, for bearing lubrication. The oil level in the bearing housing should be periodically checked. This is accomplished by removing the oil dipstick and checking oil level shown on it. If oil is required, add through the dip stick hole. - Operation
Priming:
Remove the priming plug(s) in the top of the pump body, and fill the pump body completely with liquid as free of solids as possible. In freezing weather, the pump should be primed with warm water, if possible, to prevent any damage that may be caused by ice films within the pump. - CAUTION DO NOT OPERATE PUMP WITHOUT LIQUID IN PUMP BODY AS OPERATING DRY WILL RESULT IN DAMAGE TO THE SEAL.
- Starting
After completion of procedures outlined in the past sections, the pump is then ready for operation. Start pump by applying power to motor or by starting engine as outlined in the ENGINE or MOTOR INSTRUCTION MANUAL. - Shutdown
Disconnect electric power or stopping engine to shut down. It is recommended to drain and flush pump if pump has been operating in freezing weather. - Service
Turn off and lock out power before servicing pump. - Check Valve
Disconnect suction piping and remove hex nuts, and suction flange. DO NOT PRY ON FLANGE but bump off with block of wood and a hammer. Remove gasket, weights, screw and replace if worn or damaged. - Body & Impeller
Disconnect suction and discharge piping. To expose body, and impeller for clean out or replacement, remove hex nuts and lock washers then remove body and gaskets from bearing pedestal. If impeller needs replacement, unscew from shaft. Note the quantity of shims. The impeller has right-hand threads, so to break loose use a block of wood against a vane and strike with hammer. - Shaft Seal
Remove body and impeller. Remove impeller shims and seal spring holder, spring and rotating member of seal from shaft. Replace if worn or damaged.
If stationary member needs replaced, remove screws and pull seal plate together with stationary from bearing housing. Press stationary out of seal plate. - CAUTION HANDLE SEAL PARTS WITH EXTREME CARE. DO NOT SCRATCH OR MARLAPPED FACES.
- To reassemble, lightly oil seal cavity in seal plate and ring of stationary member. Replace seal plate onto bearing housing. Lightly oil shaft press stationary over shaft and into seal plate. Lightly oil shaft sleeve and inner surface of bellows of rotating member.
- With lapped surface facing bearing housing, slide rotating member onto shaft sleeve until lapped faces are of rotating member and stationery together. Replace spring and spring holder and reassemble remainder of pump.
- When impeller is removed, also remove shims. To reassemble be sure to use a combination of impeller shims, body gaskets to result in an impeller-to-body clearance of approximately 0.015″.
- Drive, Shaft & Bearings
Contact an authorized Barmesa dealer.
Repair Parts

Note:
- The check valve (24) adheres to the counterweight (7), with contact glue.
- Work this drawing with the explosion of the driving end 200 MU.
For repair part please supply: Model Number and Serial as shown on Name Plate, and Part Description and Part Number as shown on Parts List.ITEM QTY. DESCRIPTION PART No. 1 1 PEDESTAL 2 1 SUCTION FLANGE 03050010 3 2 FLANGE 10″ 03060010 4 1 BODY 03090009 5 1 DIFFUSER 03120012 6 1 WEAR PLATE 03190001 7 1 WEIGHT 30400607 8 1 GATE SUPPORT 30400894 9 1 RIGHT HINGE 30400951D 10 1 LEFT HINGE 30400951I 11 4 HEX. SCREW 3/8″ x 1/2″ 91010250 12 12 HEX. SCREW 7/8″ x 3½” 91010297 13 24 SCREW 1/2″ x 2¼” 91010312 14 12 SCREW 7/8″ x 4″ 91010316 15 3 SOCKET SCREW 5/16″ x 1″ 91010331 16 4 HEAD SCREW 3/8″ x 1″ 91010405 17 28 NUT 1/2″ 91010415 18 24 NUT 7/8″ 91010418 19 28 WASHER 1/2″ 91010014 20 1 O-RING #17431 92010032 21 1 O-RING #28241 92010049 22 1 O-RING #28242 92010050 23 3 GASKET 10″ 92010154 24 1 CHECK VALVE 92010223 25 1 HEAD PLUG 1½” 93010145 26 2 HEAD PLUG 2″ 93010147 27 1 STRAINER 10″ 31030087 
ITEM QTY. DESCRIPTION PART No. 1 1 PEDESTAL 03040007 2 1 IMPELLER 03140009 3 1 SEAL PLATE 03180007 4 1 EXTERNAL SEAL PLATE 03170004 5 1 INTERNAL SEAL PLATE 03170005 6 1 MECHANICAL SEAL Ø2¹⁄₈” T21 31030139 7 1 SLEEVE 30400702 8 1 SHAFT KEY 3/8″ x 3″ 30400634 9 2 OUTER PADLOCK 31010005 10 1 BEARING 31020006 11 1 BEARING 31020007 12 1 RETAINER #14938 31150004 13 1 RETAINER #21163 31150005 14 1 SEPARATOR #68687 30400884 15 1 IMPELLER WASHER 30400411 16 8 HEX. SCREW 3/8″ x 1¼” 91010243 17 1 HEX. SCREW 1/2″ x 1½” 91010351 18 4 SCREW 1/2″ x 2″ 91010310 19 12 SCREW 1/2″ x 2¼” 91010312 20 8 WASHER 3/8″ 91010012 21 12 WASHER 1/2″ 91010014 22 1 WASHER 1/2″ 91010062 23 12 NUT 1/2″ 91010415 24 1 GASKET EXTERNAL 92010167 25 1 GASKET INTERNAL – 26 1 GREASE 92010223 27 1 HEAD PLUG 1/4″ 93010143
Troubleshooting Chart
| Always disconnect the pump from the electrical power source before handling. If the system fails to operate properly, carefully read instructions and perform maintenance recommendations. | ||
| Symptom | Possible Cause(s) | Corrective Action |
|
Little or no discharge and unit will not prime | 1. Casing not filled with water 2. Total head too high 3. Suction head higher than pump designed for 4. Impeller partially or completely plugged 5. Hole or leak in suction line 6. Foot-valve too small 7. Impeller damaged 8. Foot-valve or suction line not submerged deep enough in water; pulling air 9. Insufficient inlet pressure or suction head 10. Suction piping too small 11. Casing gasket leaking 12. Suction or discharge line valves closed 13. Piping is fouled or damaged 14. Clogged strainer or foot-valve 15. Incorrect engine speed | 1. Fill pump casing. Using a foot-valve will extend pump life and facilitate immediate priming 2. Shorten suction head 3. Lower suction head, install foot-valve and prime. 4. Disassemble pump and clean out impeller 5. Repair or replace suction line 6. Match foot-valve to piping or install one size larger foot-valve 7. Disassemble pump and replace impeller 8. Submerge lower in water 9. Increase inlet pressure by adding more water to tank or increasing back pressure by turning gate valve on discharge line partially closed position 10. Increase pipe size to pump inlet size or larger 11. Replace 12. Open 13. Clean or replace 14. Clean or replace 15. Increase speed |
|
Loss of asuction after r satisfactory operation | 1. Air leak in suction line 2. When unit was last turned off, water siphoned out of pump casing 3. mSuction head higher thean pump desigsned for 4. Insufficient inlet pressure or suction head 5. Clogged foot-valve, strainer, or pump 6. Defective wearplate(s) | 1. Repair or replace suction line 2. Refill (reprime) pump casing before restarting 3. Lower suction head, install foot-valve and primer 4. aIncrease inlet .pressurce by addingomore water tomtank or increasing back pressure by turning gate valve on discharge line to partially closed position 5. Unclog, clear or replace as necessary 6. Replace |
| Pump overloads driver | 1. Total head lower than pump rating, unit delivering too much water 2. Specific gravity and viscosity of liquid being pumped different than the pump rating 3. Speed to high | 1. Increase back pressure on pump by turning gate valve on discharge line to partially closed position that will not overload motor 2. Consult factory 3. Check and correct, lower speed |
|
Pump vibrates and/or makes excessive noise | 1. Mounting plate or foundation not rigid enough 2. Foreign material in pump causing unbalance 3. Impeller bent 4. Cavitation present 5. Piping not supported to relieve any strain on pump assembly | 1. Reinforce 2. Disassemble pump and remove 3. Replace impeller 4. Check suction line for proper size and check valve in suction line if completely open, remove any sharp bends before pump and shorten suction line 5. Make necessary adjustments |
|
Pump runs but no fluid | 1. Faulty suction piping (air leak) 2. Pump located too far from fluid source 3. Gate valve closed 4. Clogged strainer 5. Fouled foot-valve 6. Discharge height too great 7. Fouled impeller 8. Faulty mechanical seal | 1. Replace 2. Replace 3. Open 4. Clean or replace 5. Clean or replace 6. Lower the height 7. Clean or replace 8. Replace |
| Pump leaks at shaft | 1. Worn mechanical seal 2. Replacement seal not installed properly | 1. Replace 2. Follow Maintenance instructions carefully |
BARMESA PUMPS FACTORY WARRANTY
- Barmesa Pumps warrants that products of our manufacture will be free of defects in material and workmanship under normal use and service for 18 months from date of manufacture or 12 months from installation date whichever occurs first. This warranty gives you specific legal rights, which vary from state to state.
- This warranty is a limited warranty, and no warranty-related claims of any nature whatsoever shall be made against Barmesa Pumps, until the ultimate consumer or his/her successor notifies us in writing of the defect and delivers the product and/or defective part(s) freight prepaid to our factory or nearest authorized service station as instructed by Barmesa Pumps. THERE SHALL BE NO FURTHER USABILITY, WHETHER BASED ON WARRANTY, NEGLIGENCE OR OTHERWISE. PRODUCT SHALL BE EITHER REPLACED OR REPAIRED AT THE ELECTION OF BARMESA PUMPS. Guarantees relating to performance specifications provided in addition to the foregoing material and workmanship warranties on a product manufactured by Barmesa Pumps, if any, are subject to possible factory testing. Any additional guarantees, in the nature of certified performance specifications or time frame must be in writing and such writing must be signed by our authorized factory manager at time of order placement and/or at time of quotation. Due to inaccuracies in field resting and should a conflict arises between the results of field testing conducted by or for the user, Barmesa Pumps reserves the right to have the product returned to our factory for additional testing.
- This warranty shall not apply when damage is caused by [ 1) improper installation, (2) improper voltage, (3) lightning, (4) excessive sand or other abrasive material, (5) corrosion build-up due to excessive chemical content or (6) uncontrollable acts of god. Any modification of the original equipment will also void the warranty. We will not be responsible for loss, damage or labor cost due to interruption of service caused by defective pumps, parts or systems. Barmesa Pumps will not accept charges incurred by others without our prior written approval.
- This warranty is void if our inspection reveals the product was used in a manner inconsistent with normal industry practice and/or our specific recommendations. The purchaser is responsible for the communication of all necessary information regarding the application and use of the product. UNDER NO CIRCUMSTANCES WILL WE BE RESPONSIBLE FOR ANY OTHER DIRECT OR CONSEQUENTIAL DAMAGES, INCLUDING BUT NOT LIMITED TO TRAVEL EXPENSES, CONTRACTOR FEES, UNAUTHORIZED REPAIR SHOP EXPENSES, LOST PROFITS, LOST INCOME, LABOR CHARGES, DELAYS IN PRODUCTION, IDLE PRODUCTION, WHICH DAMAGES ARE CAUSED BY ANY DEFECTS IN MATERIAL AND/OR WORKMANSHIP AND/OR DAMAGE OR DELAYS IN SHIPMENT. THIS WARRANTY IS EXPRESSLY IN LIEU OF ANY OTHER EXPRESS OR IMPLIED WARRANTY. No rights extended under this warranty shall be assigned to any other person, whether by operation of law or otherwise, without our prior written approval.
- IMPORTANT!
If you have a claim under the provision of the warranty, contact Barmesa Pumps or your authorized Barmesa Pumps Distributor:
[email protected]
www.barmesapumps.com





















