BRABEREQ
BRABEREQ BE-WC522 Wood Chipper
INTRODUCTION
CONGRATULATIONS! You have just purchased the best, safest, and most compact chipper available.
If you have too much material to run through the small shredders, nut not enough for the larger chippers, the chipper is the right machine for the job.
Safety features include a feed roll that makes it very difficult to get fingers or hands into the blades of the chipper, and a low chute profile that makes feeding easy because you don’t have to lift the limes so high to feed them into the feed roll.
We have compiled this owner’s manual to help you understand and appreciate your chipper.
By taking a few minutes to read this manual and understand the maintenance instructions, you will do a better job with the chipper, and the chipper will do a better job for you- and it will last longer. Read the manual, from the features through the parts list, before operating the chipper.
SETUP INSTRUCTIONS
Your chipper does need to the setup prior to installation. It arrives in a metal cage that can be dismantled in minutes.
The in-feed chute and stand are shipped with the unit and are located in the bottom of the metal cage. Put the stand together. Place the chipper on the stand and bolt on the two mount brackets. See drawings near the back of the manual- check the table of contents for actual pages.
A small box containing the two (2) chipper hitch assemblies and mounting bolts is located in the bottom. The chute can come enclosed (see retrofit instructions regarding use of shorter bolts with lock washer and flat washer).
Always turn the head over by hand before applying power, to ensure that nothing is in the head. If the chip deflector or any of the guards have been removed for shipping, be sure to replace them properly.
The PTO drive line is also shipped with the unit and is also located in the bottom of the metal cage.
Keep the chipper as close to the tractor as possible. the PTO shaft needs to be sized for your tractor – see the specific section in the manual for this procedure.
Make sure that the shaft will not bottom out in the shortest position.
Keep the PTO shaft straight and within 15 degrees of level when operation the unit.
Do not allow the chipper to be operated without the chip deflector properly in place, because the flywheel and blades will be exposed and the flow of chips cannot be controlled.
DRIVE – LINE SAFETY TIPS
Agriculture is recognized as one of the most hazardous of occupations—today’s farmer spends long hours in close proximity to increasingly complex and powerful machinery.
To avoid accidents, everyone from the company’s supplier and the company that manufactures and assembles the machinery, to the dealers and ultimately the actual user, must keep lines of agricultural implements. Also refer to our catalogs and general safety literature. And the standards published by the American society of Agricultural Engineers.
DRIVE-LINE SPECIFICATIONS
The first step towards a safe application is to specify and test the drive-line to operate properly under expected field conditions.
- Specify and test the proper size joints and telescoping members based upon the power required by the implement, speed of rotation, joint angles, shock leads, and expected life. More information may be found in all drive-line manufacturers’ catalogs.
- Design and test the hitch geometry to prevent the drive-line from:
- Extending beyond the recommended maximum length.
- Bottoming out
- Reaching a position that allows joints to lock.
- Exceeding the maximum allowable angle for constant velocity (CV) joints.
Information concerning these parameters may be found in all drive-line manufacturers’ catalogs. Specify and test telescoping members to allow the lowest possible thrust loads, considering the expected working conditions.
- Specify and test torque limiters to control excessive shock loads.
- Where necessary, specify and test overrunning clutches to prevent inertial loads from overpowering the tractor.
- Provide a means to support the drive-line on the implement when it is disconnected from the tractor, to prevent damage during storage or transportation.
HAZARD REDUCTION
The second step in specifying a safe drive-line application is to strive to eliminate as many hazards as possible.
- On drive – lines with torque limiting or overrunning devices, specify that the device e positioned on the end of the drive-line by the implement.
- For implement connections which require bolts or set screws, select supply hardware which minimizes protrusions.
- For tractor PTO shaft connections, specify a safety type yoke (twist or slide collar) to minimizes protrusions.
- Provide a proper clearance zone for the operation of the drive-line, to avoid damaging the shielding components.
Some common areas of interference are:- Three-point linkage
- Extended or eye loop hitch pins
- Hydraulic hoses
GUARDING
For hazards which cannot be eliminated effectively, guarding must be provided whenever feasible.
The PTO master shield, integral drive-line shield, and implement input connection shield should provide an interactive guarding system.
- Provide instructions by labels or manuals. The implement should be used only with the tractor’ s PTO master shield in place.
- Specify and test an integral drive-line shield with end cones which will overlap, but not interfere with the PTO master shield or implement input connection shield.
- Provide an implement input connection shield to interact with the integral drive-line shield to provide guarding of the shaft coupling and any torque limiting device installed on the drive-line.
- Check that all routine maintenance of the drive-line can be done without removal of the shields.
WARNINGS AND INSTRUCTIONS
Provide warnings and instructions for hazards associated with the machine. Provide instructions for proper maintenance and repair.
- Provide labels on the unit to advise the user of proper hitch dimensions and maximum safe operating speed.
- Check that proper danger labels are supplied with the drive-line (replacements are available from your drive-line supplier).
- Provide easy-to understand instructions for proper drive-line operation, maintenance, and repair in the operator’s manual.
- Advise against the use of PTO adapters which may defeat the purpose of the tractor’s master shield and adversely affect the performance of the drive-line.
- Advise the user of locations of genuine original equipment spare parts.
- Further information about drive-line specifications and safety may be obtained from your drive-line supplier and the following ASME standards and Engineering Practices:
- S203– Rear power, Take Off FOR Agriculture tractors
- S205—Power Take Off Definitions and Technology for Agricultural Tractors.
- S207 – Operating Requirements for Tractors and Power Take-Off Driven Implement
- S318- Safety for Agriculture Equipment
- S311- Implement Power Take-Off driver-line specifications
- S333– Agricultural Tractor Auxiliary Power Take off Drives
- S350—Safety Alert Symbol for Agricultural Equipment
- S441—Safety Signs
- S493 – Guarding for Agricultural Equipment
- EP363- Technical Publications for Agricultural Equipment
- Other standards may apply for particular types of implements.
All drive-line manufacturers strive to produce a safe product. Drive-line, like most other components, must be used properly, including the use of proper tractor master shields and implement input connection shields.
Please contact us if you have any questions about your drive – line application.
SAFETY INSTRUCTIONS
Do not attempt to operate the chipper until you have read and understood the owner’s manual.
If you need another manual, contact the factory or the dealer where you purchased the unit. We will furnish an extra manual at no charge.
Always keep the guards and chip defector installed properly while operation the chipper.
Keep the decals in place and in good repair. The factory or your dealer will furnish new decals upon request. Never leave the chipper running unattended.
Do not attempt alterations, repairs or adjustments while the chipper head is turning. Always disconnect the PTO and stop the motor, then put the keys in your pocket.
Keep hands, feet and other extremities out of and away from the hopper.
Point the discharge chute away from doorways, sidewalks, or any areas where your view is obstructed. The chute should be pointed downwind when possible or the fines will blow into your eyes and down your neck. This is not very comfortable.
Keep everyone, especially children, way from the area of operation. Anyone who has not read this manual and received instructions from a qualified person should not be in the area.
WEAR PROTECTIVE GEAR.
- EYES – wrap – around safety glasses or goggles
- EARS – ear plugs
- HANDS – Leather gloves
- FEET – Steel toed boots
- LEGS – Heavy Pants
- ARMS – Long sleeved shirt
No loose clothing should be worn around the chipper. Children as well as adults could easily lose a finger or four, if someone or something turns the flywheel over when the blades are being checked or the cutter bar is being adjusted. The flywheel has enough residual energy to easily remove fingers.
MACHINE CHECKLIST
CAUTION:
Turn the chipper head over by hand before applying power to make sure that the head is clear, all the bolts are clear, and the knives clear the case and cutter bar.
Make sure that:
- The feed roll drive-shaft and pivots are properly lubricated.
- The feed roll clutch is properly lubricated and the clutch release when the handle is pushed toward the chute.
- The PTO shaft doesn’t come apart or bottom out during the normal lifting range.
Check the chip pile to see if the blades need to be serviced. Long slivers in the chip pile are one the best indications of dull blades.
MACHINE OPERATION
- The chipper is a flywheel and knife type of as they are fed into the head. The blades must be sharp to operate properly. Dirt, rocks, nails, or other foreign material will shorten blade life.
- Before operating the chipper review the machine checklist. After turning the chipper by hand and making sure there no obstructions in the head, start the tractor and raise the chipper until the PTO shaft is within 15 degrees of straight.
- Start the chipper slowly with the PTO engaged, and release the PTO clutch slowly. Gradually increase speed until the tractor PTO speed is 540 RPM.
- The material will feed into the head more easily if your start the pieces with the large end first.
- The feed roll will fold branches as they are pulled into the hopper. Occasionally, a limo fork may have to be cut to feed properly.
- If the material stops feeding, sometimes a little push on the long end of the limo will help.
- If the material stops the feed roll, release the feed roll clutch by pushing it toward the chute. Hold the clutch in the disengaged mode, and pull the material out the hopper. Release the feed roll clutch and the feed roll will turn again.
- Remember to cut only clean material, or blade life will be shortened.
- Do not move the unit while the flywheel is turning.
- Block the wheels and set the brake while running the head.
- Watch the discharge chute while operating the unit and if the chips stop flowing stop feeding material into the unit by moving the feed roll clutch handle toward the chute and pulling the material from the hopper.
- Most of the time this will be enough to clear the chips out of the unit. If the unit slows down noticeably, first shut off the PTO power, then the tractor.
- Unplug the head by turning it backwards by hand with the discharge chute and top section of the wrapper off.
- Remove the chips from the top of the head. If this fails, remove the clean-out door, located on the lower part of the front side-plate of the chipper below the main shaft. Then work the chips out the case.
- Replace the clean-out door after all the chips are removed, being sure to use both the lock washers and flat washers.
- Turn the head by hand after assembly to be sure it turns freely. Be sure to replace the chip deflector.
- Do not operate the unit without the deflector in place.
- Before stopping the chipper, be sure that all of the material is out the head and out of the feed roll.
- All of the material in the chute must be gone or the unit could jam on a small piece of material. This can usually be cleared by tuning the unit backwards by hand.
- To replace the blades, take the PTO shaft out of gear. Shut off the tractor and keep the keys in your pocket. The blades on most models are replaced or turned by removing the inspection plate on the side opposite the chute.
- Unhook the feed roll springs, block the feed roll to maximum position, and, with an Allen wrench on the chute side and a socket on the other, remove the bolts.
- Be careful to not drop any parts inside.
- Remove the blade, clean the blade pocket, and turn or sharpen the blade. Replace.
- Torque the bolts to 50 foot-pounds in all holes so the bolts are straight through the flywheel.
- A small screwdriver or ice pick works well to clean pockets for the Allen wrench.
- Replace the inspection plate and reattach the springs.
- Turn over by hand before applying power. The cutter bar should be adjusted to .010 to .030 from the blades by loosening the bolts in the bottom of the chute in the slotted holes and moving the bar on the slots. Bolts are to be torqued to 35 foot pounds.
- The cutter bar can be reversed and/or resharpened.
Dull blades cause many problems, such as:
- Seeming lack of power, plugging of the discharge chute, rough cutting with more vibration than usual, feed roll shaft broken, main bearing working loose and the flywheel or blades hitting the case or bed knife, feed roll kicking out of gear, and not feeding.
- To properly sharpen the blades, sharpen them at an angle. Keep the angle at 35 degrees. This is the same as a new set.
- Area B cannot be rounded, or the blades will not pull the material into the head.
- The best way to tell if the blades need sharpening is to watch the chips coming out of the chip discharge.
- If they are long and stringy, the blades need to be service. Sometimes the blades feel sharp to the fingers, but may be worn or rounded in area B. they need to be sharpened.
LUBRICATION FREQUENCIES AND LOCATIONS
- PTO shaft –2 zerks on universals once a day with multipurpose grease.
- Slip Joint – lubricate with multi- purpose grease
- Feed roll pivot – 2 zerks on underside of chute end.
- Multi- purpose grease every 4 to 8 hours of operation. If dust or fine particles make pivot bind, unhook feed roll springs, use cleaning solvent on pivot while moving up and down, wipe off, lubricate slides, and replace springs.
- Feed roll drive-shaft- zerk on feed roll drive-shaft lubricates both the slide and both universal joints. Add multi-propose grease until grease shows at both universals every 4 to 8 hours of operation, particularly before each use. Occasionally remove and thoroughly clean this assembly.
- Feed roll clutch – while feed roll shaft is off, lubricate the feed roll clutch inside and outside with multi-purpose grease.
- Gear box – check separate sheet for gear box lubrication.
PREVENTIVE MAINTENANCE
- Check all bolts, set- screws and fasteners after running four hours, and once per day thereafter.
- Check for loose belts and broken pulleys, loose springs, dry slides, and proper lubrication of both feed roll drive-line and feed roll clutch
- The main drive belts on the chipper need to be tight. To tighten these belts, first loosen the four bottom nuts that hold the jack-shaft bearing. Loosen them about three turns, then move the nuts on the top of the bearings down and equal amount. Keep the jack-shaft parallel with the main shaft. Torque the bottom nuts 80 foot-pounds.
- The belts of the main drive on the PTO chipper should be checked every eight hours of operation.
- Look for cracks, looseness, or other signs of deterioration. For best performance, replace with a matched set of eight belts.
- The feed roll drive belt can be adjusted by first loosening the four bolts that hold the worm gear to the base, then moving the gear box away from the chute and re-torques the bolts to 40 foot-pounds.
- All decals and safety instructions should be kept clean and legible. It is the operator’s responsibility to replace the decals as needed; they will b mailed at no charge.
TROUBLESHOOTING
| PROBLEM | POSSIBLE CAUSES | POSSIBLE SOLUTION |
| Head slows but tractor does not | 1. Main drive Belts are Slipping 2. Blades Dull | 1. Tighten 2. Sharpen / Reverse |
| Feed roll clutch kicking in and out of gear excessively | 1. Blades dull 2. Material jammed in chute | 1. Sharpen/ reverse 2. Release feed, roll clutch and remove material by pulling cut of chute, trim forks, and feed into chute. |
| Not chipping clean or chip deflector plugging | 1. Blades dull 2. Cutter bar rounded 3. Cutter bar not adjusted properly 4. Chipper head turning too slowly | 1. Sharpen / reverse 2. Sharpen / reverse 3. Adjust to tolerance level 4. Check to PTO speed at 540 RPM |
|
Unit won’t feed | 1. Feed roll slides dirty or dry 2. Fork in material too wide 3. Feed roll gear box belt loose 4. Feed roll tension springs stretched | 1. Clean & lubricate 2. Remove and trim 3. Tighten 4. Replace |
SPECIFICATIONS
We have designed and manufactured the chipper as possible. We have used off- the shelf bearings, belts, and pulleys. We have manufactured a few items that were not readily available. The off-the shelf items are balance of the parts are available from the dealer, distributor, or factory.
We have used grade 8 bolts on the models for the models for the flywheel, blades, and cutter bars. All other bolts are grade 2 or 5 as needed.
DRIVE-LINE FITTING ADJUSTMENTS
This data is for drive-line fitting adjustment, which is required prior to initial start-up and installation of chippers.
Prior to start-up, the PTO that is supplied with your chipper must be properly sized to insure proper operation. If this is not done, damage to the chipper, PTO, and tractor PTO drive-line will occur.
These calculations are based on the following assumptions:
- The PTO drive-line used is the one supplied with your chipper with a size 2 PTO shaft spline for a type 1 spline on this tractor PTO.
- The drive-line has an active length range of 24.5” to 21.5” and that 2-1/4” of contact area on the tractor PTO spline and 1-3/8” of contact area on the chipper spline shaft are utilized.
- The two shaft ends are horizontal with one another.
The following steps should be taken to ensure the proper fitting of the PTO drive-line (provided with your chipper) with your tractor PTO drive.
- Attach the chipper to your tractor three-point connections.
- Raise the chipper to a position where its drive-shaft is level with the tractor PTO drive-shaft. this horizontal position is recommended for operation of the chipper.
- A maximum of 15 degrees of offset from the horizontal position between the two shaft ends is allowable for proper operation of the unit by the PTO drive-line manufacturer. However, drive-line calculations are based on a level, horizontal position.
- With the two drive shafts level with one another, measure the distance between the ends of the two shafts (the chipper and the tractor PTO shaft ends).
- This distance between the two shaft ends is the measured shaft end distance, or “MSED”.
- The PTO drive-line is capable of handling a MSED between 18.76” to 21.76”, allowing for at least 1/3 of shaft overlap as recommended by the drive-line manufacturer.
- If the MSED is longer than 21.76” a longer drive-line is needed and should be ordered.
- If the MSED is shorter than 18.76” a shorter drive-line is needed and should be ordered.
- Most drive-lines must be adjusted to fit by cutting off equal amounts of the ends of the shaft tube and the guard tube of the PTO diver-line.
- Consult the drive-line manufacture data enclosed with your drive-line for proper assembly, disassembly. Lubrication and operation- prior to start-up, and during operation.
REMEMBER
Contact with the drive-line wile in use can result in serious in injury or death.
Any portion of the drive-line not shielded must be guarded by an interactive guarding system.
The manufacturer of the equipment is responsible for providing guards. Any replacement is guard must be one which is specified by that manufacturer. in short, do not remove any of the plastic safety covers on the drive-line, and ensure that caution is used around this drive-line no one should be in the drive-line area when it is operating.
Another dive-line data base is as follows – these calculations are based on the following assumptions:
- the PTO drive-line is the Bondioli model 7102043nnt07607 with a size 2 PTO shaft spline for A type 1 spline on the tractor PTO.
- The drive-line has an active length range of 31.06 to 25.13”
- That 2-1/4” of contact area on the tractor PTO spline and 1-3/8” of contact area on the shipper spline shaft are utilized.
- The two shaft ends are horizontal with one another.
The following steps should be taken to ensure the proper fitting of the PTO drive-line provided with your chipper to your tractor PTO drive.
- Attach the chipper to your tractor three-point connections raise the chipper to a position where its drive-shaft is level with the tractor PTO drive-shaft.
The recommended position of the chipper during operation is in this horizontal position.
A maximum of 15 degrees of offset from the horizontal position between the two shaft ends is allowable for proper operation of the unit by Bondioli and chipper.
Drive-line calculations have been based on a level or horizontal position. - With the two drive-shafts level with one another. Measure the distance between the ends of the two shafts.(the chipper and the tractor PTO shaft ends) this distance between the two shaft ends is the measured shaft end distance or “MSED”.
- The PTO drive-line is capable of handling a MSED between 27.24” to 20.31” allowing for at least 1/3 of shaft overlap as recommended by the drive-line manufacturer.
- If the MSED is longer than 27.24” a longer drive-line is needed and should be ordered.
- If the MSED is shorter than 20.31” but longer than 17.31,” the PTO drive-shaft must be fitted. Fit the drive-shaft by cutting off equal amounts of the ends of the shaft tube and the guard tube of the PTO drive-line. The amount to out off each end of the shaft tube and the guard tube is the difference between 20.31 and the MSED for your unit. In no case can more than 3’ of shaft tube and guard tube be removed, or the contact area is not sufficient for proper and safe operation of the drive-shaft.
EXAMPLE:
If the MSED is 17.31”, cut off 3” from the ends of the shaft tube and the guard tube of the drive-line (20.31” MSED 17.31” = 3” of cut off distance). Cut off the same amount from the shaft tube plastic safety cover and the guard tube safety cover to ensure proper assembly and fit of the drive-line. - If the MSED is shorter than 17.31” a shorter drive-line is needed and should be ordered.
- Consult the Bondioli data enclosed with your dive- line for proper assembly, disassembly, lubrication and operation- prior to start-up and during operation.
REMEMBER:
Contact with the drive-line while in use can result in serious injury of death.
Any portion of the drive-line not shielded must be guarded by an interactive guarding system, the manufacturer of the equipment is responsible for providing guards. And replacement guard must be one which is specified by manufacturer.
In short, don’t remove any of the plastic safety covers on the drive-line, and ensure that caution is used around this drive-line. No person should be in the drive-line area when it operating.
EXPLODED VIEW & PARTS LIST
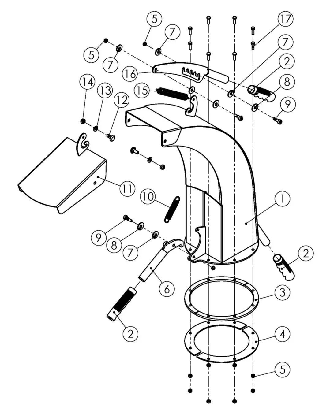
| REF | SYS NO | PART NO | DESCRIPTION | QTY |
| 1 | 808940036 | WC52R-0014 | Flywheel upper housing | 1 |
| 2 | 501011125 | GB5783-M12X25 | Bolt | 2 |
| 3 | 503010763 | DIN985-M12 | Lock nut | 4 |
| 4 | 708940145 | WC52R-0103 | Cover | 1 |
| 5 | 501012479 | GB5789-M8X16 | Bolt | 4 |
| 6 | 503010761 | DIN985-M8 | Locknut | 4 |
| 7 | 809380001 | WC52R-0012A | Flywheel lower housing | 1 |
| 8 | 503010052 | GB6170-M22 | Nut | 2 |
| 9 | 506030042 | GB93-22 | Spring washer | 2 |
| 10 | 700080010 | 200.56.011 | Combined pins | 3 |
| 11 | 708940144 | WC52R-0102 | Upper rod pin shaft | 2 |
| 12 | 501011126 | GB5783-M12X30 | Bolt | 2 |
| 13 | 808940092 | WC52R-0019 | Bracket | 1 |
| 14 | 506010057 | GB97.1-12 | Plain washer | 2 |
| 15 | 708940147 | WC52R-0105 | Lock pin | 1 |
| 16 | 508011517 | GB879.1-5X35 | Pin | 1 |
| 17 | 808940004 | WC52R-0011 | Base | 1 |
| 18 | 501040599 | GB794-B-M12X30 | Bolt | 4 |
| 19 | 503010225 | GB6177.1-M12 | Nut | 4 |
| 20 | 708940168 | WC52R-0199 | Adjustable blades | 1 |
| 21 | 501011098 | GB5783-M8X16 | Bolt | 1 |
| 22 | 506010055 | GB97.1-8 | Plain washer | 3 |
| 23 | 503010099 | GB6172.1-M10 | Nut | 4 |
| 24 | 704090049 | WCX5-0102 | Stationary blade | 2 |
| 25 | 501060032 | GB798-M10X80 | Bolt | 2 |
| 26 | 708940148 | WC52R-0108 | Washer | 2 |
| 27 | 506030035 | GB93-8 | Spring washer | 2 |
| 28 | 501011102 | GB5783-M8X35 | Bolt | 2 |
| 29 | 706590295 | 1CT-18-08 | Screw thread | 2 |
| 30 | 708940183 | CIT-04 | One way valve | 1 |
| 31 | 708940003 | 3C-18W | Transition joints M18X1.5 | 1 |
| 32 | 708940182 | 6C9-18LN | Joints | 2 |
| 33 | 708940143 | WC52R-0101 | Lower rod pin shaft | 1 |
| 34 | 501012537 | GB5789-M16X35 | Bolt | 1 |

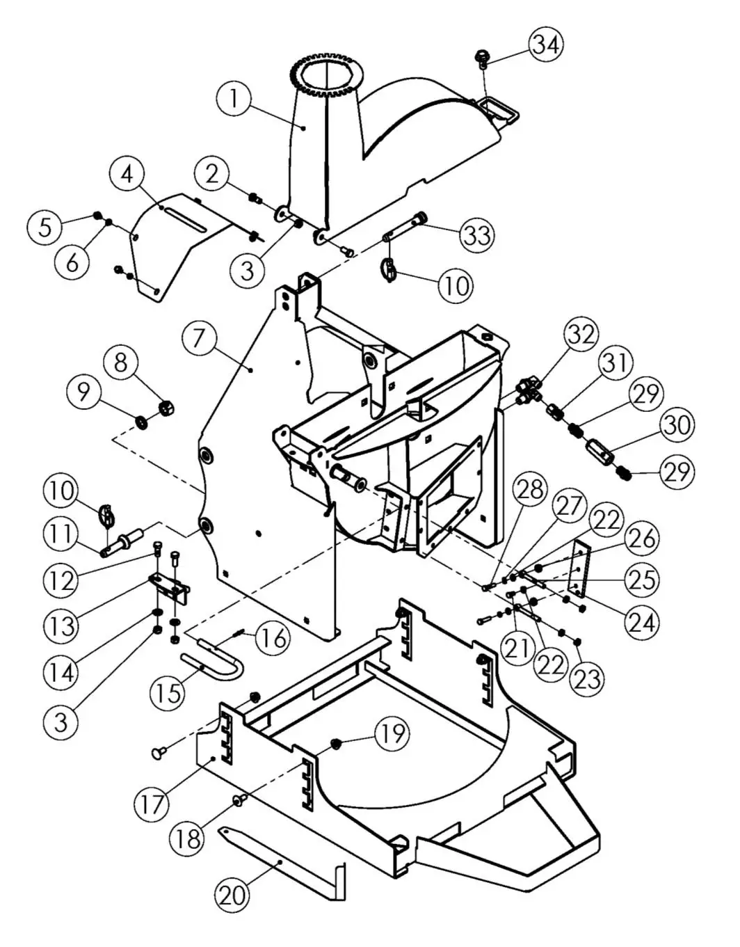
| REF | SYS NO | PART NO | DESCRIPTION | QTY |
| 1 | 809380011 | WC52R-0017A | Feed bucket | 1 |
| 2 | 501040171 | GB794-B-M8X55 | Bolt | 2 |
| 3 | 704660021 | QHTTPG-320 | Pipe clamp | 2 |
| 4 | 704660020 | QHTT-G3 | Cover | 2 |
| 5 | 503010223 | GB6177.1-M8 | Nut | 7 |
| 6 | 501040502 | GB12-M10X25 | Bolt | 4 |
| 7 | 506010036 | GB96.1-10 | Larger washer | 4 |
| 8 | 704090052 | WCX5-0107 | Plate | 2 |
| 9 | 503010762 | DIN985-M10 | Locknut | 4 |
| 10 | 708940199 | WC52R-0139 | Pressure strip | 1 |
| 11 | 508011621 | GB879.1-12X35 | Pin | 4 |
| 12 | 708940151 | WC52R-0114 | Plate | 1 |
| 13 | 501040169 | GB794-B-M8X45 | Bolt | 1 |
| 14 | 808940130 | WC52R-0029 | Nut M16 | 4 |
| 15 | 708940186 | QHTT-G2 | Cover | 3 |
| 16 | 708940187 | QHTTPG-217 | Pipe clamp | 3 |
| 17 | 708940155 | WC52R-0119 | Plate | 1 |
| 18 | 501011104 | GB5783-M8X45 | Bolt | 2 |
| 19 | 501012492 | GB5789-M10X20 | Bolt | 11 |
| 20 | 708940156 | WC52R-0122 | Retaining ring | 2 |
| 21 | 808940119 | WC52R-0026 | Left arm | 1 |
| 22 | 808940132 | WC52R-0031 | Plate | 1 |
| 23 | 704750007 | 1LTF-550-G11503 | Combined pins | 4 |
| 24 | 808940127 | WC52R-0028 | Adjusting rod | 2 |
| 25 | 503010759 | DIN985-M6 | Nut | 11 |
| 26 | 708060048 | GK-182 | Pin | 1 |
| 27 | 505011648 | GB70.2-M6X20 | Screw | 4 |
| 28 | 708940194 | WC52R-0121 | Tension spring | 2 |
| 29 | 503010816 | GB6177.1-M10-10 | Nut | 7 |
| 30 | 501012493 | GB5789-M10X25 | Bolt | 7 |
| 31 | 809380024 | WC52R-0035A | Motor cover | 1 |
| 32 | 506010034 | GB96.1-6 | Larger washer | 3 |
| 33 | 501011088 | GB5783-M6X16 | Bolt | 3 |
| 34 | 702410043 | BH-6.07.092 | Manuel bag | 1 |
| 35 | 708940154 | WC52R-0117 | Sleeve | 2 |
| 36 | 505011710 | GB70.3-M6X20 | Bolt | 4 |
| 37 | 809380022 | WC52R-0025A | Roller bracket | 1 |
| 38 | 708940171 | WC52R-0032 | Adjusting rod | 1 |
| 39 | 708940157 | WC52R-0123 | Adjusting rod pin shaft | 2 |
| 40 | 808940123 | WC52R-0027 | Right arm | 1 |
| 41 | 501011105 | GB5783-M8X50 | Bolt | 2 |
| 42 | 509010007 | GB1152-M6 | Oil Cup | 2 |
| 43 | 708940185 | QHTLPG-008 | Pipe clamp | 2 |
| 44 | 708940184 | QHTL-G0 | Cover | 2 |

| REF | SYS NO | PART NO | DESCRIPTION | QTY |
| 1 | 808940101 | WC52R-0023 | Lower Roller | 1 |
| 2 | 511040038 | UCP208 | Bearing | 2 |
| 3 | 506010059 | GB97.1-16 | Plain washer | 4 |
| 4 | 503010765 | DIN985-M16 | Nut | 4 |
| 5 | 708940179 | 155200A6310AAAAA | Hydraulic motor | 2 |
| 6 | 708940001 | 2C9-16W | Elbow M16X1.5 | 4 |
| 7 | 704080304 | 1CG-16-08 | Oil joint | 4 |
| 8 | 503010763 | DIN985-M12 | Nut | 12 |
| 9 | 501040602 | GB794-B-M12X40 | Bolt | 4 |
| 10 | 501011160 | GB5783-M16X50 | Bolt | 4 |
| 11 | 509010009 | GB1152-M10X1 | Oil Cup | 2 |
| 12 | 708940178 | WC52R-0089 | Guide pipe | 1 |
| 13 | 708940152 | WC52R-0115 | Bearing plate | 1 |
| 14 | 708940153 | WC52R-0116 | Bushing | 4 |
| 15 | 511040045 | UCF208(R1/8) | bearingUCF208(R1/8) | 2 |
| 16 | 501040193 | GB794-B-M12X90 | Bolt | 4 |
| 17 | 808940107 | WC52R-0024 | Upper roller | 1 |
| 18 | 501040186 | GB794-B-M12X45 | Bolt | 4 |
| 19 | 708940160 | WC52R-0126 | Bushing | 4 |

| REF | SYS NO | PART NO | DESCRIPTION | QTY |
| 1 | 808940078 | WC52R-0018 | Folding bucket | 1 |
| 2 | 505011647 | GB70.2-M6X16 | Screw | 8 |
| 3 | 708060048 | GK-182 | Pin | 2 |
| 4 | 503010759 | DIN985-M6 | Nut | 10 |
| 5 | 708940166 | WC52R-0136 | Control rod | 1 |
| 6 | 506010061 | GB97.1-20 | Plain washer | 4 |
| 7 | 503010767 | DIN985-M20 | Nut | 4 |
| 8 | 708940187 | QHTTPG-217 | Pipe clamp | 1 |
| 9 | 708940186 | QHTT-G2 | Cover | 1 |
| 10 | 503010223 | GB6177.1-M8 | Nut | 11 |
| 11 | 708940161 | WC52R-0129 | Nylon washer 8 | 4 |
| 12 | 708940165 | WC52R-0135 | Plate | 1 |
| 13 | 708940164 | WC52R-0134 | U bolt M8 | 5 |
| 14 | 501084912 | ISO7379-8X12-M6 | Bolt 8X12-M6 | 2 |
| 15 | 506010035 | GB96.1-8 | Larger plain washer | 2 |
| 16 | 503010045 | GB6170-M8 | Nut | 2 |
| 17 | 501060024 | GB798-M8X70 | Bolt | 1 |
| 18 | 708940193 | WC52R-0113 | Tension spring | 1 |
| 19 | 708940002 | 2C9-18W | Elbow M18X1.5 | 2 |
| 20 | 808940206 | WC52R-0010A | Single Valve assembly | 1 |
| 21 | 708940001 | 2C9-16W | Elbow M16X1.5 | 2 |
| 22 | 708940163 | WC52R-0133 | Valve cover | 1 |
| 23 | 501012492 | GB5789-M10X20 | Bolt | 4 |
| 24 | 501011115 | GB5783-M10X40 | Bolt | 1 |
| 25 | 501084913 | ISO7379-20X25-M16 | Bolt20X25-M16 | 1 |
| 26 | 700870026 | CC-18W | Plug | 1 |
| 27 | 705190067 | 1CB-18-08WD | Joint M18X1.5-G1/2X14 | 3 |
| 28 | 708940169 | LKF-60-1/2NPT | Valve | 1 |
| 29 | 708940181 | 2BC-06-18WD/W | Joint | 1 |
| 30 | 708940162 | WC52R-0131 | Sleeve | 2 |
| 31 | 511021658 | GB276-6202-2Z | Beaing-2Z | 1 |
| 32 | 503010762 | DIN985-M10 | locknut | 1 |
| 33 | 808940134 | WC52R-0033 | Handle | 1 |
| 34 | 708940158 | WC52R-0124 | Pin | 1 |
| 35 | 508011517 | GB879.1-5X35 | Pin | 1 |
| 36 | 503020124 | GB923-M8 | Nut | 10 |
| 37 | 506010055 | GB97.1-8 | Plain Washer | 10 |
| 38 | 708940159 | WC52R-0125 | Plate | 2 |
| 39 | 501040169 | GB794-B-M8X45 | Bolt | 1 |
| 40 | 501040601 | GB794-B-M8X16 | Bolt | 10 |
| 41 | 708940167 | WC52R-0137 | Plate | 1 |

| REF | SYS NO | PART NO | DESCRIPTION | QTY |
| 1 | 808940044 | WC52R-0015 | Discharge bucket | 1 |
| 2 | 704070455 | S26.01.103 | Handle cover | 3 |
| 3 | 708940150 | WC52R-0111 | Baffle | 2 |
| 4 | 708940149 | WC52R-0109 | Plate | 2 |
| 5 | 503010759 | DIN985-M6 | Lock nut | 11 |
| 6 | 808940095 | WC52R-0021 | Handle | 1 |
| 7 | 708940161 | WC52R-0129 | Nylon washer 8 | 5 |
| 8 | 506010035 | GB96.1-8 | Larger plain washer | 3 |
| 9 | 501084914 | ISO7379-8X10-M6 | Bolt 8X10-M6 | 3 |
| 10 | 708940192 | WC52R-0112 | Tension spring | 1 |
| 11 | 808940053 | WC52R-0016 | Protective cover weldment | 1 |
| 12 | 501040600 | GB794-B-M8X20 | Bolt | 2 |
| 13 | 506010055 | GB97.1-8 | Plain washer | 2 |
| 14 | 503010761 | DIN985-M8 | Locknut | 2 |
| 15 | 708940193 | WC52R-0113 | Tension spring | 1 |
| 16 | 808940098 | WC52R-0022 | Plate | 1 |
| 17 | 501011089 | GB5783-M6X20 | Bolt | 8 |

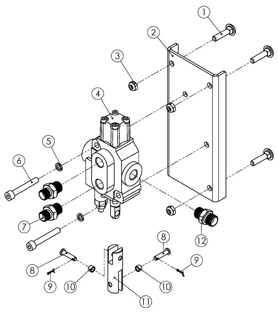
| REF | SYS NO | PART NO | DESCRIPTION | QTY |
| 1 | 501040167 | GB794-B-M8X35 | Bolt | 3 |
| 2 | 808940201 | WC52R-0034A | Valve Seat | 1 |
| 3 | 503010761 | DIN985-M8 | Lock nut | 3 |
| 4 | 708940200 | MB-21S-3010001G3M1 | Single valve | 1 |
| 5 | 506030035 | GB93-8 | Spring washer | 2 |
| 6 | 505011422 | GB70.1-M8X55 | Screw | 2 |
| 7 | 702990148 | 1CB-16-06WD | Joint M16X1.5 | 2 |
| 8 | 508040424 | GB882-B-6X26 | Pin shaft | 2 |
| 9 | 508050042 | GB91-2X10 | Cotter pin | 2 |
| 10 | 708940188 | WC52R-1002 | Roller | 2 |
| 11 | 708940197 | WC52R-1003 | Pull rod | 1 |
| 12 | 700250036 | 1CB-18-06WD | Joint M18X1.5 | 1 |

| REF | SYS NO | PART NO | DESCRIPTION | QTY |
| 1 | 703820055 | QUICK-COUPLING-G1/2-G | Quick jointG1/2 | 2 |
| 2 | 809380029 | WC52R-0083A | Return oil pipe | 3 |
| 3 | 809380028 | WC52R-0082A | Oil supply pipe | 1 |
| 4 | 708940175 | WC52R-0084 | Valve oil return pipe | 1 |
| 5 | 809380030 | WC52R-0085A | Pipe from valve to motor | 2 |
| 6 | 708940177 | WC52R-0086 | Inner motor oil pipe | 1 |
BRABEREQ.COM
[email protected]
PHONE: 604-850-7770
FAX: 604-850-7774
TOLL-FREE PHONE: 1-877-588-3311
TOLL-FREE FAX: 1-800-665-7334
INTRODUCTION













