GENTRON GWC8310 Wood Chipper User Manual

Conventions used in this manual
⚠ WARNING
This indicates a hazardous situation, which, if not avoided, could result in death or serious injury.
⚠ CAUTION
This indicates a hazardous situation, which, if not avoided, could result in minor or moderate injury.
⚠ NOTICE
This information is important in proper using of your machine. Failure to follow this instruction could result in damage to your machine or property.
Additional Information and Potential Changes
We reserve the right to discontinue, change, and improve its products at any time without notice or obligation to the purchaser. The descriptions and specifications contained in this manual were in effect at printing. Equipment described within this manual may be optional. Some illustrations may not be applicable to your machine.
Limited Warranty
JD North America warrants to the original purchaser who uses the product in a consumer application
(personal, residential or household usage) that all products covered under this warranty are free from defects in material and workmanship for 1 year or 300 hours whichever comes first (1-year parts and labor and following 1 year parts only) from the date of purchase. All products covered by this limited warranty which are used in commercial applications (i.e. income producing) are warranted to be free of defects in material and workmanship for 90 days from the date of original purchase. Products covered under this warranty include wood chippers and stump grinders. This warranty does not apply to normal wear and tear. Quick-wear parts such as Carburetor, Air Filter, Spark Plug, belt, blade and other maintenance issues are excluded from this warranty.
An individual or entity that purchases the product from whatever source with the intent to resell the product is an unauthorized reseller (“unauthorized dealer”).
Please note this Limited Warranty does not apply to floor models or “demos” (except as specifically provided herein) or to products sold by unauthorized dealers, including without limitation, unauthorized resellers on third party websites, including, without limitation, Craigslist, eBay, Amazon, etc. Unauthorized dealers are not “original purchasers” for the purpose of this Limited Warranty. If purchaser is not the original purchaser of this product, purchaser takes the product “AS IS,” “with all faults” and without warranty. If the purchase of this product was not directly from JDNA, proof of purchase will be required to demonstrate that purchaser is the original purchaser and the product was purchased from an authorized dealer, and eligible to make a valid claim under this limited warranty.
JD North America will repair or replace, at JD North America sole option, products or components which have failed within the warranty period. Service will be scheduled according to the normal work flow and business hours at the service center location, and the availability of replacement parts. All decisions of JD North America with regard to this limited warranty shall be final.
This warranty gives you specific legal rights, and you may also have other rights which vary from state to state.
RESPONSIBILILY OF ORIGINAL PURCHASER(initial User): To process a warranty claim on this product, DO NOT return item to the retailer. The product must be evaluated by an Authorized Warranty Service Center. For the location of the nearest Authorized Warranty Service Center call 888.896.6881.
Retain original cash register sales receipt as proof of purchase for warranty work. Use reasonable care in the operation and maintenance of the product as described in the Owner’s Manual(s). Deliver or ship the product to the Authorized Warranty Service Center. Freight costs, if any must be paid by the purchaser. If the purchaser does not receive satisfactory results from the Authorized Warranty Service Center, the Purchaser should contact JD North America.
Part I: General Safety Rules
Safety Labels Found on Your Unit


⚠ WARNING
Read this Safety & Operating Instructions manual before you use the Wood Chipper. Become familiar with the operation and service recommendations to ensure the best performance of your machine.
Propose
⚠ CAUTION
This machine is designed solely to chip wood and must not be used for any other purpose. It should only be used by trained operators who are familiar with the content of this manual. It is potentially hazardous to fit or use any parts other than your dealer parts. The company disclaims all liability for the consequences of such use, which in addition voids the machine warranty.
Before using the wood chipper
⚠ NOTICE
- A Operators must be fully trained before using this machine.
- B User Manual is read and understood.
- C Machine is positioned on level ground, all guards are fitted and in good condition.
- D Blades are in good condition and secure. All blades are sharpened or replaced in sets.
- E All fasteners are checked for tightness.
- F Only WOODEN materials free of nails etc. are fed into the machine.
- G Fire extinguisher is available on site.
When using the wood chipper
⚠ NOTICE
- A. Always feed from the side.
- B. It is better to have a second trained operator within easy reach of the machine.
- C. Maintain strict discipline at all times and service machine at specified periods.
- D. Note direction of discharge chute and if necessary note the wind direction to prevent debris from being blown into highway or where it could affect members of the public.
- E. DO NOT put any part of your body into the in-feed chute while the machine is running.
- F. DO NOT operate the machine whilst under the influence of alcohol or drugs.
- G. DO NOT operate inside a building or confined space or Climb on the in-feed chute.
Protecting Yourself and Those Around You
⚠ WARNING
This is a high-powered machine, with moving parts operating with high energy. You must operate the machine safely. Unsafe operation can create a number of hazards for you, as well as anyone else in the nearby area. Always take the following precautions when using this machine:
- A. Keep in mind that the operator or user is responsible for accidents or hazards occurring to other people, their property, and themselves.
- B. Always wear protective goggles or safety glasses with side shields while using the Wood Chipper to protect your eyes from possible thrown debris.
- C. Avoid wearing loose clothing or jewelry, which can catch on moving parts.
- D. We recommend wearing gloves while using the Wood Chipper. Be sure your gloves fit properly and do not have loose cuffs or drawstrings.
- E. Wear shoes with non-slip treads when using your Wood Chipper. If you have safety shoes, we recommend wearing them. Do not use the machine while barefoot or wearing open sandals.
- F. Wear long pants while operating the Wood Chipper.
- G. Keep bystanders at least 50 feet away from your work area at all times. Stop the engine when another person or pet approaches.
Safety for Children and Pets
⚠ WARNING
Tragic accidents can occur if the operator is not alert to the presence of children and pets. Children are often attracted to the machine and the chipping activity. Never assume that children will remain where you last saw them. Always follow these precautions:
- A. Keep children and pets at least 50 feet from the working area and ensure they are under the watchful care of a responsible adult.
- B. Be alert and turn the machine off if children or pets enter the work area.
- C. Never allow children to operate the Wood Chipper.
Safety with Gasoline – Powered Machines
⚠ WARNING
Gasoline is a highly flammable liquid. Gasoline also gives off flammable vapor that can be easily ignited and cause a fire or explosion. Never overlook the hazards of gasoline. Always follow these precautions:
- A. Never run the engine in an enclosed area or without proper ventilation as the exhaust from the engine contains carbon monoxide, which is an odourless, tasteless, and a deadly poisonous gas.
- B. Store all fuel and oil in containers specifically designed and approved for this purpose and keep away from heat and open flame, and out of the reach of children.
- C. Replace rubber fuel lines and grommets when worn or damaged and after 5 years of use.
- D. Fill the gasoline tank outdoors with the engine off and allow the engine to cool completely. Don’t handle gasoline if you or anyone nearby is smoking, or if you’re near anything that could cause it to ignite or explode. Reinstall the fuel tank cap and fuel container cap securely.
- E. If you spill gasoline, do not attempt to start the engine. Move the machine away from the area of the spill and avoid creating any source of ignition until the gas vapors have dissipated. Wipe up any spilled fuel to prevent a fire hazard and properly dispose of the waste.
- F. Allow the engine to cool completely before storing in any enclosure. Never store a machine that has gas in the tank, or a fuel container, near an open flame or spark such as a water heater, space heater, clothes dryer or furnace.
- G. Never make adjustments or repairs with the engine running. Shut down the engine, disconnect the spark plug wire, keeping it away from the spark plug to prevent accidental starting, wait 5 minutes before making adjustments or repairs.
- H. Never tamper with the engine’s governor setting. The governor controls the maximum safe operation speed and protects the engine. Over-speeding the engine is dangerous and will cause damage to the engine and to the other moving parts of the machine. If required, see your authorized dealer for engine governor adjustments.
- I. Keep combustible substances away from the engine when it is hot.
- J. Never cover the machine while the muffler is still hot.
- K. Do not operate the engine with the air cleaner or the carburetor air intake cover removed. Removal of such parts could create a fire hazard. Do not use flammable solutions to clean the air filter.
- L. The muffler and engine become very hot and can cause a severe burn; do not touch.
General Safety
⚠ WARNING
Operating this Wood Chipper safely is necessary to prevent or minimize the risk of death or serious injury. Unsafe operation can create a number of hazards for you. Always take the following precautions when operating:
- A. Your Wood Chipper is a powerful tool, not a plaything. Exercise extreme caution at all times. The machine is designed to Chip Woods. Do not use it for any other purpose.
- B. Know how to stop the Wood Chipper quickly.
- C. Never operate your unit on a slippery, wet, muddy, or icy surface. Exercise caution to avoid slipping or falling.
- D. See manufacturer’s instructions for proper operation and installation of accessories.
- E. Never use the machine without ensuring that all guards and shields are in place.
- F. Never, under any conditions, remove, bend, cut, fit, weld, or otherwise alter standard parts on the Wood Chipper. This includes all shields and guards. Modifications to your machine could cause personal injuries and property damage and will invalid your warranty.
- G. If the machine start to make an unusual noise or vibrate, shut down the engine, disconnect the spark plug wire, keeping it away from the spark plug to prevent accidental starting, wait 5 minutes for engine to cool down, then inspect for damage. Vibration is generally a warning of trouble. Check damaged parts and clean, repair and/or replace as necessary.
- H. Never tamper with safety devices. Check their proper operation regularly.
- I. Before performing any maintenance or inspection procedure, shut down the engine, disconnect the spark plug wire keeping it away from the spark plug to prevent accidental starting, wait 5 minutes for machine to cool down.
- J. Never allow people who are unfamiliar with these instructions to use the Wood Chipper. Allow only responsible individuals who are familiar with these rules of safe operation to use your machine.
- K. Never overload or attempt to chip woods beyond the manufacturer’s recommendation. It could result in personal injury or damage to the machine.
- L. While using, don’t hurry or take things for granted. When in doubt about the equipment or your surroundings stop the machine and take time to look things over.
- M. Never operate the machine when under the influence of alcohol, drugs, or medication.
- N. Use the machine only in daylight.
- O. Stay alert for hidden hazards or traffic.
- P. Keep all nuts and bolts tight and keep the equipment in good operating condition.
A Note to All Users
List of warnings and cautions cannot be all-inclusive. If situations occur that are not covered by this manual, the operator must apply common sense and operate this WOOD CHIPPER in a safe manner. Contact the dealers for assistance in your area.
PART II: Familiar with the Wood Chipper
It may be helpful to familiarize yourself with the controls and features of the Wood Chipper. If you have any question, please contact the dealers in your area.
TECHNICAL SPECIFICATIONS

PART III: Operating the Wood Chipper
It may be helpful to better familiarize yourself with the features of your Wood Chipper before beginning the steps outlined in this chapter.
WARNING
- A. Read and understand all instructions, safety precautions, and/or warnings listed in “PART I: General Safety Rules” before operating the WOOD CHIPPER. If any doubt or question arises about the correct or safe method of performing anything found in this manual, please contact the dealers in your area.
- B. When operating the Wood Chipper, make sure you are standing in the safe operating area (OPERATOR ZONE). You must stay in the safe operating area at all times when the ram is in motion (whether extending or retracting). Never place any part of your body into a position that causes an unsafe operating condition.
- C. Before loading and operating the Wood Chipper, always wear protective gear, including safety goggles, hearing protection, tight-fitting gloves without draw strings or loose cuffs, and steel-toed shoes.
- D. Knowing the correct and incorrect methods of Chipping woods. Never using an incorrect or unsafe method.
Assemble Instruction
The fully assembled machine as the below shows
- Unpack the machine from the crate, the parts you find will be as the below figure shows

- Assemble the wheels a. If the 2 wheels and the 2 axles are not assembled, assemble them together as below figure shows with the nuts and spacers(M14 nut, M14 flat washer, M14 spring washer)*2.
b. Locate the 2 wheels and the correct hardware needed to assemble the wheels (M10*30 bolt, spring washer, flat washer*2, lock nut)*6
***NOTE: OFF ROAD USE ONLY - Assemble the Infeed hopper(M10*35 bolt, flat washer, spring washer, lock nut)*2
A. locate the Infeed Hopper, the hardware needed to assemble it, and the side of the unit, that the hopper installs on the base of the unit.
B. While picking the hopper up, line up the left side of the hopper onto the 2 pin hinges and slide them down.
C. After mounting the hopper, install the nuts and washers onto the provided bolts tightly to secure the hopper
- Assemble the foot frame and install onto the wood chipper base (M10*35 bolt, flat washer*2, spring washer, lock nut)*2, (M10*90 bolt, flat washer, spring washer, lock nut, pin)

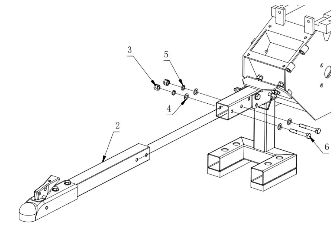
- Assemble the tow bar on the foot frame(spring washer, flat washer*2, M10*70, lock nut)*2

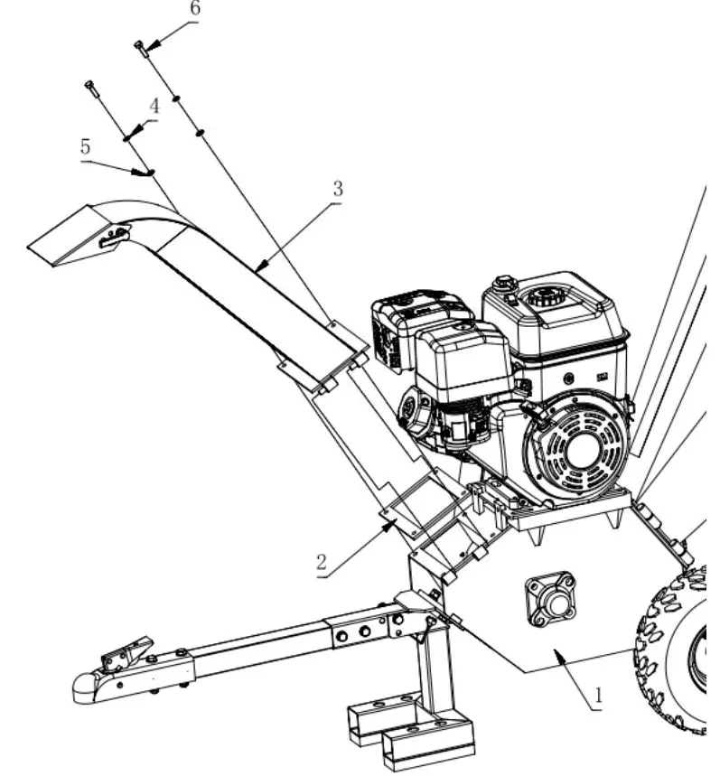
- Locate the discharge chute, the hardware needed to assemble it(M8*30, flat washer, spring washer)*2

- Connect the emergency stop wire located at the base of the hopper coming from the engine. This can be done by inserting the bullet male wire into the bullet female wire connector.

Starting
- Position your Wood Chipper on flat, dry ground.
- Make sure the emergency stop wire of the inlet hopper is connected to the engine. And the stop button is un-activated(push to activate, turn clockwise to un-activate).
- Fill enough unleaded gasoline/petrol and engine oil.
- Put the fuel shut-off valve at the “ON” position.
- Move the choke control lever to the “CHOKE” position (should only be needed when the engine is cold).
- Move the throttle control lever to the “FAST” position.
- Recoil Start: Turn the Ignition Switch to the “On” position. Grasp the recoil starter handle and slowly pull until you feel resistance. Let the cord retract a little bit then pull the cord rapidly to start the engine. One or two pulls usually starts the engine.
- Electric Start(optional): Turn and hold the Key in the start position until Engine starts then let the Key return to run position.
- Move the choke control lever (if used for cold engine) slowly back to the “RUN” position when the engine is running well.
- If the Wood Chipper has not been running (cold engine), warm up the engine by running the engine at half throttle for 3 to 4 minutes, then advance the engine throttle control to the maximum speed.
Stopping
- Move the Throttle Lever to IDLE.
- Recoil Start: Turn the Ignition Switch to the OFF position.
- Electric Start: Turn the Key to the OFF position.
Operator Zone

Belt Adjustment and Replacement
If you need to adjust the tightness of the belts or replace old belts, please follow the steps below:
Step 1: Unscrew the 4 “Bolts” from the belt cover and remove the belt cover from the machine.
Step 2: Remove the old belts and replace with new belts.
NOTE: In this step, you can adjust the tightness of belts as below step shows:
a. Loosen the 4 “Engine fitting bolts”
b. Loosen the 2 “Position bolts” or “M10 Nuts”
c. Adjust the position of the “Position bolts” until the tightness of belts is proper.
d. Tighten the 2 “M10 Nuts”
e. Tighten the 4 “Engine Fitting bolts”
Step 3: Place the “belt cover” back into its position and tighten the 4 “bolts” in the step 1.

Blade Replacement
If you need to replace old blade or use another edge of the blade, please follow the steps below:
Step 1: Remove the “Bearing cover” and open or remove the “Infeed hopper”.
Step 2: Use “Special Spanner” to rotate the drum to proper position where you can see the blade that needs to be replaced or adjusted clearly as shown in the figure below.
Wood Chipping
⚠ NOTICE
Woods’ and branches’ diameter should be no bigger than 120mm.
⚠ WARNING
Do not place your hands into the chute when loading. This is a very UNSAFE method and could result in injury to your hands. Do not reach or step across the rail while the Wood Chipper is running. This is a very UNSAFE method which could cause personal injury, even death.
When Blocked
If the Roller stops while chipping woods or branches, the engine should be stopped, and take out the woods which stuck the roller, and then restart the engine, and chip again.
PART IV: Maintaining the Wood Chipper
Regular maintenance is the way to ensure the best performance and long life of your machine. Please refer to this manual and the engine manufacturer’s user manual for maintenance procedures.
⚠ WARNING
Before performing any maintenance procedure or inspection, stop the engine, wait five minutes to allow all parts to cool. Disconnect the spark plug wire, keeping it away from the spark plug. Disconnect the Battery Terminals (Electric start only).
Regular Maintenance Checklist

Engine Service
Refer to the engine manufacturer’s user manual for engine maintenance.
Lubrication
⚠ NOTICE
All Bearings of your Chipper are sealed units and should have sufficient lubricant to last the life of your machine with normal use.
PART V: Troubleshooting and Parts List
Most problems are easy to fix. Consult the Troubleshooting Table below for common problems and their solutions. If you continue to experience problems, contact the dealers in your area.
⚠ WARNING
Before performing any maintenance procedure or inspection, stop the engine, wait five minutes to allow all parts to cool. Disconnect the spark plug wire, keeping it away from the spark plug.
Troubleshooting Table

have full chipping power. as needed.
Explosion View






















