TTK 100 E Dehumidifier
Instruction Manual

Notes regarding the operating manual
Danger
This symbol indicates dangers to the life and health of persons due to extremely flammable gas.
Warning of electrical voltage
This symbol indicates dangers to the life and health of persons due to electrical voltage.
Warning
This signal word indicates a hazard with an average risk level which, if not avoided, can result in serious injury or death.
Caution
This signal word indicates a hazard with a low-risk level which, if not avoided, can result in minor or moderate injury.
Note
This signal word indicates important information (e.g. material damage), but does not indicate hazards.
Info
Information marked with this symbol helps you to carry out your tasks quickly and safely.
Follow the manual
Information marked with this symbol indicates that the operating manual must be observed.
You can download the current version of the operating manual and the EU declaration of conformity via the following link
https://hub.trotec.com/?id=40316
Safety
Read this manual carefully before starting or using the device. Always store the manual in the immediate vicinity of the device or its site of use.
Warning
Read all safety warnings and all instructions.
Failure to follow the warnings and instructions may result in electric shock, fire and/or serious injury.
Save all warnings and instructions for future reference.
This appliance can be used by children aged 8 years and above and persons with reduced physical, sensory or mental capabilities or lack of experience and knowledge if they have been given supervision or instruction concerning the use of the appliance in a safe way and understand the hazards involved.
Children shall not play with the appliance. Cleaning and user maintenance shall not be made by children without supervision.
- Do not use the device in potentially explosive rooms or areas and do not install it there.
- Do not use the device in an aggressive atmosphere.
- Only put up the device in an upright, stable position on firm ground.
- Let the device dry out after a wet clean. Do not operate it when wet.
- Do not use the device with wet or damp hands.
- Do not expose the device to directly squirting water.
- Never insert any objects or limbs into the device.
- Do not cover or transport the device during operation.
- Do not sit on the device.
- This appliance is not a toy. Keep away from children and animals. Do not leave the device unattended during operation.
- Check accessories and connection parts for possible damage prior to every use of the device. Do not use any defective devices or device parts.
- Ensure that all electric cables outside of the device are protected from damage (e.g. caused by animals). Never use the device if electric cables or the power connection are damaged!
- The main connection must correspond to the specifications in the technical annex.
- Insert the mains plug into a properly fused mains socket.
- Observe the device’s power input, cable length, and intended use when selecting extensions to the power cable. Completely unroll extension cables. Avoid electrical overload.
- Before carrying out maintenance, care, or repair work on the device, remove the main plug from the main socket.
Hold onto the mains plug while doing so. - Switch the device off and disconnect the power cable from the main socket when the device is not in use.
- Do not under any circumstances use the device if you detect damages on the mains plug or power cable.
If the power cable is damaged, it must be replaced by the manufacturer, its service agent, or similarly qualified persons in order to avoid a hazard.
Defective power cables pose a serious health risk! - When positioning the device, observe the minimum distances from walls and other objects as well as the storage and operating conditions specified in the Technical Annex.
- Make sure that the air inlet and outlet are not obstructed.
- Make sure that the suction side is kept free of dirt and lost objects.
- Do not remove any safety signs, stickers, or labels from the device. Keep all safety signs, stickers, and labels in legible condition.
- Only transport the device in an upright position with an emptied condensation tank or drain hose.
- Discharge the collected condensate before transport and storage. Do not drink it. Health hazard!
Safety warnings for devices containing flammable refrigerants
- Only position the device in rooms where potentially leaking refrigerant cannot accumulate.
- Only position the device in rooms where there is no source of ignition (e.g. open flames, an active gas appliance or an electric heater).
- Please note that the refrigerant is odorless.
- Only install the device in compliance with the national installation regulations.
- Observe the national gas regulations.
- Only install, operate and store the device TTK 100 E in a room measuring more than 4 m2.
- Store the device in a way that no mechanical damage can occur.
- Please note that the connected pipelines must not contain any sources of ignition.
- R290 is a refrigerant that complies with European environmental regulations. No part of the cooling circuit may be perforated.
- Observe the maximum refrigerant capacity in the technical data.
- Do not drill through or burn.
- Do not use any means other than those recommended by the manufacturer for accelerating the defrosting process.
- Every person working with or at the refrigerant circuit must be able to provide a certificate of qualification issued by a body accredited by the industry, demonstrating their competence in the safe use of refrigerants based on a procedure well-known in the industry.
- Service work may only be carried out in accordance with the manufacturer’s specifications. If maintenance and repair work requires the support of additional persons, the person trained in handling flammable refrigerants shall continuously supervise the work carried out.
- Unventilated rooms, in which the device is installed, operated, or stored, must be built in a way to ensure that potentially leaking refrigerant cannot accumulate. This serves to avoid fire or explosion hazards resulting from an ignition of the refrigerant by an electric furnace, cooking stove, or another ignition source.
- The entire refrigerant circuit is a maintenance-free, hermetically sealed system and may only be maintained or repaired by specialist companies for cooling and air- conditioning or by Trotec
Intended use
Only use the device for drying and dehumidifying room air, while adhering to and following the technical data.
In addition, the device may also be used as a kind of clothes dryer to dry wet laundry.
Intended use comprises:
- dehumidifying and drying:
– living rooms, bedrooms, bathrooms, and basements
– laundries, holiday homes, camper vans, boats - maintaining the dryness of:
– storage spaces, archives, laboratories, garages
– bathrooms, washrooms, changing rooms, etc
Foreseeable misuse
The device is not intended for industrial use.
- Do not place the device on wet or flooded ground.
- Do not place any objects, e.g. clothing, on the device.
- Do not use the device out of doors.
- Do not make any unauthorized modifications, alterations, or structural changes to the device.
- Any use other than the intended use is regarded as a reasonably foreseeable misuse.
Personnel qualifications
People who use this device must:
- be aware of the dangers that occur when working with electric devices in damp areas.
- have read and understood the operating manual, especially the Safety chapter.
Maintenance tasks that require the housing to be opened must only be carried out by specialist companies for cooling and air-conditioning or by Trotec.
Safety signs and labels on the device
Note
Do not remove any safety signs, stickers, or labels from the device. Keep all safety signs, stickers, and labels in legible condition.
The following safety signs and labels are attached to the device:
TTK 100 E
Follow the manual
This symbol indicates that the operating manual must be observed
Follow the repair manual
Disposal, maintenance, and repair work of the refrigerant circuit may only be carried out in accordance with the manufacturer’s specifications and by persons having a certificate of qualification. A corresponding repair manual is available from the manufacturer upon request.
Residual risks
Danger
Natural refrigerant propane (R290)!
H220 – Extremely flammable gas.
H280 – Contains gas under pressure; may explode if heated.
P210 – Keep away from heat, sparks, open flames, and other ignition sources. No smoking.
P377 – Leaking gas fire: Do not extinguish, unless the leak can be stopped safely.
P410+P403 – Protect from sunlight. Store in a well-ventilated place.
Warning of electrical voltage
Work on the electrical components must only be carried out by an authorized specialist company!
Warning of electrical voltage
Before any work on the device, remove the main plug from the main socket!
Do not touch the mains plug with wet or damp hands.
Hold onto the mains plug while pulling the power cable out of the mains socket.
Warning
Dangers can occur at the device when it is used by untrained people in an unprofessional or improper way!
Observe the personnel qualifications!
Warning
The device is not a toy and does not belong in the hands of children
Warning
Risk of suffocation!
Do not leave the packaging lying around. Children may use it as a dangerous toy.
Note
Do not operate the device without an air filter inserted into the air inlet!
Without the air filter, the inside of the device will be heavily contaminated. This could reduce the performance and result in damage to the device.
Behavior in the event of an emergency
- Switch the device off.
- In an emergency, disconnect the device from the mains feed-in: Hold onto the mains plug while pulling the power cable out of the mains socket.
- Do not reconnect a defective device to the mains.
Information about the device
Device description
The device uses the principle of condensation to automatically dehumidify rooms.
The fan sucks damp room air through the air inlet, the air filter, the evaporator, and to the condenser located behind it. The air is cooled at the cold evaporator until it is below the dew point.
Water vapor contained in the room air precipitates on the evaporator fins as condensation or rime. The dehumidified cooled air is slightly warmed at the condenser and blown out again. The drier air thus conditioned mixes with the air in the room. The humidity in the room where the device is positioned is reduced as air constantly circulates through the device.
Depending on the air temperature and the relative humidity, the condensed water either drops continuously or only during the defrost phase through the integrated drain nozzle into the condensation tank below. It is fitted with a float to measure the filling level.
The device has a control panel for operating and controlling the functions.
Once the maximum filling level of the condensation tank is reached or in case the condensation tank is not installed correctly, the condensation tank indicator light (see chapter
Operation) on the control panel is illuminated. The device switches off. The condensation tank indicator light only goes out again once the emptied condensation tank is reinserted.
Optionally, the condensed water can be drained by attaching a hose at the condensation connection.
The device can reduce the relative humidity of a room to approx. 30 %.
In addition, the device may also be used as a kind of clothes dryer to dry wet laundry in living or working spaces.
Because of the heat radiation generated during operation, the room temperature may rise slightly.
Device depiction

| No. | Designation |
| 1 | Air outlet |
| 2 | Transport handle |
| 3 | Condensation drain hose connection |
| 4 | Wheels |
| 5 | Air inlet with air filter |
| 6 | Condensation tank |
| 7 | Control panel |
Transport and storage
Note
If you store or transport the device improperly, the device may be damaged.
Note the information regarding transport and storage of the device
Transport
Please note that additional transport regulations might apply to devices containing flammable refrigerants. The equipment’s arrangement and the maximum number of components to be transported together can be gathered from the applicable transport regulations.
To make the device easier to transport, it is fitted with a carry handle.
To make the device easier to transport, it is fitted with wheels.
Before transporting the device, observe the following:
- Switch the device off.
- Hold onto the mains plug while pulling the power cable out of the mains socket.
- Drain the remaining condensate from the device and the
condensation drain hose (see chapter Maintenance). - Do not use the power cable to drag the device.
- Only wheel the device on a level and smooth surface.
After transporting the device, proceed as follows:
- Set up the device in an upright position after transport.
- Leave the device to rest for 12 to 24 hours, so the refrigerant can accumulate within the compressor. Wait for 12 to 24 hours before switching the device back on! Acting contrary might lead to compressor damage and a malfunctioning device. If so, any warranty claims will be voided
Storage
Before storing the device, observe the following:
- Drain the remaining condensate from the device and the condensation drain hose (see chapter Maintenance).
- Hold onto the mains plug while pulling the power cable out of the mains socket.
When the device is not being used, observe the following storage conditions: - Only store the device in a room measuring more than 4 m2.
- dry and protected from frost and heat
- in an upright position where it is protected from dust and direct sunlight
- with a cover to protect it from invasive dust, if necessary
- Place no further devices or objects on top of the device to prevent it from being damaged.
Assembly and installation
Scope of delivery
- 1 x Device
- 1 x Air filter
- 1 x Manual
Unpacking the device
- Open the cardboard box and take the device out.
- Completely remove the packaging.
- Fully unwind the power cable. Make sure that the power cable is not damaged and that you do not damage it during unwinding.
Start-up
When positioning the device, observe the minimum distance from walls or other objects as described in the chapter Technical annex.

- Before restarting the device, check the condition of the power cable. If there are doubts as to the sound condition, contact the customer service.
- Only position the device in rooms where potentially leaking refrigerant cannot accumulate.
- Only position the device in rooms where there is no source of ignition (e.g. open flames, an active gas appliance, or an electric heater).
- Only put up the device in an upright, stable position on firm ground.
- Do not create tripping hazards when laying the power cable or other electric cables, especially when positioning the device in the middle of the room. Use cable bridges.
- Make sure that extension cables are completely unrolled.
- When positioning the device, keep a sufficient distance from heat sources.
- Make sure that no curtains or other objects interfere with the airflow.
- When positioning the device, particularly in wet areas, secure it locally with an RCD (residual current device) that complies with the respective regulations.
Inserting the air filter
Note
Do not operate the device without an air filter inserted into the air inlet!
Without the air filter, the inside of the device will be heavily contaminated. This could reduce the performance and result in damage to the device.
- Make sure that the air filter is installed before switching the device on.

Inserting the condensation tank
- Ensure that the float inside the condensation tank is inserted correctly.
- Ensure that the condensation tank is empty and inserted correctly
Connecting the power cable
- Insert the mains plug into a properly secured mains socket.
Operation
- Avoid open doors and windows.
- After being switched on, the device operates fully automatically.
- The fan permanently runs in dehumidification mode even after the set nominal value has been reached until the device is switched off.
Operating elements

| No. | Designation | Meaning |
| 8 | TANK FULL LED | Condensation tank full or not inserted correctly |
| 9 | Segment display | Indicates the current relative room humidity. Indicates the desired relative room humidity during setting Indicates the number of hours during timer programming. |
| 10 | Power button | Switching the device on or off |
| 11 | Timer button | Switches the timer function on or off. For setting the number of hours for the timer (1 h to 12 h) |
| 12 | Arrow button down | For setting the relative humidity level (30 % to 80 % RH in increments of 10 %) |
| 13 | Arrow button up | |
| 14 | Speed button | For setting a high or low fan speed |
Display

| No. | Designation | Meaning |
| 15 | Condensation tank full indication | Is displayed when the condensation tank is full or not installed correctly |
| 16 | Indication of the target humidity value | Indicates the desired humidity level (30 % to 80 % RH). |
| 17 | Fan speed indication | One drop: low fan speed Two drops: high fan speed (function for drying laundry) |
| 18 | Automatic defrost indication | Is displayed during the automatic defrost. |
| 19 | Indication of the timer and the operating time | Indicates the set number of hours for the timer and the operating time. |
| 20 | Room temperature indication | Indicates the current room temperature. |
| 21 | Room humidity indication | Indicates the current relative room humidity. Indicates the desired humidity level. |
Switching the device on
Once you have completely installed the device as described in the chapter Assembly and start-up, you can switch it on.
- Press the power button (10).
⇨ The device starts to dehumidify.
Setting the operating mode
- Dehumidification
- Laundry drying function
Dehumidification
The compressor keeps running until reaching the desired relative room humidity. If the desired humidity is exceeded, the compressor switches back on. The fan permanently runs even after the desired relative room humidity has been reached.
In this operating mode, the desired relative room humidity can be set at any time in increments of 10 % within a set range of 30 % to 80 %.
Setting the desired relative room humidity
The setting is possible in the range between 30 % and 80 % in increments of 10 %.
- Press the arrow buttons (12, 13) to adjust the relative room humidity.
⇨ The desired relative room humidity will be displayed by the indication of the target humidity value (16)
Setting the fan speed
Using this function you can choose between a low and a high fan speed.
- Press the fan speed button (14) to select either high or low fan speed.
⇨ With a low fan speed setting one drop will be displayed on the fan speed indication (17), at a high fan speed (laundry drying function) there will be two.
Setting the timer
Note
The device must not be left unattended in a freely accessible room with an activated timer.
The timer has two modes of operation:
- Automatic switch-on upon expiry of a preset number of hours
- Automatic switch-off upon expiry of a preset number of hours
The number of hours can be set in hourly increments (1 h to max. 12 h).
Automatic switch-on
✔ The device is now in standby mode.
- Repeatedly press the timer button (11) until the desired number of hours is displayed.
⇨ The indication of the timer with the operating time (19) will be displayed to indicate the number of hours. - Press the down (12) or up arrow button (13) to set the relative humidity level.
- Press the Fan Speed button (14) to set the desired fan stage.
⇨ The device switches on after the predefined time.
Notes regarding automatic switch-on:
- Manually switching the device on disables the automatic switch-on function.
- If you select 0 hours, the timer will be off
Automatic switch-off
✔ The device is switched on.
- Press the Timer button (11) to activate the timer.
- Repeatedly press the timer button (11) until the desired number of hours is displayed.
⇨ The indication of the timer with the operating time (19) will be displayed to indicate the number of hours.
⇨ The device switches off after the predefined time.
Notes regarding automatic switch-off:
- Manually switching the device off disables the automatic switch-off function.
- If you select 0 hours, the timer will be off.
Operation with a hose attached to the condensation connection
Note
The condensation drain hose is not included in the scope of delivery.
For continuous operation or unattended dehumidification, please connect a suitable condensation drain hose to the device.
✔ A suitable hose (diameter: 1/2 inch) is ready for use.
✔ The device is switched off.
- Use a suitable tool (e.g. a slotted screwdriver) to remove the cover from the connection.

- Remove the condensation tank.

- Push one end of the hose onto the hose connection.

- Check whether the hose is properly positioned on the connection. If necessary, adjust the position through the condensation tank opening.

- Put the condensation tank back in.

- Guide the other hose end to a suitable drain or sufficiently dimensioned collection container. Please note that the hose must not be kinked.
Remove the hose if you want to collect the condensate in the condensation tank again. Allow the hose to dry prior to storage.
The hose can be connected in any operating mode for continuous operation.
Automatic
defrost At low ambient temperatures, ice may form at the evaporator during dehumidification. The device then carries out an automatic defrost by means of the hot gas feed. Here, a hot cooling agent is led into the iced evaporator for its surfaces to defrost.
The hot gas automatic defrost system integrated into the device automatically switches on the defrost cycle at regular intervals.
The automatic defrost indication (18) will be displayed throughout the defrost process.
The duration of the defrost process can vary. Do not switch off the device during automatic defrost.
Do not remove the main plug from the main socket.
Drying laundry
In addition, the device may also be used as a kind of clothes dryer to dry wet laundry in living or working spaces.
When positioning the device or a clothes horse, please observe the minimum distances specified in the technical data.
The following humidity values are suitable for drying laundry:
- cupboard dry = 46 % relative humidity
- iron dry = 58 % relative humidity
- slightly dried = 65 % relative humidity
Adjust the settings for the relative humidity level to the device (e.g. 60 % relative humidity for iron dry laundry). If necessary,
use a measuring device to determine the humidity level.
- Press the fan speed button (14) to set the high fan speed.
⇨ Two drops will be displayed on the fan speed indication (17).
⇨ The function for drying laundry is activated.
Shutdown
Warning of electrical voltage
Do not touch the mains plug with wet or damp hands.
- Switch off the device.
- Hold onto the mains plug while pulling the power cable out of the mains socket.
- If necessary, remove the condensation drain hose and any residual fluid from it.
- Empty the condensation tank, if need be.
- Clean the device according to the Maintenance chapter.
- Store the device according to the Transport and storage chapter
Errors and faults
The device has been checked for proper functioning several times during production. If malfunctions occur nonetheless, check the device according to the following list.
The device does not start:
- Check the power connection.
- Check the power cable and mains plug for damage.
- Check the on-site fusing.
- Check the filling level of the condensation tank and empty it if necessary. The TANK FULL LED (8) must not light up.
- Check the condensation tank for correct seating.
- Check the room temperature. Observe the device’s permissible operating range according to the technical data.
- Wait for 10 minutes before restarting the device. If the device is not starting, have the electrics checked by a specialist company or by Trotec.
The device is running, but there is no formation of condensate:
- Check the float in the condensation tank for dirt. If necessary, clean the condensation tank. The float must be able to move freely.
- Check the room temperature. Observe the device’s permissible operating range according to the technical data.
- Ensure that the relative room humidity complies with the technical data.
- Check the preselected relative room humidity. The humidity in the room must be above the selected range.
- Check the air filter for dirt. If necessary, clean or replace the air filter.
- From the outside, check the condenser for dirt (see chapter Maintenance). If the condenser is dirty, have it cleaned by a specialist company or by Trotec.
- The device might carry out an automatic defrost. During automatic defrost, the device does not dehumidify.
The device is loud or vibrates:
- Check whether the device is set up in a stable and upright position.
Condensate is leaking:
- Check the device for leaks.
The compressor does not start:
- Check the room temperature. Observe the device’s permissible operating range according to the technical data.
- Ensure that the relative room humidity complies with the technical data.
- Check the preselected relative room humidity. The humidity in the room must be above the selected range.
- Check whether the overheating protection of the compressor has tripped. Disconnect the device from the mains and let it cool down for approx. 10 minutes before reconnecting it.
- The device might carry out an automatic defrost. During automatic defrost, the device does not dehumidify.
The device gets very warm, is loud or is losing performance:
- Check the air inlets and air filters for dirt. Remove external dirt.
- From the outside, check the device for dirt (see chapter Maintenance). If the inside of the device is dirty, have it cleaned by a specialist company for cooling and air- conditioning or by Trotec.
Note
Wait for at least 3 minutes after maintenance and repair work. Only then switch the device back on.
The device still does not operate correctly after these checks:
Please contact customer service. If necessary, bring the device to a specialist company for cooling and air-conditioning or to Trotec for repair.
Error codes
The following error messages can be displayed on the segment display:
| Error code | Cause | Remedy |
| El | Temperature sensor — circuit interrupted / short circuit | Switch off the device and call customer service. |
| E2 | Defrost sensor — circuit interrupted / short circuit | Switch off the device and call customer service. |
| E3 | Humidity sensor — circuit interrupted / short circuit | Switch off the device and call customer service. |
| Lo | The current humidity level is lower than 30 % RH. | Activate the dehumidifier at a humidity level that complies with the technical data. Should the alarm persist, please contact customer service. |
| Hi | The current humidity level is higher than 90 % RH. | Activate the dehumidifier at a humidity level that complies with the technical data. Should the alarm persist, please contact customer service. |
| E5 | Chip communication failure | Switch off the device and call customer service. |
Maintenance
Maintenance intervals
| Maintenance and care interval | before every start-up | as needed | at least every 2 weeks | at least every 4 weeks | at least every 6 months | at least annually |
| Check air inlets and outlets for dirt and foreign objects and clean if necessary | x | x | ||||
| Clean the exterior | x | x | ||||
| Visually check the inside of the device for dirt | x | x | ||||
| Check the air filter for dirt and foreign objects and clean or replace if necessary | x | x | ||||
| Replace the air filter | x | |||||
| Check for damage | x | |||||
| Check attachment screws | x | x | ||||
| Test run | x | |||||
| Empty the condensation tank and/ or drain hose | x |
Maintenance and care log
Device type: ………………………………………
Device number: ………………………………
| Maintenance and care interval | 1 | 2 | 3 | 4 | 5 | 6 | 7 | 8 | 9 | 10 | 11 | 12 | 13 | 14 | 15 | 16 |
| Check air inlets and outlets for dirt and foreign objects and clean if necessary | ||||||||||||||||
| Clean the exterior | ||||||||||||||||
| Visually check the inside of the device for dirt | ||||||||||||||||
| Check the air filter for dirt and foreign objects and clean or replace if necessary | ||||||||||||||||
| Replace the air filter | ||||||||||||||||
| Check for damage | ||||||||||||||||
| Check attachment screws | ||||||||||||||||
| Test run | ||||||||||||||||
| Empty the condensation tank and/ or drain hose | ||||||||||||||||
| Comments | ||||||||||||||||
| 1. Date: …………………………….. Signature: ………………………….. | 2. Date: ……………………………… Signature: …………………………… | 3. Date: ……………………………… Signature: …………………………… | 4. Date: ……………………………… Signature: …………………………… |
| 5. Date: …………………………….. Signature: ………………………….. | 6. Date: ……………………………… Signature: …………………………… | 7. Date: ……………………………… Signature: …………………………… | 8. Date: ……………………………… Signature: …………………………… |
| 9. Date: …………………………….. Signature: ………………………….. | 10. Date: ……………………………. Signature: ………………………….. | 11. Date: ……………………………. Signature: …………………………… | 12. Date: ……………………………. Signature: …………………………… |
| 13. Date: …………………………… Signature: ………………………….. | 14. Date: ……………………………. Signature: …………………………… | 15. Date: ……………………………. Signature: …………………………… | 16. Date: ……………………………. Signature: …………………………… |
Activities required before starting maintenance
Warning of electrical voltage
Do not touch the mains plug with wet or damp hands.
- Switch the device off.
- Hold onto the mains plug while pulling the power cable out of the mains socket.
Warning of electrical voltage
Tasks that require the device to be opened must only be carried out by authorized specialist companies or by Trotec.
Refrigerant circuit
Danger
Natural refrigerant propane (R290)!
H220 – Extremely flammable gas.
H280 – Contains gas under pressure; may explode if heated.
P210 – Keep away from heat, sparks, open flames, and other ignition sources. No smoking.
P377 – Leaking gas fire: Do not extinguish, unless the leak can be stopped safely.
P410+P403 – Protect from sunlight. Store in a well-ventilated place
- The entire refrigerant circuit is a maintenance-free, hermetically sealed system and may only be maintained or repaired by specialist companies for cooling and air- conditioning or by Trotec.
Safety signs and labels on the device
Check the safety signs and labels attached to the device at regular intervals. Replace illegible safety signs!
Cleaning the housing
Clean the housing with a soft, damp, and lint-free cloth. Make sure that no moisture enters the housing. Protect electrical components from moisture. Do not use any aggressive cleaning agents such as cleaning sprays, solvents, or alcohol-based or abrasive cleaners to dampen the cloth.
Visual inspection of the inside of the device for dirt
- Remove the air filter.
- Use a torch to illuminate the openings of the device.
- Check the inside of the device for dirt.
- If you see a thick layer of dust, have the inside of the device cleaned by a specialist company for cooling and air- conditioning or by Trotec.
- Put the air filter back in.

Cleaning the air filter
Note
Ensure that the air filter is not worn or damaged. The corners and edges of the air filter must not be deformed or rounded. Before reinserting the air filter,
make sure that it is undamaged and dry!
The air filter has to be cleaned as soon as it is dirty. This is brought to light e.g. by a reduced capacity (see chapter Errors and faults).
- Open and remove the flap at the air inlet.

- Remove the air filter.

- Clean the filter using a slightly damp, soft, lint-free cloth. If the filter is heavily contaminated, clean it with warm water mixed with a neutral cleaning agent.

- Allow the filter to dry completely. Do not insert a wet filter into the device!
- Put the air filter back in.

- Reinsert the flap into the device.

Emptying the condensation tank
If the condensation tank is full or not inserted correctly, the TANK FULL LED (8) will be illuminated and the condensation tank full indication (15) will be displayed. The compressor and fan will switch off.
- Take the condensation tank out of the device

- Empty the condensation tank over a drain or sink.

- Rinse the condensation tank with clear water. Regularly clean the condensation tank using a mild cleaning agent (no detergent!).
- Refit the condensation tank into the device.
Make sure not to damage the float when inserting or removing the condensation tank.
In doing so, make sure that the float is positioned correctly.
In doing so, make sure that the condensation tank is inserted correctly, for otherwise the device cannot be switched back on.
Activities required after maintenance
If you want to continue using the device:
- Leave the device to rest for 12 to 24 hours, so the refrigerant can accumulate within the compressor. Wait for 12 to 24 hours before switching the device back on! Acting contrary might lead to compressor damage and a malfunctioning device. If so, any warranty claims will be voided.
- Reconnect the device to the mains. If you do not intend to use the device for a considerable time:
- Store the device according to the Transport and storage chapter.
Technical annex
Technical data
| Parameter | Value |
| Model | TTK 100 E |
| Dehumidifying capacity, max. | 30 I / 24 h |
| Air flow rate | 215 ms/h |
| Operating range (temperature) | 5 °C to 32 °C |
| Operating range (relative humidity) | 30 % to 80 % RH |
| Pressure suction side | 1.2 MPa |
| Pressure outlet side | 2.4 MPa |
| Max. permissible pressure | 2.6 MPa |
| Mains connection | 220-240 V / 50 Hz |
| Max. power input | 0.57 kW |
| Nominal current | 2.4 A |
| Refrigerant | R290 |
| Amount of refrigerant | 122 g |
| GWP factor | 3 |
| CO2 equivalent | 0.000366 t |
| Water tank | 4.3 I |
| Sound pressure level (at a distance of 1 m) | 50 dB(A) |
| Dimensions (length x width x height) | 274 x 390 x 612 mm |
| Minimum distance to walls and other objects A: top: B:rear: C:side: D:front: | 50 cm 50 cm 50 cm 50 cm |
| Weight | 15.5 kg |
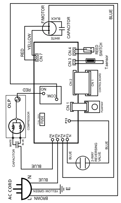
Wiring diagram

Overview and list of spare parts
Note: The position numbers of the spare parts differ from those describing the positions of other parts mentioned in this operating manual.

| No. | Spare Part | No. | Spare Pad | No. | Spare Pad |
| 1 | BASE PAN | 16 | CAPILLARY TUBE | 31 | SIDE PLATE |
| 2 | TURING WHEEL ASS’Y | 17 | FIX TURE | 32 | SIDE PLATE |
| 3 | COMPRESSOR ASS’Y (35D039-D1) | 18 | FAN MOTOR(YDK-08001304-WJ45) | 33 | PEAR PANEL |
| 4 | RUBBER | 19 | FAN CASING | 34 | HANDLE |
| 5 | SUCTION PIPE | 20 | BLOWER WHEEL | 35 | FRONT PANEL |
| 6 | DISCHARGE PIPE | 21 | SCREEN | 36 | CONTROL PLATE |
| 7 | PLATE | 22 | CAPACITOR(1.5uF/450V)(FOR FAN MOTOR(18)) | 37 | CONTROL PANEL |
| 8 | CAPACITOR (10uF/450V)(FOR COMPRESSOR(3)) | 23 | POWER SUPPLY CORD COMPLETE | 38 | INTAKE GRILLE |
| 9 | FIX METAL | 24 | FIX TURE | 39 | TANK LID |
| 10 | SENSOR (FOR EVA) | 25 | COVER | 40 | FIX TUBE |
| 11 | REED SWITCH | 26 | CONTROL BOARD | 41 | DRAIN BUCKET |
| 12 | DRAINAGE PAN | 27 | PC BOARD(FOR EVA) | 42 | 2-WAY REVERSING VSLVE ASS’Y |
| 13 | EVAPORATOR ASS’Y | 28 | SENSOR | 43 | COVER |
| 14 | CONDENSER ASS’Y | 29 | FIX TURE | ||
| 15 | Y TUBE | 30 | FIX METAL |
Disposal
The icon with the crossed-out waste bin on waste electrical or electronic equipment stipulates that this equipment must not be disposed of with the household waste at the end of its life. You will find collection points for free return of waste electrical and electronic equipment in your vicinity. The addresses can be obtained from your municipality or local administration. You can also find out about other return options that apply to many EU countries on the website https://hub.trotec.com/?id=45090. Otherwise, please contact an official recycling center for electronic and electrical equipment authorized in your country.
The separate collection of waste electrical and electronic equipment aims to enable the re-use, recycling, and other forms of recovery of waste equipment as well as to prevent negative effects on the environment and human health caused by the disposal of hazardous substances potentially contained in the equipment.
Has the refrigerant (propane) disposed of appropriately and according to the national regulations by a company with the relevant certification (European Waste Catalogue 160504)?
Trotec GmbH
Grebbener Str. 7
D-52525 Heinsberg
+49 2452 962-400
+49 2452 962-200
[email protected]
www.trotec.com





Remove the hose if you want to collect the condensate in the condensation tank again. Allow the hose to dry prior to storage.


























