
ORIGINAL INSTRUCTIONS
DESICCANT DEHUMIDIFIER

TTR 160 / TTR 250
Notes regarding the instructions
Symbols
Warning of electrical voltage
This symbol indicates dangers to the life and health of persons due to electrical voltage.
Warning of hot surface
This symbol indicates dangers to the life and health of persons due to hot surfaces.
Warning
This signal word indicates a hazard with an average risk level that, if not avoided, can result in serious injury or death.
Caution
This signal word indicates a hazard with a low-risk level which, if not avoided, can result in minor or moderate injury.
Note
This signal word indicates important information (e.g. material damage), but does not indicate hazards.
Info
Information marked with this symbol helps you to carry out your tasks quickly and safely.
Follow the manual
Information marked with this symbol indicates that the instructions must be observed.
You can download the current version of the instructions and the EU declaration of conformity via the following link:
TTR 160
https://hub.trotec.com/?id=45044
TTR 250
https://hub.trotec.com/?id=45045
Safety
Read this manual carefully before starting or using the device. Always store the manual in the immediate vicinity of the device or its site of use.
Warning
Read all safety warnings and all instructions. Failure to follow the warnings and instructions may result in electric shock, fire and/or serious injury. Save all warnings and instructions for future reference.
This appliance can be used by children aged from 8 years and above and persons with reduced physical, sensory or mental capabilities or lack of experience and knowledge if they have been given supervision or instruction concerning use of the appliance in a safe way and understand the hazards involved.
Children shall not play with the appliance. Cleaning and user maintenance shall not be made by children without supervision.
Warning
Children of less than 3 years should be kept away unless continuously supervised.
Children aged from 3 years and less than 8 years shall only switch on/off the appliance provided that it has been placed or installed in its intended normal operating position and they have been given supervision or instruction concerning the use of the appliance in a safe way and understand the hazards involved.
Children aged from 3 years and less than 8 years shall not plug in, regulate and clean the appliance or perform user maintenance.
Warning
This device is not equipped with a room temperature controller. Do not use the device in small rooms if persons are present who cannot leave the room independently and who are not under constant supervision.
- Do not use the device in potentially explosive rooms or areas and do not install it there.
- Do not use the device in aggressive
- Only put up the device in an upright, stable position on firm
- Let the device dry out after a wet Do not operate it when wet.
- Do not use the device with wet or damp
- Do not expose the device to directly squirting
- Ensure sufficient lighting at the
- Never insert any objects or limbs into the running
- Do not cover the device during
- Do not sit on the
- This appliance is not a Keep away from children and animals. Do not leave the device unattended during operation.
- Check accessories and connection parts for possible damage prior to every use of the Do not use any defective devices or device parts.
- Ensure that all electric cables outside of the device are protected from damage (e.g. caused by animals). Never use the device if electric cables or the power connection are damaged!
- The electrical connection must correspond to the specifications on the Additionally, information regarding the electrical connection is provided in the technical annex.
- Insert the mains plug (if any) into a properly secured mains power
- Observe the device’s power input, cable length and intended use when selecting extensions to the power Completely unroll extension cables. Avoid electrical overload.
- If you do not use the device for extended periods of time, switch the device off and disconnect it from the
- Before maintenance, care or repair work disconnect the device from the mains and secure it against unauthorized
- Before carrying out maintenance, care or repair work on the device, remove the mains plug from the mains Hold onto the mains plug while doing so.
- Do not under any circumstances use the device if you detect damages on the mains plug or power
- If the power cable is damaged, it must be replaced by the manufacturer, its service agent or similarly qualified persons in order to avoid a hazard.
- Defective power cables pose a serious health risk!
- When positioning the device, observe the minimum distances from walls and other objects as well as the storage and operating conditions specified in the technical
- Make sure that the air inlet and outlet are not
Make sure that the suction side is kept free of dirt and loose - Keep a safety distance of at least 1 m between the device’s air outlet and all combustible materials such as textiles, curtains, beds and sofas.
- Do not place the device on combustible
- Do not remove any safety signs, stickers or labels from the Keep all safety signs, stickers and labels in legible condition.
- Do not use this device near bathtubs, shower trays, swimming pools or other water Risk of electric shock!
- Allow the device to cool down before transport and/or maintenance
- Only transport the device in an upright
- Do not use the device if it has been dropped or if it shows visible signs of
- The device must not be positioned directly beneath a wall
Intended use
The desiccant dehumidifiers of the TTR series are only to be used for dehumidifying atmospheric air. Any other use possibly exceeding the intended purpose is considered to be improper use.
Intended use comprises:
- observing all the information in the instructions
- compliance with the inspection and maintenance tasks
- observing the permissible operating and surrounding conditions according to the technical data (see Technical annex)
The following minimum requirements must be met:
- permissible ambient temperature: -20 °C to +40 °C
- relative humidity: 95 % non-condensing
After consultation with Trotec, other operating conditions are possible with respectively modified versions.
Improper use
- Dehumidifiers are not suited for the installation on or the intake of fluids, e.g. from filled tanks, tubs or flooded installation
- If supplying the system with contaminated air, the “harmful influences on rotors” must be observed!
- Any unauthorized modifications, alterations or structural changes to the device are
- Any use other than the intended use is regarded as a reasonably foreseeable misuse
Symbols on the device
| Symbols | Meaning |
| This symbol located on the device indicates that it is prohibited to place objects (such as towels, clothes, etc.) above or directly in front of the device.In order to avoid overheating and fire hazards, the device must not be covered! |
Personnel qualifications
People who use this device must:
- be aware of the dangers that occur when working with electric devices in damp
- have read and understood the instructions, especially the Safety
Instructed person
Instructed persons have been informed of the tasks they were entrusted with as well as of potential hazards resulting from inappropriate behavior. They are allowed to operate and transport the device and perform simple maintenance activities (cleaning the housing, cleaning the fan).
The device is to be maintained and looked after by instructed personnel.
Residual risks
Warning of electrical voltage
Work on the electrical components must only be carried out by a qualified electrician!
Warning of electrical voltage
Make sure to de-energize the device before starting work on electrical components. Hold onto the mains plug while pulling the power cable out of the mains socket.
Warning of hot surface
Some parts of this product can become very hot and cause burns. Particular attention has to be given where children and vulnerable people are present!
Warning
Dangers can occur at the device when it is used by untrained people in an unprofessional or improper way! Observe the personnel qualifications!
Warning
The device is not a toy and does not belong in the hands of children.
Warning
Risk of suffocation!
Do not leave the packaging lying around. Children may use it as a dangerous toy.
Warning
In order to avoid overheating and fire hazards, the device must not be covered!
Note
Do not operate the device without an air filter inserted into the air inlet!
Without the air filter, the inside of the device will be heavily contaminated. This could reduce the performance and result in damage to the device.
Note
Dirt accumulating inside the rotor can substantially reduce the dehumidification performance or damage the rotor beyond repair.
Supplying the system with contaminated air might damage the rotor. Observe the information regarding “Harmful influences on rotors”.
Note
After a power failure, the device will restart automatically provided that it was not switched off in the meantime. This behavior is desired and necessary to ensure operation with little supervision. Behavior in the event of an emergency
- Switch the device
- In an emergency, disconnect the device from the mains feed-in: Hold onto the mains plug while pulling the power cable out of the mains.
- Do not reconnect a defective device to the mains.
Information about the device
General description
Dehumidifiers operating on the desiccant principle are used to tackle drying tasks in the field of process engineering, air- conditioning, on construction sites and for the dehumidification of production and storage facilities, where a particularly low humidity level is required over a broad temperature range. The desiccation technique enables the safe and economic operation even at low operating temperatures.
The desiccant dehumidifier works with a desiccant wheel (rotor), which is composed of layers of smooth and corrugated non-woven fabric with chemically bonded silica gel. Thus created is a honeycomb structure with a large number of axial air ducts with a large surface and direct connection to the inner pore structure of the silica gel.
On account of the desiccant wheel’s good mechanical and physical properties, no silica gel is discharged. It may be supplied with saturated air with a relative humidity of up to 100 % but not with water drops. The rotor is incombustible.
Design
The general structure of a dehumidification unit is as follows:
- fans for air transport
- at least two different sectors for guiding the process air (to be dehumidified) and the regeneration air (moist exhaust air)
- rotor desiccant wheel for the dehumidification with silica gel
- drive unit with gear motor, toothed belt pulley, and toothed belt
- heater battery for heating regeneration air
During dehumidification, the desiccant wheel turns continuously at a low speed (depending on the configuration 3 to 30 rotations per hour). Via the sectors the desiccant wheel is simultaneously charged with the process and regeneration air so it can constantly absorb and release moisture.
Functional principle
Device depiction
Process air
The air to be dehumidified is sucked in by means of a fan and divided into two air flows: process air (4) and regeneration air (5).
The process air (4) flows through the desiccant wheel’s dehumidification sector (1). In doing so, the contained moisture is withdrawn by the sorbent (silica gel) and retained desiccation).
After having passed the sector, the now dried air (6) is emitted into the room.
Regeneration air

The second air current (5) is guided through the purging sector as regeneration air. This sector serves for the recovery of the desiccation heat generated during dehumidification. At the same time, the desiccant wheel is cooled leading to reduced energy input and improved dehumidification performance – especially at lower dew points.
Subsequently, the air current is led through a heater battery (7) and heated to approx. 100 to 120 °C (depending on the intake temperature). Simultaneously, the relative humidity is extremely reduced.
In passing through the regeneration sector (2), the thus prepared air now again absorbs the moisture retained by the silica gel (desorption). Then the extremely humid regeneration air (8) is discharged to the outside via the humid air outlet.

| No. | Designation |
| 9 | Carrying handle |
| 10 | Air inlet grid with coarse particulate air filter |
| 11 | Humid air outlet |
| 12 | Feet |
| 13 | Dry air outlet |
| 14 | Operating element |
| 15 | Connection cable |
Optional accessories
Further accessories are available for the operation of the dehumidifier:
- Air filter box with pipe/hose connection for Z-line filters G4 to F9
- 3-way dry air distributor
- Hygrostat with Tuchel plug for connection socket (18)
For more information on features and order conditions please contact the Trotec customer service.
Transport and installation
To make the device easier to transport, it is fitted with a carrying handle.
Note
If you store or transport the device improperly, the device may be damaged. Note the information regarding the transport and storage of the device.
Note
The device may be damaged by vibration! Excessive vibrations can result in damage to the device.
Therefore, protect it against excessive vibrations, e.g. abrupt positioning or dropping, during transport. Always protect the device from slipping during transport. Only lift or arry the device at the provided fixtures.
Positioning
- Inside the room to be dehumidified:
– The device works in recirculation mode, the regeneration air must be fed from outside and the regeneration exhaust air must be led outside. - Outside the room to be dehumidified:
– The device can be connected in either recirculation or ventilation mode. A connection of the dry air to the room to be dehumidified must be established.
Storage
When the device is not being used, observe the following storage conditions:
- dry and protected from frost and heat
- in an upright position where it is protected from dust and direct sunlight
- with a cover to protect it from invasive dust, if necessary
- When not in use, always disconnect the device from the power
- Up to 4 devices may be stacked on top of one another to save
- Secure stacks against toppling over
Assembly and installation
- The pipes or hoses used must be designed for the available static compression of the fans. The air hoses should preferably be laid in a straight line and at full length
- The regeneration exhaust air line must be laid with a slight decline so that possibly accumulating condensate cannot flow back into the device or obstruct the airflow. If an incline cannot be avoided, it is necessary to establish a condensate As a preventive action, the exhaust air pipe may be insulated.
- To prevent an immediate neutralization with the moist exhaust air, the humid air outlet should be guided away with a minimum distance of approx. 1 m in case of direct-intake devices.
Scope of delivery
The scope of delivery of the device contains:
- 1 x Dehumidifier
- 1 x Connection cable
- 1 x Instructions
There are further accessories optionally available, which can be obtained from the Trotec customer service
Default settings
Generally, air conditioning units are equipped with one or more fans, which must be over-dimensioned accordingly to overcome resistances caused by pipes or appliances. Usually, their speed cannot be adjusted. In order to set the air quantities required for the application, a hydraulic compensation must be carried out by means of throttle valves installed in front of or behind the fan.
For heating the regeneration air, the device is equipped with a heater battery generating heat by means of ceramic PTC semiconductor elements. The latter have a maximum surface temperature of approx. 240 °C, which they try to maintain. The temperature-dependent resistance, which rises rapidly as of a certain value (Curie temperature) when the heat reduction decreases, causes self-regulating effects of the heating current consumption, i.e. when the air temperature rises and/or the air volume decreases, the current consumption is reduced (and vice versa). Furthermore, the destruction caused by overheating, for instance, due to a lack of regeneration air, can be virtually ruled out.
In order to reach a preferably low outlet humidity level with a minimum dry air volume or to achieve the highest dehumidification performance with a maximum dry air volume, it is important to set the regeneration air volume correctly. The air volume must be adjusted until the value specified as optimum heating current is indicated on the ammeter.
For all other applications with low requirements regarding the dehumidification performance and dry air volume, the regeneration air volume may be decreased until the value specified as minimum heating current is indicated on the ammeter. This allows you to achieve very good dehumidification results at minimum energy input.
Operation
Control panel

| No. | Designation | Meaning |
| 15 | Connection cable | |
| 16 | Operating hours counter | Indication of operating hours |
| 17 | Mains switch | Switching the device on and off |
| 18 | Socket for external hygrostat | Connection for hygrostat operation |
| 19 | Ammeter | Indication of electric current |
Switch-on
Switch the device on by actuating the mains switch (17). The integrated indicator light lights up.
Switch-off
Switch the device off by actuating the mains switch (17). The integrated indicator light goes off.
Remote operation
Switch the device on by actuating the mains switch (17). The integrated indicator light lights up.
Connect an external switch or external switching device, e.g. a hygrostat or timer, to the socket (18) with the suitable Tuchel plug (optional accessory). Always observe the information contained in the circuit diagram (see Technical annex).
All electrical loads are now switched on or off by the external switch as needed. The indicator light of the mains switch remains illuminated regardless of the switching state and indicates that the control unit is activate. In hygrostat operation, air circulation may in some cases be necessary at the point of moisture measurement. In this case, the fan can be configured for permanent operation by replugging a plug contact at the integrated relay. This operation may only be carried out by an electrically skilled person. If required, please contact the Trotec customer service.
Errors and faults
| Error | Diagnosis | Potential cause | Remedy |
| No humid- fiction | Dry air shows no temperature increase | Rotor drive defective | Check rotor drive and have it repaired if necessary |
| Ammeter indicates strongly deviating values | Heating defective | Renew heating | |
| Ammeterindicates deviating values | Regeneration air current is insufficient | Check for free airflow, check the fan, clean or renew air filter |
Service and repair
Warning
Risk of death due to improper repair!
Never try to make any modifications or repairs on the device. Unauthorized modifications can lead to serious injuries or death. Have a certified specialist workshop perform the repair work.
Repair work may only be carried out by trained specialist staff!
In case of a technical problem please try to rule out handling or application errors before contacting our customer service.
For further questions regarding the function and operation of the dehumidifier as well as for more information in the case of an error or else for warranty issues, we are of course always happy to be of service.
Please contact:
Trotec GmbH Grebbener Straße 7 D-52525 Heinsberg
Tel.: +49 (0) 2452 / 962-400
Fax.: +49 (0) 2452 / 962-200
E-mail: [email protected] www.trotec.de
Maintenance
Activities required before starting maintenance
Warning of electrical voltage
Do not touch the mains plug with wet or damp hands.
- Switch the device
- Hold onto the mains plug while pulling the power cable out of the mains
Warning of electrical voltage
Tasks that require the device to be opened must only be carried out by authorized specialist companies or by Trotec.
Care
Note: The device may be damaged by improper cleaning!
Only clean the inside with a damp cloth or with compressed air. Do not bring any fluids into the inside of the device!
The surface of the device housing is finished with an easy-to-clean powder coating. Therefore, dirt can only adhere poorly and can be easily removed with a damp cloth.
Cleaning of the inside and integrated components may only be carried out by trained personnel or by the Trotec customer service.
Note
The device may be damaged by improper handling! Cleaning, maintenance and repair work on electrical and mechanical components may only be carried out by trained personnel or by the Trotec customer service! The device is designed for long hours of operation with minimum maintenance effort. Safe operation of the device requires all built-in components to be checked and cleaned after 6 months at the latest or after every 4,000 operating hours as well as all damaged components to be replaced.
Filter change
Warning
Risk of injury due to fan! Make sure to switch the device off and secure it against unintentional start-up before you remove the air filter – especially if the fan’s inlet opening is freely accessible.
The filter change intervals depend on the degree of air pollution and the filter quality. Dirty filters impair the performance ability of the dehumidifier. For this reason, they should be checked once a week (or daily in construction areas) and cleaned or replaced if required.
- Loosen the screws at the cover and remove the Make sure not to damage the protective conductor connected to it. Carefully remove the air filter.

- Clean the filter using a slightly damp, soft, lint-free If the filter is heavily contaminated, clean it with warm water mixed with a neutral cleaning agent.
Info Ex-factory the device comes equipped with a reusable filter mat (PPI30). It can be cleaned by tapping and washing it out.
- Allow the filter to dry completely. Do not insert a wet filter into the device
Note
The device may be damaged by liquid. Before reinserting the air filter, make sure it has dried completely. Otherwise, there is a risk of the fan sucking in liquid leading to a short circuit and consequential damage. - Reinsert the air filter into the
- Put the cover back onto the device and tighten the

Harmful influences on rotors
Some of the substances and compounds listed below are typical examples for substances dissolving the honeycombed silica gel rotors or else negatively affecting the dehumidification performance.
The sorption rotor should not be charged with air that is contaminated with the following or similar substances. Even minor concentrations in the air can have lasting harmful effects on the rotor material and the sorption capacity. The listed substances remain in the rotor material or the rotor elements and can bring about the following effects:
- Reduced performance owing to the clogging of the silica gel’s pores
- Reduced performance owing to the chemical reaction with the silica gel
Moreover, the intake air must not contain any particles of substances with a melting point of less than 200 °C.
| A) Inorganic substances (examples) | |||
| No. | Substances | Chemical formula | Effects |
| 1 | lithium chloride | LiCl | reduced productivity of the silica gel1) |
| 2 | sodium hydroxide | NaOH | destruction of the silica gel structure |
| 3 | potassium hydroxide | KOH | destruction of the silica gel structure |
| 4 | sodium chloride | NaCl | reduced productivity of the silica gel1) |
| 5 | potassium chloride | KCl | reduced productivity of the silica gel1) |
| 6 | calcium chloride | CaCl2 | reduced productivity of the silica gel1) |
| 7 | magnesium chloride | MgCl2 | reduced productivity of the silica gel1) |
| 8 | ammonia | NH3 | destruction of the silica gel structure |
| 9 | hydrofluoric acid | HF | destruction of the mechanical strength of the rotor material |
| 10 | aluminium chloride | AlCl3 | reduced productivity of the silica gel1) |
| 11 | sea water | reduced productivity of the silica gel1) | |
| 12 | steam with a high temperature | destruction of the silica gel structure | |
| 13 | softener | clogging of the silica gel’s pores | |
| 14 | strong acids | pH ≤ 2…3 | destruction of the mechanical strength of the rotor material |
| 15 | bases | pH ≥ 7…8 | destruction of the sorption capacity of the silica gel |
| 16 | amines | R-NH2 | reduced productivity of the silica gel1) |
B) Organic substances (examples)
The solvents or volatiles listed below have a high boiling point and a low vapor pressure. Provided these substances are adsorbed by silica gel, they remain in the material on a permanent basis.
| No. | Substances | Chemical formula | Effects |
| 1 | oil mist | clogging of the silica gel’s pores | |
| 2 | cyclohexanone | C6H10O | reduced productivity of the silica gel1) |
| 3 | isopropyl alcohol | CH3H8O | reduced productivity of the silica gel1) |
| 4 | o-xylene | C8H10 | reduced productivity of the silica gel1) |
| 5 | m-xylene | C8H10 | reduced productivity of the silica gel1) |
| 6 | p-xylene | C8H10 | reduced productivity of the silica gel1) |
| 7 | phenol | C6H5OH | reduced productivity of the silica gel1) |
| 8 | o-dichlorobenzenes | C6H4Cl2 | reduced productivity of the silica gel1) |
| 9 | methyl bromide | CH3Br | reduced productivity of the silica gel1) |
| 10 | glycerin | C3H8O3 | reduced productivity of the silica gel1) |
| 1) Reduces the internal pore surface of the silica gel leading to a loss of performance. | |||
Technical annex
| Parameter | Value* | |
| TTR 160 | TTR 250 | |
| Article number | 1.110.000.120 | 1.110.000.130 |
| EAN number | 4.052.138.000.784 | 4.052.138.002.445 |
| Dehumidification performance | 0.5 kg/h | 1.1 kg/h |
| Operating range, dry air | 60 to 160 m3/h | 130 to 300 m3/h |
| Nominal dry air flow rate/static pressure | 155 m3/h / 50 Pa | 250 m3/h / 100 Pa |
| Nominal humid air flow rate/static pressure | 35 m3/h / 25 Pa | 50 m3/h / 100 Pa |
| Intake temperature | -15 °C to +35 °C | -15 °C to +35 °C |
| Ambient temperature | -20 °C to +40 °C | -20 °C to +40 °C |
| Mains connection | 230 V – 50/60 Hz | 230 V – 50/60 Hz |
| Total power consumption | 0.65 kW | 1.3 kW |
| Power consumption heating | 0.6 kW | 1.2 kW |
| Heating current min. / opt. / max. | 2.0 / 2.3 / 2.6 A | 4.5 / 5.0 / 5.5 A |
| Length approx. | 375 mm | 410 mm |
| Width approx. | 300 mm | 150 mm |
| Height approx. | 385 mm | 435 mm |
| Dry air connection | 100 mm | 100 mm |
| Humid air connection | 63 mm | 80 mm |
| Sound pressure level (distance 1 m) | 56 dB(A) | 57 dB(A) |
| Weight | 14 kg | 19 kg |
* based on 20 °C / 60 % RH
Circuit diagram TTR 160

Circuit diagram TTR 250

Dimensions TTR 160

Dimensions TTR 250

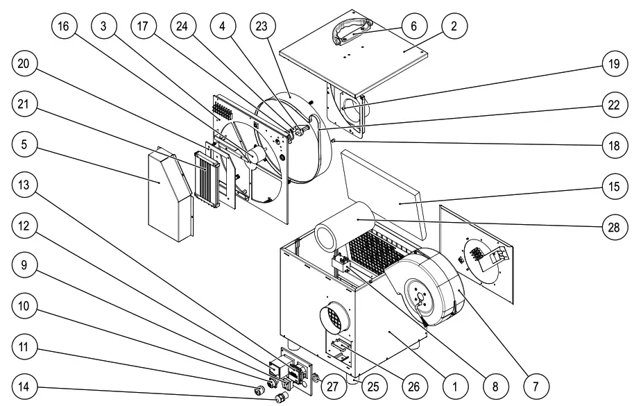
Spare parts drawing and list TTR 160
Info
The position numbers of the spare parts differ from those describing the positions of the components mentioned in these instructions

| Item | Designation | Article number | Item | Designation | Article number |
| 1 | Basic housing | P 1000 3927 | 15 | Filter mat | P 1000 1192 |
| 2 | Cover | P 1000 3925 | 16 | Gear motor | P 1000 1038 |
| 3 | Rotor cassette | P 1000 3924 | 17 | Toothed belt pulley | P 1000 1064 |
| 4 | Rubber tensioner | P 1000 1059 | 18 | Pressure spring | P 1000 1055 |
| 5 | Heating frame | P 1000 3920 | 19 | Pressure spring | P 1000 1056 |
| 6 | Handle | P 1000 1246 | 20 | Heating plate | P 1000 1102 |
| 7 | Fan | P 1000 1073 | 21 | Heating element | P 1000 1182 |
| 8 | Relay | P 1000 0195 | 22 | Toothed belt | P 1000 1063 |
| 9 | Switch | P 1000 1077 | 23 | Rotor | P 1000 1035 |
| 10 | Connection socket | P 1000 1049 | 24 | Needle bush | P 1000 1061 |
| 11 | Protective cap | P 1000 1053 | 25 | Foot | P 1000 1060 |
| 12 | Ammeter | P 1000 1058 | 26 | Mounting clip for relay | P 1000 0196 |
| 13 | Operating hours counter | P 1000 1137 | 27 | Lock nut for cable bushing | P 1000 1205 |
| 14 | Cable bushing | P 1000 0973 | 28 | Exhaust air hose | P 1000 1669 |
Spare parts drawing and list TTR 250
Info
The position numbers of the spare parts differ from those describing the positions of the components mentioned in these instructions.

| Item | Designation | Article number | Item | Designation | Article number |
| 1 | Basic housing | P 1000 3937 | 15 | Filter mat | P 1000 1194 |
| 2 | Cover | P 1000 3930 | 16 | Gear motor | P 1000 1038 |
| 3 | Rotor cassette | P 1000 3934 | 17 | Toothed belt pulley | P 1000 1066 |
| 4 | Rubber tensioner | P 1000 1059 | 18 | Pressure spring | P 1000 1055 |
| 5 | Heating frame | P 1000 3932 | 19 | Pressure spring | P 1000 1056 |
| 6 | Handle | P 1000 1246 | 20 | Heating plate | P 1000 1103 |
| 7 | Fan | P 1000 1074 | 21 | Heating element | P 1000 1075 |
| 8 | Relay | P 1000 0195 | 22 | Toothed belt | P 1000 1065 |
| 9 | Switch | P 1000 1077 | 23 | Rotor | P 1000 1036 |
| 10 | Connection socket | P 1000 1049 | 24 | Needle bush | P 1000 1061 |
| 11 | Protective cap | P 1000 1053 | 25 | Foot | P 1000 1060 |
| 12 | Ammeter | P 1000 0179 | 26 | Mounting clip for relay | P 1000 0196 |
| 13 | Operating hours counter | P 1000 1137 | 27 | Lock nut for Cable bushing | P 1000 1205 |
| 14 | Cable bushing | P 1000 0937 | 28 | Exhaust air hose | P 1000 1069 |
Disposal
The icon with the crossed-out waste bin on waste electrical or electronic equipment stipulates that this equipment must not be disposed of with the household waste at the end of its life. You will find collection points for free return of waste electrical and electronic equipment in your vicinity. The addresses can be obtained from your municipality or local administration. You can also find out about other return options that apply for many EU countries on the website https://hub.trotec.com/?id=45090 Otherwise, please contact an official recycling center for electronic and electrical equipment authorized for your country.
The separate collection of waste electrical and electronic equipment aims to enable the re-use, recycling and other forms of recovery of waste equipment as well as to prevent negative effects on the environment and human health caused by the disposal of hazardous substances potentially contained in the equipment.
Declaration of conformity
Declaration of conformity in accordance with the EC Machinery Directive 2006/42/EC, Annex II, Part 1, Section A
We – Trotec GmbH – declare in sole responsibility that the product designated below was developed, constructed, and produced in compliance with the requirements of the EC Machinery Directive in the version 2006/42/EC.
Product Model / Product: TTR
Product type: desiccant dehumidifier
Year of manufacture as of 2020
Relevant EU directives:
- 2011/65/EU: 01/07/ 2011
- 2014/30/EU: 29/03/2014
Applied harmonized standards :
| EN ISO 12100:2010 EN ISO 13849-1:2015 EN ISO 13857:2008 EN ISO 14118:2018 EN 55011:2016 EN 55011:2016/A1:2017 EN 55011:2016/A11:2020 EN 55014-1:2017/A11:2020 | EN 60204-1:2018 EN 60335-1:2012 EN 60335-1:2012 + AC:2014 EN 60335 1:2012/A11:2014 EN 60335-1:2012/A13:2017 EN 61000-6-1:2007 EN 61000-6-3:2007+A11:2011+AC:2012 |
Applied national standards and technical specifications:
- None
Manufacturer and name of the authorized representative of the technical documentation:
Trotec GmbH
Grebbener Straße 7, D-52525 Heinsberg Phone: +49 2452 962-400
E-mail: [email protected]
Place and date of issue: Heinsberg, 27.07.2020
Detlef von der Lieck, Managing Directo
Trotec GmbH
Grebbener Str. 7 D-52525 Heinsberg
+49 2452 962-400
+49 2452 962-200
[email protected] www.trotec.com





















