TROTEC TTK 26 E Comfort Dehumidifier
Notes regarding the operating manual
Symbols
- Danger: This symbol indicates dangers to the life and health of persons due to extremely flammable gas.
- Warning of electrical voltage: This symbol indicates dangers to the life and health of persons due to electrical voltage.
- Warning: This signal word indicates a hazard with an average risk level which, if not avoided, can result in serious injury or death.
- Caution: This signal word indicates a hazard with a low-risk level which, if not avoided, can result in minor or moderate injury.
- Note: This signal word indicates important information (e.g. material damage), but does not indicate hazards.
- Info: Information marked with this symbol helps you to carry out your tasks quickly and safely.
Follow the manual
Information marked with this symbol indicates that the operating manual must be observed. You can download the current version of the operating manual and the EU declaration of conformity via the following link: https://hub.trotec.com/?id=41301
Safety
Read this manual carefully before starting or using the device. Always store the manual in the immediate vicinity of the device or its site of use.
Warning: Read all safety warnings and all instructions. Failure to follow the warnings and instructions may result in electric shock, fire and/or serious injury. Save all warnings and instructions for future reference.
This appliance can be used by children aged from 8 years and above and persons with reduced physical, sensory or mental capabilities or lack of experience and knowledge if they have been given supervision or instruction concerning use of the appliance in a safe way and understand the hazards involved. Children shall not play with the appliance. Cleaning and user maintenance shall not be made by children without supervision.
- Do not use the device in potentially explosive rooms or areas and do not install it there.
- Do not use the device in aggressive atmosphere.
- Only put up the device in an upright, stable position on firm ground.
- Let the device dry out after a wet clean. Do not operate it when wet.
- Do not use the device with wet or damp hands.
- Do not expose the device to directly squirting water.
- Never insert any objects or limbs into the device.
- Do not cover the device during operation.
- Do not sit on the device.
- This appliance is not a toy. Keep away from children and animals. Do not leave the device unattended during operation.
- Check accessories and connection parts for possible damage prior to every use of the device. Do not use any defective devices or device parts.
- Ensure that all electric cables outside of the device are protected from damage (e.g. caused by animals). Never use the device if electric cables or the power connection are damaged!
- The mains connection must correspond to the specifications in the Technical annex.
- Insert the mains plug into a properly fused mains socket.
- Observe the device’s power input, cable length and intended use when selecting extensions to the power cable. Completely unroll extension cables. Avoid electrical overload.
- Before carrying out maintenance, care or repair work on the device, remove the mains plug from the mains socket.
- Hold onto the mains plug while doing so.
- Switch the device off and disconnect the power cable from the main socket when the device is not in use.
- Do not under any circumstances use the device if you detect damages on the mains plug or power cable.
- If the power cable is damaged, it must be replaced by the manufacturer, its service agent or similarly qualified persons in order to avoid a hazard. Defective power cables pose a serious health risk!
- When positioning the device, observe the minimum distances from walls and other objects as well as the storage and operating conditions specified in the Technical annex.
- Make sure that the air inlet and outlet are not obstructed.
- Make sure that the suction side is kept free of dirt and loose objects.
- Do not remove any safety signs, stickers or labels from the device. Keep all safety signs, stickers and labels in legible condition.
- Only transport the device in an upright position with an emptied condensation tank or drain hose.
- Discharge the collected condensate before transport and storage. Do not drink it. Health hazard!
Safety warnings for devices containing flammable refrigerants
- Only position the device in rooms where potentially leaking refrigerant cannot accumulate.
- Only position the device in rooms where there is no source of ignition (e.g. open flames, an active gas appliance or an electric heater).
- Please note that the refrigerant is odourless.
- Only install the device in compliance with the national installation regulations.
- Observe the national gas regulations.
- Only install, operate and store the device TTK 26 E in a room measuring more than 4 m2.
- Store the device in a way that no mechanical damage can occur.
- Please note that the connected pipelines must not contain any sources of ignition.
- R290 is a refrigerant that complies with European environmental regulations. No part of the cooling circuit may be perforated.
- Observe the maximum refrigerant capacity in the technical data.
- Do not drill through or burn.
- Do not use any means other than those recommended by the manufacturer for accelerating the defrosting process.
- Every person working with or at the refrigerant circuit must be able to provide a certificate of qualification issued by a body accredited by the industry, demonstrating their competence in the safe use of refrigerants based on a procedure well-known in the industry.
- Service work may only be carried out in accordance with the manufacturer’s specifications. If maintenance and repair work require the support of additional persons, the person trained in handling flammable refrigerants shall continuously supervise the work carried out.
- Unventilated rooms, in which the device is installed, operated or stored, must be built in a way to ensure that potentially leaking refrigerant cannot accumulate. This serves to avoid fire or explosion hazards resulting from an ignition of the refrigerant by an electric furnace, cooking stove or another ignition source.
- The entire refrigerant circuit is a maintenance-free, hermetically sealed system and may only be maintained or repaired by specialist companies for cooling and air conditioning or by Trotec.
Intended use
Only use the device for drying and dehumidifying room air, while adhering to and following the technical data. In addition, the device may also be used as a kind of clothes dryer to dry wet laundry.
Intended use comprises
dehumidifying and drying
- living rooms, bedrooms, bathrooms and basements
- laundries, holiday homes, camper vans, boats
maintaining the dryness of
- storage spaces, archives, laboratories, garages
- bathrooms, wash rooms, changing rooms etc.
Foreseeable misuse
- The device is not intended for industrial use.
- Do not place the device on wet or flooded ground.
- Do not place any objects, e.g. clothing, on the device.
- Do not use the device out of doors.
- Do not make any unauthorized modifications, alterations or structural changes to the device.
- Any use other than the intended use is regarded as a reasonably foreseeable misuse.
Personnel qualifications
People who use this device must
- be aware of the dangers that occur when working with electric devices in damp areas.
- have read and understood the operating manual, especially the Safety chapter.
- Maintenance tasks that require the housing to be opened must only be carried out by specialist companies for cooling and air-conditioning or by Trotec.
Safety signs and labels on the device
Note: Do not remove any safety signs, stickers or labels from the device. Keep all safety signs, stickers and labels in legible condition.
The following safety signs and labels are attached to the device:
- TTK 26 E
Warning: Appliance shall be installed, operated, and stored in a room with floor area larger than 4 m.
Follow the manual
This symbol indicates that the operating manual must be observed.
Follow the repair manual
Disposal, maintenance and repair work of the refrigerant circuit may only be carried out in accordance with the manufacturer’s specifications and by persons having a certificate of qualification. A corresponding repair manual is available from the manufacturer upon request.
Residual risks
Danger: Natural refrigerant propane (R290)!
- H220 – Extremely flammable gas.
- H280 – Contains gas under pressure; may explode if heated.
- P210 – Keep away from heat, sparks, open flames and other ignition sources. No smoking.
- P377 – Leaking gas fire: Do not extinguish, unless leak can be stopped safely.
- P410+P403 – Protect from sunlight. Store in a wellventilated place.
Warning of electrical voltage
- Work on the electrical components must only be carried out by an authorised specialist company!
- Before any work on the device, remove the mains plug from the mains socket!
- Do not touch the mains plug with wet or damp hands.
- Hold onto the mains plug while pulling the power cable out of the mains socket.
Warning
- Dangers can occur at the device when it is used by untrained people in an unprofessional or improper way! Observe the personnel qualifications!
- The device is not a toy and does not belong in the hands of children.
- Risk of suffocation!
- Do not leave the packaging lying around. Children may use it as a dangerous toy.
Note
- Do not operate the device without an air filter inserted into the air inlet!
- Without the air filter, the inside of the device will be heavily contaminated. This could reduce the performance and result in damage to the device.
Behavior in the event of an emergency
- Switch the device off.
- In an emergency, disconnect the device from the mains feed-in: Hold onto the mains plug while pulling the power cable out of the mains socket.
- Do not reconnect a defective device to the mains.
Information about the device
Device description
The device uses the principle of condensation to automatically dehumidify rooms. The fan sucks damp room air through the air inlet, the air filter, the evaporator and to the condenser located behind it. The air is cooled at the cold evaporator until it is below the dew point. Water vapour contained in the room air precipitates on the evaporator fins as condensation or rime. The dehumidified, cooled air is slightly warmed at the condenser and blown out again. The drier air thus conditioned mixes with the air in the room. The humidity in the room where the device is positioned is reduced as air constantly circulates through the device. Depending on the air temperature and the relative humidity, the condensed water either drops continuously or only during the defrost phase through the integrated drain nozzle into the condensation tank below. It is fitted with a float to measure the filling level. The device has a control panel for operating and controlling the functions.
Once the maximum filling level of the condensation tank is reached or in case the condensation tank is not installed correctly, the condensation tank indicator light (see chapter Operation) on the control panel is illuminated. The device switches off. The condensation tank indicator light only goes out again once the emptied condensation tank is reinserted. Optionally, the condensed water can be drained by attaching a hose at the condensation connection. In addition, the device may also be used as a kind of clothes dryer to dry wet laundry in living or working spaces. Another feature is the device’s self-cleaning function. This function serves to dry the interior of the device in order to prevent the formation of mould or similar inside the device due to residual moisture. Because of the heat radiation generated during operation, the room temperature may rise slightly.
Device depiction

| No. | Designation |
| 1 | Transport handle |
| 2 | Air outlet |
| 3 | Condensation drain hose connection |
| 4 | Power cable holder |
| 5 | Air filter |
| 6 | Condensation drain hose |
| 7 | Condensation tank with filling level indicator |
| 8 | Air inlet with air filter |
| 9 | Control panel |
Transport and storage
Note
- If you store or transport the device improperly, the device may be damaged.
- Note the information regarding transport and storage of the device.
Transport
- Please note that additional transport regulations might apply to devices containing flammable refrigerants. The equipment’s arrangement and the maximum number of components to be transported together can be gathered from the applicable transport regulations.
- To make the device easier to transport, it is fitted with a carry handle.
Before transporting the device, observe the following
- Switch the device off.
- Hold onto the mains plug while pulling the power cable out of the mains socket.
- Drain the remaining condensate from the device and the condensation drain hose (see chapter Maintenance).
- Do not use the power cable to drag the device.
After transporting the device, proceed as follows
- Set up the device in an upright position after transport.
- Leave the device to rest for 12 to 24 hours, so the refrigerant can accumulate within the compressor.
- Wait for 12 to 24 hours before switching the device back on! Acting contrary might lead to compressor damage and a malfunctioning device. If so, any warranty claims will be voided.
Storage
Before storing the device, proceed as follows
- Drain the remaining condensate from the device and the condensation drain hose (see chapter Maintenance).
- Hold onto the mains plug while pulling the power cable out of the mains socket.
When the device is not being used, observe the following storage conditions
- Only store the device in a room measuring more than 4 m2.
- dry and protected from frost and heat
- in an upright position where it is protected from dust and direct sunlight
- with a cover to protect it from invasive dust, if necessary
- Place no further devices or objects on top of the device to prevent it from being damaged.
Assembly and start-up
Scope of delivery
- 1 x Device
- 1 x Condensation drain hose, length: 0.6 m, diameter: 9 mm
- 1 x Air filter
- 1 x Cable holder (pre-installed)
- 1 x Manual
Unpacking the device
- Open the cardboard box and take the device out.
- Completely remove the packaging.
- Fully unwind the power cable. Make sure that the power cable is not damaged and that you do not damage it during unwinding.
Start-up
- When positioning the device, observe the minimum distance from walls or other objects as described in the chapter Technical annex.
Before restarting the device, check the condition of the power cable. If there are doubts as to the sound condition, contact customer service.- Only position the device in rooms where potentially leaking refrigerant cannot accumulate.
- Only position the device in rooms where there is no source of ignition (e.g. open flames, an active gas appliance or an electric heater).
- Only put up the device in an upright, stable position on firm ground.
- Do not create tripping hazards when laying the power cable or other electric cables, especially when positioning the device in the middle of the room. Use cable bridges.
- Make sure that extension cables are completely unrolled.
- When positioning the device, keep a sufficient distance to heat sources.
- Make sure that no curtains or other objects interfere with the airflow.
- When positioning the device, particularly in wet areas, secure it locally with an RCD (residual current device) that complies with the respective regulations.
Inserting the air filter
Note
- Do not operate the device without an air filter inserted into the air inlet!
- Without the air filter, the inside of the device will be heavily contaminated. This could reduce the performance and result in damage to the device.
- Make sure that the air filter is installed before switching the device on.

Inserting the condensation tank
- Ensure that the float inside the condensation tank is inserted correctly.
- Ensure that the condensation tank is empty and inserted correctly.
Connecting the power cable
- Insert the mains plug into a properly secured mains socket.
Operation
Notes
- Avoid open doors and windows.
- After being switched on, the device operates fully automatically.
- The fan continues to run in dehumidification mode even after the selected setpoint has been reached.
Operating elements

| No. | Designation | Meaning |
| 10 | Timer LED | Illuminated when the timer is activated. |
| 11 | Inside drying LED | Illuminated when the self-cleaning function is activated |
| 12 | Low LED | Is illuminated at low fan speed |
| 13 | High LED | Is illuminated at high fan speed (function for drying laundry) |
| 14 | Condensation tank full LED | Is illuminated if the condensation tank is full or not installed correctly |
| 15 | Segment display | Indicates the relative humidity level and the number of hours of the timer |
| 16 | Continuous LED | Is illuminated if the continuous operation mode is selected |
| 17 | Auto LED | Is illuminated if the automatic operation mode is selected |
| 18 | Operation LED | Is illuminated when the device is switched on. |
| 19 | On/off button | Switching the device on or off |
| 20 | Mode button | Changing the operating mode |
| 21 | Humidity button | For setting the desired relative humidity level |
| 22 | Speed button | For setting the desired fan speed (function for drying laundry) |
| 23 | Drying button | Switching the self-cleaning function on or off |
| 24 | Timer button | For switching the timer function on and off: 1 h to 24 h |
Switching the device on
Once you have completely installed the device as described in the chapter Assembly and start-up, you can switch it on.
- 1. Press the On / Off button (19).
- The operation LED (18) is illuminated.
Setting the operating mode
- Repeatedly press the mode button (20) to change the operating mode.
- In continuous operation mode, the continuous (16) LED is illuminated.
- In automatic operation mode, the auto (17) LED is illuminated.
Automatic operation
The device dehumidifies the air continuously until the set relative humidity level is reached. Please proceed as follows to adjust the desired humidity value:
- Repeatedly press the humidity button (21).
- The selected humidity value is indicated on the segment display (15).
This operating mode can also be used for drying laundry. To do so, select the highest fan speed and observe the recommended humidity values listed under laundry drying.
Continuous operation
- Regardless of the humidity level, the device dehumidifies continuously.
- In continuous operation, only the fan speed can be manually selected.
Setting the fan speed
You can change between low and high fan speed.
- Press the fan button (22).
- If the fan speed is set to a low level, the low LED (12) is illuminated.
- If the fan speed is set to a high level, the high LED (13, laundry drying function) is illuminated.
Auto stop function
- If the condensation tank is full or not inserted correctly, the device will stop automatically.
- The tank full LED (14) is illuminated.
Memory function
If you switch the device back on again, the settings selected for the operating mode, the relative humidity level, and fan speed are saved. The device memorizes the settings even during short power failures. In this case, the device automatically switches back on. The previous settings are saved.
Self-cleaning function / Internal drying
This function serves to dry the interior of the device in order to prevent the formation of mold or similar inside the device due to residual moisture. The self-cleaning function should be used if the device is not operated or is stored for a longer period of time. Self-cleaning takes approx. 50 minutes. First, the inside of the device is dried at a high fan speed for approx. 30 minutes. Afterward, the fan runs at low speed for about 20 minutes. Once the self-cleaning process is complete, the device switches to standby mode.
- Press the drying button (23) for approx. 2 seconds.
- The inside drying LED (11) is illuminated.
- The fan runs at the highest speed.
To switch off the function, press the drying button (23) for approx. 2 seconds once again. The device switches back to the previous mode. By pressing the on/off button (19), the selfcleaning function is stopped and the device switches over to standby mode.
Setting the timer
Note: Do not leave the operating device unattended in a freely accessible room with an activated timer.
The timer has two modes of operation
- Automatic switch-on upon expiry of a preset number of hours
- Automatic switch-off upon expiry of a preset number of hours
For the device to switch on or off automatically after a predefined number of hours (1 to max. 24 hrs) you can program the timer. The timer can be set in all operating modes. You can activate the function when the device is switched off.
Automatic switch-on
The device is in standby mode.
- Press the timer button (24) to program the automatic switch-on.
- Repeatedly press the timer button (24) until the desired number of hours until an automatic switch-on is indicated on the segment display (15).
- The set number of hours appears on the segment display (15).
- The device switches on after the predefined time.
Notes regarding automatic switch-on
- Manually switching the device on disables the automatic switch-on function.
- If you select 0 hours, the timer will be off.
Automatic switch-off
The device is switched on.
- Press the timer button (24) to program automatic switch-off.
- Repeatedly press the timer button (24) until the desired number of hours until an automatic switch-off is indicated on the segment display (15).
- The set number of hours appears on the segment display (15).
- The device switches off after the predefined time.
Notes regarding automatic switch-off
- Manually switching the device off disables the automatic switch-off function.
- If you select 0 hours, the timer will be off.
Operation with hose attached to the condensation connection
For continuous operation or unattended dehumidification, please connect the supplied condensation drain hose to the device.
A suitable hose (diameter: 9 mm) is ready for use.
The device is switched off.
- Remove the sealing cap.
Push one end of the hose onto the hose connection.
- Guide the other hose end to a suitable drain or sufficiently dimensioned collection container. Please note that the hose must not be kinked.

Remove the hose if you want to collect the condensate in the condensation tank again. Allow the hose to dry prior to storage.
Automatic defrost
At low ambient temperatures, ice may form at the evaporator during dehumidification. The device will then carry out an automatic defrost. Dehumidification is briefly interrupted during defrosting. The fan keeps running. The duration of the defrost process can vary. Do not switch off the device during automatic defrost. Do not remove the mains plug from the mains socket.
Drying laundry
- In addition, the device may also be used as a kind of clothes dryer to dry wet laundry in living or working spaces.
- When positioning the device or a clothes horse, please observe the minimum distances specified in the technical data.
The following humidity values are suitable for drying laundry
- cupboard dry = 46 % relative humidity
- iron dry = 58 % relative humidity
- slightly dried = 65 % relative humidity
Adjust the settings for the relative humidity level to the device (e.g. 60 % relative humidity for iron dry laundry). If necessary, use a measuring device to determine the humidity level.
Shutdown
Warning of electrical voltage
- Do not touch the mains plug with wet or damp hands.
- If you would like to take the device out of operation for a longer period of time, use the self-cleaning function to dry the inside of the device.
- Press the on/off button (19) to switch the device off.
- Hold onto the mains plug while pulling the power cable out of the mains socket.
- If necessary, remove the condensation drain hose and any residual fluid from it.
- Empty the condensation tank, if need be.
- Clean the device according to the Maintenance chapter.
- Store the device according to the Transport and storage chapter.
Errors and faults
The device has been checked for proper functioning several times during production. If malfunctions occur nonetheless, check the device according to the following list.
The device does not start
- Check the power connection.
- Check the power cable and mains plug for damage.
- Check the on-site fusing.
- Check the filling level of the condensation tank, and empty it if necessary. The condensation tank full LED must not be illuminated.
- Check the condensation tank for correct seating.
- Check the room temperature. Observe the device’s permissible operating range according to the technical data. Possibly, the device does not start because the ambient temperature is too low (< 5 °C).
- Wait for 10 minutes before restarting the device. If the device is not starting, have the electrics checked by a specialist company or by Trotec.
The device is running, but there is no formation of condensate
- Check the float in the condensation tank for dirt. If necessary, clean the condensation tank. The float must be able to move freely.
- Check the room temperature. Observe the device’s permissible operating range according to the technical data. Possibly, the device does not start because the ambient temperature is too low (< 5 °C).
- Ensure that the relative room humidity complies with the technical data.
- Check the air filter for dirt. If necessary, clean or replace the air filter.
- From the outside, check the condenser for dirt (see chapter Maintenance). If the condenser is dirty, have it cleaned by a specialist company or by Trotec.
- The device might carry out an automatic defrost. During automatic defrost, the device does not dehumidify.
The device is loud or vibrates
- Check whether the device is set up in a stable and upright position.
Condensate is leaking
- Check the device for leaks.
The compressor does not start
- Check the room temperature. Observe the device’s permissible operating range according to the technical data. Possibly, the device does not start because the ambient temperature is too low (< 5 °C).
- Ensure that the relative room humidity complies with the technical data.
- Check whether the overheating protection of the compressor has tripped. Disconnect the device from the mains and let it cool down for approx. 10 minutes before reconnecting it.
- The device might carry out an automatic defrost. During automatic defrost, the device does not dehumidify.
The device gets very warm, is loud or is losing performance
- Check the air inlets and air filters for dirt. Remove external dirt.
- From the outside, check the device for dirt (see chapter Maintenance). If the inside of the device is dirty, have it cleaned by a specialist company for cooling and airconditioning or by Trotec.
Note: Wait for at least 3 minutes after maintenance and repair work. Only then switch the device back on.
The device still does not operate correctly after these checks
- Please contact customer service. If necessary, bring the device to a specialist company for cooling and air-conditioning or to Trotec for repair.
Maintenance
Maintenance intervals
| Maintenance and care interval | before every start-up | as needed | at least every 2 weeks | at least every 4 weeks | at least every 6 months | at least annually |
| Check air inlet and outlet for dirt and foreign objects and clean if necessary | X | X | ||||
| Clean the exterior | X | X | ||||
| Visually check the inside of the device for dirt | X | X | ||||
| Check the air filter for dirt and foreign objects and clean or replace if necessary | X | X | ||||
| Replace the air filter | X | |||||
| Check for damage | X | |||||
| Check the attachment screws | X | X | ||||
| Test run | X | |||||
| Empty and clean the condensation tank and/or drain hose | X |
Maintenance and care log
- Device type: ………………………………………
- Device number: ………………………………
| Maintenance and care interval | 1 | 2 | 3 | 4 | 5 | 6 | 7 | 8 | 9 | 10 | 11 | 12 | 13 | 14 | 15 | 16 |
| Check air inlets and outlets for dirt and foreign objects and clean if necessary | ||||||||||||||||
| Clean the exterior | ||||||||||||||||
| Visually check the inside of the device for dirt | ||||||||||||||||
| Check the air filter for dirt and foreign objects and clean or replace if necessary | ||||||||||||||||
| Replace the air filter | ||||||||||||||||
| Check the attachment screws | ||||||||||||||||
| Test run | ||||||||||||||||
| Empty and clean the condensation tank and/or drain hose | ||||||||||||||||
| Comments | ||||||||||||||||
| 1. Date: …………………………………. Signature: ………………………………. | 2. Date: …………………………………… Signature: ……………………………….. | 3. Date: …………………………………… Signature: ……………………………….. | 4. Date: …………………………………… Signature: ……………………………….. |
| 5. Date: …………………………………. Signature: ………………………………. | 6. Date: …………………………………… Signature: ……………………………….. | 7. Date: …………………………………… Signature: ……………………………….. | 8. Date: …………………………………… Signature: ……………………………….. |
| 9. Date: …………………………………. Signature: ………………………………. | 10. Date: …………………………………. Signature: ……………………………….. | 11. Date: …………………………………. Signature: ……………………………….. | 12. Date: …………………………………. Signature: ……………………………….. |
| 13. Date: ……………………………….. Signature: ………………………………. | 14. Date: …………………………………. Signature: ……………………………….. | 15. Date: …………………………………. Signature: ……………………………….. | 16. Date: …………………………………. Signature: ……………………………….. |
Activities required before starting maintenance
Warning of electrical voltage
- Do not touch the mains plug with wet or damp hands.
- Switch the device off.
- Hold onto the mains plug while pulling the power cable out of the mains socket.
Warning of electrical voltage
- Tasks that require the device to be opened must only be carried out by authorized specialist companies or by Trotec.
Refrigerant circuit
Danger: Natural refrigerant propane (R290)!
- H220 – Extremely flammable gas.
- H280 – Contains gas under pressure; may explode if heated.
- P210 – Keep away from heat, sparks, open flames and other ignition sources. No smoking.
- P377 – Leaking gas fire: Do not extinguish, unless leak can be stopped safely.
- P410+P403 – Protect from sunlight. Store in a well-ventilated place.
The entire refrigerant circuit is a maintenance-free, hermetically sealed system and may only be maintained or repaired by specialist companies for cooling and airconditioning or by Trotec.
Safety signs and labels on the device
- Check the safety signs and labels attached to the device at regular intervals. Replace illegible safety signs!
Cleaning the housing
Clean the housing with a soft, damp and lint-free cloth. Make sure that no moisture enters the housing. Protect electrical components from moisture. Do not use any aggressive cleaning agents such as cleaning sprays, solvents, alcohol-based or abrasive cleaners to dampen the cloth.
Visual inspection of the inside of the device for dirt
- Remove the air filter.
- Use a torch to illuminate the openings of the device.
- Check the inside of the device for dirt.
- If you see a thick layer of dust, have the inside of the device cleaned by a specialist company for cooling and air conditioning or by Trotec.
- Put the air filter back in.

Cleaning the air filter
Note: Ensure that the air filters are neither worn nor damaged. The corners and edges of the air filters must not be deformed or rounded. Before reinserting the air filters, make sure that they are undamaged and dry!
The air filters have to be cleaned as soon as they are dirty. This is brought to light e.g. by a reduced capacity (see chapter Errors and faults).
- Take the condensation tank out of the device.

- Remove the air filter from the device.

- Clean the filter using a slightly damp, soft, lint-free cloth. If the filter is heavily contaminated, clean it with warm water mixed with a neutral cleaning agent.

- Allow the filter to dry completely. Do not insert a wet filter into the device!
- Reinsert the air filter into the device.

- Refit the condensation tank into the device. Make sure not to damage the float when inserting or removing the condensation tank. In doing so, make sure that the float is positioned correctly. In doing so, make sure that the condensation tank is inserted correctly, for otherwise the device cannot be switched back on.

Emptying the condensation tank
If the condensation tank is full or not installed correctly, the Tank full LED (10) will be illuminated. The compressor and fan will switch off.
- Take the condensation tank out of the device.

- Empty the condensation tank over a drain or sink.

- Rinse the tank with clear water. Clean the tank regularly using a mild cleaning agent (no detergent!).

- Refit the condensation tank into the device. Make sure not to damage the float when inserting or removing the condensation tank. In doing so, make sure that the float is positioned correctly. In doing so, make sure that the condensation tank is inserted correctly, for otherwise the device cannot be switched back on.
Activities required after maintenance
If you want to continue using the device
- Leave the device to rest for 12 to 24 hours, so the refrigerant can accumulate within the compressor. Wait for 12 to 24 hours before switching the device back on! Acting contrary might lead to compressor damage and a malfunctioning device. If so, any warranty claims will be voided.
- Reconnect the device to the mains.
If you do not intend to use the device for a considerable time
- Store the device according to the Transport and storage chapter.
Technical annex
Technical data
| Parameter | Value |
| Model | TTK 26 E |
| Max. dehumidification performance | 10 l / 24 h |
| Air flow rate | 80 m3/h |
| Operating range (temperature) | 5 °C to 32 °C |
| Operating range (relative humidity) | 30 % to 80 % RH |
| Pressure suction side | 1.8 MPa |
| Pressure outlet side | 3.8 MPa |
| Max. permissible pressure | 3.8 MPa |
| Mains connection | 220 – 240 V / 50 Hz |
| Max. power input | 200 W |
| Nominal current | 1.1 A |
| Recommended fusing | 6 A |
| Refrigerant | R290 |
| Amount of refrigerant | 40 g |
| GWP factor | 3 |
| CO2 equivalent | 0.00012 t |
| Water tank | 1.8 l |
| Sound pressure level | 40 dB (A) |
| Dimensions (length x width x height) | 217 x 296 x 416 mm |
| Minimum distance to walls and other objects A: top B: rear C: side D: front | 50 cm 20 cm 20 cm 20 cm |
| Weight | 9.5 kg |
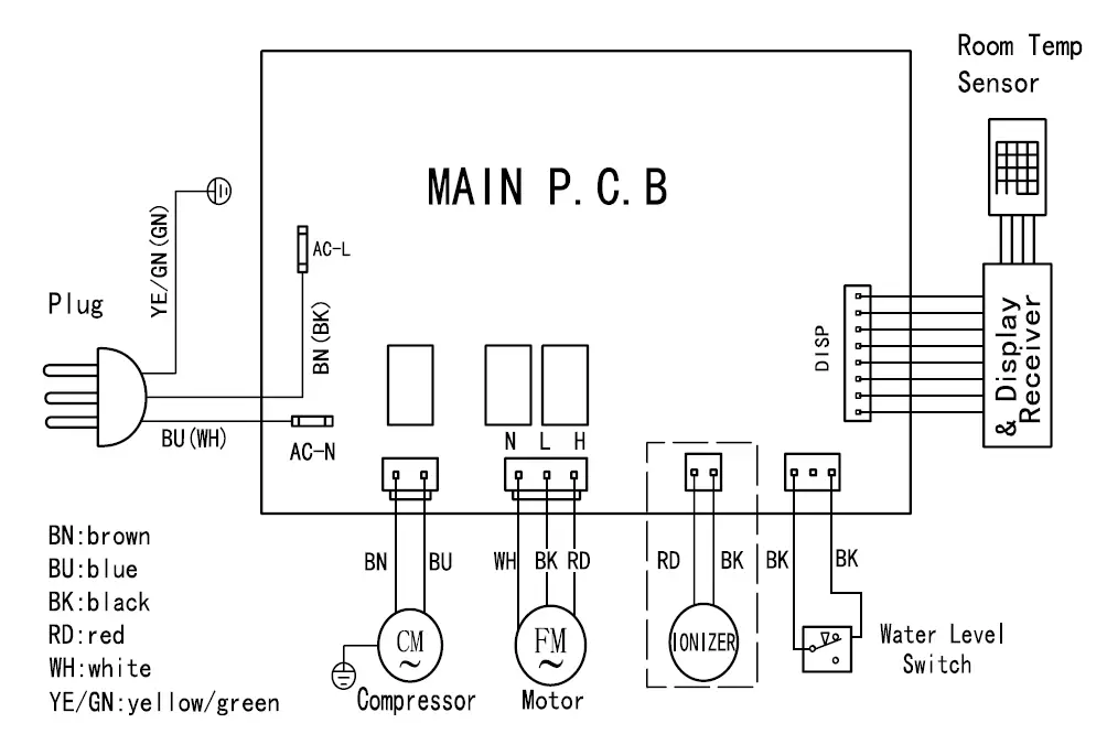
Wiring diagram

Overview and list of spare parts
Info: The position numbers of the spare parts differ from those describing the positions of other parts mentioned in this operating manual.

| No. | Spare Part | No. | Spare Part | No. | Spare Part |
| 1 | Water tank | 11 | PCB box | 21 | Handle |
| 2 | Front Panel | 12 | PCB | 22 | Top cover |
| 3 | Filter | 13 | PCB box cover | 23 | Display |
| 4 | Float | 14 | Plug cord holder | 24 | Humidity Sensor |
| 5 | Water Bracket | 15 | Drainage plug | 25 | Right buckle |
| 6 | Rubber foot pad | 16 | Rear panel | 26 | Left buckle |
| 7 | Bottom base | 17 | Air outlet | 27 | Condensor assembly |
| 8 | Bracket | 18 | Fan wheel | 28 | Evaporator assembly |
| 9 | Water level switch | 19 | Motor | ||
| 10 | Plug cord clasp | 20 | Compressor |
Disposal
The icon with the crossed-out waste bin on waste electrical or electronic equipment stipulates that this equipment must not be disposed of with the household waste at the end of its life. You will find collection points for free return of waste electrical and electronic equipment in your vicinity. The addresses can be obtained from your municipality or local administration. You can also find out about other return options that apply to many EU countries on the website https://hub.trotec.com/?id=45090. Otherwise, please contact an official recycling center for electronic and electrical equipment authorized for your country. The separate collection of waste electrical and electronic equipment aims to enable the re-use, recycling, and other forms of recovery of waste equipment as well as to prevent negative effects on the environment and human health caused by the disposal of hazardous substances potentially contained in the equipment. Have the refrigerant (propane) disposed of appropriately and according to the national regulations by a company with the relevant certification (European Waste Catalogue 160504).
Trotec GmbH
- ADDRESS: Grebbener Str. 7 D-52525 Heinsberg
- TEL: +49 2452 962-400
- FAX: +49 2452 962-200
- [email protected]
- www.trotec.com

Before restarting the device, check the condition of the power cable. If there are doubts as to the sound condition, contact customer service.
Push one end of the hose onto the hose connection.




























