TTK95E dehumidifier COMFORT
User Manual 
Notes regarding the operating manual
Symbols
Danger
This symbol indicates dangers to the life and health of persons due to extremely flammable gas.
Warning of electrical voltage
This symbol indicates dangers to the life and health of persons due to electrical voltage.
Warning
This signal word indicates a hazard with an average risk level that, if not avoided, can result in serious injury or death.
Caution
This signal word indicates a hazard with a low-risk level which, if not avoided, can result in minor or moderate injury.
Note
This signal word indicates important information (e.g. material damage) but does not indicate hazards.
Info
Information marked with this symbol helps you to carry out your tasks quickly and safely.
Follow the manual
Information marked with this symbol indicates that the operating manual must be observed.
You can download the current version of the operating manual and the EU declaration of conformity via the following link:
| TTK 75 E |
Safety
Read this manual carefully before starting or using the device. Always store the manual in the immediate vicinity of the device or its site of use.
Warning
Read all safety warnings and all instructions.
Failure to follow the warnings and instructions may result in electric shock, fire, and/or serious injury.
Save all warnings and instructions for future reference.
This appliance can be used by children aged from 8 years and above and persons with reduced physical, sensory or mental capabilities or lack of experience and knowledge if they have been given supervision or instruction concerning the use of the appliance in a safe way and understand the hazards involved. Children shall not play with the appliance. Children shall not make cleaning and user maintenance without supervision.
- Do not use the device in potentially explosive rooms or areas and do not install it there.
- Do not use the device in an aggressive atmosphere.
- Only put up the device in an upright, stable position on firm ground.
- Let the device dry out after a wet clean. Do not operate it when wet.
- Do not use the device with wet or damp hands.
- Do not expose the device to directly squirting water.
- Never insert any objects or limbs into the device.
- Do not cover the device during operation.
- Do not sit on the device.
- This appliance is not a toy. Keep away from children and animals. Do not leave the device unattended during operation.
- Check accessories and connection parts for possible damage prior to every use of the device. Do not use any defective devices or device parts.
- Ensure that all electric cables outside of the device are protected from damage (e.g. caused by animals). Never use the device if electric cables or the power connection are damaged!
- The main connection must correspond to the specifications in the technical annex.
- Insert the mains plug into a properly fused mains socket.
- Observe the device’s power input, cable length, and intended use when selecting extensions to the power cable. Completely unroll extension cables. Avoid electrical overload.
- Before carrying out maintenance, care, or repair work on the device, remove the main plug from the main socket. Hold onto the mains plug while doing so.
- Switch the device off and disconnect the power cable from the main socket when the device is not in use.
- Do not under any circumstances use the device if you detect damages on the mains plug or power cable. If the power cable is damaged, it must be replaced by the manufacturer, its service agent, or similarly qualified persons in order to avoid a hazard. Defective power cables pose a serious health risk!
- When positioning the device, observe the minimum distances from walls and other objects as well as the storage and operating conditions specified in the Technical Annex.
- Make sure that the air inlet and outlet are not obstructed.
- Make sure that the suction side is kept free of dirt and lost objects.
- Do not remove any safety signs, stickers, or labels from the device. Keep all safety signs, stickers, and labels in legible condition.
- Only transport the device in an upright position with an emptied condensation tank or drain hose.
- Discharge the collected condensate before transport and storage. Do not drink it. Health hazard!
Safety warnings for devices containing flammable refrigerants
- Only position the device in rooms where potentially leaking refrigerant cannot accumulate.
- Only position the device in rooms where there is no source of ignition (e.g. open flames, an active gas appliance or an electric heater).
- Please note that the refrigerant is odorless.
- Only install the device in compliance with the national installation regulations.
- Observe the national gas regulations.
- Only install, operate and store the device TTK 75 E in a room measuring more than 4 m2.
- Store the device in a way that no mechanical damage can occur.
- Please note that the connected pipelines must not contain any sources of ignition.
- R290 is a refrigerant that complies with European environmental regulations. No part of the cooling circuit may be perforated.
- Observe the maximum refrigerant capacity in the technical data.
- Do not drill through or burn. · Do not use any means other than those recommended by the manufacturer for accelerating the defrosting process.
- Every person working with or at the refrigerant circuit must be able to provide a certificate of qualification issued by a body accredited by the industry, demonstrating their competence in the safe use of refrigerants based on a procedure well-known in the industry.
- Service work may only be carried out in accordance with the manufacturer’s specifications. If maintenance and repair work requires the support of additional persons, the person trained in handling flammable refrigerants shall continuously supervise the work carried out.
- Unventilated rooms, in which the device is installed, operated, or stored, must be built in a way to ensure that potentially leaking refrigerant cannot accumulate. This serves to avoid fire or explosion hazards resulting from an ignition of the refrigerant by an electric furnace, cooking stove, or another ignition source.
- The entire refrigerant circuit is a maintenance-free, hermetically sealed system and may only be maintained or repaired by specialist companies for cooling and airconditioning or by Trotec.
Intended use
Only use the device for drying and dehumidifying room air, while adhering to and following the technical data.
In addition, the device may also be used as a kind of clothes dryer to dry wet laundry.
Intended use comprises
- dehumidifying and drying:
− living rooms, bedrooms, and basements
− holiday homes, camper vans - maintaining the dryness of:
− storage spaces, archives, laboratories, garages
− changing rooms etc.
Foreseeable misuse
The device is not intended for industrial use.
- Do not place the device on wet or flooded ground.
- Do not place any objects, e.g. clothing, on the device.
- Do not use the device out of doors.
- Do not make any unauthorized modifications, alterations, or structural changes to the device.
- Any use other than the intended use is regarded as a reasonably foreseeable misuse.
Personnel qualifications
People who use this device must:
- be aware of the dangers that occur when working with electric devices in damp areas.
- have read and understood the operating manual, especially the Safety chapter.
Maintenance tasks that require the housing to be opened must only be carried out by specialist companies for cooling and air-conditioning or by Trotec.
Safety signs and labels on the device
Note
Do not remove any safety signs, stickers, or labels from the device. Keep all safety signs, stickers, and labels in legible condition.
The following safety signs and labels are attached to the device:
TTK 75 E
Follow the manual This symbol indicates that the operating manual must be observed. Follow the repair manual Disposal, maintenance, and repair work of the refrigerant circuit may only be carried out in accordance with the manufacturer’s specifications and by persons having a certificate of qualification. A corresponding repair manual is available from the manufacturer upon request.
| WARNING: The appliance shall be installed, operated, and stored in a room with a floor area larger than 4 m². |
![]() |
Follow the manual
This symbol indicates that the operating manual must be observed.
Follow the repair manual
Disposal, maintenance, and repair work of the refrigerant circuit may only be carried out in accordance with the manufacturer’s specifications and by persons having a certificate of qualification. A corresponding repair manual is available from the manufacturer upon request.
Residual risks
Danger
Natural refrigerant propane (R290)!
H220 Extremely flammable gas.
H280 Contains gas under pressure; may explode if heated.
P210 Keep away from heat, sparks, open flames, and other ignition sources. No smoking.
P377 Leaking gas fire: Do not extinguish, unless the leak can be stopped safely.
P410+P403 Protect from sunlight. Store in a well-ventilated place.
Warning of electrical voltage
Work on the electrical components must only be carried out by an authorized specialist company!
Warning of electrical voltage
Before any work on the device, remove the main plug from the main socket! Do not touch the mains plug with wet or damp hands. Hold onto the mains plug while pulling the power cable out of the mains socket.
Warning
Dangers can occur to the device when it is used by untrained people in an unprofessional or improper way! Observe the personnel qualifications!
Warning
The device is not a toy and does not belong in the hands of children.
Warning
Risk of suffocation! Do not leave the packaging lying around. Children may use it as a dangerous toy.
Note
Do not operate the device without an air filter inserted into the air inlet!
Without the air filter, the inside of the device will be heavily contaminated. This could reduce the performance and result in damage to the device.
Behavior in the event of an emergency
- Switch the device off.
- In an emergency, disconnect the device from the mains feed-in: Hold onto the mains plug while pulling the power cable out of the mains socket.
- Do not reconnect a defective device to the mains.
Information about the device
Device description
The device uses the principle of condensation to automatically dehumidify rooms.
The fan sucks damp room air through the air inlet, the air filter, the evaporator, and to the condenser located behind it. The air is cooled at the cold evaporator until it is below the dew point. Water vapor contained in the room air precipitates on the evaporator fins as condensation or rime. In the dehumidifier, cooled air is slightly warmed at the condenser and blown out again. The drier air thus conditioned mixes with the air in the room. The humidity in the room where the device is positioned is reduced as air constantly circulates through the device.
Depending on the air temperature and the relative humidity, the condensed water either drops continuously or only during the defrost phase through the integrated drain nozzle into the condensation tank below. It is fitted with a float to measure the filling level.
The device has a control panel for operating and controlling the functions.
Once the maximum filling level of the condensation tank is reached or in case the condensation tank is not installed correctly, the condensation tank indicator light (see chapter Operation) on the control panel is illuminated. The device switches off. The condensation tank indicator light only goes out again once the emptied condensation tank is reinserted.
Optionally, the condensed water can be drained by attaching a hose to the condensation connection.
The device can reduce the relative humidity of a room to approx. 30 %.
In addition, the device may also be used as a kind of clothes dryer to dry wet laundry in living or working spaces.
Because of the heat radiation generated during operation, the room temperature may rise slightly.
| No. | Designation |
| 1 | control panel |
| 2 | condensation tank with filling level indicator |
| 3 | air inlet with air filter |
| 4 | condensation hose connection with sealing cap |
| 5 | power cable holder |
| 6 | air filter |
| 7 | wheels |
| 8 | transport handle |
| 9 | air outlet |
Transport and storage
Note
If you store or transport the device improperly, the device may be damaged.
Note the information regarding the transport and storage of the device.
Transport
Please note that additional transport regulations might apply to devices containing flammable refrigerants. The equipment’s arrangement and the maximum number of components to be transported together can be gathered from the applicable transport regulations.
To make the device easier to transport, it is fitted with a carry handle.
To make the device easier to transport, it is fitted with wheels.
Before transporting the device, observe the following:
- Switch the device off.
- Hold onto the mains plug while pulling the power cable out of the mains socket.
- Drain the remaining condensate from the device and the condensation drain hose (see chapter Maintenance).
- Do not use the power cable to drag the device.
- Only wheel the device on a level and smooth surface.
After transporting the device, proceed as follows:
- Set up the device in an upright position after transport.
- Leave the device to rest for 12 to 24 hours, so the refrigerant can accumulate within the compressor. Wait for 12 to 24 hours before switching the device back on! Acting contrary might lead to compressor damage and a malfunctioning device. If so, any warranty claims will be voided.
Storage
Before storing the device, proceed as follows:
- Drain the remaining condensate from the device and the condensation drain hose (see chapter Maintenance).
- Hold onto the mains plug while pulling the power cable out of the mains socket.
When the device is not being used, observe the following storage conditions:
- Only store the device in a room measuring more than 4 m2.
- dry and protected from frost and heat
- in an upright position where it is protected from dust and direct sunlight
- with a cover to protect it from invasive dust, if necessary
- Place no further devices or objects on top of the device to prevent it from being damaged.
Assembly and start-up
Scope of delivery
- 1 x Device
- 1 x Air filter
- 1 x Manual
Unpacking the device
- Open the cardboard box and take the device out.
- Completely remove the packaging.
- Fully unwind the power cable. Make sure that the power cable is not damaged and that you do not damage it during unwinding.
Start-up
When positioning the device, observe the minimum distance from walls or other objects as described in the chapter Technical annex. 
- Before restarting the device, check the condition of the power cable. If there are doubts as to the sound condition, contact the customer service.
- Only position the device in rooms where potentially leaking refrigerant cannot accumulate.
- Only position the device in rooms where there is no source of ignition (e.g. open flames, an active gas appliance, or an electric heater).
- Only put up the device in an upright, stable position on firm ground.
- Do not create tripping hazards when laying the power cable or other electric cables, especially when positioning the device in the middle of the room. Use cable bridges.
- Make sure that extension cables are completely unrolled.
- When positioning the device, keep a sufficient distance from heat sources.
- Make sure that no curtains or other objects interfere with the airflow.
- When positioning the device, particularly in wet areas, secure it locally with an RCD (residual current device) that complies with the respective regulations.
Inserting the air filter
Note
Do not operate the device without an air filter inserted into the air inlet!
Without the air filter, the inside of the device will be heavily contaminated. This could reduce the performance and result in damage to the device.
- Make sure that the air filter is installed before switching the device on.

Inserting the condensation tank
- Ensure that the float inside the condensation tank is inserted correctly.
- Ensure that the condensation tank is empty and inserted correctly.
Connecting the power cable
- Insert the mains plug into a properly secured mains socket.
Operation
Notes:
- Avoid open doors and windows.
- After being switched on, the device operates fully automatically.
- The fan permanently runs in dehumidification mode even after the set nominal value has been reached until the device is switched off.
Operating elements

| No. | Designation | Meaning |
| 10 | Swing function button | Switches the automatic movement of the ventilation flap on or off |
| 11 | Increase value button | Setting the desired relative room humidity Setting the number of hours for the timer function |
| 12 | Current room humidity indication | Indicates that the current relative room humidity is being displayed Disappears when the desired relative room humidity is being set |
| 13 | Room humidity segment display | Indicates the current relative room humidity Indicates the desired relative room humidity during setting |
| 14 | Defrost indication | Is displayed when automatic defrosting is in progress |
| No. | Designation | Meaning |
| 15 | Fan speed indication | Indication of the fan speed: |
| 16 | Swing function indication | Is displayed when the swing function is activated |
| 17 | Ventilation button | Setting the fan speed: |
| 18 | Power button | On/Off button: Switches the device on or off |
| 19 | Timer button | Starts programming for the timer function |
| 20 | Condensation tank full indication | Is displayed when the condensation tank is full or not installed correctly |
| 21 | Timer indication | Is displayed when the timer is activated Indicates the number or hours set ON = automatic switch-on enabled OFF = automatic switch-off enabled |
| 22 | Desired room humidity indication | Is displayed while the desired relative room humidity is being set |
| 23 | Decrease value button | Setting the desired relative room humidity Setting the number of hours for the timer function |
Switching the device on
Once you have completely installed the device as described in the chapter Assembly and start-up, you can switch it on.
- Press the POWER button (18).
⇒ The device starts to dehumidify.
Setting the operating mode
Setting the desired relative room humidity You can change the desired relative room humidity at any time.
- Press the increased value (11) or decrease value button (23) to set the desired relative room humidity. The setting is possible in the range between 30 % and 90 % in increments of 5 %.
The desired relative room humidity is shown on the room humidity indication (13) for approx. 5 seconds. Then the current relative room humidity is displayed again.
Setting the fan speed
You can choose between low and high fan speed (laundry drying function) at any time.
- Press the fan button (17) to select either low or high fan speed (laundry drying function).
The selected fan speed is indicated on the fan speed indication (15).
Dehumidification
The device keeps running until reaching the desired relative room humidity. Then the compressor switches off and the fan keeps running. Once the desired relative room humidity is exceeded, the compressor switches back on.
The desired relative room humidity can be set at any time within a set range of 30 % to 90 %.
You can choose between low and high fan speed (laundry drying function).
Setting the timer
The timer has two modes of operation:
- automatic switch-on upon expiry of a preset number of hours
- automatic switch-off upon expiry of a preset number of hours
The number of hours can range from 1 to 24 and can be adjusted in increments of 1 h.
Note Do not leave the operating device unattended in a freely accessible room with an activated timer.
Automatic switch-on
- Switch off the device.
- Press the timer button (19).
The number of hours flashes on the timer indication (21). - Press the increased value (11) or decrease value button (23) to set the desired number of hours.
- Wait for approx. 5 seconds in order to save the setting.
The characters ON and the number of hours left until switch-on appear on the timer indication (21).
The timer setting equals the desired number of hours.
The device starts after the set time has passed.
Note regarding automatic switch-on:
• Pressing the power button (18) deactivates the automatic switch-on function. Automatic switch-off ✓ The device is switched on.
- Press the timer button (19).
The number of hours flashes on the timer indication (21). - Press the increased value (11) or decrease value button (23) to set the desired number of hours.
- Wait for approx. 5 seconds in order to save the setting.
The characters OFF and the number of hours left until switch-off appear on the timer indication (21).
The timer setting equals the desired number of hours. => The device switches off after the set period of time.
Auto-stop function
If the water tank is full, not inserted correctly or the desired relative room humidity has been reached, the device will stop automatically.
Swing function
Using the swing function, you can activate the continuous movement of the ventilation flap. This enables an even distribution of the air current in the room.
- Press the swing function button (10).
The ventilation flap moves up and down continuously. - Press the swing function button (10) again to deactivate the swing function. The ventilation flap opens completely.
Operation with a hose attached to the condensation connection
For continuous operation or unattended dehumidification, please connect a suitable condensation drain hose to the device.
✓ A suitable hose (diameter: 13 mm) is ready for use.
✓ The device is switched off.
- Remove the sealing cap from the hose connection.
- Remove the rubber plug.

- Push one end of the hose onto the hose connection.

- Guide the other hose end to a suitable drain or sufficiently dimensioned collection container. Please observe that the hose must not be kinked.

Remove the hose if you want to collect the condensate in the condensation tank again. Allow the hose to dry prior to storage. The hose can be connected in any operating mode for continuous operation.
Automatic defrost
At low ambient temperatures, ice may form at the evaporator during dehumidification. The device will then carry out an automatic defrost. Dehumidification is briefly interrupted during defrosting. The fan keeps running.
The DEFROST indicator light (13) is illuminated during defrosting.
The duration of the defrost process can vary. Do not switch off the device during automatic defrost. Do not remove the main plug from the main socket.
Drying laundry
In addition, the device may also be used as a kind of clothes dryer to dry wet laundry in living or working spaces.
When positioning the device or a clothes horse, please observe the minimum distances specified in the technical data.
The following humidity values are suitable for drying laundry:
- cupboard dry = 46 % relative humidity
- iron dry = 58 % relative humidity
- slightly dried = 65 % relative humidity
Adjust the settings for the relative humidity level of the device (e.g. 60 % relative humidity for iron dry laundry). If necessary, use a measuring device to determine the humidity level.
- Select the high fan speed using the FAN SPEED button (16).
⇒ The function for drying laundry is activated.
Shutdown
Warning of electrical voltage
Does not touch the mains plug with wet or damp hands.
- Switch off the device.
- Hold onto the mains plug while pulling the power cable out of the mains socket.
- If necessary, remove the condensation drain hose and any residual fluid from it.
- Empty the condensation tank, if need be.
- Clean the device according to the Maintenance chapter.
- Store the device according to the Transport and storage chapter.
Errors and faults
The device has been checked for proper functioning several times during production. If malfunctions occur nonetheless, check the device according to the following list.
The device does not start:
- Check the power connection.
- Check the power cable and mains plug for damage.
- Check the on-site fusing.
- Check the filling level of the condensation tank, and empty it if necessary. The BUCKET FULL indicator light (12) must not light up.
- Check the condensation tank for correct seating.
- Check the room temperature. Observe the device’s permissible operating range according to the technical data.
- Wait for 10 minutes before restarting the device. If the device is not starting, have the electrics checked by a specialist company or by Trotec.
The device is running, but there is no formation of condensate:
- Check the float in the condensation tank for dirt. If necessary, clean the condensation tank. The float must be able to move freely.
- Check the room temperature. Observe the device’s permissible operating range according to the technical data.
- Ensure that the relative room humidity complies with the technical data.
- Check the preselected relative room humidity. The humidity in the room must be above the selected range.
- Check the air filter for dirt. If necessary, clean or replace the air filter.
- From the outside, check the condenser for dirt (see chapter Maintenance). If the condenser is dirty, have it cleaned by a specialist company or by Trotec.
- The device might carry out an automatic defrost. During automatic defrost, the device does not dehumidify.
The device is loud or vibrates:
- Check whether the device is set up in a stable and upright position.
Condensate is leaking:
- Check the device for leaks.
The compressor does not start:
- Check the room temperature. Observe the device’s permissible operating range according to the technical data.
- Ensure that the relative room humidity complies with the technical data.
- Check the preselected relative room humidity. The humidity in the room must be above the selected range.
- Check whether the overheating protection of the compressor has tripped. Disconnect the device from the mains and let it cool down for approx. 10 minutes before reconnecting it.
- The device might carry out an automatic defrost. During automatic defrost, the device does not dehumidify.
The device gets very warm, is loud, or is losing performance:
- Check the air inlets and air filters for dirt. Remove external dirt.
- From the outside, check the device for dirt (see chapter Maintenance). If the inside of the device is dirty, have it cleaned by a specialist company for cooling and air-conditioning or by Trotec.
Note
Wait for at least 3 minutes after maintenance and repair work. Only then switch the device back on.
The device still does not operate correctly after these checks:
Please contact customer service. If necessary, bring the device to a specialist company for cooling and air-conditioning or to Trotec for repair.
Error codes
The following error messages can be displayed on the segment display (13):
| Error code | Cause | Remedy |
| El | Fault in temperature sensor | Disconnect the device briefly from the mains. Should the error still be displayed after the restart, please contact the customer service? |
| E2 | Fault at defrosting sensor | |
| E3 | Fault in humidity sensor | |
| Lo | The room’s humidity level is lower than 30 % RH. | Operate the device at a humidity level that complies with the technical data. |
| Hi | The room’s humidity level is higher than 90 % RH. | Operate the device at a humidity level that complies with the technical data. |
| E5 | Chip communication failure | Switch off the device and call customer service. |
Maintenance
Maintenance intervals
| Maintenance and care interval | before every start-up | as needed | at least every 2 weeks | at least every 4 weeks | at least every 6 months | at least annually |
| Check air inlet and outlet for dirt and foreign objects and clean if necessary | X | X | ||||
| Clean the exterior | X | X | ||||
| Visually check the inside of the device for dirt | X | X | ||||
| Check the air filter for dirt and foreign objects and clean or replace if necessary | X | X | ||||
| Replace the air filter | X | |||||
| Check for damage | X | |||||
| Check the attachment screws | X | X | ||||
| Test run | X | |||||
| Empty and clean the condensation tank and/or drain hose | X |
Maintenance and care log
Device type: ………………………………………
Device number: ………………………………
| Maintenance and care interval | 1 | 2 | 3 | 4 | 5 | 6 | 7 | 8 | 9 | 10 | 11 | 12 | 13 | 14 | 15 | 16 |
| Check air inlets and outlets for dirt and foreign objects and clean if necessary | ||||||||||||||||
| Clean the exterior | ||||||||||||||||
| Visually check the inside of the device for dirt | ||||||||||||||||
| Check the air filter for dirt and foreign objects and clean or replace if necessary | ||||||||||||||||
| Replace the air filter | ||||||||||||||||
| Check the attachment screws | ||||||||||||||||
| Test run | ||||||||||||||||
| Empty and clean the condensation tank and/or drain hose | ||||||||||||||||
| Comments | ||||||||||||||||
| 1. Date: …………………………….. Signature: ………………………….. | 2. Date: ……………………………… Signature: …………………………… | 3. Date: ……………………………… Signature: …………………………… | 4. Date: ……………………………… Signature: …………………………… |
| 5. Date: …………………………….. Signature: ………………………….. | 6. Date: ……………………………… Signature: …………………………… | 7. Date: ……………………………… Signature: …………………………… | 8. Date: ……………………………… Signature: …………………………… |
| 9. Date: …………………………….. Signature: ………………………….. | 10. Date: ……………………………. Signature: …………………………… | 11. Date: ……………………………. Signature: …………………………… | 12. Date: ……………………………. Signature: …………………………… |
| 13. Date: …………………………… Signature: ………………………….. | 14. Date: ……………………………. Signature: …………………………… | 15. Date: ……………………………. Signature: …………………………… | 16. Date: ……………………………. Signature: …………………………… |
Activities required before starting maintenance
Warning of electrical voltage
Does not touch the mains plug with wet or damp hands.
- Switch the device off.
- Hold onto the mains plug while pulling the power cable out of the mains socket.
Warning of electrical voltage
Tasks that require the device to be opened must only be carried out by authorized specialist companies or by Trotec.
Refrigerant circuit
Danger
Natural refrigerant propane (R290)!
H220 Extremely flammable gas.
H280 Contains gas under pressure; may explode if heated.
P210 Keep away from heat, sparks, open flames, and other ignition sources. No smoking.
P377 Leaking gas fire: Do not extinguish, unless the leak can be stopped safely.
P410+P403 Protect from sunlight. Store in a well-ventilated place.
- The entire refrigerant circuit is a maintenance-free, hermetically sealed system and may only be maintained or repaired by specialist companies for cooling and airconditioning or by Trotec.
Safety signs and labels on the device
Check the safety signs and labels attached to the device at regular intervals. Replace illegible safety signs!
Cleaning the housing
Clean the housing with a soft, damp, and lint-free cloth. Make sure that no moisture enters the housing. Protect electrical components from moisture. Do not use any aggressive cleaning agents such as cleaning sprays, solvents, or alcohol-based or abrasive cleaners to dampen the cloth.
Visual inspection of the inside of the device for dirt
- Remove the air filter.
- Use a torch to illuminate the openings of the device.
- Check the inside of the device for dirt.
- If you see a thick layer of dust, have the inside of the device cleaned by a specialist company for cooling and air-conditioning or by Trotec.
- Put the air filter back in.

Cleaning the air filter
Note
Ensure that the air filters are neither worn nor damaged. The corners and edges of the air filters must not be deformed or rounded. Before reinserting the air filters, make sure that they are undamaged and dry!
The air filters have to be cleaned as soon as they are dirty. This is brought to light e.g. by a reduced capacity (see chapter Errors and faults).
- Remove the air filter from the device.

- Clean the filter using a slightly damp, soft, lint-free cloth. If the filter is heavily contaminated, clean it with warm water mixed with a neutral cleaning agent.

- Allow the filter to dry completely. Do not insert a wet filter into the device!
- Reinsert the air filter into the device.

Emptying the condensation tank
If the condensation tank is full or not installed correctly, the BUCKET FULL indicator light (12) will be illuminated. The compressor and fan will switch off.
- Take the condensation tank out of the device.

- Empty the condensation tank over a drain or sink.

- Rinse the tank with clear water. Clean the tank regularly using a mild cleaning agent (no detergent!).
- Refit the condensation tank into the device. Make sure not to damage the float when inserting or removing the condensation tank.
In doing so, make sure that the float is positioned correctly.
In doing so, make sure that the condensation tank is inserted correctly, for otherwise the device cannot be switched back on.
Activities required after maintenance
If you want to continue using the device:
- Leave the device to rest for 12 to 24 hours, so the refrigerant can accumulate within the compressor. Wait for 12 to 24 hours before switching the device back on! Acting contrary might lead to compressor damage and a malfunctioning device. If so, any warranty claims will be voided.
- Reconnect the device to the mains.
If you do not intend to use the device for a considerable time:
- Store the device according to the Transport and storage chapter.
Technical annex
Technical data
| Parameter | Value |
| Model | TTK 75 E |
| Dehumidifying capacity max. | 30 l / 24 h |
| Air flow rate | 185m3/h max. |
| Operating range (temperature) | 5 °C to 32 °C |
| Operating range (relative humidity) | 30 % to 90 % RH |
| Pressure suction side | 1.2 MPa |
| Pressure outlet side | 2.4 MPa |
| Max. permissible pressure | 2.6 MPa |
| Mains connection | 220 – 240 V ~ 50 Hz |
| Max. power consumption | 420 W |
| Nominal current | 1.8 A |
| Refrigerant | R290 |
| Amount of refrigerant | 86 g |
| GWP factor | 3 |
| CO2 equivalent | 0.000258 t |
| Water tank | 3 l |
| Sound pressure level | 43 dB (A) |
| Dimensions (length x width x height) | 245 x 340 x 570 mm |
| Minimum distance to walls and other objects A: top B: rear C: side D: front | 45 cm 45 cm 45 cm 45 cm |
| Weight | 12.5 kg |
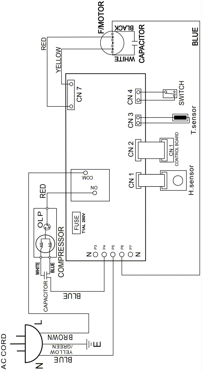
Wiring diagram

Overview of spare parts
Spare parts list
| No. | Spare Part | No. | Spare Part | No. | Spare Part |
| 1 | Base Pan | 17 | Switch | 33 | Decorative Plates |
| 2 | Turning Wheel | 18 | Capacitor | 34 | Decorative Plates |
| 3 | Compressor Ass’y | 19 | Fix Metal | 35 | Power Wiring Buckle |
| 4 | Rubber | 20 | Gear | 36 | Front Panel |
| 5 | Suction Pipe | 21 | Strike | 37 | Rear Panel |
| 6 | Discharge Pipe | 22 | Capillary Tube | 38 | Drain Bucket |
| 7 | Plate | 23 | Sensor | 39 | Tank Lid |
| 8 | Drainage Pan | 24 | Fix Tube | 40 | Handle |
| 9 | Evaporator Ass’y | 25 | Capacitor | 41 | Van Air Deflector |
| 10 | Condenser Ass’y | 26 | Electric Box | 42 | Intake Grille |
| 11 | Fan Casing Box | 27 | Protect Cover | 43 | Soft Cap |
| 12 | Fan Motor | 28 | Control Board | 44 | Plug |
| 13 | Blower Wheel | 29 | PC Board | 45 | Soft Cap |
| 14 | Fan Tank | 30 | Fix Tube | 46 | Top Cover |
| 15 | Discharge Grille | 31 | Sensor (For Evaporator Ass’y) | 47 | Handle |
| 16 | Magnet Iron | 32 | Power Supply Cord Completed Ass’y | ||
Disposal
The icon with the crossed-out waste bin on waste electrical or electronic equipment stipulates that this equipment must not be disposed of with the household waste at the end of its life. You will find collection points for free return of waste electrical and electronic equipment in your vicinity. The addresses can be obtained from your municipality or local administration. You can also find out about other return options that apply for many EU countries on the website https://hub.trotec.com/?id=45090.Otherwise, please contact an official recycling center for electronic and electrical equipment authorized for your country.
The separate collection of waste electrical and electronic equipment aims to enable the re-use, recycling, and other forms of recovery of waste equipment as well as to prevent negative effects on the environment and human health caused by the disposal of hazardous substances potentially contained in the equipment.
Have the refrigerant (propane) disposed of appropriately and according to the national regulations by a company with the relevant certification (European Waste Catalogue 160504).
Trotec GmbH
Grebbener Str. 7 D-52525 Fleinsberg )
+49 2452 962-400 66
+49 2452 962-200
[email protected]
www.trotec.com































