Trotec TTR200 desiccant dehumidifier

You can download the current version of the instructions and the EU declaration of conformity via the following link:
TTR 200
https://hub.trotec.com/?id=39700
TTR 300

https://hub.trotec.com/?id=39701
Notes regarding the instructions
Symbols
- Warning of electrical voltage
This symbol indicates dangers to the life and health of persons due to electrical voltage. - Warning of hot surface
This symbol indicates dangers to the life and health of persons due to hot surface. - Warning
This signal word indicates a hazard with an average risk level which, if not avoided, can result in serious injury or death. - Caution
This signal word indicates a hazard with a low risk level which, if not avoided, can result in minor or moderate injury. - Note
This signal word indicates important information (e.g. material damage), but does not indicate hazards. - Info
Information marked with this symbol helps you to carry out your tasks quickly and safely. - Follow the manual
Information marked with this symbol indicates that the instructions must be observed.
Safety
Read this manual carefully before starting or using the device. Always store the manual in the immediate vicinity of the device or its site of use.
Warning
Read all safety warnings and all instructions. Failure to follow the warnings and instructions may result in electric shock, fire and/or serious injury. Save all warnings and instructions for future reference.
This appliance can be used by children aged from
8 years and above and persons with reduced physical, sensory or mental capabilities or lack of experience and knowledge if they have been given supervision or instruction concerning use of the appliance in a safe way and understand the hazards involved.
Children shall not play with the appliance. Cleaning and user maintenance shall not be made by children without supervision.
Warning
Children of less than 3 years should be kept away unless continuously supervised.
Children aged from 3 years and less than 8 years shall only switch on/off the appliance provided that it has been placed or installed in its intended normal operating position and they have been given supervision or instruction concerning use of the appliance in a safe way and understand the hazards involved.
Children aged from 3 years and less than 8 years shall not plug in, regulate and clean the appliance or perform user maintenance.
Warning
This device is not equipped with a room temperature controller. Do not use the device in small rooms if persons are present who cannot leave the room independently and who are not under constant supervision.
- Do not use the device in potentially explosive rooms or areas and do not install it there.
- Do not use the device in aggressive atmosphere.
- Only put up the device in an upright, stable position on firm ground.
- Let the device dry out after a wet clean. Do not operate it when wet.
- Do not use the device with wet or damp hands.
- Do not expose the device to directly squirting water.
- Ensure sufficient lighting at the device.
- Never insert any objects or limbs into the running device.
- Do not cover or transport the device during operation.
- Do not sit on the device.
- This appliance is not a toy! Keep away from children and animals. Do not leave the device unattended during operation.
- Check accessories and connection parts for possible damage prior to every use of the device. Do not use any defective devices or device parts.
- Ensure that all electric cables outside of the device are protected from damage (e.g. caused by animals). Never use the device if electric cables or the power connection are damaged!
- The electrical connection must correspond to the specifications on the nameplate. Additionally, information regarding the electrical connection is provided in the technical annex.
- Insert the mains plug (if any) into a properly secured mains power socket.
- Observe the device’s power input, cable length and intended use when selecting extensions to the power cable. Completely unroll extension cables. Avoid electrical overload.
- If you do not use the device for extended periods of time, switch the device off and disconnect it from the mains.
- Before maintenance, care or repair work disconnect the device from the mains and secure it against unauthorized restart.
- Before carrying out maintenance, care or repair work on the device, remove the mains plug from the mains socket. Hold onto the mains plug while doing so.
- Do not under any circumstances use the device if you detect damages on the mains plug or power cable.
If the power cable is damaged, it must be replaced by the manufacturer, its service agent or similarly qualified persons in order to avoid a hazard.
Defective power cables pose a serious health risk! - When positioning the device, observe the minimum distances from walls and other objects as well as the storage and operating conditions specified in the technical annex.
- Make sure that the air inlet and outlet are not obstructed.
- Make sure that the suction side is kept free of dirt and loose objects.
- Do not use the device in immediate proximity to curtains, beds or sofas.
- Do not place the device on combustible ground.
- Do not remove any safety signs, stickers or labels from the device. Keep all safety signs, stickers and labels in legible condition.
- Do not use this device near bathtubs, shower trays, swimming pools or other water containers. Risk of electric shock!
- Allow the device to cool down before transport and/or maintenance work.
- Only transport the device in an upright position.
- Do not use the device any more once it has been dropped.
- The device must not be positioned directly beneath a wall socket.
Intended use
The desiccant dehumidifiers of the TTR series are only to be used for dehumidifying atmospheric air. Any other use possibly exceeding the intended purpose is considered to be improper use.
Intended use comprises:
- Observing all the information in the instructions
- Compliance with the inspection and maintenance tasks
- Observing the permissible operating and surrounding conditions according to the technical data (see Technical annex).
The following minimum requirements must be met:
- Permissible ambient temperature: -20 °C to +40 °C
- Relative humidity: max. 95 % non-condensing
After consultation with Trotec other operating conditions are possible with respectively modified versions.
Improper use
- Dehumidifiers are not suited for the installation on or the intake of fluids, e.g. from filled tanks, tubs or flooded installation areas.
- If supplying the system with contaminated air, the
“harmful influences on rotors” must be observed! - Any unauthorized modifications, alterations or structural changes to the device are forbidden.
- Any other use than the one described in the chapter
“Intended use” is regarded as reasonably foreseeable misuse.
Symbols on the device
| Symbols | Meaning |
![]() | This symbol located on the device indicates that it is prohibited to place objects (such as towels, clothes etc.) above or directly in front of the device. In order to avoid overheating and fire hazards, the device must not be covered! |
Personnel qualifications
People who use this device must:
- Be aware of the dangers that occur when working with electric devices in damp areas.
- Have read and understood the instructions, especially the Safety chapter.
Instructed person
Instructed persons have been informed of the tasks they were entrusted with as well as of potential hazards resulting from inappropriate behaviour. They are allowed to operate and transport the device and perform simple maintenance activities (cleaning the housing, cleaning the fan).
The device is to be maintained and looked after by instructed personnel.
Residual risks
- Warning of electrical voltage
Work on the electrical components must only be carried out by a qualified electrician! - Warning of electrical voltage
Make sure to de-energize the device before starting work on electrical components.
Hold onto the mains plug while pulling the power cable out of the mains socket. - Warning of hot surface
Some parts of this product can become very hot and cause burns. Particular attention has to be given where children and vulnerable people are present! - Warning
Dangers can occur at the device when it is used by untrained people in an unprofessional or improper way!Observe the personnel qualifications! - Warning
The device is not a toy and does not belong in the hands of children. - Warning
Risk of suffocation!
Do not leave the packaging lying around. Children may use it as a dangerous toy. - Warning
In order to avoid overheating and fire hazards, the device must not be covered! - Note
Do not operate the device without an air filter inserted into the air inlet!
Without the air filter, the inside of the device will be heavily contaminated. This could reduce the performance and result in damage to the device. - Note
Dirt accumulating inside the rotor can substantially reduce the dehumidification performance or damage the rotor beyond repair.
Supplying the system with contaminated air might damage the rotor. Observe the information regarding “Harmful influences on rotors”. - Note
After a power failure the device will restart automatically provided that it was not switched off in the meantime. This behaviour is desired and necessary to ensure operation with little supervision.
Behavior in the event of an emergency
- Switch off the device.
- In an emergency, disconnect the device from the mains feed-in: Hold onto the mains plug while pulling the power cable out of the mains socket.
- Do not reconnect a defective device to the mains.
Information about the device
General description
Dehumidifiers operating on the desiccant principle are used to tackle drying tasks in the field of process engineering,
air-conditioning, on construction sites and for the dehumidification of production and storage facilities, where a particularly low humidity level is required over a broad temperature range.
The desiccation technique enables the safe and economic operation even at low operating temperatures.
The desiccant dehumidifier works with a desiccant wheel
(rotor), which is composed of layers of smooth and corrugated non-woven fabric with chemically bonded silica gel. Thus created is a honeycomb structure with a large number of axial air ducts with a large surface and direct connection to the inner pore structure of the silica gel.
On account of the desiccant wheel’s good mechanical and physical properties no silica gel is discharged. It may be supplied with saturated air with a relative humidity of up to 100 % but not with water drops. The rotor is incombustible.
Design
The general structure of a dehumidification unit is as follows:
- Fans for air transport
- At least two different sectors for guiding the process air (to be dehumidified) and the regeneration air (moist exhaust air)
- Rotor desiccant wheel for the dehumidification with silica gel
- Drive unit with gear motor, toothed belt pulley and toothed belt
- Heater battery for heating regeneration air
During dehumidification the desiccant wheel turns continuously at a low speed (depending on the configuration 3 to 30 rotations per hour). Via the sectors the desiccant wheel is simultaneously charged with the process and regeneration air so it can constantly absorb and release moisture.
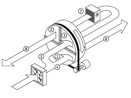
Functional principle TTR 200 / TTR 300
Process air
The air to be dehumidified is sucked in by means of a fan and divided into two air flows: process air (4) and regeneration air (5).
The process air (4) flows through the desiccant wheel’s dehumidification sector (1). In doing so, the contained moisture is withdrawn by the sorbent (silica gel) and retained (desiccation).
After having passed the sector, the now dried air (6) is emitted to the room.
Regeneration air
The second air current (5) is guided through the purging sector as regeneration air. This sector serves for the recovery of the desiccation heat generated during dehumidification.
At the same time the desiccant wheel is cooled leading to a reduced energy input and improved dehumidification performance – especially at lower dew points.
Subsequently, the air current is led through a heater battery (7) and heated to approx. 100 to 120 °C (depending on the intake temperature). Simultaneously, the relative humidity is extremely reduced.
In passing through the regeneration sector (2), the thus prepared air now again absorbs the moisture retained by the silica gel (desorption). Then the extremely humid regeneration air (8) is discharged to the outside via the humid air outlet.
Device depiction


| No. | Designation |
| 9 | Carrying handle |
| 10 | Dry air outlet |
| 11 | Feet |
| 12 | Operating element |
| 13 | Connection cable |
| 14 | Air inlet grid with coarse particulate air filter |
| 15 | Humid air outlet |
Optional accessories
Further accessories are available for the operation of the dehumidifier:
- Hose adapter to be assembled to the air inlet grid (14)
- Air filter box with pipe/hose connection for Z-line filters G4 to F9
- 3-way dry air distributor
- Hygrostat with Tuchel plug for connection socket (18)
- Combined counter for operating hours and energy consumption (TTR 300 only)
For more information on features and order conditions please contact the Trotec customer service.
Transport and installation
To make the device easier to transport, it is fitted with a carrying handle.
Note
If you store or transport the device improperly, the device may be damaged.
Note the information regarding transport and storage of the device.
Note
Device may be damaged by vibration!
Excessive vibrations can result in damage to the device.
Therefore, protect it against excessive vibrations,
e.g. abrupt positioning or dropping, during transport. Always protect the device from slipping during transport.
Only lift or carry the device at the provided fixtures.
Positioning
- Inside the room to be dehumidified:
- The device works in recirculation mode, the regeneration air must be fed from outside and the regeneration exhaust air must be led outside.
- Outside the room to be dehumidified:
- The device can be connected in either recirculation or ventilation mode. A connection of the dry air to the room to be dehumidified must be established.
Storage
When the device is not being used, observe the following storage conditions:
- Dry and protected from frost and heat
- In an upright position where it is protected from dust and direct sunlight
- With a cover to protect it from invasive dust, if necessary
- When not in use, always disconnect the device from the power supply.
- Up to 4 devices may be stacked on top of one another to save space.
- Secure stacks against toppling over.
Assembly and installation
- The pipes or hoses used must be designed for the available static compression of the fans. The air hoses should preferably be laid in a straight line and at full length.
- The regeneration exhaust air line must be laid with a slight decline so that possibly accumulating condensate cannot flow back into the device or obstruct the air flow. If an incline cannot be avoided, it is necessary to establish a condensate drain. As preventive action, the exhaust air pipe may be insulated.
- To prevent an immediate neutralization with the moist exhaust air, the humid air outlet should be guided away with a minimum distance of approx. 1 m in case of direct-intake devices.
Scope of delivery
The scope of delivery of the device contains:
- 1 x Dehumidifier
- 1 x Connection cable
- 1 x Instructions
There are further accessories optionally available, which can be obtained from the Trotec customer service.
Default settings
Generally, air conditioning units are equipped with one or more fans, which must be over dimensioned accordingly to overcome resistances caused by pipes or appliances. Usually, their speed cannot be adjusted. In order to set the air quantities required for the application, a hydraulic compensation must be carried out by means of throttle valves installed in front of or behind the fan. This, however, results in an unnecessary and often considerable increase in the noise level and energy consumption.
This device has one integrated variable-speed high-performance fan for each air current supplying the nominal volumetric flow rates of the dry air and regeneration air at maximum speed despite the air hoses (approx. 10 m length each) being connected.
Moreover, for heating the regeneration air, the device has an installed heater battery generating heat by means of ceramic PTC semiconductor elements. The latter have a maximum surface temperature of approx. 240 °C, which they try to maintain. The temperature-dependent resistance, which rises rapidly as of a certain value (Curie temperature) when the heat reduction decreases, causes self-regulating effects of the heating current consumption, i.e. when the air temperature rises and/or the air volume decreases, the current consumption is reduced (and vice versa). Furthermore, a destruction caused by overheating, for instance due to a lack of regeneration air, can be virtually ruled out.
In order to reach a preferably low outlet humidity level with a minimum dry air volume or to achieve the highest dehumidification performance with a maximum dry air volume, it is important to set the regeneration air volume correctly. The air volume must be adjusted until the value specified as optimum heating current is indicated on the ammeter.
For all other applications with low requirements regarding the dehumidification performance and dry air volume, the fan speed may be decreased until the value specified as minimum heating current is indicated on the ammeter. This allows you to achieve very good dehumidification results at minimum energy input.
Operation
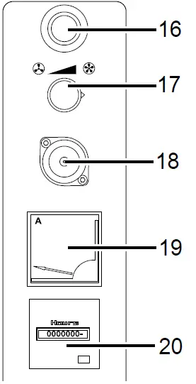
Operating element

| No. | Designation | Meaning |
| 16 | Mains switch | Switching the device on and off |
| 17 | Fan speed controller | Setting the fan speed for dry air |
| 18 | Socket for external hygrostat | Connection for hygrostat operation |
| 19 | Ammeter | Indication of electric current |
| 20 | Operating hours counter | Indication of operating hours |
Switch-on
Switch the device on by actuating the mains switch (16). The integrated indicator light lights up.
Switch-off
Switch the device off by actuating the mains switch (16). The integrated indicator light goes off.
Remote operation
Switch the device on by actuating the mains switch (16). The integrated indicator light lights up. Connect an external switch or external switching device, e.g. a hygrostat or timer, to the socket (18) with the suitable Tuchel plug (optional accessory). Always observe the information contained in the circuit diagram (see Technical annex). All electrical loads are now switched on or off by the external switch as needed. The indicator light of the mains switch remains illuminated regardless of the switching state and indicates that the control unit is activate. In hygrostat operation, air circulation may in some cases be necessary at the point of moisture measurement. In this case, the fan can be configured for permanent operation by replugging a plug contact at the integrated relay. This operation may only be carried out by an electrically skilled person. If required, please contact the Trotec customer service.
Adjusting the air volume
Using the speed controller (17) you can adjust the speed of the fans. Turn the button to the right to increase the air flow rate and to the left for reducing it.
Errors and faults
| Error | Diagnosis | Potential cause | Remedy |
| Dry air shows | Rotor drive | Check rotor | |
| no | defective | drive | |
| temperature | and have it | ||
| increase | repaired | ||
| if necessary | |||
| Ammeter | Heating | Renew heating | |
| No dehumidi- | indicates | defective | |
| fication | strongly | ||
| deviating | |||
| values | |||
| Ammeter | Regeneration | Check for free | |
| indicates | air current is | air flow, check | |
| deviating | insufficient | fan, clean or | |
| values | renew air filter |
Service and repair
Warning
Risk of death due to improper repair!
Never try to make any modifications or repairs on the device. Unauthorised modifications can lead to serious injuries or death. Have a certified specialist workshop perform the repair work.
Repair work may only be carried out by trained specialist staff!
In case of a technical problem please try to rule out handling or application errors before contacting our customer service.
For further questions regarding the function and operation of the dehumidifier as well as for more information in the case of an error or else for warranty issues we are of course always happy to be of service.
Please contact:
Trotec GmbH
Grebbener Straße 7
D-52525 Heinsberg
Tel.: +49 (0) 2452 / 962-400
Fax.: +49 (0) 2452 / 962-200
E-mail: [email protected]
www.trotec.de
Maintenance
Activities required before starting maintenance
Warning of electrical voltage
Do not touch the mains plug with wet or damp hands.
- Switch the device off.
- Hold onto the mains plug while pulling the power cable out of the mains socket.
Warning of electrical voltage
Tasks which require the housing to be opened must only be carried out by authorized specialist companies or by Trotec.
Note
Device may be damaged by improper cleaning! Only clean the inside with a damp cloth or with compressed air. Do not bring any fluids into the inside of the device!
The surface of the device housing is finished with an easy-to-clean powder coating. Therefore, dirt can only adhere poorly and can be easily removed with a damp cloth.
Cleaning of the inside and integrated components may only be carried out by trained personnel or by the Trotec customer service.
Note
Device may be damaged by improper handling! Cleaning, maintenance and repair work on electrical and mechanical components may only be carried out by trained personnel or by the Trotec customer service!
The device is designed for long hours of operation with minimum maintenance effort. Safe operation of the device requires all built-in components to be checked and cleaned after 6 months at the latest or after every 4,000 operating hours as well as all damaged components to be replaced.
Filter change
Warning
Risk of injury due to fan!
Make sure to switch the device off and secure it against unintentional start-up before you remove the air filter – especially if the fan’s inlet opening is freely accessible.
The filter change intervals depend on the degree of air pollution and the filter quality. Dirty filters impair the performance ability of the dehumidifier. For this reason, they should be checked once a week (or daily in construction areas) and cleaned or replaced if required.
- Pull the filter cover off with a slight jerk and remove the filter mat.

- Clean the filter using a slightly damp, soft, lint-free cloth. If the filter is heavily contaminated, clean it with warm water mixed with a neutral cleaning agent.
Info
Ex factory the device comes equipped with a reusable filter mat (PPI30). It can be cleaned by tapping and washing it out.

- Allow the filter to dry completely. Do not insert a wet filter into the device!
Note
Device may be damaged by liquid.
Before reinserting the air filter, make sure it has dried completely. Otherwise there is a risk of the fan sucking in liquid leading to a short circuit and consequential damage. - Reinsert the air filter into the device.

Harmful influences on rotors
Some of the substances and compounds listed below are typical examples for substances dissolving the honeycombed silica gel rotors or else negatively affecting the dehumidification performance.
The sorption rotor should not be charged with air which is contaminated with the following or similar substances. Even minor concentrations in the air can have lasting harmful effects on the rotor material and the sorption capacity.
The listed substances remain in the rotor material or the rotor elements and can bring about the following effects:
- Reduced performance owing to the clogging of the silica gel’s pores
- Reduced performance owing to the chemical reaction with the silica gel
Moreover, the intake air must not contain any particles of substances with a melting point of less than 200 °C.
A) Inorganic substances (examples)
| No. | Substances | Chemical formula | Effects |
| 1 | lithium chloride | LiCl | reduced productivity of the silica gel1) |
| 2 | sodium hydroxide | NaOH | destruction of the silica gel structure |
| 3 | potassium hydroxide | KOH | destruction of the silica gel structure |
| 4 | sodium chloride | NaCl | reduced productivity of the silica gel1 |
| 5 | potassium chloride | KCl | reduced productivity of the silica gel1 |
| 6 | calcium chloride | CaCl2 | reduced productivity of the silica gel1) |
| 7 | magnesium chloride | MgCl2 | reduced productivity of the silica gel1) |
| 8 | ammonia | NH3 | destruction of the silica gel structure |
| 9 | hydrofluoric acid | HF | destruction of the mechanical strength of the rotor material |
| 10 | aluminum chloride | AlCl3 | reduced productivity of the silica gel1) |
| 11 | sea water | reduced productivity of the silica gel1) | |
| 12 | steam with a high temperature | destruction of the silica gel structure | |
| 13 | softener | clogging of the silica gel’s pores | |
| 14 | strong acids | pH ≤ 2…3 | destruction of the mechanical strength of the rotor material |
| 15 | bases | pH ≥ 7…8 | destruction of the sorption capacity of the silica gel |
| 16 | amines | R-NH2 | reduced productivity of the silica gel1) |
B) Organic substances (examples)
The solvents or volatiles listed below have a high boiling point and a low vapor pressure. Provided these substances are adsorbed by silica gel, they remain in the material on a permanent basis.
| No. | Substances | Chemical formula | Effects |
| 1 | oil mist | clogging of the silica gel’s pores | |
| 2 | cyclohexanone | C6H10O | reduced productivity of the silica gel1) |
| 3 | isopropyl alcohol | CH3H8O | reduced productivity of the silica gel1) |
| 4 | o-xylene | C8H10 | reduced productivity of the silica gel1) |
| 5 | m-xylene | C8H10 | reduced productivity of the silica gel1) |
| 6 | p-xylene | C8H10 | reduced productivity of the silica gel1) |
| 7 | phenol | C6H5OH | reduced productivity of the silica gel1) |
| 8 | o-dichlorobenzenes | C6H4Cl2 | reduced productivity of the silica gel1) |
| 9 | methyl bromide | CH3Br | reduced productivity of the silica gel1) |
| 10 | glycerin | C3H8O3 | reduced productivity of the silica gel1) |
Disposal
The icon with the crossed-out waste bin on waste electrical or electronic equipment stipulates that this equipment must not be disposed of with the household waste at the end of its life. You will find collection points for free return of waste electrical and electronic equipment in your vicinity. The addresses can be obtained from your municipality or local administration. You can also find out about other return options that apply for many EU countries on the website https:// hub.trotec.com/?id=45090 Otherwise, please contact an official recycling centre for electronic and electrical equipment authorized for your country. The separate collection of waste electrical and electronic equipment aims to enable the re-use, recycling and other forms of recovery of waste equipment as well as to prevent negative effects for the environment and human health caused by the disposal of hazardous substances potentially contained in the equipment.
Technical annex
Technical data
| Parameter | Value* | |
| TTR 200 | TTR 300 | |
| Article number | 1.110.000.010 | 1.110.000.015 |
| EAN number | 4.052.138.007.464 | 4.052.138.007.471 |
| Dehumidification capacity | 0.35 kg/h | 0.68 kg/h |
| Operating range, dry air | 40 to 120 m3/h | 80 to 280 m3/h |
| Nominal dry air flow rate / static pressure | 80 m3/h / 50 Pa | 200 m3/h / 200 Pa |
| Nominal humid air flow rate / static pressure | 15 m3/h / 30 Pa | 30 m3/h / 50 Pa |
| Intake temperature | -15 °C to +35 °C | -15 °C to +35 °C |
| Ambient temperature | -20 °C to +40 °C | -20 °C to +40 °C |
| Electrical connection | 200 – 240 V / 50/60 Hz | 200 – 240 V / 50/60 Hz |
| Max. current consumption | 2.1 A | 4.6 A |
| Heating current min. / opt. / max. | 1.1 / 1.6 / 1.9 A | 2.4 / 3.2 / 3.6 A |
| Length approx. | 305 mm | 355 mm |
| Width approx. | 260 mm | 310 mm |
| Height approx. | 285 mm | 355 mm |
| Weight | 9 kg | 12 kg |
| Dry air connection | 80 mm | 100 mm |
| Humid air connection | 38 / 50 mm | 50 mm |
| Sound pressure level (distance 1 m) | 60 dB(A) | 61 dB(A) |
| * based on 20 °C / 60 % RH | ||
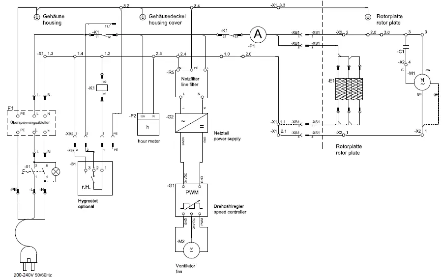
Circuit diagram TTR 200

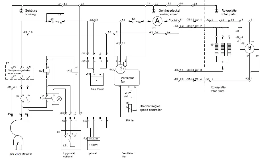
Circuit diagram TTR 300

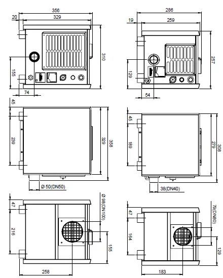
Dimensions TTR 200
Dimensions TTR 300

Spare parts drawing and list TTR 200
Info
The position numbers of the spare parts differ from those describing the positions of the components mentioned in these instructions.
| Item | Designation | Article number | Item | Designation | Article number |
| 1 | Basic housing | P 1000 2118 | 17 | Protective cap | P 1000 1053 |
| 2 | Cover | P 1000 2119 | 18 | Ammeter | P 1000 1058 |
| 3 | Panel | P 1000 2120 | 19 | Operating hours counter | P 1000 1245 |
| 4 | Rotor cassette | P 1000 2121 | 20 | Cable bushing | P 1000 1247 |
| 5 | ADS filter hood | P 1000 2124 | 21 | Filter mat | P 1000 0670 |
| 6 | Rubber tensioner | P 1000 1059 | 22 | Gear motor | P 1000 1160 |
| 7 | Heating frame | P 1000 2123 | 23 | Toothed belt pulley | P 1000 1239 |
| 8 | Handle | P 1000 1246 | 24 | Pressure spring | P 1000 1055 |
| 9 | Fan | P 1000 0536 | 25 | Heating body | P 1000 1270 |
| 10 | Power adapter | P 1000 1208 | 26 | Heating element | P 1000 1268 |
| 11 | Relay | P 1000 0195 | 27 | Toothed belt | P 1000 1258 |
| 12 | Switch | P 1000 1376 | 28 | Rotor | P 1000 1218 |
| 13 | Speed controller | P 1000 0291 | 29 | Rubber sleeve | 6100009046 |
| 14 | Rotary button for potentiometer | P 1000 1250 | 30 | Foot | P 1000 0425 |
| 15 | Needle bush | P 1000 1061 | 31 | Lock nut for cable bushing | P 1000 1248 |
| 16 | Connection socket | P 1000 1049 | |||
Spare parts drawing and list TTR 300
Info
The position numbers of the spare parts differ from those describing the positions of the components mentioned in these instructions.

| Item | Designation | Article number | Item | Designation | Article number |
| 1 | Basic housing | P 1000 2127 | 17 | Ammeter | P 1000 1058 |
| 2 | Cover | P 1000 2128 | 18 | Operating hours counter | P 1000 1137 |
| 3 | Panel | P 1000 2129 | 19 | Cable bushing | P 1000 1247 |
| 4 | Rotor cassette | P 1000 2130 | 20 | Filter mat | P 1000 0650 |
| 5 | ADS filter hood | P 1000 2133 | 21 | Gear motor | P 1000 1160 |
| 6 | Rubber tensioner | P 1000 1059 | 22 | Toothed belt pulley | P 1000 1240 |
| 7 | Heating frame | P 1000 2132 | 23 | Pressure spring | P 1000 1055 |
| 8 | Handle | P 1000 1246 | 24 | Heating body | P 1000 1269 |
| 9 | Fan | P 1000 0576 | 25 | Heating element | P 1000 1276 |
| 10 | Relay | P 1000 0195 | 26 | Toothed belt | P 1000 1065 |
| 11 | Switch | P 1000 1376 | 27 | Rotor | P 1000 1036 |
| 12 | Potentiometer | P 1000 1751 | 28 | Rubber sleeve | 6100009046 |
| 13 | Rotary button for potentiometer | P 1000 1250 | 29 | Foot | P 1000 0425 |
| 14 | Needle bush | P 1000 1061 | 30 | Mounting clip for relay | P 1000 0196 |
| 15 | Connection socket | P 1000 1049 | 31 | Lock nut for cable bushing | P 1000 1248 |
| 16 | Protective cap | P 1000 1053 | |||
Declaration of Conformity
In accordance with the EC Machinery Directive 2006/42/EC, Annex II Part 1 Section A
We, Trotec GmbH, hereby declare that the design of the machine has been developed, constructed and manufactured in accordance with the applicable EU directives and that it complies with the basic safety and health requirements. This declaration is only valid in the version we have put into circulation.
Function
Type
additional directives
applied harmonized standards
applied national standards and technical specifications
Manufacture
Adsorption Air Dehumidifier
TTR
2020
2014/30/EU EMV-Richtlinie/EMC Directive/Directive CEM 2011/65/EU RoHS-Richtlinie/ RoHS Directive/ Directive LdSD
EN ISO 12100:2010
EN ISO 13849-1:2015
EN ISO 13857:2008
EN 60204-1:2018
EN 60335-1:2012 / AC:2014 / A11:2014 / A13:2017
EN 60335-2-40:2003 / A11:2004 / A12:2005 / A1:2006
EN 60335-2-40:2003 / A2:2009 / A1:2011 / A13:2012
EN 60335-2-40:2003 / AC:2006 / AC:2010 / AC 2013
EN 61000-6-1:2007
EN 61000-6-3:2007/ A1:2011 / AC :2012
EN 55011:2016 / A1:2017 / A11:2020
EN 55014-1:2017 / A11 :2020
EN ISO 14118:2018
Trotec GmbH
Grebbener Strasse 7
DE52525 Heinsberg
Documents/Documentation F+E / R&D department

























