
TTK 900 MP

ORIGINAL INSTRUCTIONS
DEHUMIDIFIER
Notes regarding the instruction
Symbols
Danger
This symbol indicates dangers to the life and health of persons due to flammable refrigerants.
Warning of electrical voltage
This symbol indicates dangers to the life and health of persons due to electrical voltage.
Warning
This signal word indicates a hazard with an average risk level that, if not avoided, can result in serious injury or death.
Caution
This signal word indicates a hazard with a low-risk level which, if not avoided, can result in minor or moderate injury.
Note
This signal word indicates important information (e.g. material damage), but does not indicate hazards.
Info
Information marked with this symbol helps you to carry out your tasks quickly and safely
Follow the manua
Information marked with this symbol indicates that the instructions must be observed
You can download the current version of the instructions and the EU declaration of conformity via the following link
https://hub.trotec.com/?id=44937
Safety
Read this manual carefully before starting or using the device. Always store the manual in the immediate vicinity of the device or its site of use.
Warning
Read all safety warnings and all instructions.
Failure to follow the warnings and instructions may result in electric shock, fire, and/or serious injury.
Save all warnings and instructions for future reference.
This appliance can be used by children aged 8 years and above and persons with reduced physical, sensory or mental capabilities or lack of experience and knowledge if they have been given supervision or instruction concerning the use of the appliance in a safe way and understand the hazards involved.
Children shall not play with the appliance. Cleaning and user maintenance shall not be made by children without supervision
- Do not use the device in potentially explosive rooms or areas and do not install it there.
- Do not use the device in an aggressive atmosphere.
- Only put up the device in an upright, stable position on firm ground.
- Let the device dry out after a wet clean. Do not operate it when wet.
- Do not use the device with wet or damp hands.
- Do not expose the device to directly squirting water.
- Never insert any objects or limbs into the device.
- Do not cover the device during operation.
- Do not sit on the device.
- This appliance is not a toy. Keep away from children and animals. Do not leave the device unattended during the operation.
- Check accessories and connection parts for possible damage prior to every use of the device. Do not use any defective devices or device parts.
- Ensure that all electric cables outside of the device are protected from damage (e.g. caused by animals). Never use the device if electric cables or the power connection are damaged!
- The main connection must correspond to the specifications in the technical annex.
- Insert the mains plug into a properly fused mains socket.
- Observe the device’s power input, cable length, and intended use when selecting extensions to the power cable. Completely unroll extension cables. Avoid electrical overload.
- Before carrying out maintenance, care, or repair work on the device, remove the main plug from the main socket. Hold onto the mains plug while doing so.
- Switch the device off and disconnect the power cable from the main socket when the device is not in use.
- Do not under any circumstances use the device if you detect damages on the mains plug or power cable. If the power cable is damaged, it must be replaced by the manufacturer, its service agent, or similarly qualified persons in order to avoid a hazard. Defective power cables pose a serious health risk!
- When positioning the device, observe the minimum distances from walls and other objects as well as the storage and operating conditions specified in the Technical Annex.
- Make sure that the air inlet and outlet are not obstructed.
- Make sure that the suction side is kept free of dirt and lost objects.
- Do not remove any safety signs, stickers, or labels from the device. Keep all safety signs, stickers, and labels in legible condition.
- Only transport the device in an upright position with an emptied condensation tank or drain hose.
- Discharge the collected condensate before transport and storage. Do not drink it. health hazard
Safety warnings for devices containing flammable refrigerant
- Only position the device in rooms where potentially leaking refrigerant cannot accumulate.
- Only position the device in rooms where there is no source of ignition (e.g. open flames, an active gas appliance, or an electric heater).
- Please note that the refrigerant is odorless.
- Only install the device in compliance with the national installation regulations.
- Observe the national gas regulations.
- Only install, operate and store the device TTK 900 MP in a room measuring more than 4 m2.
- Store the device in a way that no mechanical damage can occur.
- Please note that the connected pipelines must not contain any sources of ignition.
- R454C comes with a low GWP factor (Global Warming Potential) of 146 and an ODP (ozone depletion potential) of 0.
- Observe the maximum refrigerant capacity in the technical data.
- Do not drill through or burn.
- Do not use any means other than those recommended by the manufacturer for accelerating the defrosting process.
- Every person working with or at the refrigerant circuit must be able to provide a certificate of qualification issued by a body accredited by the industry, demonstrating their competence in the safe use of refrigerants based on a procedure well-known in the industry.
- Service work may only be carried out in accordance with the manufacturer’s specifications. If maintenance and repair work requires the support of additional persons, the person trained in handling flammable refrigerants shall continuously supervise the work carried out.
- Unventilated rooms, in which the device is installed, operated, or stored, must be built in a way to ensure that potentially leaking refrigerant cannot accumulate. This serves to avoid fire or explosion hazards resulting from an ignition of the refrigerant by an electric furnace, cooking stove, or another ignition source.
- The entire refrigerant circuit is a maintenance-free, hermetically sealed system and may only be maintained or repaired by specialist companies for cooling and air- conditioning or by Trotec
Intended use
Only use the device like a mobile construction dryer for drying and dehumidifying room air (e.g. after water damage from burst pipes or flooding) whilst adhering to the technical data. The construction dryer can be used at low temperatures of about 5 °C.
Intended use comprises:
- drying and dehumidifying:
– production plants, underground rooms
– store rooms, archives, laboratories
– rooms and areas after water damage from burst pipes or flooding - maintaining the dryness of:
– instruments, devices, files
– electric control devices, boiler plants, turbines, and pipe systems in power plants
– moisture-sensitive loads etc.
Foreseeable misuse
- Do not place the device on wet or flooded ground.
- Do not place any objects, e.g. clothing, on the device.
- Do not use the device out of doors.
- Do not make any unauthorized modifications, alterations, or structural changes to the device.
- Any use other than the intended use is regarded as a reasonably foreseeable misuse.
Personnel qualifications
People who use this device must:
- be aware of the dangers that occur when working with
electric devices in damp areas. - have read and understood the instructions, especially the Safety chapter.
Maintenance tasks that require the housing to be opened must only be carried out by specialist companies for cooling and air-conditioning or by Trotec
Safety signs and labels on the device
Note
Do not remove any safety signs, stickers, or labels from the device. Keep all safety signs, stickers, and labels in legible condition.
The following safety signs and labels are attached to the device:
TTK 900 MP
WARNING
The appliance shall be installed, operated, and stored in a room with a floor area larger than 4 m2
Follow the manual
This symbol indicates that the operating manual must be observed.
Follow the repair manual
Disposal, maintenance, and repair work of the refrigerant circuit may only be carried out in accordance with the manufacturer’s specifications and by persons having a certificate of qualification.
A corresponding repair manual is available from the manufacturer upon request
Residual risks
Danger
Refrigerant R454C!
H220 – Extremely flammable gas.
H280 – Contains gas under pressure; may explode if heated.
P210 – Keep away from heat, sparks, open flames, and other ignition sources. No smoking.
P381 – Eliminate all ignition sources if safe to do so.
P403 – Store in a well-ventilated place.
Warning of electrical voltage
Work on the electrical components must only be carried out by an authorized specialist company!
Warning of electrical voltage
Before any work on the device, remove the main plug from the main socket!
Do not touch the mains plug with wet or damp hands.
Hold onto the mains plug while pulling the power cable out of the mains socket.
Warning
Dangers can occur to the device when it is used by untrained people in an unprofessional or improper way! Observe the personnel qualifications!
Warning
The device is not a toy and does not belong in the hands of children.
Warning
Risk of suffocation!
Do not leave the packaging lying around. Children may use it as a dangerous toy.
Note
Do not operate the device without an air filter inserted into the air inlet!
Without the air filter, the inside of the device will be heavily contaminated. This could reduce the performance and result in damage to the device.
Behavior in the event of an emergency
- Switch the device off.
- In an emergency, disconnect the device from the mains feed-in: Hold onto the mains plug while pulling the power cable out of the mains socket.
- Do not reconnect a defective device to the mains
Information about the device
Device description
The device uses the principle of condensation to automatically dehumidify rooms.
The fan sucks damp room air through the air inlet, the air filter, the evaporator, and to the condenser located behind it. The air is cooled at the cold evaporator until it is below the dew point. Water vapor contained in the room air precipitates on the evaporator fins as condensation or rime. The dehumidifier cooled air is slightly warmed at the condenser and blown out again. The drier air thus conditioned mixes with the air in the room. The humidity in the room where the device is positioned is reduced as air constantly circulates through the device. The condensate is discharged through a pressure-resistant pipe connection by means of a condensation drain hose. For the collection you can for instance place a sufficiently dimensioned collection container beside the construction dryer.
Optionally, the condensed water can also be discharged from the device by means of a retrofitted condensate pump (see chapter Installing the condensate pump).
For easy operation and transport, the device is fitted with an on/off switch, a ventilation level switch, an operating hours counter, a transport handle, and wheels. Two feet with rubber buffers prevent the device from rolling away.
The device can reduce the relative humidity of a room to approx. 35 %.
Because of the heat radiation generated during operation, the room temperature may rise slightly.
The device is equipped with VarioDry technology. Using VarioDry, the air volume flow can be adjusted to the temperature and relative humidity of the operating environment
Device depiction
![]() | ![]() |
| No. | Designation |
| 1 | Transport handle |
| 2 | Wheels |
| 3 | VarioDry function selector switch |
| 4 | On/off switch |
| 5 | Air filter |
| 6 | Power cable |
| 7 | Power cable holder |
| 8 | Operating hours counter |
| 9 | Air outlet |
| 10 | Foot with rubber buffers |
| 11 | Condensation hose connection |
| 12 | Air inlet with a slot for air filter |
Transport and storage
Note
If you store or transport the device improperly, the device may be damaged.
Note the information regarding the transport and storage of the device.
Transport
Please note that additional transport regulations might apply to devices containing flammable refrigerants. The equipment’s arrangement and the maximum number of components to be transported together can be gathered from the applicable transport regulations.
To make the device easier to transport, it is fitted with a transport handle and two wheels.
Before transporting the device, observe the following:
- Switch the device off.
- Hold onto the mains plug while pulling the power cable out of the mains socket.
- Drain the remaining condensate from the device and the condensation drain hose (see chapter Maintenance).
- Do not use the power cable to drag the device.
- Do not incline the device by more than 45°, for otherwise the device could be damaged.
- Only wheel the device on a level and smooth surface.
- To carry the device up or down stairs, lift it by the transport handle and by the foot. Ask another person to help you.
After transporting the device, proceed as follows: - Set up the device in an upright position after transport.
Storage
Before storing the device, proceed as follows:
- Drain the remaining condensate from the device and the condensation drain hose (see chapter Maintenance).
- Hold onto the mains plug while pulling the power cable out of the mains socket.
- Drain any possibly remaining condensate.
When the device is not being used, observe the following storage conditions: - Only store the device in a room measuring more than 4 m2.
- Only position the device in rooms where there is no source of ignition (e.g. open flames, an active gas appliance or an electric heater).
- dry and protected from frost and heat
- in an upright position where it is protected from dust and direct sunlight
- with a cover to protect it from invasive dust, if necessary
- Place no further devices or objects on top of the device to prevent it from being damaged.
Assembly and start-up
Scope of delivery
- 1 x Device
- 1 x Air filter
- 1 x Condensation drain hose, 14 mm diameter
- 1 x Manual
Unpacking the device
- Open the cardboard box and take the device out.
- Completely remove the packaging.
- Fully unwind the power cable. Make sure that the power cable is not damaged and that you do not damage it during unwinding.
Start-up
When positioning the device, observe the minimum distance from walls or other objects as described in the chapter Technical annex.

- Before restarting the device, check the condition of the power cable. If there are doubts as to the sound condition, contact the customer service.
- Only position the device in rooms where potentially leaking refrigerant cannot accumulate.
- Only position the device in rooms where there is no source of ignition (e.g. open flames, an active gas appliance, or an electric heater).
- Only put up the device in an upright, stable position on firm ground.
- Do not create tripping hazards when laying the power cable or other electric cables, especially when positioning the device in the middle of the room. Use cable bridges.
- Make sure that extension cables are completely unrolled.
- When positioning the device, keep a sufficient distance from heat sources.
- Make sure that no curtains or other objects interfere with the airflow.
- When positioning the device, particularly in wet areas, secure it locally with an RCD (residual current device) that complies with the respective regulations.
Relocating the transport handle
Depending on your requirements, the transport handle can be installed horizontally or vertically. To adjust the position of the transport handle, carry out the following steps on both sides of the device:
- Unscrew or loosen the screw (14).
- Remove the screw (13).

- Turn the transport handle by 90°.

- Insert the screw (13) in the rivet (15).
- Tighten the screws (14, 15).
Inserting the air filter
Note
Do not operate the device without an air filter inserted into the air inlet!
Without the air filter, the inside of the device will be heavily contaminated. This could reduce the performance and result in damage to the device.
• Make sure that the air filter is installed before switching the device on.

Positioning the condensation drain hose
- Connect the condensation drain hose to the condensation hose connection (10) at the device.
- Make sure that the condensation drain hose is properly connected to the device and free of damage.
- Depending on the application, position the end of the condensation drain hose as follows:
Place a sufficiently dimensioned container (at least 90 liters) beside the device and insert the hose end. Check the filling level of the container regularly.
Position the end of the condensation drain hose above a water drain. For larger distances, a longer hose of the same type can also be used.
The device can also be operated with a condensate pump. Contact your Trotec customer service. - Make sure that the condensation drain hose is installed with a continuous decline.

Installing the condensate pump (optional)
![]() | ![]() |


Operation
- Avoid open doors and windows.
- After being switched on, the device operates fully automatically.
- Set the desired or required fan stage. You can make a distinction between cool environments with humidity levels above 30 % RH (high air volume flow) and warm environments with low humidity levels (low air volume flow).
- During operation with an external hygrostat (optional) the fan continues to run in dehumidification mode until the device is switched off even after having reached the set target value.
Operating elements

| No. | Designation | Meaning |
| 3 | VarioDry function selector switch | Selecting the VarioDry operating mode |
| 4 | On/off switch | For switching the device on and off |
| 8 | Operating hours counter | Indication of operating hours |
| 16 | Symbol | Low air volume flow for high temperatures (< 30 % RH) |
| 17 | Symbol | High air volume flow for low temperatures (> 30% RH) |
| 18 | OFF position | Device switched off |
| 19 | ON position | Device switched on |
| 20 | Hygrostat connection | Connection for hygrostat operation (optional) |
Switching the device on
Once you have completely installed the device as described in the chapter Assembly and start-up, you can switch it on.
- Make sure that the condensation drain hose has been properly laid and connected. Do not create tripping hazards.
- Make sure that the condensation drain hose is neither kinked nor jammed and that there are no objects on the condensation drain hose.
- Make sure that the condensate can run off properly.
- Turn the on/off switch (4) to the ON position (19).
The device is switched on.
The compressor always starts with a delay of approx. 7 s.
The fan starts approx. 10 s after that.
Continuous operation mode
In continuous operation mode, the device dehumidifies the air constantly, regardless of the humidity.
VarioDry
In the VarioDry operating mode, the device can be adjusted to the desired operating environment:
- Water damage: low air volume flow in case of a high temperature and low relative humidity (< 30 % RH)
- Construction drying: high air volume flow in case of a low temperature and high relative humidity (> 30% RH)
Please proceed as follows to select the VarioDry operating mode:
- For use in case of water damage, turn the VarioDry function selector switch (3) to the symbol
(16). - For use in the case of construction drying, turn the VarioDry function selector switch (3) to the symbol
(17).
Hygrostat operation mode (optional)
Note
Before connecting the hygrostat, switch the device off and remove the main plug from the main socket.
The device can also be operated with a hygrostat. The hygrostat switches the device on or off depending on the relative humidity.
If you choose to operate the device with an optional hygrostat, set the desired relative humidity at the hygrostat (see operating manual of the optional hygrostat).
In doing so, observe the switching point. Provided the external hygrostat activates the compressor via the set humidity value, then the hygrostat and drying unit operate correctly.
You can tell the incorrect operation of the external hygrostat if the compressor of the device operates below the set value and switches off above it. In this case, you need to open the hygrostat (HG 110) and reconnect the connections (an explanation is provided inside the cover of the HG 110)
Automatic defrost
At low ambient temperatures, ice may form at the evaporator during dehumidification. The device will then carry out an automatic defrost. Dehumidification is briefly interrupted during defrosting. The fan keeps running.
The duration of the defrost process can vary. Do not switch off the device during automatic defrost. Do not remove the main plug from the main socket.
Shutdown
Warning of electrical voltage
Do not touch the mains plug with wet or damp hands.
- Switch off the device.
- Hold onto the mains plug while pulling the power cable out of the mains socket.
- If necessary, remove the condensation drain hose and any residual fluid from it.
- Clean the device according to the Maintenance chapter.
- Store the device according to the Transport and storage chapter.
Available accessories
Warning
Only use accessories and additional equipment specified in the instructions.
Using insertion tools or accessories other than those specified in the instructions may cause a risk of injury.
| Designation | Article number |
| Room hygrostat HG 110 | 6.100.002.044 |
| Condensate pump TTK 900 MP incl.installation kit | 6.100.003.030 |
| Air filter TTK 900 MP | 7.160.000.013 |
Errors and faults
The device has been checked for proper functioning several times during production. If malfunctions occur nonetheless, check the device according to the following list.
The device does not start:
- Check the power connection.
- Check the power cable and mains plug for damage.
- Check the on-site fusing.
- If you operate the device with a hygrostat (optional), check the set value. In order for the construction dryer to operate, the humidity level at the installation site needs to be higher than the set value. Set the hygrostat to a lower value.
The device is running, but there is no formation of condensate:
- Check whether the condensation drain hose is positioned correctly.
- When using the condensate pump: Check the condensation tank and hoses for dirt.
- Ensure that the relative room humidity complies with the technical data. If necessary, switch to another fan stage (according to chapter Operation).
- If you operate the device with a hygrostat (optional), check the set value. In order for the construction dryer to operate, the humidity level at the installation site needs to be higher than the set value. Set the hygrostat to a lower value.
- Check the air filter for dirt. If necessary, clean or replace the air filter.
- From the outside, check the condenser for dirt (see chapter Maintenance). If the condenser is dirty, have it cleaned by a specialist company or by Trotec.
The device is loud or vibrates:
- Check whether the device is set up in a stable and upright position. Condensate is leaking:
- Check the device for leaks.
The compressor does not start:
- Check the room temperature. Observe the device’s permissible operating range according to the technical data.
- Check whether the overheating protection of the compressor has tripped. Disconnect the device from the mains and let it cool down for approx. 10 minutes before reconnecting it.
- The device might carry out an automatic defrost. During automatic defrost, the device does not dehumidify. The device gets very warm, is loud, or is losing performance:
- Check the air inlets and air filters for dirt. Remove external dirt.
- From the outside, check the device for dirt (see chapter Maintenance). If the inside of the device is dirty, have it cleaned by a specialist company for cooling and air- conditioning or by Trotec.
The device still does not operate correctly after these checks:
Please contact customer service. If necessary, bring the device to a specialist company for cooling and air-conditioning or to Trotec for repair
Maintenance
Maintenance intervals
| Maintenance and care interval | before every start-up | as needed | at least every 2 weeks | at least every 4 weeks | at least every 6 months | at least annually |
| Empty the condensate pump, condensation tank and construction dryer and clean if necessary | X | |||||
| Check air inlets and outlets for dirt and foreign objects and clean if necessary | X | x | ||||
| Clean the exterior | X | X | ||||
| Visually check the inside of the device for dirt | X | X | ||||
| Clean the inside with compressed air | X | X | ||||
| Check air inlet grid and air filter for dirt and foreign objects and clean or replace if necessary | X | X | ||||
| Clean the air filter, and replace if necessary | X | X | ||||
| Check for damage | x | |||||
| Check the attachment screws | x | X | ||||
| Test run | X |
Maintenance and care log
Device type: ………………………………………Device number: ………………………………
| Maintenance and care interval | 1 | 2 | 3 | 4 | 5 | 8 | 7 | 8 | 9 | 10 | 11 | 12 | 13 | 14 | 15 | 18 |
| Empty the condensate pump, condensation tank, and construction dryer and clean if necessary | ||||||||||||||||
| Check air inlets and outlets for dirt and foreign objects and clean if necessary | ||||||||||||||||
| Clean the exterior | ||||||||||||||||
| Visually check the inside of the device for dirt | ||||||||||||||||
| Clean the inside with compressed air | ||||||||||||||||
| Check air inlet grid and air filter for dirt and foreign objects and clean or replace if necessary | ||||||||||||||||
| Clean the air filter, and replace if necessary | ||||||||||||||||
| Check for damage | ||||||||||||||||
| Check the attachment screws | ||||||||||||||||
| Test run | ||||||||||||||||
| Remarks: | ||||||||||||||||
| 1. Date. ………………………… Signature: ………………………………. | 2. Date: …………………………………… Signature: ………………………. | 3. Date: …………………………. Signature: ………………………. | 4. Date:. Signature: |
| 5. Date: ………………………… Signature: ………………………………. | 6. Date: …………………………………… Signature: ………………………. | 7. Date: …………………………. Signature: ………………………. | 8. Date: Signature: |
| 9. Date: …………………………………… Signature: ………………………………. | 10. Date:………………………………….. Signature: ………………………. | 11. Date: …………………………………. Signature: ………………………. | 12. Date: Signature: |
| 13. Date: ……………………….. Signature: ………………………………. | 14. Date:………………………………….. Signature: ………………………. | 15. Date: …………………………………. Signature: ………………………. | 16. Date: Signature: |
Activities required before starting maintenance
Warning of electrical voltage
Do not touch the mains plug with wet or damp hands.
- Switch the device off.
- Hold onto the mains plug while pulling the power cable out of the mains socket.
Warning of electrical voltage
Tasks that require the device to be opened must only be carried out by authorized specialist companies or by Trotec.
Refrigerant circuit
Danger
Refrigerant R454C!
H220 – Extremely flammable gas.
H280 – Contains gas under pressure; may explode if heated.
P210 – Keep away from heat, sparks, open flames, and other ignition sources. No smoking.
P381 – Eliminate all ignition sources if safe to do so.
P403 – Store in a well-ventilated place.
- The entire refrigerant circuit is a maintenance-free, hermetically sealed system and may only be maintained or repaired by specialist companies for cooling and air- conditioning or by Trotec.
Safety signs and labels on the device
Check the safety signs and labels attached to the device at regular intervals. Replace illegible safety signs!
Cleaning the housing
Clean the housing with a soft, damp, and lint-free cloth. Make sure that no moisture enters the housing. Protect electrical components from moisture. Do not use any aggressive cleaning agents such as cleaning sprays, solvents, or alcohol-based or abrasive cleaners to dampen the cloth.
Visual inspection of the inside of the device for dirt
- Remove the air filter.
- Use a torch to illuminate the openings of the device.
- Check the inside of the device for dirt.
- If you see a thick layer of dust, have the inside of the device cleaned by a specialist company for cooling and air- conditioning or by Trotec.
- Put the air filter back in

Cleaning the air filter
Note
Ensure that the air filter is not worn or damaged. The corners and edges of the air filter must not be deformed or rounded. Before reinserting the air filter, make sure that it is undamaged and dry! The air filter has to be cleaned as soon as it is dirty. This is brought to light e.g. by a reduced capacity (see chapter Errors and faults).
- Remove the air filter from the device

- Clean the filter using a slightly damp, soft, lint-free cloth. If the filter is heavily contaminated, clean it with warm water mixed with a neutral cleaning agent

- Allow the filter to dry completely. Do not insert a wet filter into the device!
- Reinsert the air filter into the device.

Cleaning the inside with compressed air
Warning
Risk of injury caused by ejected compressed air upon activation of the compressed air supply.
Hold the compressed-air hose away from your body.
Pointing the compressed-air hose at another person is prohibited.
Note
If required, you can carefully clean the heat exchanger with a compressed-air cleaner. Select a low-pressure stage in order to prevent damaging the heat exchanger.
The housing has to be completely removed in order to perform cleaning and maintenance tasks inside the device.
- Loosen and remove the screws on both sides of the device.

- Loosen and remove the screws at the device front

- Loosen and remove the screws at the rear of the device

- Keep the screws safe for later use.
- Fully unwind the power cable. If required, remove the condensation drain hose from the device.
- Lift the housing of the base frame and the cooling system by the transport handle

- Carefully set the housing aside.
- Clean the interior of the device by means of compressed air.
- Reassemble the housing on the base frame and cooling system. Finally retighten all screws.
Activities required after maintenance
If you want to continue using the device:
- Reconnect the device to the mains.
If you do not intend to use the device for a considerable time: - Store the device according to the Transport and storage chapter
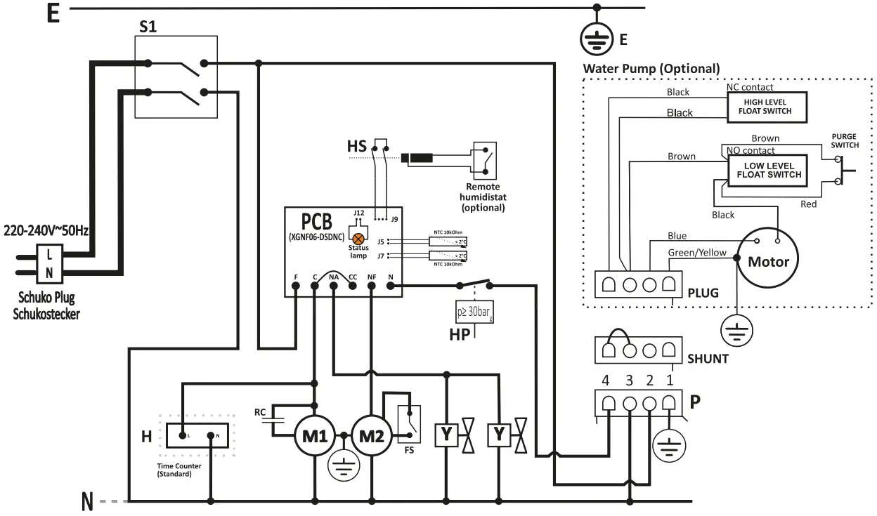
Wiring diagram TTK 900 MP
With operating hours counter

| E – Earthing / Erdung N – Common Line / Gemeinsame L – Line / AuRenleiter Si – On-Off Switch / Gerateschalter 0/1 MI – Compressor / Kompressor HP – High pressure switch/ Hochdruckschalter M2 – Fan motor / Luftermotor | FS – Fan Speed Switch / Schalter Lifftergeschwindigkeit Y – Two Way Valve (x2) / Abtau-Magnetventil (x2) RC – Running Capacitor / Motorbetriebskondensator H – Time Counter (Standard)/ Zeit Zahler (Standard) P – Water Pump Socket / Wasserpumpe Stockdose HS – Humidistat Socket / Hygrostat Stockdose |
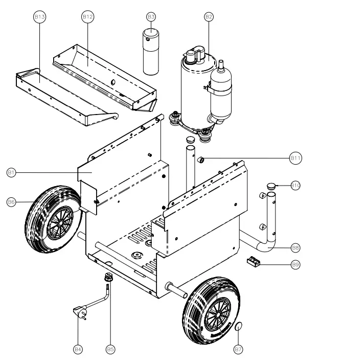
Overview of spare parts and spare parts list TTK 900 MPHousing
Note: The position numbers of the spare parts differ from those describing the positions of the components mentioned in these instructions
| ITEM NO. | PART NUMBER | QTY. | ITEM NO. | PART NUMBER | QTY. |
| H1 | Top panel | 1 | H8 | Tubular handle screw | 4 |
| H2 | Right panel | 1 | H9 | Saddle spacer | 4 |
| H3 | Left panel | 1 | H10 | Round insert | 2 |
| H4 | Front panel | 1 | H11 | Latch | 4 |
| H5 | Rear panel | 1 | H12 | Insulating foam | 1 |
| H6 | Pump kit dummy cover | 1 | H13 | Housing screw | 22 |
| H7 | Tubular handle | 1 | H14 | Hole finishing cap | 22 |
Base frame with components
Note: The position numbers of the spare parts differ from those describing the positions of the components mentioned in these instructions.

| ITEM NO. | PART NUMBER | QTY. | ITEM NO. | PART NUMBER | QTY. |
| C1 | Sealed electronic controller | 1 | C6 | Defrost valve coil | 2 |
| C2 | Body sheet metal | 1 | C7 | Fan bracket | 1 |
| C3 | Evaporating coil | 1 | C8 | Fan | 1 |
| C4 | Top insulating plate | 1 | C9 | Cooling system baseplate | 1 |
| C5 | Defrost valve | 2 | |||
Cooling system
Note: The position numbers of the spare parts differ from those describing the positions of the components mentioned in these instructions
| ITEM NO. | PART NUMBER | QTY. | ITEM NO. | PART NUMBER | QTY. |
| C1 | Sealed electronic controller | 1 | C6 | Defrost valve coil | 2 |
| C2 | Body sheet metal | 1 | C7 | Fan bracket | 1 |
| C3 | Evaporating coil | 1 | C8 | Fan | 1 |
| C4 | Top insulating plate | 1 | C9 | Cooling system baseplate | 1 |
| C5 | Defrost valve | 2 | |||
Operating element
Note: The position numbers of the spare parts differ from those describing the positions of the components mentioned in these instructions

| ITEM NO. | PART NUMBER | QTY. | ITEM NO. | PART NUMBER | QTY. |
| D1 | Control’s box | 1 | D7 | Remote humidistat socket | 1 |
| D2 | Control’s cover | 1 | D8 | Control’s box internal wiring | 1 |
| D3 | Electronic controller | 1 | D9 | Unit’s internal wiring | 1 |
| D4 | On/Off switch | 1 | 010 | Shunt water pump | 1 |
| D5 | Time counter | 1 | 011 | Control pannel label | 1 |
| D6 | On/Off Fan speed switch | 1 |
Disposal
The icon with the crossed-out waste bin on waste electrical or electronic equipment stipulates that this equipment must not be disposed of with the household waste at the end of its life. You will find collection points for free return of waste electrical and electronic equipment in your vicinity. The addresses can be obtained from your municipality or local administration. You can also find out about other return options that apply to many EU countries on the website https://hub.trotec.com/?id=45090. Otherwise, please contact an official recycling center for electronic and electrical equipment authorised for your country. The separate collection of waste electrical and electronic equipment aims to enable the re-use, recycling, and other forms of recovery of waste equipment as well as to prevent negative effects on the environment and human health caused by the disposal of hazardous substances potentially contained in the equipment.
The device is operated with fluorinated greenhouse gas which can be dangerous for the environment and contribute to global warming when emitted into the atmosphere.
Further information is provided on the nameplate.
Dispose of the refrigerant appropriately and according to the national regulations
Declaration of conformity
Declaration of conformity in accordance with the EC Machinery Directive 2006/42/EC, Annex II, Part 1, Section A We – Trotec GmbH – declare in sole responsibility that the product designated below was developed, constructed, and produced in compliance with the requirements of the EC Machinery Directive in the version 2006/42/EC. Product Model / Product: TTK 900 M
Product type: dehumidifier
Year of manufacture as of 2021
Relevant EU directives:
- 2011/65/EU: 01/07/ 2011
- 2012/19/EU: 24/07/2012
- 2014/30/EU: 29/03/2014
- 2015/863/EU: 31/03/201
Applied harmonized standards:
- EN 55014-1:201
- EN 60335-2-40:2003/A1:2006
- EN 60335-2-40:2003/A2:2009
- EN 60335-2-40:2003/A11:2004
- EN 60335-2-40:2003/A12:2005
- EN 60335-2-40:2003/A13:201
- EN 60335-2-40:2003+A11:2012+AC:2013
- EN 60335-2-40:2003/AC:2006
- EN 60335-2-40:2003/AC:2010
- EN 61000-3-3:2013
Applied national standards and technical specifications:
• EN 55014-2:2015
• EN 61000-3-3:2013/A1:2019
• EN 60335-1:2012/A1:2019
• EN 60335-1:2012/A2:2019
• EN 60335-1:2012/A14:2019
• IEC 60335-2-40:2018
• EN IEC 61000-3-2:2019
Manufacturer and name of the authorised representative of the technical documentation:
Trotec GmbH
Grebbener Straße 7, D-52525 Heinsberg
Phone: +49 2452 962-400
E-mail: [email protected]
Place and date of issue: Heinsberg, 01.07.2021
Detlef von der Lieck, Managing Director
Trotec GmbH
Grebbener Str. 7
D-52525 Heinsberg
+49 2452 962-400
+49 2452 962-200
[email protected]
www.trotec.com![]()


































