Aprilaire 1710A Dehumidifier

Instruments you will need to complete troubleshooting:
- Digital Multi-Meter (DMM) capability of measuring
- AC and DC voltage
- Resistance
- Capacitance
- Temperature Meter for air temperature
- Humidity Meter for air RH
Minimum tools needed to complete troubleshooting:
- Phillips screwdriver (#2) or drill driver with #2 Phillips bit
- Small (terminal) flat head screwdriver
- Needle nose pliers
- Level (to troubleshoot water leak claims)
Note: Do not hook up refrigeration gauges to the dehumidifier. Use of gauges will result in refrigerant loss and performance loss
Troubleshooting Fault Codes
The red Fault LED on the control board will blink to indicate a fault. The number of blinks determines the fault that was detected – carefully count the number of blinks:
- blink The control board is not receiving a good signal from the thermistor on the sensor arm.
- Turn off power to the dehumidifier using the ON/OFF switch and remove the sensor arm (can be accessed through the filter door). Inspect the pins on the sensor arm, if they are bent they will likely fail so replace the sensor arm.
- Inspect the socket the sensor arm plugs into on the control board – if it wiggles with very little effort, then one or more pins have likely broken from the control board and you will need to replace the control board.
- blinks The control board is not receiving a good signal from the RH sensor on the sensor arm.
- Turn off power to the dehumidifier using the ON/OFF switch and remove the sensor arm (can be accessed through the filter door). Inspect the pins on the sensor arm, if they are bent they will likely fail so replace the sensor arm.
- Inspect the socket the sensor arm plugs into on the control board – if it wiggles with very little effort, then one or more pins have likely broken from the control board and you will need to replace the control board.
- blinks A Model 70 or Model 76 control, wired to the Remote terminals of the control board, had communication, but has now stopped communicating.
- Use the color of the wire connected to the A, B, + and – (on the Model 76, the “+” and “-“ terminals are labeled “R/+” and “C/-“) terminals on both the base of the Model 70 or 76 and the dehumidifier control board to verify that they are wired correctly. Make sure the terminal screws on both the control board and the Model 70 or 76 base are tight.
Note: The Model 76 has two “DH” terminals – these should not be used when it is wired to the Remote terminals on the control board. - If connections are correct and secure, turn off the dehumidifier and remove the Model 70 or 76 control. Use a short section of 4-wire cable to reconnect the control to the control board to see if there is a problem with the existing wire. Turn the dehumidifier back on. If the “3 blinks” fault continues, the Model 70 or 76 must be replaced, if the fault is gone, then the wire between the control and the dehumidifier must be replaced.
- Use the color of the wire connected to the A, B, + and – (on the Model 76, the “+” and “-“ terminals are labeled “R/+” and “C/-“) terminals on both the base of the Model 70 or 76 and the dehumidifier control board to verify that they are wired correctly. Make sure the terminal screws on both the control board and the Model 70 or 76 base are tight.
- blinks The temperature of the suction line, as sensed by the Frost Sensor, has not dropped at least 5°F lower than the incoming air temperature in 20 minutes. The two reasons that this would happen is that the compressor is not running, or the refrigeration system is not operating properly.
- Turn the ON/OFF switch OFF, and turn the control knob to OFF to reset the fault.
- Turn the ON/OFF switch back ON and after 10 seconds, turn the control knob to Test. The dehumidifier blower will turn on for 3 minutes with the green Status LED blinking, and then the compressor will turn on with the green Status LED staying on continuously.
You should be able to hear the compressor kick in.
If the compressor doesn’t start (go to step 3), there is an electrical issue to address. Ifthe compressor does start (go to step 4), then you will need to verify that the refrigeration system is working properly.
If the compressor doesn’t start- Turn the control knob to OFF and the ON/OFF switch to OFF.
- Remove the front panel of the dehumidifier.
- Verify that the brown and orange wires are connected to the power board. Verify that two brown wires are connected to one pole of the run capacitor and one red wire is connected to the other pole. Give each wire a light tug to make sure all connections are sound.
- If any of the wires were disconnected, place the front panel back on (do not secure with screws yet), turn the ON/OFF switch ON and turn the control knob to Test to verify the compressor starts. If it starts, go to step 4 to verify the performance of the refrigeration system before leaving. If it still does not start, continue to the next step (d.).
- If none were disconnected, continue to the next step (d.).
- Turn the ON/OFF switch back ON. With the front panel still off, stay clear of the blower motor and turn the control knob to Test. When the green Status LED on the control board turns on continuously, you should a hear the “click” of the compressor relay and see that the red LED on the power board that is labeled “COMP” is on. There should be two red LED’s lit on the power board: the FAN LED and the COMP LED.
If the COMP LED is not on, turn the ON/OFF switch OFF and disconnect the two black high temperature switch wires from the power board. Verify continuity (resistance near zero) across the two high temperature switch wires. If there is no continuity, the high temperature switch will need to be replaced. If there is continuity, reconnect the switch wires and turn the ON/OFF switch back ON.
For older power boards, the high temperature switch and ribbon cable are connected to a daughter board that attaches to the power board. Disconnect the high temperature switch wires and verify that the daughter board is securely attached to the power board and that the socket on the daughter board is not loose. If the socket is loose replace the daughter board.
DO NOT MEASURE RESISTANCE OR DO A CONTINUITY CHECK OF THE HIGH TEMPERATURE SWITCH WHILE THE SWITCH IS CONNECTED TO THE POWER BOARD DAMAGE TO THE CONTROL CAN OCCUR
If the high temperature switch is good, disconnect the ribbon cable (the ON/OFF switch should be ON) from the control board and use a small piece of solid (not stranded) wire, a paper clip or the leads of an ammeter to touch together pads 4 and 7 on the ribbon cable.
- If the compressor turns on the control board will need to be replaced.
- If the compressor does not turn on, the power board will need to be replaced
- If the COMP LED is on but the compressor is not, measure the voltage at the COMP BRWN and NTRL ORG terminals on the power board.
- If the voltage is 120VAC (nominal) then the problem lies with the run capacitor, the connections at the compressor or the current limiting switch under the compressor cap.
- Disconnect the wires connected run capacitor and the orange wire connected to the power board. Measure the capacitance of the run capacitor – it should be 55 microfarads ± 5% for the 1710A/1750A and 60 microfarads ± 5% for the 1770A. If not, replace the capacitor.
- Measure the resistance across the compressor harness wires. Actual measurements may be a little different, but should be approximately:
- Orange – Red: 1.1Ω, Orange – Brown: 1.9Ω, Red – Brown: 2.7Ω. If the Orange-Red and Orange-Brown measurements are open (infinite) but the Red-Brown measurement is normal, than the compressor overload switch under the compressor cap needs to be replaced. If just one is open, then it is likely a connection at the compressor has come loose – remove the compressor cap and check the terminal connections.
- If the voltage is 0 VAC, inspect the large disk-like component (this is a varistor and it is usually blue or black in color) on the power board right next to the compressor terminals. If this component looks scorched or cracked, replace the power board. If the varistor does not look damaged then the problem is with the control board and it must be replaced.
- If the compressor does start, verify that the refrigeration system is operating sufficiently to prevent a “4-blinks” fault.
- If applicable, disconnect the duct from the discharge of the dehumidifier. Verify that the flap damper on the outlet of the dehumidifier opens/closes freely.
- Verify that there is not a lengthy amount of ductwork (more than 50 feet) attached to the inlet side, that the ductwork is free of obstructions and kinks and that the filter is clean – remove the filter for this test if dirty.
- Ensure the front and back panels are in place and assembled with screws. DO NOT REMOVE PANELS DURING THIS TEST.

- Remove the control door. Disconnect all electricalconnections to the HVAC equipment by removing the HVAC Equipment terminal block from the control board. Disconnect any remote control by removing the REMOTE terminal block.
- Move the LOCAL/EXTERNAL System Setup dip switch on the control board to LOCAL (if the switch is labeled A/B, no need to change the position)
- Adjust the control knob to the highest setting – 7 (do not put the unit in TEST mode as this will allow the compressor run for only one minute) to initiate a dehumidifier call.
- Before the compressor starts, measure the DC voltage across the frost sensor terminals on the control board. Do not disconnect the wires from the terminals when reading the voltage.
The voltage represents a temperature and should be near the temperature of the incoming air. The voltage should start to increase as the coil gets colder.Frost Sensor Voltage (DC) Frost Sensor Temperature (°F) 1.903 35 1.842 40 1.778 45 1.713 50 1.644 55 1.572 60 Frost Sensor Voltage (DC) Frost Sensor Temperature (°F) 1.495 65 1.414 70 1.329 75 1.235 80 1.132 85 1.016 90 - Measure the voltage again after 10 minutes of compressor run time to determine if it has increased. The voltage should increase to indicate a temperature drop of ten degrees (10°) or more. If the inlet air temperature is cold (i.e. around 60°F or lower) the drop may be slightly less than 10°F, but should be more than 5°.
- If there is no temperature drop (no voltage increase) then there is likely a refrigerant leak and the unit will need to be replaced.
- If there is a temperature drop, but not as much as expected, allow the compressor to continue to run an additional 10 minutes and check again.
- If the temperature drop is 10° or more, then continue on to “Verifying Capacity” on page 8 to determine the actual performance
- blinks The temperature of the incoming air is less than 50°F or is higher than 100°F when the compressor is attempting to start. The most likely cause for this failure mode is that the dehumidifier is installed in an application with temperatures outside of the specification for this product or there are leaks in the ductwork causing temperature extremes at the dehumidifier inlet
- Turn the ON/OFF switch OFF and to reset the failure.
- Consider the following for the application:
- All installations – If ducting to the HVAC system, make sure the inlet to the dehumidifieris not ducted to the supply side of the HVAC system.
- Attic installations – Inspect the ductwork attached to the inlet of the dehumidifier for leaks if the ambient temperature is high.
- Basement installations – Low temperature may be offset by mixing air from the home into the dehumidifier.
- Crawlspace space applications – The dehumidifier will correct itself when the low temperature conditions stop.
- Ventilation applications – High or low temperatures may be offset by mixing air from the home into the dehumidifier.
- 6 blinks The signal from the Frost Sensor is out of the allowable range (-20°F to 150°F). The most
likely reason for this fault is a poor connection at the control board or a damaged sensor.- Check the Frost Sensor connections at the control board. Tug on the wires to verify that the quick connect terminals connection to the wires are not loose.
- Remove the front panel and inspect the sensor. If it looks crushed or damaged, replace the sensor.
- With the ON/OFF switch ON and the control knob set to OFF, measure the voltage at the frost sensor terminals. Do not disconnect the wires from the terminals when reading the voltage (see page 5). The voltage should correspond approximately to room temperature in accordance with the tables on page 5.
- blinks The Float Switch input to the control board is open. This will occur if there is a float switch installed, and there is sufficient water in the secondary drain pan to cause the float switch to open, or if the installed float switch is faulty or not the appropriate type (must be a normally open switch that is not powered). If a float switch is not installed, the jumper in the Float Switch terminals is missing or not properly seated.
- Leave the unit ON with the fault code blinking. It will stop blinking without having to turn the unit OFF to reset when the fault has been repaired.
- Drain the water out of the drain pan.
- Remove the Float Switch terminal block from the control board and inspect the terminal block to ensure the wires are properly seated. If a float switch is installed, do a continuity check between the float switch terminals – there should be continuity.
Replace the float switch if needed. - If a jumper is installed, remove the jumper and reinstall paying particular attention to the retention of the wire within the terminal
Verifying Capacity
If the unit is functioning properly, and there are no fault codes present, this procedure can be used if there is concern that the dehumidifier is not removing sufficient moisture. After the dehumidifier
reaches stable operating conditions, measure the inlet air temperature and RH and compare it to the outlet air temperature and RH. Use the graphs provided to convert the inlet and outlet air conditions to air moisture content to calculate if the moisture being removed is near the performance levels shown in the table on page 11. If the inlet air conditions are not within those listed on the table, contact Aprilaire Technical Support Monday through Friday from 7:00 a.m. to 5:00 p.m. CST at (800) 334-6011 forassistance in determining performance. The dehumidifier will not remove moisture if the dew point of the inlet air is 40°F or lower.
- Verify that the flap damper on the outlet of the dehumidifier opens/closes freely.
- Verify that the ductwork is free of obstructions and kinks and that the filter is clean – remove the filter for this test if dirty.
- Ensure the front and back panels are in place and assembled with screws. DO NOT REMOVE PANELS DURING THIS TEST.
- Remove the control door. Disconnect all electrical connections to the HVAC equipment by removing the HVAC Equipment terminal block from the control board.
- Disconnect any remote control by removing the REMOTE terminal block.
- Move the LOCAL/EXTERNAL dip switch on the control board to LOCAL
- Replace the control door.
- Adjust the control knob to the highest setting – 7 (do not put the unit in TEST mode as this will allow the compressor to run for only one minute) to initiate a dehumidifier call. Note: If the dew point of the air is below 40°F, the dehumidifier compressor will not turn on.
- Remove one of the filter doors and insert a temperature/humidity measuring instrument in front of the filter/coil. Close the filter door as much as possible during the reading.
- Allow time for the measuring instrument to get a good, stable reading.
- Record the dry-bulb temperature and RH of the inlet air.
- Find the inlet air moisture content in the graph appropriate for the model being tested below.
- Locate the inlet air temperature at the bottom of the graph and draw a straight line up until you meet the inlet air RH curve then read the moisture content at the left (360 PPD @ 80°, 60% RH for Model 1710A/1750A example shown).
Model 1710A/1750A Moisture Into Dehumidifier at 275 CFM
Model 1770A Moisture Into Dehumidifier at 500 CFM
- Move the temperature/humidity measuring instrument to the discharge of the dehumidifier.
- Allow time for the measuring instrument to get a good, stable reading.
- Record the dry-bulb temperature and RH of the discharge air.
- Find the discharge air moisture content in the graph appropriate for the model being tested below. Use the 1750A graph for the model 1710A. Locate the discharge air temperature at the bottom of the curve and draw a straight line up until you meet the discharge air RH curve then read the moisture content where the two intersect at the left (265 PPD @ 100°, 24% RH example shown).
Model 1710A/1750A Moisture Discharged from Dehumidifier at 275 CF
Model 1770A Moisture Discharged from Dehumidifier at 500 CFM
- Subtract the discharge air moisture content from the inlet air moisture content to determine the amount of moisture being removed by the dehumidifier.
- Inlet Air Moisture ______ ppd @ ___ °F, ___ % RH
- Discharge Air Moisture ______ ppd
- Dehumidifier Capacity______ ppd
- Compare the capacity to the approximate performance in the table below. Performance should be within about 20% of the capacity listed below:

Water Leaks
Water collects in the drain pan below the coils and is directed through the drain tube to the outlet at the outlet side of the dehumidifier. A custom running trap is provided with the dehumidifier that is deeper than a standard running trap – do not use any other trap than what is provided with the unit. The models 1710A, 1750A and 1770A are negative pressure cabinets and the trap prevents air from being pulled in through drain tube and subsequently pushing water back up into the drain pan
- Level the unit front to back, and side to side. The unit may be installed with a slight slope toward the drain outlet, but must be level side to side.
- Turn the ON/OFF switch OFF then remove the front panel from the dehumidifier and examine the insulation on the base to look for any signs of water inside the cabinet. Wipe up any water that has collected in the base.
- Clean the drain trap and clean or replace the drain tubing. The drain tubing must have a continual downward slope to the drain.
IMPORTANT: If using ½” vinyl tubing for the drain line, ensure that there are no upward bends in the tube that could act as a secondary trap – this will cause an air-lock that could prevent the flow of water to the drain. - With the front panel still off, slowly pour a pint of water into the drain pan near the return bends of the coils. After the running trap fills, the water should flow out the drain tube to the drain.
- Plug or raise the drain tube sufficiently high to prevent water from pouring out of the drain tube. Slowly pour in an additional pint of water until the bottom of the drain pan is filled. Allow 15- 20 minutes for the water to stand in the drain pan and look for any signs of leaks from the drain pan and drain tube. Unplug the drain and allow the water to drain out.
- Replace the front panel. Remove one filter door and slide out the filter about 6”.
- Switch the ON/OFF switch ON and turn the control knob to Test.
- After the blower starts, slowly pour another pint of water into the drain pan just below the bottom of the evaporator coil in the area where the filter has been pulled from. This will show that the unit is draining with the highest negative pressure in the cabinet.
Blower Does Not Function
- Make sure the outlet into which the dehumidifier is plugged has 120 VAC available.
- Turn the ON/OFF switch OFF and the control knob to OFF.
- Remove the front panel and disconnect the blue and yellow fan wires from the power board.
- Inspect the large disk-like component (this is a varistor and it is usually blue or black in color) on the power board right next to the fan terminals. If this component looks scorched or cracked, replace the power board.
- Turn the ON/OFF switch to ON and the control knob to TEST and after the green Status LED on the control board starts to flash, measure the AC voltage at the fan terminals on the power board. Use caution as this is line voltage.
- If the FAN LED on the power board is lit and there is 120 VAC at the fan terminals, replace the blower/motor assembly.
- If the FAN LED on the power board is lit and there is 0 VAC, turn the ON/OFF switch OFF and reconnect the fan wires to the power board. Turn the ON/OFF switch back ON and disconnect the ribbon cable from the control board.
Use a small piece of solid (not stranded) wire, a paper clip or the leads of an ammeter to touch together pads 4 and 6 on the ribbon cable.
- If the fan turns on the control board will need to be replaced.
- If the fan does not turn on, the power board will need to be replaced.
Circuit Breaker Trips
- The 1710A and 1750A must be plugged into an outlet served by a 15 amp circuit breaker; the dehumidifier uses approximately 8 amps at high load (i.e. hot and humid) conditions and less at low load conditions.
- The 1770A must be plugged into a 20 amp outlet and be served by a 20 amp circuit breaker; the dehumidifier uses approximately 14 amps at high load (i.e. hot and humid) conditions and less at low load conditions.
- If there are other electrical components that draw a lot of current connected to the same circuit breaker, the circuit may be overloaded and a new circuit should be run to serve the dehumidifier. Consult with a qualified electrical contractor if there are questions as to the suitability of the circuit into which the dehumidifier is plugged.
- If the electrical service is sound, there are two primary reasons why a circuit breaker would trip: a wire has disconnected or the compressor run capacitor is faulty.
- Turn the ON/OFF switch OFF and remove the front panel from the dehumidifier.
- Inspect the electrical connections at the power switch, power board, contactor (Model 1770A only) and run capacitor.
- If none of the wires have been disconnected, remove the wires connected to the run capacitor.
- Measure the capacitance of the run capacitor:
- Model 1710A/1750A – 55 microfarad ± 5%
- Model 1770A – 60 microfarad ± 5%
Parts List

- The backdoor damper (Parft Na. 4918) is compatible with al Models 1730A, and 1770A, but only with Model 1750A with Serial Numbers greater than 2610AA147015.
- Part 4861 is the blue/gray door the almond-colored doors are no longer available.
- Compatible with 4518 Control Board with DH terminal.

DH Terminal implemented on all units with Serial Number 4610AAXXXXXX or later.

DH Terminal implemented on all units with Serial Number 4610AAXXXXXX or later
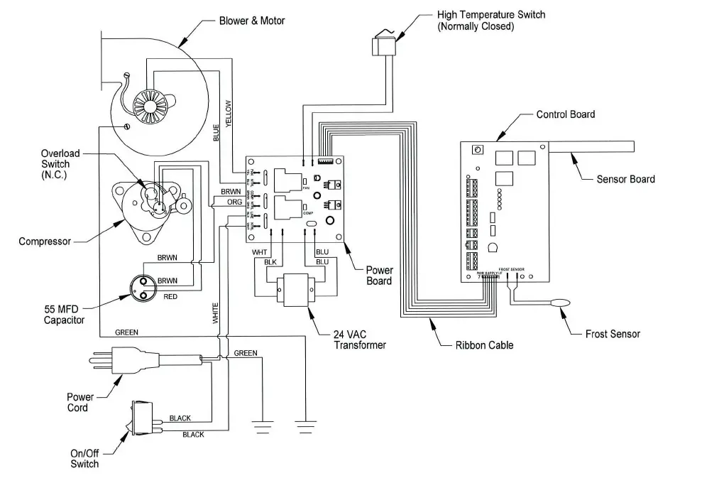
1750A Wiring Schematic
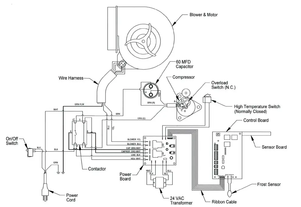
1770A Wiring Schematic































