
TECHNICAL MANUAL
30″ and 36″ Range Hoods
FOREWORD
This Whirlpool Technical Manual (Part No. W11577323 Rev A), provides the In-Home Service Professional with information on how to access the control switch(es) and exhaust motor on 30″ and 36″ Range hoods. For specific information on the model being serviced, refer to the information supplied with the Range Hoods. Always use the Tech Sheet supplied with the product when servicing the Range Hoods.
The Wiring Diagram used in this Technical Manual is typical and should be used for training purposes only.
Always use the Wiring Diagram supplied with the product tech sheet when servicing the Range Hoods.
For specific operating and installation information on the model being serviced, refer to the literature provided with the Range Hoods.
GOALS AND OBJECTIVES
The goal of this Technical Manual is to provide information that will enable the In-Home Service Professional to properly gain access to the control switch(es) and exhaust motor of 30″ and 36″ Range Hoods.
The objectives of this Technical Manual are to:
- Understand and follow proper safety precautions.
- Successfully troubleshoot and diagnose malfunctions.
- Successfully perform necessary repairs.
- Successfully return the Range Hoods to its proper operational status.
WHIRLPOOL CORPORATION assumes no responsibility for any repairs made on our products by anyone other than authorized In-Home Service Professionals.
Your safety and the safety of others are very important.
We have provided many important safety messages in this manual and on your appliance. Always read and obey all safety messages.
This is the safety alert symbol.
This symbol alerts you to potential hazards that can kill or hurt you and others.
All safety messages will follow the safety alert symbol and either the word “DANGER” or “WARNING.”
These words mean:
DANGER You can be killed or seriously injured if you don’t immediately follow instructions.
WARNING You can be killed or seriously injured if you don’t follow instructions.
All safety messages will tell you what the potential hazard is, tell you how to reduce the chance of injury, and tell you what can happen if the instructions are not followed.
Notice to the Technician
It is the responsibility of the Service Technician to comply with all EPA Regulations and Standards and possess all necessary State and Federal licenses when servicing Range Hoods.
Federal regulations and Standards can be found on the United States Government EPA website.
State Regulations and Standards and licensing requirements, in most cases, can be found on the State Government website.
IMPORTANT SAFETY INSTRUCTIONS
WARNING: TO REDUCE THE RISK OF FIRE, ELECTRIC SHOCK, OR INJURY TO PERSONS, OBSERVE THE FOLLOWING:
- Use this unit only in the manner intended by the manufacturer. If you have questions, contact the manufacturer.
- Before servicing or cleaning the unit, switch power off at service panel and lock the service disconnecting means to prevent power from being switched on accidentally. When the service disconnecting means cannot be locked, securely fasten a prominent warning device, such as a tag, to the service panel.
- Installation work and electrical wiring must be done by a qualified person(s) in accordance with all applicable codes and standards, including fire-rated construction.
- Do not operate any fan with a damaged cord or plug.
- Discard fan or return to an authorized service facility for examination and/or repair.
- Sufficient air is needed for proper combustion and exhausting of gases through the flue (chimney) of fuel burning equipment to prevent back-drafting. Follow the heating equipment manufacturer’s guidelines and safety standards such as those published by the National Fire Protection Association (NFPA), the American Society for Heating, Refrigeration and Air Conditioning Engineers (ASHRAE), and the local code authorities.
- When cutting or drilling into a wall or ceiling, do not damage electrical wiring and other hidden utilities.
- Ducted fans must always be vented outdoors.
CAUTION: For general ventilating use only. Do not use to exhaust hazardous or explosive materials and vapors.
CAUTION: To reduce the risk of fire and to properly exhaust air, be sure to duct air outside – do not vent exhaust air into spaces within walls or ceilings, attics or into crawl spaces, or garages.
WARNING: TO REDUCE THE RISK OF FIRE, USE ONLY METAL DUCTWORK.
WARNING: TO REDUCE THE RISK OF A RANGE TOP GREASE FIRE: - Never leave surface units unattended at high settings. Boilovers cause smoking and greasy spillovers that may ignite. Heat oils slowly on low or medium settings.
- Always turn the hood ON when cooking at high heat or when flambeing food (i.e. Crepes Suzette, Cherries Jubilee, Peppercorn Beef Flambé).
- Clean ventilating fans frequently. Grease should not be allowed to accumulate on the fan or filter.
- Use proper pan size. Always use cookware appropriate for the size of the surface element.
WARNING: TO REDUCE THE RISK OF INJURY TO PERSONS IN THE EVENT OF A RANGE TOP GREASE FIRE, OBSERVE THE FOLLOWING:? - SMOTHER FLAMES with a close-fitting lid, cookie sheet, or metal tray, then tum off the burner. BE CAREFUL TO PREVENT BURNS. If the flames do not go out immediately, EVACUATE AND CALL THE FIRE DEPARTMENT.
- NEVER PICK UP A FLAMING PAN – you may be burned.
- DO NOT USE WATER, including wet dishcloths or towels – a violent steam explosion will result.
- Use an extinguisher ONLY if:
- You know you have a class ABC extinguisher, and you already know how to operate it.
- The fire is small and contained in the area where it started,
- The fire department is being called.
- You can fight the fire with your back to an exit.
- used on “Kitchen Fire Safety Tips” published by NFPA.
- WARNING: To reduce the risk of fire or electrical shock, do not use this fan with any solid-state speed control device.
- This appliance is not intended for use by people (including children) whose physical, sensory or mental capacities are different or impaired or who lack the necessary experience or knowledge/expertise to do so, unless such persons are supervised or are trained to operate the appliance by a person who accepts responsibility for their safety.
READ AND SAVE THESE INSTRUCTIONS
Model Nomenclature
Whirlpool® Model Nomenclature
Wiring Diagrams
Wiring Diagram for models WVW53UC6LS, WVW51UC0LS, WVW51UC6LS, WVI51UC0LS, WVI51UC6LS.
Wiring Diagram for models WVW73UC0LS and WVW73UC6LS.
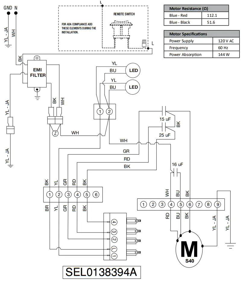
Wiring Diagram for models WVW93UC0LZ, WVW93UC6LZ, WVW93UC0LS, WVW93UC6LS, WVW93UC0LV, and WVW93UC6LV. 
PRODUCT SPECIFICATIONS AND WARRANTY INFORMATION SOURCES
IN THE UNITED STATES:
FOR PRODUCT SPECIFICATIONS AND WARRANTY INFORMATION CALL:
FOR WHIRLPOOL PRODUCTS: 1-800-253-1301
FOR TECHNICAL ASSISTANCE WHILE AT THE CUSTOMER’S HOME CALL:
THE TECHNICAL ASSISTANCE LINE: 1-800-832-7174
HAVE YOUR STORE NUMBER READY TO IDENTIFY YOU AS AN
AUTHORIZED IN-HOME SERVICE PROFESSIONAL
FOR LITERATURE ORDERS (CUSTOMER EXPERIENCE CENTER):
PHONE: 1-800-851-4605
FOR TECHNICAL INFORMATION AND SERVICE POINTERS: www.servicematters.com
IN CANADA:
FOR PRODUCT SPECIFICATIONS AND WARRANTY INFORMATION CALL: 1-800-461-5681
FOR TECHNICAL ASSISTANCE WHILE AT THE CUSTOMER’S HOME CALL: THE TECHNICAL ASSISTANCE LINE: 1-800-488-4791
HAVE YOUR STORE NUMBER READY TO IDENTIFY YOU AS AN AUTHORIZED IN-HOME SERVICE PROFESSIONAL
Range Hoods
W11577323 Rev A


















