
EXHC000G Videotec Explosion Proof Housing
Instruction Manual
About this manual
Read all the documentation supplied carefully before installing and using this product. Keep the manual in a convenient place for future reference.
1.1 Typographical conventions
DANGER! Explosion hazard. Read carefully to avoid danger of an explosion.
DANGER! High-level hazard. Risk of electric shock. Disconnect the power supply before proceeding with any operation, unless indicated otherwise.
CAUTION! Medium level hazard. This operation is very important for the system to function properly. Please read the procedure described very carefully and carry it out as instructed.
INFO Description of system specifications. We recommend reading this part carefully in order to understand the subsequent stages.
Underlined titles Information is subject to certifications.
Notes on copyright and information on trademarks
The mentioned names of products or companies are trademarks or registered trademarks.
Safety rules
DANGER! Explosion hazard. Read carefully to avoid the danger of an explosion.
- Installation and maintenance of the appliance must be carried out by specialist technical staff in compliance with the applicable reference standard EN/IEC 60079-14, EN/IEC 60079-17, and national standards.
- Do not open the device when powered and in an explosive atmosphere.
- Use appropriate tools for the installation. The particular nature of the site where the device is to be installed may mean special tools are required for installation.
- Make all connections, installation, and maintenance work in a non-explosive atmosphere.
- The equipotential connection is mandatory to avoid the risk of ignition of products installed in potentially explosive environments.
- Before powering the product in an explosive atmosphere, ensure the cover is closed correctly.
- The temperature of the surfaces of the device is increased by exposure to direct sunlight. The surface temperature class of the device was determined only with ambient ambient temperature, without taking into consideration direct sunlight.
- Make sure that all the equipment is certified for the application and for the environment in which they will be installed.
- Any change that is not expressly approved by the manufacturer will invalidate the guarantee.
Risk of explosion due to electrostatic discharge.
- The product is intended for fixed installation and the user shall not frequently touch the product in service (other than maintenance).
- Take suitable measures to ensure that no electrostatic discharges can build up in the classified area.
- The device should be cleaned using a damp cloth; compressed air must not be used.
- Make sure that all personnel and equipment are correctly grounded.
- Install only when the environmental relative humidity is over 30% (stable, ever or for long time) or in ambient with the humidity control system.
- Do not install in a location where the electrostatic charge can increase without technical solutions able to avoid the electrostatic charge allowed in IEC/TS 60079-32-1, TR 600079-32-1, and/or in IEC 60079-14 standards. Example:
- Locations near ventilation systems.
- Locations where there is a risk of an increase in electrostatic charge caused by compressed air and dust.
- Locations in the high charge generating processes such as highly charge generating processes, mechanical friction and separation processes of dust, pneumatic powder conveying flow, liquid droplet spraying, or charge spraying application.
DANGER! High-level hazard. Risk of electric shock. Disconnect the power supply before proceeding with any operation, unless indicated otherwise.
- Make sure that the power is off when installing or carrying out maintenance, with the circuit breaker open.
- A power disconnect device must be included in the electrical installation, and it must be very quickly recognizable and operated if needed.
- The electrical system to which the unit is connected must be equipped with a 10A max automatic bipolar circuit breaker. The minimum distance between the circuit breaker contacts must be 3mm (0.1in). The circuit breaker must be provided with protection against the fault current towards the ground (differential) and the overcurrent (magnetothermal).
- The device can only be considered to be switched off when the power supply has been disconnected and the connection cables to other devices have been removed.
- Be careful not to use cables that seem worn or old.
- All the cables must comply with IEC60332-1-2, IEC 60332-1-3, and IEC/EN60079-14.
- When commencing installation make sure that the specifications for the power supply for the installation correspond with those required by the device.
- For continued protection against the risk of fire, replace only with the same type and rating of the fuse. Fuses must be replaced only by service personnel.
- This equipment is not suitable for use in locations where children are likely to be present.
CAUTION! Medium level hazard. This operation is very important for the system to function properly. Please read the procedure described very carefully and carry it out as instructed.
- Make sure that the installation complies with local regulations and specifications.
- Make connections and tests in the laboratory before carrying out the installation on site.
- Check that the power supply socket and cable are adequately dimensioned.
- Use suitable cables that can withstand the operating temperatures.
- All disconnected cables must be electrically isolated.
- Make sure the product is to be secured to the building before operation.
- The manufacturer declines all liability for damage to any of the apparatus mentioned in this handbook when resulting from tampering, use of non-original spare parts, installation, maintenance, and repairs performed by non-authorized, nonskilled personnel.
- For technical services, consult only and exclusively authorized technicians.
- This product must only be repaired by suitably trained personnel or under the supervision of VIDEO TECH personnel in accordance with the foreseen terms and conditions: IEC/EN60079-19.
- Only use original VIDEO TECH spare parts. Strictly adhere to the maintenance instructions attached to each replacement kit.
INFO Description of system specifications. We recommend reading this part carefully in order to understand the subsequent stages.
- Given the considerable weight of the system, use an appropriate transport and handling system. The staff must carry out the handling of the product in compliance with the common accident prevention standards.
- Before proceeding with installation, check the supplied material to make sure it corresponds to the order specification by examining the identification labels.
- The equipment is intended for installation in a Restricted Access Area by specialist technical staff.
- The manufacturer declines all responsibility for any damage caused by improper use of the appliances mentioned in this manual. Furthermore, the manufacturer reserves the right to modify its contents without any prior notice. The documentation contained in this manual has been collected and verified with great care. The manufacturer, however, cannot take any liability for its use. The same thing can be said for any person or company involved in the creation and production of this manual.
- Since the user is responsible for choosing the surface to which the unit is to be anchored, we do not supply the fixing devices for attaching the unit firmly to the particular surface. The installer is responsible for choosing fixing devices suitable for the specific purpose on hand. Use methods and materials capable of supporting at least 4 times the weight of the device.
- Contact the manufacturer for information on the dimensions of the flameproof joint.
- For all maintenance interventions, we recommend you return the product to the laboratory that will perform all required operations.
Product description and type designation
The flameproof EXH housing is designed for installation in potentially explosive environments in painted Anticorodal aluminum alloy of group AlSi7Mg0.3 EN AC-42100.
The housing has two 3/4″ NPT cable gland holes.
The EXH housing has an IP66 degree of protection.
The version with a germanium window has been developed for applications with thermal cameras.
4.1 Range of use
The unit is designed for use in a fixed location, for surveillance of areas classified as zone 1-21 and zone 2-22 with potentially explosive atmospheres.
The unit has been built and certified in compliance with directive 2014/34/UE and with the international standards IECEX, which define its range of application and minimum safety requirements.
4.2 Specific use conditions
Contact the manufacturer for information on the dimensions of the flameproof joint.
Ambient temperature and Surface temperature see instructions.
Care shall be taken to prevent the accumulation of electrostatic charges. See installation instructions.
Use fasteners with Yield stress (min.): 700N/mm².
4.3 Gas Group, Dust Group and Temperatures
The device is certified for the IIC group (Gas) and the IIIC group (dust).
The temperature class is T6 (Gas) and T85°C (Dust)
Ambient temperature: from -40°C up to +50°C.
4.4 Characteristics of installable devices
Cameras and lenses
- Maximum power: 20W
- Usable volume for camera/lens: 2800cm³
- Minimum distance between the walls of the housing and the camera/lens: 12mm
4.5 Cable entry
The product is supplied with plastic caps for cable entry protection. They cannot be used for installation.
Unused cable entries must be closed using appropriate Ex-certified locking devices with “DB” and “tb” explosion protection, suitable for the use conditions, and installed correctly.
All cable glands shall be Ex certified, as appropriate, with protection types “DB” and “tb”, suitable for the conditions of use and installed correctly.
When conduit is used, a suitable Ex-certified stopping box shall be used, as appropriate, with protection types “DB” and “tb”, suitable for the conditions of use and installed correctly.
The stopping box must be fitted within 50mm (1.97in) from the enclosure entry.
The cable entry temperatures are specified in the marking.
To maintain the IP level of the product use cable glands with appropriate IP level and apply to threads a sealant compliant with standard IEC/EN60079-14.
4.6 Product marking label
Before proceeding further with installation, make sure the material supplied corresponds to the order specification by examining the marking labels.
The marking label on the product is made on sheet metal or on an adhesive label.
4.6.1 Marking label on sheet metal

- The number of the accredited body that provides quality assessment.
- Manufacturer’s name and address.
- Model identification code.
- Ambient temperature of use
- Serial number (the serial number is 12 numeric characters, the second and the third digits define the last two numbers of the year of manufacture)
- Electrical characteristics: supply voltage (V), frequency (Hz), current consumption (A), power consumption (W).
- Power consumption camera/lens (W).
- ATEX certification.
- IECEx certification.
- Warnings.
4.6.2 Adhesive marking label

- The number of accredited body that provides the quality assessment.
- Manufacturer’s name and address.
- Model identification code.
- Ambient temperature of use
- Serial number (the serial number is 12 numeric characters, the second and the third digits define the last two numbers of the year of manufacture)
- Electrical characteristics: supply voltage (V), frequency (Hz), current consumption (A), power consumption (W).
- Power consumption camera/lens (W).
- ATEX certification.
- IECEx certification.
- Warnings.
4.7 Model Identification
| EXH – CONFIGURATION OPTIONS | Voltage | Ambient temperature | Window | |
| EXHC | 0 24Vac | 0 | 3 -40°C/+50°C | R Extra clear glass |
| 2 230Vac | G Germanium |
Tab. 1 Not all combinations are possible.
EXH (EXTRA CLEAR GLASS WINDOW) – CERTIFICATIONS AND MARKINGS
| Part number | Certification | Marking | Ambient tempe- rature | Cable input temperature |
| EXHC0O3R EXHC203R | ATEX | 0112 G Ex db IIC T6 Gb 0112 D Ex tb IIIC 785°C Ob | -40°C 5 Ta s +50°C | +80°C |
| IECEx | Ex DB IIC T6 Gb Ex tb IIICT85°C DI) | |||
| Essex | 1ExdIICT6GbX Ex tb IIIC 785°C Ob X |
Tab. 2
EXH (GERMANIUM WINDOW) – CERTIFICATIONS AND MARKINGS
| Part number | Certification | Marking | Ambient temperature | Cable input temperature |
| EXHC003G EXHC203G | ATEX | 0112 G Ex db IIC T6 Gb 0112 D Ex tb IIICT85°C Ob | -40°C S. Ta 5 +50°C | +80°C |
| IECEx | Ex DB IIC T6 Gb Ex tb IIICT85°C Ob | |||
| EACEx | 1ExdIICT6GbX Ex tb IIICT85°C DI) X |
Tab. 3
Preparing the product for use
Before carrying out any type of intervention, read the “Safety rules” chapter of this manual.
5.1 Unpacking
When the product is delivered, make sure that the package is intact and that there are no signs that it has been dropped or scratched. If there are obvious signs of damage, contact the supplier immediately. When returning a faulty product we recommend using the original packaging for shipping. Keep the packaging in case you need to send the product for repairs.
5.2 Contents
Check the contents to make sure they correspond with the list of materials as below: · Flameproof housing · O-ring replacement part kit · Spacers for camera · Instruction manual
5.3 Safely disposing of packaging material
The packaging material can all be recycled. The installer technician will be responsible for separating the material for disposal, and in any case for compliance with the legislation in force where the device is to be used.
Installation
Before carrying out any type of intervention, read the “Safety rules” chapter of this manual.
6.1 Installation options
The product cannot be installed upside down.
6.2 Sunshield mounting
Available as an accessory.
You can fix the sunshield to the housing using the screws supplied.
Remove the protective film before the sunshield installation (if present).
Apply a generous amount of thread locking compound (Loctite 270) into the threaded holes in the base of the device.
The thread compound must cure for one hour, allow for this period prior to completing the installation.
6.3 Housing Opening
The housing can only be opened from the rear. The housing is supplied already partially open. The back flange of the housing has 12 M6 screws. Screws properties:
- Diameter/Screw pitch: M6x1
- Material: A2 or A4
- Screw head: ISO 4762
- Length: 25mm
- Yield stress (min): 700N/mm²
Unscrew from the flange and remove the screws with M6 thread.

To ease the extraction of the rear flange and not to damage the O-ring, use the 3 extraction screws supplied. Once the extraction screws have been inserted, act on them symmetrically (2 or 3 turns at a time per screw) in order to slowly extract the flange.
After removing the screws, the flange will remain in position thanks to the O-ring presence.
When removing the rear flange, pay attention to the 4 earthing cables. Disconnect all earthing cables before completely removing the flange.
6.4 How to install the camera
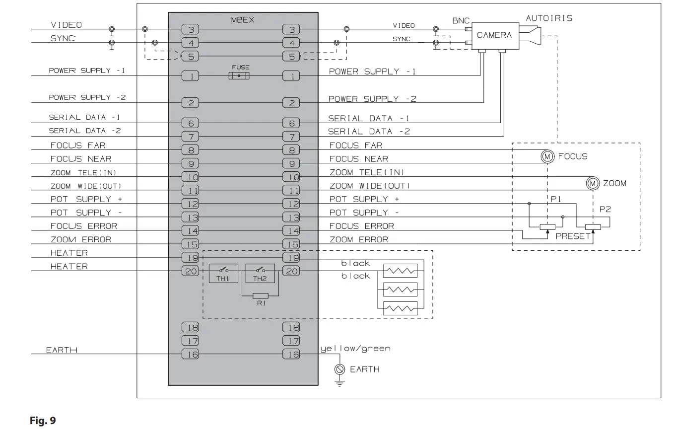
Once the housing has been opened, the rear flange of the housing (01) with its fixing plate (02) must be removed by sliding it on the guides. This will allow access to the housing board (03).
Make connections on the housing board (6.5 Housing board description, page 14).
Isolate the camera (01) from the fixing plate (02) using the insulating spacers provided.
6.5 Housing board description

6.6 Ground connection
6.6.1 Earthing equipotential connection
The unit must be connected with an equipotential bonding to the earth with an external cable having the following minimum section: 4mm² (11AWG).
Connect the cable for equipotential connection with the eyelet terminal provided.
The eyelet terminal is suitable for cables with a crosssection of: from 4mm² (11AWG) up to 6mm² (9AWG).
Secure the eyelet terminal using the screw and toothed washer supplied.
Characteristics of the screw (M6)
- Material: A4
- Screw head: ISO 4017
- Length: 16mm
6.6.2 Connection of the safety earthing
The earthing cable must be connected to the internal connector (16, 6.5 Housing board description, page 14).
6.7 Connecting the power supply
Electrical connections must be performed with the power supply disconnected and the circuit-breaker open.
When commencing installation make sure that the specifications for the power supply for the installation correspond with those required by the device.
Check that the power supply socket and cable are adequately dimensioned.
CONNECTING THE POWER SUPPLY
| Power supply 24Vac or 230Vac | |
| Terminals | Position |
| ~/+ | 19 |
| ~/- | 20 |
| 16 | |
Tab. 4
Nominal section of the cables used:
- Compact conductor (solid): from 0.2mm² up to 2.5mm² (from 30AWG up to 11AWG).
- Multi-stranded conductor (stranded): from 0.2mm² up to 4mm² (from 30AWG up to 11AWG).
6.8 Housing closure
Test system operation for positive results before closing the product and allowing the presence of a hazardous atmosphere.
During opening and closure operations of the product, pay attention not to damage the flameproof joint.
Before closing the front cover, check the O-ring gasket is intact. If the sealing is damaged replace it with the one supplied.
Insert the rear flange if the housing body has aligned holes in between the two parts.
Be very careful not to damage the O-ring gasket.
Before closing, check the connection of the 4 earthing cables (front flange, rear flange, housing body, housing board). Ensure that the earthing cables are placed at the same potential. Screw back the previously removed screws. Screws properties:
- Diameter/Screw pitch: M6x1
- Material: A2 or A4
- Screw head: ISO 4762
- Length: 25mm
- Yield stress (min): 700N/mm²
Pay attention to the fixing. Tightening torque: 12.5Nm.
Tighten the screws (2 or 3 rotations at a time per screw) following the cross tightening sequence illustrated in the figure.
Maintenance
Before carrying out any type of intervention, read the “Safety rules” chapter of this manual.
When contacting VIDEO TECH for assistance please provide the serial number and the identification code of the model.
7.1 Routine maintenance
The frequency will depend on the type of environment in which the product is used.
7.1.1 Inspecting the cables
The cables should not show signs of damage or wear, which could generate hazardous situations. In this case, extraordinary maintenance is necessary.
7.1.2 Replacing the gasket
In the event of the o-ring gasket, deterioration replaces it using the gasket supplied. Use only VIDEO TECH original spare parts.
Replace the gasket of the product with the one supplied.
Open and close the rear flange as described in the chapters above.
Replace the gasket, paying attention to position it correctly.
7.2 Extraordinary maintenance
7.2.1 Fuse replacement
CAUTION! For continued protection against risk of fire, replace only with same type and rating of fuse. Fuses must be replaced only by service personnel.
The new fuse must comply with the directions given in the table.
| FUSE REPLACEMENT | |
| Supply voltage | Fuse |
| 24Vac | F 1.6A L 250V 5×20 |
| 230Vac | |
Cleaning
Before carrying out any type of intervention, read the “Safety rules” chapter of this manual.
The frequency will depend on the type of environment in which the product is used.
8.1 Cleaning the window
8.1.1 Cleaning the glass window
Cleaning should be done with mild soap diluted with water.
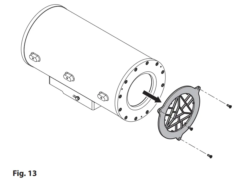
8.1.2 Cleaning the germanium window
Cleaning the window, take care not to scratch or damage the outer surface treated with carbon coating. Damage to this coating could also interfere with the transparency of the surface to infrared light.
Cleaning should be done with mild soap diluted with water. To clean the germanium window, remove the protection grid by unscrewing the screws (3 screws M4x14, socket head).
Once done cleaning, reassemble the protection grid.
When the unit is working the protection grid must always be installed. Failure to follow this instruction may create serious safety hazards for people and for the installation, and will also invalidate the guarantee..
8.2 Cleaning the product
The outside surface of the product must never be covered in more than 5 mm of dust.
The cleaning of the product should be carried out according to the instructions in this chapter in order to prevent accumulation of electrostatic charges.
The device should be cleaned using a damp cloth; compressed air must not be used.
Information on disposal and recycling
The European Directive 2012/19/EU on Waste Electrical and Electronic Equipment (WEEE) mandates that these devices should not be disposed of in the normal flow of municipal solid waste, but they should be collected separately in order to optimize the recovery stream and recycling of the materials that they contain and to reduce the impact on human health and the environment due to the presence of potentially hazardous substances.
The symbol of the crossed-out bin is marked on all products to remember this.
The waste may be delivered to appropriate collection centers or may be delivered free of charge to the distributor where you purchased the equipment at the time of purchase of a new equivalent or without obligation to a new purchase for equipment with size smaller than 25cm (9.8in).
For more information on the proper disposal of these devices, you can contact the responsible public service.
Technical data
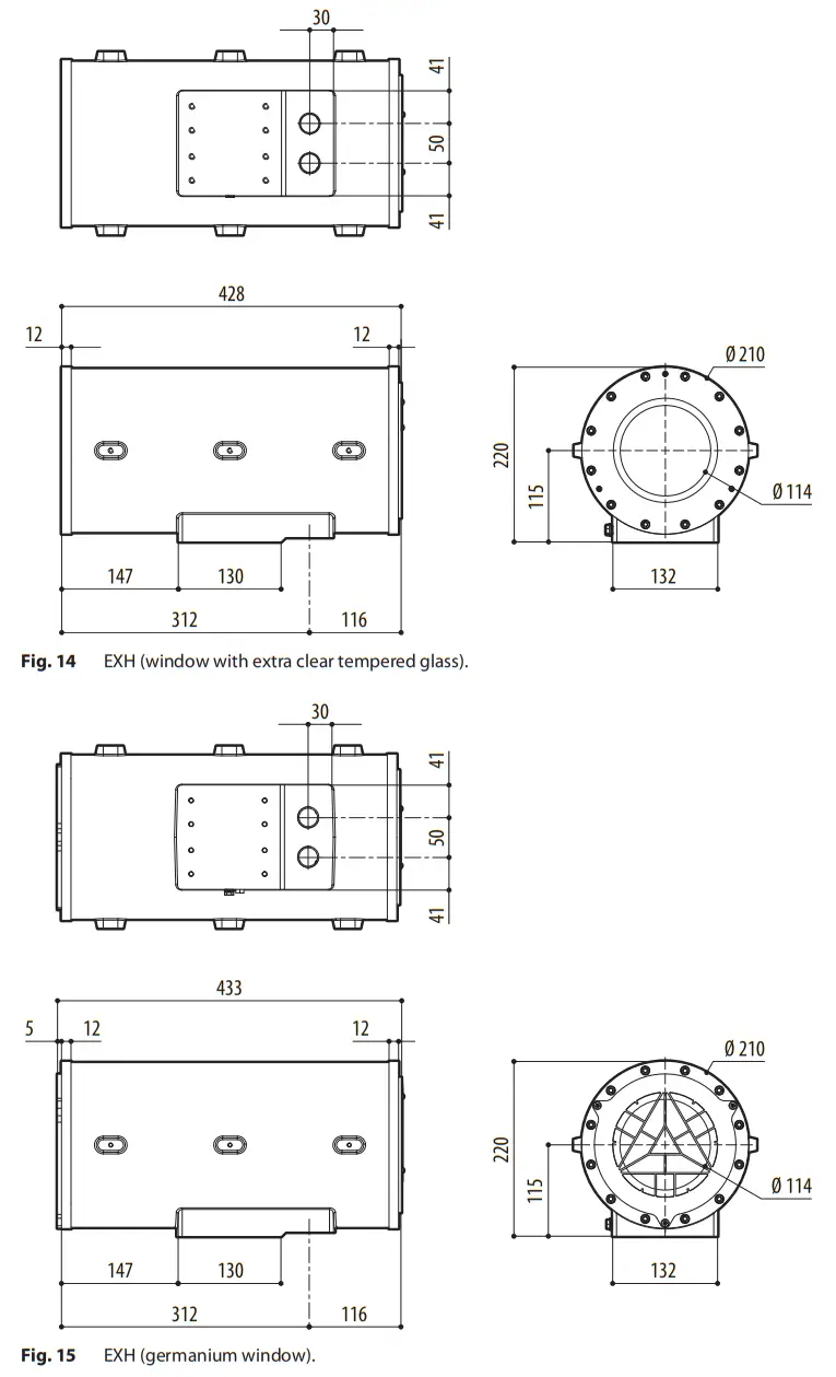
10.1 Mechanical
- Non-corrosive die-cast aluminium (anticorodal)
- Epoxy powder painted, RAL9002
- Cable entry: 2 holes, 3/4″ NPT
- Internal dimensions: Ø 180x380mm (7.1x15in)
- Internal usable dimensions: 100x100x280mm (3.9×3.9x11in)
- Unit weight:
- 15kg (33.5lb)
10.2 Housing window
Window with extra clear tempered glass
- Usable diameter: 114mm (4.5in)
- Thick: 12mm (0.47in)
Germanium window
- Usable diameter: 114mm (4.5in)
- Thick: 11mm (0.43in)
- External treatment: anti-scratch (Hard Carbon Coating – DLC), antireflection
- Internal treatment: antireflection
- Spectral range: from 7.5m up to 14m
- Medium transmittance (from 7.5m up to 11.5m): 87.5%
- Medium transmittance (from 11.5m up to 14m): 72.1%
10.3 Electrical
Supply voltage/Current consumption (Ton 15°C±4°C (59°F±7°F), Toff 22°C±3°C (72°F±5°F)):
- 230Vac, 0.3A, 50/60Hz · 24Vac, 2.5A, 50/60Hz
Power consumption
- Heater: 60W
- Installable camera: 20W max
10.4 Environment
For indoors and outdoors installation
Operating temperature with heating: from-40°C (-40°F) up to +50°C (122°F)
Relative humidity: from 5% up to 95%
10.5 Certifications and compliances
Electrical safety (CE): EN62368-1
Electromagnetic compatibility (CE): EN61000-6-3, EN61000-3-2, EN61000-3-3, EN50130-4, EN55032 (Class B)
RoHS (CE): EN IEC 63000 Outdoor installation (CE): EN60950-22, IEC60950-22 IP protection degree (EN/IEC60529): IP66
10.6 Certifications – Explosionproof applications
ATEX (EN IEC 60079-0, EN 60079-1, EN 60079-31)
IECEx (IEC 60079-0, IEC 60079-1, IEC 60079-31)
EAC Ex (TR CU 012/2011)
For further details on certifications and markings, consult the relevant table.
Technical drawings
The indicated measurements are expressed in millimeters.
Headquarters Italy Videotec S.p.A.
Via Friuli, 6 – I-36015 Schio (VI) – Italy
Tel. +39 0445 697411 –
Fax +39 0445 697414
Email: [email protected]
www.videotec.com

















