Avigilon High Definition
Camera Housing
ES-HD-HWS, ES-HD-CWS, ES-HD-HWS-LG, ES-HD-CWS-LG
Instructions manual
About this manual
Before installing and using this unit, please read this manual carefully. Be sure to keep it handy for later reference.
1.1 Typographical conventions
DANGER!
High level hazard.
Risk of electric shock. Disconnect the power supply before proceeding with any operation, unless indicated otherwise.
WARNING!
Medium level hazard.
This operation is very important for the system to function properly. Please read the procedure described very carefully and carry it out as instructed.
INFO
Description of system specifications.
We recommend reading this part carefully in order to understand the subsequent stages.
Notes on copyright and information on trademarks
The quoted names of products or companies are trademarks or registered trademarks.
Safety rules
The manufacturer declines all responsibility for any damage caused by an improper use of the appliances mentioned in this manual. Furthermore, the manufacturer reserves the right to modify its contents without any prior notice. The documentation contained in this manual has been collected with great care, the manufacturer, however, cannot take any liability for its use. The same thing can be said for any person or company involved in the creation and production of this manual.
- The device must be installed only and exclusively by qualified technical personnel.
- Before starting any operation, make sure the power supply is disconnected.
- Do not use power supply cables that seem worn or old.
- Never, under any circumstances, make any changes or connections that are not shown in this handbook. Improper use of the appliance can cause serious hazards, risking the safety of personnel and of the installation.
- Use only original spare parts. Non-original spare parts could cause fire, electrical discharge or other hazards.
- Before proceeding with installation check the supplied material to make sure it corresponds to the order specification by examining the identification labels (4.2 Product markings, page 4).
- This device was designed to be permanently installed on a building or on a suitable structure.
The device must be installed permanently before any operation. - When installing the device, comply with all the national standards.
- The electrical system to which the unit is connected must be equipped with a automatic bipolar circuit breaker. The circuit breaker for main supply voltage phase units must have a level of intervention of 20A max. The circuit breaker for low voltage units must have a level of intervention of 6A max. This circuit breaker must be of the Listed type. The minimum distance between the contacts must be 3mm (0.1in). The circuit breaker must be provided with protection against the fault current towards the ground (differential) and the overcurrent (magnetothermal).
- Any device which could be installed inside the product must comply with the current safety standards.
- If the installation is NEMA TYPE 4X, the installer must replace the cable glands of the product with NEMA TYPE 4X cable glands.
- Installation category (also called Overvoltage Category) specifies the level of mains voltage surges that the equipment will be subjected to. The category depends upon the location of the equipment, and on any external surge protection provided. Equipment in an industrial environment, directly connected to major feeders/short branch circuits, is subjected to Installation Category III. If this is the case, a reduction to Installation Category II is required.
This can be achieved by use of an insulating transformer with an earthed screen between primary and secondary, or by fitting listed Surge Protective Devices (SPDs) from live to neutral and from neutral to earth. Listed SPDs shall be designed for repeated limiting of transient voltage surges, suitable rated for operating voltage and designated as follows: Type 2 (Permanently connected SPDs intended for installation on the load side of the service equipment overcurrent device); Nominal Discharge Current (In) 20kA min. For example: FERRAZ SHAWMUT, STT2240SPGCN, STT2BL240SPG-CN rated 120/240V AC, (In=20kA). Maximum distance between installation and reduction is 5m. - For all connections, use cables that are able to withstand temperatures of at least 75°C (167°F).
- The product is designed to house only cameras that are properly certified (7W max).
- A disconnecting device, readily and easily accessible, must be incorporated in the electrical system of the building for rapid intervention.
- To connect the power supply line use the appropriate junction-box (UPTJBUL). For further information, refer to the product use and installation manual.
- Use Listed copper tube crimping lugs for the connection of the network conductors to the terminals. The copper tube crimping lugs must be suitable for the type of installation (from -20°C (-4°F) to +80°C (+176°F) min., V-0). Copper tube crimping lugs examples: RP, BP or YP (Cembre).
Identification
4.1 Product description and type designation
Robust aluminium housing designed to simplify the installation and service and guarantee total protection against all environmental conditions.
Its size makes it ideal for housing various combinations of standard cameras with fixed or compact zoom lenses.
Very easy to install thanks to the side opening system that allows the full access to the camera, lenses and all internal connections.
A wide range of accessories for mounting the equipment is available thereby satisfying all installation needs.
4.2 Product markings
See the label attached to the product.
Preparing the product for use
Any change that is not expressly approved by the manufacturer will invalidate the guarantee.
5.1 Unpacking and contents
5.1.1 Unpacking
When the product is delivered, make sure that the package is intact and that there are no signs that it has been dropped or scratched.
If there are obvious signs of damage, contact the supplier immediately.
Keep the packaging in case you need to send the product for repairs.
5.1.2 Contents
Check the contents to make sure they correspond with the list of materials as below:
- Housing
- Housing equipment:
- Allen wrench
- Spacers
- Cable glands gaskets
- Cable glands (x3)
- Bolts and screws
- Screws for camera
- Desiccant bag (ES-HD-CWS-LG and ES-HD-CWS only)
- 24V DC cooling fan installed
- 12V DC cooling fan included
5.2 Safely disposing of packaging material
The packaging material can all be recycled.
The installer technician will be responsible for separating the material for disposal, and in any case for compliance with the legislation in force where the device is to be used.
When returning a faulty product we recommend using the original packaging for shipping.
5.3 Preparatory work before installation
5.3.1 Attaching the support
The product must be fastened with suitable equipment. The fastening means must guarantee the mechanical seal when a force equal to at least 4 times the weight of the device is applied.
Assembling and installing
The assembly and installation must be performed only by skilled personnel.
6.1 Installation
6.1.1 How to open the housing
For the ES-HD-HWS or ES HD-CWS, loosen the 2 screws on the side, turn the cover and the upper half of the body about the opening hinge axis.
Fig. 1 ES-HD-HWS and ES-HD-CWS only
For the ES-HD-HWS-LG and ES-HD-CWS-LG, Loosen the 4 screws on the base of the enclosure and lift the housing off the base.

6.1.2 How to install the camera
Power supply can be provided by the board supplied with the product. Make sure the voltage values are appropriate.
Open the housing as described previously (6.1.1
How to open the housing, page 6).
Extract the internal support slide by partially loosening the fastening screws (01).
Move the slide, by sliding it until the holes coincide with the slide locking screws (02).
Fasten the camera with the 1/4″ screw. If necessary, use the supplied spacers to correctly position the camera and optics (03).
Reposition the internal slide by tightening the previously loosened screws.
Remove the conductors protective sheathing and connect them to terminal (J5, 6.1.3 Board description, page 7).
The camera’s power supply cable conductors must be tied up with a cable tie next to the terminal.
Keep the signalling and power supply cables separated from each other.
Tip: Turning the slide upside down will increase the vertical space available and is required to support certain camera and lens combinations.
6.1.3 Board description
![]() | Connect the safety earth to the relative terminal of the J1 connector. |
![]() | The board may appear different to that illustrated. |
![]() | Depending on the product version, the board may not be equipped with all functions. |
BOARD DESCRIPTION
| Connector | Function |
| J1 | Board power supply (VIN)1 |
| J2 | Auxiliary output (VOUT)2 |
| J3 | Heater power supply (VOUT) |
| J4 | Tamper switch contacts3 |
| J5 | Camera power supply (VOUT)4 |
| J7 | Connector for power supply/jumper |
| J8 | Fan power supply (VOUT) |
| SW1 | Tamper switch3 |
Tab. 1
- From 24V AC or 12V DC.
- Same voltage applied to J1.
- Optional.
- Different alternatives are available depending on the version. VOUT = 12V DC or VOUT = 24V AC, in relation to the type of power supply installed . VOUT =VIN, only for housings powered in 12V DC or 24V AC, with jumper inserted in J7.

6.1.4 Connection of the power supply line
Insert the cables for the connection to the power supply line inside the housing through the cable glands. The cable glands are suitable for conductors with diameters of between 5mm and 10mm. The section of the cable inside the housing must be sufficiently long to allow connection.
Suitably lock the cable glands.
Remove the conductors protective sheathing and connect them to terminal (J1, 6.1.3 Board description, page 7).
Make sure the earth conductor is at least 10mm longer than the others.
6.1.4.1 Type of cable
The cable used for the connection to the power supply line must be suitable for the intended use.
Comply with the current national standards on electrical installations.
6.1.5 Installation of the version with double filter for air renewal
During installation pay attention to the orientation of the air inlet filter fins.
Depending on the angle of inclination of the housing, the orientation of the filter fins must prevent water penetrating in case of rain:
To guarantee the weatherproof, install the housing on the support following the inclination limits as shown in the picture.
6.1.6 Desiccant bag
Take the desiccant salt bag out of its pack and insert it into the product.
Accessories
For further details on configuration and use, refer to the relative manual.
7.1 Heater
7.1.1 Heater installation
Open the housing as described previously (6.1.1
How to open the housing, page 6).
Fix the heater kit to the prearranged points on the body of the housing.
The pre-wired heating element (01) should be positioned between the 2 dissipators (02) before attachment to ensure contact and hence guarantee correct heat transmission.
Pass the heating wiring under the fixing slide of the camera.
Plug the multipolar female connector into the corresponding male connector (J3, 6.1.3 Board description, page 7).
Reposition the internal slide.
Close the housing.
Disposal of waste materials
This symbol mark and recycle system are applied only to EU countries and not applied to the countries in the other area of the world.
Your product is designed and manufactured with high quality materials and components which can be recycled and reused.
This symbol means that electrical and electronic equipment, at their end-of-life, should be disposed of separately from your household waste.
Please dispose of this equipment at your local Community waste collection or Recycling centre.
In the European Union there are separate collection systems for used electrical and electronic products.
Technical data
9.1 General
Constructed from aluminium
Sunshield in ABS
Epoxypolyester powder painting, RAL9002 colour
Stainless steel external screws
9.2 Mechanical
Cable glands: M12, M16, M20
Glass window (WxH): 118x75mm (4.6×2.7in)
Internal usable area (WxH): 100x70mm (3.9×2.7in)
Internal usable length (with or without accessories): 250mm (9.8in)
Unit weight: 3kg (6.6lb)
9.3 Electrical
Power supply/Current consumption (empty version):
- From 12V DC to 24V DC, 1A max
- From 12V AC to 24V AC, 1A max, 50/60Hz
Power supply/Current consumption (Version with heater, Ton 15°C±3°C (59°F ±5°F), Toff 22°C±3°C (77°F±5°F)):
- From 12V DC to 24V DC, 3A max
- From 12V AC to 24V AC, 3A max, 50/60Hz
Power supply/Current consumption (version with blower and thermostat for models with double filter for air renewal, Ton 35°C±3°C (95°F±5°F), Toff 20°C±3°C (71°F±5°F)):
- 12V DC, 400mA max
- 24V AC, 200mA max, 50/60Hz
9.4 Environment
Indoor/Outdoor
Operating temperature (with heater): From -20°C (-4°F) to +60°C (140°F)
Resistant to salty fog, to 1000 hours (ISO9227)
9.5 Certifications
CE: EN61000-6-3, EN50130-4, EN60950-1, EN60950-22
EN60529 IP66/IP67 (with cable glands)
EN60529 IP66/IP67 (with special gaskets and bracket with internal cable channel)
EN60529 IP55 (with bracket with internal cable channel)
EN60529 IP44 (with double filter for air renewal)
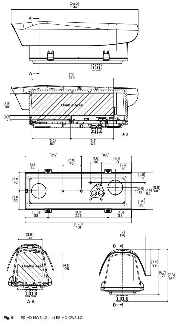
Technical drawings


© 2014 – 2016, Avigilon Corporation. All rights reserved. AVIGILON and the AVIGILON logo are trademarks of Avigilon Corporation. Other product names mentioned herein may be the trademarks of their respective owners. The absence of the symbols ™ and ® in proximity to each trademark in this document is not a disclaimer of ownership of the related trademark.
Avigilon Corporation protects its innovations with patents issued in the United States of America and other jurisdictions worldwide: www.avigilon.com/patents. Unless stated explicitly and in writing, no license is granted with respect to any copyright, industrial design, trademark, patent or other intellectual property rights of Avigilon Corporation or its licensors.
ES-HD-HWS/ES-HD-CWS/ES-HD-HWS-LG/ES-HD-CWS-LG



















