SAMCON ExCam-IPP5655 Explosion Proof IP-Dome Camera

Introduction
- In the ExCam IPP5655 is a powerful IP dome camera of the latest generation, with 2-megapixel resolution at 1920x1080p points. It is certified by ATEX, IECEx & EAC-Ex (and more). This dome camera can endlessly rotate around its own axis. This is done with a high speed and precision.
- The ExCam series is certified both in accordance with the European (ATEX) and interna-tional directive (IECEx). The explosion-protected housing is approved for the
- ATEX group II for zones 1, 2, 21 and 22 including the explosion groups IIC / IIIC. To see other approvals, please visit our website at www.samcon.eu
- In designing the ExCam IPP5655, we attached a very high importance to safety, mechan-ical precision and high quality of stainless steel.
Technical data
Explosion protection
- Identification marks acc. to Directive 2014/34/EU: II 2G (zone 1 and 2)
- II 2D (zone 21 and 22)
- Explosion protection (gas): Ex db IIC T6 Gb
- Explosion protection (dust): Ex tb IIIC T80°C Db
- Protection class: IP 68 (IEC /EN 60529)
- Transport/storage temperature: -40°C…+50°C
- Ambient temperature (EX): –20°C…+60°C (Type…N.H…)
- -50°C…+60°C (Type…LL.H…)
- Named testing laboratory: TÜV Rheinland (number 0035)
- EU type approval certificate: TÜV 18 ATEX 8218X
- IECEx Certificate of Conformity: IECEx TUR 18.0023X (2018)
- EAC-Ex TUR Report: RU C-DE.HA65.B.01652/22
- For other certificates: see https://www.samcon.eu/en/products/network/excam-ipp5655
Attention!
- The instructions stated on the type plates have to be observed!
Illustration of the model key
| 1) Ex-product- name | 2) Type | 3) Housing- combination | 4) Temp.- range | 5) Cable length [m] | 6) Cable termin. |
| ExCam IPP5655 | T08- | TNXCD- | N.H- | 005.N- | P- |
| T08- | TNXCD- | N.H- | 005.N- | T- | |
| T08- | TNXCD- | LL.H- | 005.N- | P- | |
| T08- | TNXCD- | LL.H- | 005.N- | T- |
Explanations:
- ExCam IPP5655 = Functional camera description of the ExCam Series (technical data/ specification of the individual camera module)
- T08 = SAMCON Production- Type 08
- TNXCD = Dome-housing (stainless steel 1.4404)
- N.H = Normal ambient temperature range, no heater installed (Tamb > -20°C)
- N.H= High temperature battery installed (Tamb < +60°C)
- LL.H= PTC heater installed (Tamb > -50°C)
- 05.N = Length of the connection line in meter at delivery; 5m is the standard cable length, max. cable length is: 003…100 [m]
- 005.N = Non armoured cable
- P = Plug- termination (standard)
- CAT6, RJ-45 network plug (heavy duty), AWG 26-22, contact assignment acc. To specification EIA/TIA-568B
- T = Terminal Box termination (optional)
- 4 x PoE Mode A connection (camera PoE)
- 24VDC (Heater) (see chapter electrical connection)
Electrical parameters of the camera
24VDC Power input:
- Permissible temperature range: -50°C < Tamb < +60°C
- Power supply: 24 VDC
- Power consumption: approx. 60W@-50°C (depends on the temperature)
PoE+ Power input:
- Permissible temperature range: -20°C < Tamb < +60°C
- Power supply: PoE, IEEE 802.3at class 4
- Reference voltage: 48 VDC (44…54 VDC)
- Maximum power consumption: 19 W
- Typical power consumption: 10.5 W
Connection cable Ex-d – Ex-e
- Description: Data transfer and power supply of the camera module (compliant with DIN EN 60079-14),
- Jacket color: green (GN), similar to RAL3001
Connection cable for models -N- (SKD02-T)
System cable SKD02-T:
- Outside diameter: 8.9 ± 0.3 mm
- Bending radius: 8 x Da when installed and 4 x Da after relocation
- Data line: 4 x 2 x AWG23/1 CAT.6
- Properties: PUR halogen-free, flame-retardant, UV-resistant, chemical resistance, shielded
Quick link:
Connection cable for models with heater (SKDP03-T)
System cable SKDP03-T:
- Outside diameter: 12.40 ± 0.3 mm
- Bending radius: 8 x Da when installed and 4 x Da after relocation
- Data line: 4 x 2 x AWG23/1 CAT.6
- Performance elements: 3G1.5 (BK-BU-GN/YE)
- Properties: PUR halogen-free, flame-retardant, UV-resistant, chemical resistance, shielded
Quick link:
Video-technical characteristics
- We use the AXIS P5655 Dome Camera in a pressure-resistant enclosure. For details, please refer to the Product Documentation, and video-technical data of AXIS®:
http://www.axis.com/products/axis-p5655-e
Other technical data
| Camera (Ex-d) | Terminal box (Ex-e) | |
| Permissible ambient temperature | -20°C … +60°C (for PoE+ power supply) -50°C … +60°C (at 24 VDC power supply) | -60°C … +55°C |
| Protection class as per EN 60529/IEC 529 | IP68 (Test conditions: 24h/3m water column 5°C° | IP66 |
| Housing material | – stainless steel, mat. no. 1.4404 – LEXAN | polyester resin |
| Weight | about 15.5 kg | about 1 kg |
| Dimensions | D195mm x 378mm | 145mm x 145mm x 71mm |
Safety Instructions
Please absolutely observe the safety directions stated in the Ex-installation instructions of the T08 ExCam series!
Quick link:
https://www.samcon.eu/fileadmin/documents/en/22-Ex-Network-Cameras/ExCam-Series-T08-EX-Installation-Manual-2022.pdf
It is absolutely mandatory to observe the national safety regulations and regulations for the prevention of accidents, as well as the safety instructions given below in this User Manual!
Attention!
- Cameras of the type T08 ExCam are not suitable for use in zone 0 and zone 20. The ambient temperature, temperature class, and explosion group as stated on the type plate must be observed! Alterations are not permitted! The camera is to be operated in sound conditions and in the intended way.
Attention!
- Only original parts of SAMCON Prozessleittechnik GmbH may be used for repairs. Repairs concerning explosion protection may only be carried out in accordance with the nationally applied regulations and by SAMCON Prozessleittechnik GmbH.
Attention!
- Prior to installation, take external sources of heat or cold into account! The temperature ranges prescribed for storage, transport, and operation must be adhered to!
Attention!
- Observe the warnings given on the type plate:
- WARNING – DO NOT OPEN IN HAZARD AREAS“
- WARNING – DO NOT OPEN WHILE ENERGIZED“
- The use in hazardous areas with regard to temperature and dust layers is defined in the respective national regulations.
- When installing the ExCam, adhere to the requirements of the EN/IEC 60079-14.
Installation
- For erecting and operating the camera, the relevant national regulations, as well as the generally accepted rules of technology shall prevail. Before mounting the camera, thor-oughly check it for any transport damage, especially regarding the housing and the cable. Installation, electrical connection and the commissioning must only be carried out by qual-ified specialists.
Work preparation:
Attention!
- Prepare your work carefully and in accordance with the relevant regulations.
Attention!
- Depending on classification of hazard areas, a work approval has to be obtained. When you open the pressure-resistant enclosure under volt-age, it is absolutely necessary to prevent potentially explosive atmos-phere!
- To ensure the best image quality delivered by the network camera, plan the installation site carefully (consider light conditions, object distance or size, angle and minimum object distance to the focus).
- Use appropriate tools and aids
- When working, ensure a safe stand.
- Make sure that any static charge is avoided
Attention!
- Please pay attention to the national security, installation and accident prevention regulations (e.g. DIN EN 60079-14) and the safety instruc-tions given below in this User Manual, as well as the ones in the Instal-lation Guidelines!
Attention!
- Adhere to the provisions of the IECEx ATEX and EX installation instructions for mounting and starting up!
- ExCam® IPP5655 consists of a flame-proof camera housing (Ex-d) and optionally (models with a terminal box …-T), a terminal box of a high degree of safety (Ex-e). Both areas are separated by a reinforced 5 m line. Mount the camera as high as possible, according to the desired field of view.
- Install the connection chamber so that a good accessibility is provided, in order to facilitate electrical connection.
Attention!
- Please pay attention to the national and local regulations for mounting heavy loads. In case of doubt, take appropriate security measures.
- Drawings for drill hole patterns and further information can be viewed on our product page:
Quick link: https://www.samcon.eu/en/products/network/excam-ipp5655/
| Wall bracket WMB-… | ![]() | WALL MOUNT EXCAM TNXCD Wall bracket for the T08-TNXCD series Suitable for hanging the camera on walls. The scope of delivery includes a protective cover for the wall bracket. The cover protects the cable and cable routing as required by 60079-14 and does not let the cable and cable glands be directly exposed to water splashes. Material: stainless steel 1.4404 Load bearing: 45 kg Dimensions: 460 x 140 x 220 mm |
| Pole adapter PMB-… | ![]() | POLE MOUNT EXCAM TNXCD TNXCD pole adapter for wall mount Material: stainless steel 1.4404 Suitable for pole diameters between 110 and 150 mm Load-bearing capacity: 50 kg |
| Ceiling adapter CMB-… | ![]() | CEILING MOUNT EXAM TNXCD TNXCD pole adapter for ceiling mount Material: stainless steel 1.4404 Load-bearing capacity: 50 kg |
Electrical connection
Attention!
- The electrical connection of the equipment must only be carried out by officially qualified and skilled personnel!
Attention!
- It is absolutely necessary to ground the ExCam® series housing via the PA connection.
Attention!
- The minimum length of the connecting cable must not be less than three meters! The connection cable must be protected!
Attention!
- Please pay attention to the national security, installation and accident prevention regulations (e.g. DIN EN 60079-14) and the safety instruc-tions given below in this User Manual, as well as the ones in the Instal-lation Guidelines!
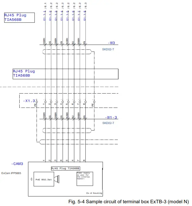
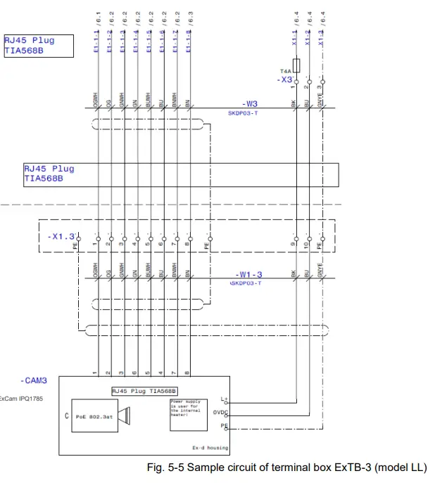
- The ExCam® IPP5655 is equipped with an electrical connection cable of the type SKD02-T (models with the model key -N-) or SKDP03-T (models with model key -LL-) and optionally, a pre-assembled and pre-wired terminal box ExTB-3. The maximum transmis-sion range from the camera to the next active network interface is 100 meters and can be individually specified by the client. The user is NOT authorised to do any electrical connec-tion procedures inside the pressure-resistant enclosure.
Equipotential bonding/Grounding
Equipotential bonding/grounding of the camera body is absolutely necessary, in order to avoid static charges and formation of sparks. For this purpose, a screw terminal is provided at the rear side, at the bottom (right) (see Figure 5.1). The cross-section of the equipotential bonding should comply with the National Ground Rules (at least 4 mm2).
Wiring table:
| Potential | Colour (IEC 60757) | Cross-sec- tion | Comment |
| PA | GN/YE | 4 mm2 (rigid) | – |
Tab. 5-1 Equipotential Bonding
Connection work on the device (terminal box)
Possible terminations are terminal box or plug.
Attention!
- Never open the Ex-e terminal box under voltage!
Attention!
- Adhere to the international installation regulations for connection chambers with increased safety (Ex-e).
Attention!
- Adhere to the attached separate Usual Manual for the Ex-e connection chamber.
Video Tutorial:
- Observe our video tutorial:
- “SAMCON 01 Installation and Wiring Connection to ExTB-3” https://go.samcon.eu/v01


The pin assignment of the SKD02-T is executed in accordance with the standard EIA/TIA-568B for 100BaseTX and 24VDC, as follows:
| Camera (Ex-d) (T568B) | Color SKD02-T (IEC60757) | Terminal ExTB-3 | Cross-sec- national sur- face | Comment |
| Tx+ | WH / OG | 1 | 0.32 mm2 | Solid conductor |
| Tx- | OG | 2 | 0.32 mm2 | Solid conductor |
| Rx+ | WH / GN | 3 | 0.32 mm2 | Solid conductor |
| Rx- | GN | 4 | 0.32 mm2 | Solid conductor |
| (PoE +48 VDC) | WH / BU | 5 | 0.32 mm2 | Solid conductor |
| (PoE +48 VDC) | BU | 6 | 0.32 mm2 | Solid conductor |
| (PoE GND) | WH / BN | 7 | 0.32 mm2 | Solid conductor |
| (PoE GND) | BN | 8 | 0.32 mm2 | Solid conductor |
| GND/SHD | YE / GN | PE | 2.5 mm2 | Flex |
The pin assignment of the SKDP03-T is executed in accordance with the standard EIA/TIA-568B for 100BaseTX and 24VDC, as follows:
| Camera (Ex-d) (T568B) | Color SKDP03-T (IEC60757) | Terminal ExTB-3 | Cross-sec- national sur- face | Comment |
| Tx+ | WH / OG | 1 | 0.32 mm2 | Solid conductor |
| Tx- | OG | 2 | 0.32 mm2 | Solid conductor |
| Rx+ | WH / GN | 3 | 0.32 mm2 | Solid conductor |
| Rx- | GN | 4 | 0.32 mm2 | Solid conductor |
| (PoE +48 VDC) | WH / BU | 5 | 0.32 mm2 | Solid conductor |
| (PoE +48 VDC) | BU | 6 | 0.32 mm2 | Solid conductor |
| (PoE GND) | WH / BN | 7 | 0.32 mm2 | Solid conductor |
| (PoE GND) | BN | 8 | 0.32 mm2 | Solid conductor |
| GND/SHD | YE / GN | PE | 2.5 mm2 | Flex |
| L+ | BK | 9 | 1.5 mm2 | L+ 24VDC |
| L- | BU | 10 | 1.5 mm2 | L- 24VDC |
| PE | YE / GN | PE | 1.5 mm2 | PE |
Tab. 5-3 Wire assignment of terminal box ExTB-3 (model LL)


Attention!
- Perform the foiling up to about 10mm to the terminals, in order to pre-vent alien crosstalk. Make sure that the foiling cannot cause any short circuit of the data couples!
Attention!
- Bring the twisted pair composite approximately 10mm close to the ter-minals, in order to ensure the immunity to disturbance.
Attention!
- Use only terminals approved by SAMCON.
Attention!
- Finally, check your network installation by per Class-D Link Test.
External connection and protection
- There are several options of assigning the ExTB-3 terminal box in a safe area:
Direct routing from the ExTB-3 into the safe area
- In the case of direct routing from ExTB-3 into the safe area, the power supply and the voltage signal is led from the safe area to the terminal box. Please observe the terminal box assignment, as described above.
Attention!
- Cables and wires must comply with the requirements of the IEC 60079-0/1/7 & 14.
Attention!
- The supply line must have a sufficient cross-section. The cable protection must comply with national and international regulations.
Routing via ExConnection Rail (optional accessories)
- In the case of routing the ExTB-3 into a larger ExConnection Rail, larger installation dis-tances can be managed.
Note:
- In explosive areas ExConnection Rail (optional accessories) acts as PoE+ switch, media converters from copper to fibre-optic cable, as well as a power supply to the cameras.
Attention!
- Cables and wires must comply with the requirements of the IEC 60079-0/1/7 & 14.
Attention!
- The supply line must have a sufficient cross-section. The cable pro-tection must comply with national and international regulations.
Appropriate cables & cable entries
- To ensure the device safety, you should correctly select the right cables, wires and cable glands.
Attention!
- Cables and wires must comply with the requirements of the IEC 60079-0/1/7 & 14.
Attention!
- The supply line must have a sufficient cross-section. The cable protection must comply with national and international regulations.
- To see non-binding configuration and planning guidelines, please visit:
- https://www.samcon.eu/fileadmin/documents/en/99-Knowledgecenter/Cable-Gland-selection-for-Ex-d-enclosures.pd

- Perhaps our video will help you: “Cables for flameproof devices in potentially explosive atmospheres” http://go.samcon.eu/video-cable-ex

Figure 5-9 Ex-d cable selection
- In particular for installations which require a suitable barrier gland, make sure that you handle them correctly and adhere to the rules and notes given in the respective mounting instructions.
- We show the essential procedures in the following video tutorial:
Video Tutorial:
- Observe our video tutorial: “SAMCON 02 Installation Ex d gland” https://go.samcon.eu/v02

Fusing
- PoE+ power supply requires no fuses.
- The power supply fusing depends on the cable cross-section and length.
Attention!
- The recommendation for fusing relates to 60W@24VDC at 100meters 1.5 mm2
Attention!
- When the heating switches on, there are high current peaks! Use slow-blow fuses.
Attention!
- Please pay attention to the national and international regulations regarding selectivity and line protection.
| Potential/ Wire no. | Color (IEC60757) | Conductor | Voltage | Maximum power consumption/fus- in: |
| L+ / 1 | BK | 1.5mm2, stranded wire | +24 VDC | 60 W of continuous power Fine-wire fuse (L+) 6000 mA -T- slow-blow (high inrush load!) |
| L- / 2 | BU | 1.5Mm2,2, stranded wire | 0 VDC / GND | |
| PE | YE/GN | 1.5Mm2,2, stranded wire | PE |
- Tab. 5-4 Recommendation for fusing
Plug assignment (RJ45)
- The data transfer of the ExCam IPP5655 series uses a 100 Mbit/s Ethernet connection (100BASE-TX).
- If the cable termination uses a plug it has to be plugged into the associated slot of the network device. Prior to connecting it to the camera, the network device (PSE) can already be supplied with power, hence there is no „power ON“ priority which has to be observed.
Attention!
- Use the appropriate RJ45 plug! Check shielding, cross-section and the outside diameter of the cable!
Attention!
- It is imperative to ensure a correct assignment of the individual wires according to the EIA/TIA-568B”
Attention!
- Finally, check your network installation by per Class-D Link Test.
- Observe our video tutorial: “SAMCON 03 Mounting and installing the RJ45 jack to SAMCON cables” https://go.samcon.eu/v03

- Tests prior to switching on voltage
Attention!
- Prior to commissioning, all tests as indicated by the national regula-tions have to be executed. Furthermore, the correct function and instal-lation of the device has to be checked in accordance with this user man-ual and other applicable regulations.
Attention!
- Incorrect installation and operation of the camera may lead to a loss of warranty!
Attention!
- Do not switch on the camera at temperatures below 0°C!
Opening the pressure-resistant housing
- To open the TNXCD housing, you need a special tool. The customer should not open it. If you think that the housing has to be opened for unforeseeable reasons, please contact our support tem at first ([email protected]).
- Always adhere to the explosion-relevant rules:
WARNING – MAY NOT BE OPENED IN HAZARD AREAS“
- Note: Depending on classification of hazard areas, a work approval has to be obtained.
- Even after switching on the power supply, it is absolutely imperative to avoid potentially explosive atmosphere when opening the camera housing. Opening the housing requires disassembly and working in a safe (i.e. non-explosive!) area.
Attention!
- Heed that you do not damage the thread surface of the flame-proof gap.
Attention!
- Heed that you do not damage the housing seals. Keep them clean!
Network access and visualization
- The most important procedures of the first starting up the camera are described below. The configuration menu of the web surface allows an intuitive navigation and offers several configuration possibilities. For detailed documentation and information how to use the web Interface, please see the User Manual for Axis or visit the following website: http://www.axis.com/products/axis-p5655-e

- At delivery, the ExCam IPP5655 is set to the applicable net frequency (50Hz or 60Hz). If the camera is used at a location with a differing net frequency, a flickering of the picture might be noticeable, particularly in surroundings with fluorescent tubes. In such a case, the applicable settings have to be carried out within the menu “System Options > Advanced > Plain Config”.
- User: root
- Password: root
Browser Support
- A list of the currently supported web browsers, operating systems, required add-ons, etc. can be viewed at:
- http://www.axis.com/support/technical-notes/browser-support
- https://help.axis.com/access-your-device
- https://www.axis.com/support
Assigning the IP address
- The ExCam IPP5655 is intended for use in an Ethernet network and requires an IP address to access and control it. In the most today’s networks, a DHCP server is integrated. This server automatically assigns an IP address.
- https://www.axis.com/support/tools/axis-ip-utility
- If there is no DHCP server available in the network, the ExCam IP’s default address is “192.168.0.90” (subnet masking 255.255.255.0).
- With the AXIS IP Utility, it is possible to determine the IP address under Windows.
- In case it is not possible to assign the IP address, it might be necessary to change the firewall settings!
- The “AXIS IP Utility“ tool automatically recognizes all ExCam devices and visualises them in the device list. It can also be used to manually assign a static IP address. For this pur-pose, the ExCam IPP5655 network camera has to be installed in the same physical net-work segment (physical subnet) as the computer on which the AXIS IP
- Utility is running. The network signature of ExCam IPP5655 is “AXIS P5655” (see Figure 7.1). MAC address and serial number for clear device identification are also detected and displayed.

Password/ Identification
- The following user name is set at the factory: root
- The following password is set at the factory: root
Maintenance
- The applicable regulations for the maintenance and servicing of electrical devices in po-tentially explosive atmospheres must be adhered to.
- The required maintenance intervals are specific to the individual devices. The operating company has to determine these intervals depending on the application parameters.
- The maintenance tasks especially include examination of parts on which the ignition protection depends (e.g., proper condition of the casing, seals and cable entry points).
- If maintenance measures are necessary they have to be initiated and/or executed.
Reparation
- Reparations must only be carried out with original parts of SAMCON Prozessleittechnik GmbH. Damaged pressure-resistant housings have to be replaced completely. In case of doubt, send the part in question back to SAMCON Prozessleittechnik GmbH.
- Reparations affecting the explosion protection must only be carried out in accordance with nationally applicable regulations – by SAMCON Prozessleittechnik GmbH or by an electri-cian specially authorised by SAMCON Prozessleittechnik GmbH. Rebuilding of or alterations to the devices are not permitted!
Disposal/ Recycling
- When disposing of the device, nationally applicable regulations must be observed.
- This Document is subject to alterations and additions.
Drawings & 3D models
- All drawings, 3D models, certificates and other information are available in the download area of the product page on our website:
- https://www.samcon.eu/en/products/network/excam-ipp5655/


- If you wish additional technical information, please contact us at:
- Schillerstraße 17, 35102 Lohra-Altenvers
- www.samcon.eu,
- [email protected]
- fon: +49 6426 9231-0, fax: – 31
History of revisions
- Product: ExCam® IPP5655
- Title: User Manual for ExCam® IPP5655
- Doc. -Id. 200204-PT08BA-ES-ExCam IPP5655_en_rev.03.docx
- Author: Eva Schneider, Grad. Eng. (FH)
- Created on: 04.02.2020
| Rev. Index | Date | Name | Comment | Approved by the ATEX Supervisor |
| 0 | 04.02.2020 | E. Schneider | Compilation of the document | |
| 1 | 04.01.2021 | E. Schneider | Modifications of the variants x.N into x.H | |
| 2 | 25.05.2022 | E.Schneider | Change of the temperature Type N.H to -20°C | |
| 3 | 24.01.2023 | E.Schneider | Change of EAC-Ex Certificate | Alexander Digital unterschrieben von Alexander Kruse DN: cn=Alexander Kruse, o, ou, Kruse [email protected], c=DE Datum: 2023.01.24 11:03:54 +01’00’ |
References
YouTube
AXIS P5655-E PTZ Network Camera | Axis Communications
AXIS OS Portal User manual
Explosion Proof Camera Housings - IECEx and ATEX CCTV Systems
Explosion Proof Camera Housings - IECEx and ATEX CCTV Systems
YouTube
YouTube
YouTube
How to assign an IP address and access your device
Welcome to Axis support | Axis Communications
AXIS IP Utility | Axis Communications
Ex-proof Dome Camera - IECEx + EAC-Ex blast proof CCTV Camera
Ex-proof Dome Camera - IECEx + EAC-Ex blast proof CCTV Camera
























