SAMCON ExCam IPQ1615 Explosion Proof Camera

Introduction
The ExCam IPQ1615 is a powerful megapixel IP camera (2-mega-pixel resolution) with advanced analysis (object classification). It is certified by ATEX, IECEx, EAC-Ex and IA. The camera has a high-definition television resolution (1920×1080 with 100/120 images/s) and is equipped with a powerful remote zoom and remote focus lens. Besides this it has a Deep Learning Processor Unit for artificial intelligence with deep learning. The ExCam series is certified both in accordance with the European (ATEX) and international directive (IECEx). The explosion-protected housing is approved for ATEX group II for zones 1, 2, 21 and 22 including the explosion groups IIC / IIIC. To see other approvals, please visit our website at www.samcon.eu/en When designing the ExCam IPQ1615, we attached a very high importance to safety, mechanical precision and high quality of stainless steel.
Technical data
Explosion protection

Illustration of the model key
| 1) Ex product- name | 2) Type | 3) Housing- combination | 4) Temp.- range | 5) Cable length [m] | 6) Cable termin. |
| ExCam IPQ1615 | T08- | VA2.3.K3.BOR2- | N.H- | 005.N- | P- |
| T08- | VA2.3.K3.BOR2- | N.H- | 005.N- | T- | |
| T08- | VA2.3.K3.BOR2- | N.H- | 005.A- | P- | |
| T08- | VA2.3.K3.BOR2- | N.H- | 005.A- | T- | |
| T08- | VA2.3.K3.BOR2- | LL.H- | 005.N- | P- | |
| T08- | VA2.3.K3.BOR2- | LL.H- | 005.N- | T- | |
| T08- | VA2.3.K3.BOR2- | LL.H- | 005.A- | P- | |
| T08- | VA2.3.K3.BOR2- | LL.H- | 005.A- | T- |
Explanations:

Electrical parameters of the camera
- Supply of 24 V DC for the heating:
- Voltage supply: 22 V DC < Uin < 26 V DC
- Power consumption: Approx. 40W@-60°C (depends on temperature)
- Power supply of the camera via Ethernet (PoE):
- Voltage supply: PoE, IEEE 802.3af/802.3at type 1 class 3
- Reference voltage: +48 V DC (44…54 V DC)
- Maximum power consumption: 12.95 W
- Typical power consumption: 8.2 W
Connection cable Ex-d – Ex-e
- Description: Data transfer and power supply of the camera module (compliant with DIN EN 60079-14)
- Jacket colour: Green (GN), similar to RAL3001
Connection cable for models without heater (SKD02-T/ASKD02-T)
- Systemcable SKD02-T:
- Outside diameter: 8.9 ± 0.3 mm
- Bending radius: 8 x Da when installed and 4 x Da after relocation
- Data line: 4 x 2 x AWG23/1 CAT.6
- Properties: PUR halogen-free, flame-retardant, UV-resistant, chemical resistance, shielded
Quick link:
https://www.samcon.eu/fileadmin/documents/en/60-Assembling%26mounting/SKD02-T_Datasheet.pdf

- Systemcable ASKD02-T:
- Outside diameter: 12.0 ± 0.4 mm
- Bending radius: 20 x Da when installed and 10 x Da after relocation
- Data line: 4 x 2 x AWG23/1 CAT.6
- Properties: PUR halogen-free, flame-retardant, UV-resistant, chemical resistance, shielded (see www.samcon.eu)
Quicklink: https://www.samcon.eu/fileadmin/documents/en/60-Assembling%26mounting/ASKD02-T_Datasheet.pdf

Connection cable for models with heater (SKDP03-T/ASKDP03-T)
- Systemcable SKDP03-T:
- Outside diameter: 12.40 ± 0.3 mm
- Bending radius: 8 x Da when installed and 4 x Da after relocation
- Data line: 4 x 2 x AWG23/1 CAT.6
- Performance elements: 3G1.5 (BK-BU-GN/YE)
- Properties: PUR halogen-free, flame-retardant, UV-re-sistant, chemical resistance, shielded
Quick link:
https://www.samcon.eu/fileadmin/documents/en/60-Assembling%26mounting/SKDP03-T_Datasheet.pdf

- Systemcable ASKDP03-T:
- Outside diameter: 15.50 ± 0.6 mm
- Bending radius: 15 x Da when installed and 10 x Da after relocation
- Data line: 4 x 2 x AWG23/1 CAT.6
- Performance elements: 3G1.5 (BK-BU-GN/YE)
- Properties: PUR halogen-free, flame-retardant, UV-re-sistant, chemical resistance, shielded
Quicklink: https://www.samcon.eu/fileadmin/documents/en/60-Assembling%26mounting/ASKDP03-T_Datasheet.pdf

Video-technical characteristics
We use the AXIS Q 1615 MkIII Network Camera in a pressure-resistant enclosure. For details, please refer to the Product Documentation, video-technical data of AXIS®:
https://www.axis.com/products/axis-q1615-mkiii

Other technical data
| Camera (Ex-d) | Terminal box (Ex-e) | |
| Permissible ambient temperature | -10°C … +60°C (for PoE power supply) -60°C … +60°C (In the event of additional 24 V DC power supply) | -60°C … +55°C |
| Protection class as per EN 60529/IEC 529 | IP68 (Test conditions: 24h/3m water column 5°C) | IP66 |
| Housing material | stainless steel, mat. no. 1.4404 | polyester resin |
| Weight | about 11 kg | about 1 kg |
| Dimensions | D113mm x 310mm | 145mm x 145mm x 71mm |
Safety Instructions
Please absolutely observe the installation instruction’s safety directions of the T08 ExCam series!
Quick link: https://www.samcon.eu/fileadmin/documents/en/22-Ex-Network-Cameras/ExCam-Series-T08-EX-Installation-Manual-2020.pdf
It is absolutely mandatory to adhere to the national safety regulations and regula-tions for prevention of accidents, as well as to the safety instructions given below in this User Manual!
- Attention! Cameras of type T08 ExCam are not suitable for use in zones 0 and 20. The ambient temperature, temperature class and explosion group writ-ten on the enclosure nameplate must be absolutely adhered to! The customer is not allowed to make any alterations of the camera! The camera must be operated in a proper and sound condition and only in the way intended.
- Attention! Repairs may only be carried out by using original parts from the manu-facturer. Repairs which affect the explosion protection may only be car-ried out in accordance with the nationally applied regulations and ex-clusively by the manufacturer.
- Attention! Prior to installation, take external sources of heat or cold into account! The temperature ranges prescribed for storage, transport and operating must be adhered to!
- Attention! Adhere to the warnings given on the nameplate:
- “WARNING – DO NOT OPEN IN HAZARD AREAS“
- Using the camera in explosion-protected areas with regard to tempera-ture and dust layers is defined in the respective national regulations.
- When installing the ExCam, adhere to the requirements of the EN/IEC 60079-14.
Installation
For commissioning and operating the camera, the relevant national regulations, as well as the generally accepted rules of technology shall prevail. Before mounting the camera, thor-oughly check it for any transport damage, especially on the housing and cable. Installation, electrical connection and the first start must only be carried out by qualified specialists.
Work preparation:
- Attention! Prepare your work carefully and in accordance with the relevant regulations.
- Attention! Depending on classification of hazard areas, it is imperative to obtain a work approval first! When you open the pressure-resistant enclosure under voltage, it is ab-solutely necessary to prevent potentially explosive atmosphere!
To ensure the best image quality delivered by the network camera, plan the installation site carefully (consider light conditions, object distance or size, angle and minimum object distance to the focus).
- Use appropriate tools and aids.
- When working, ensure a safe stand.
- Make sure that any static charge is avoided.
Attention! Please observe the national security, installation and accident preven-tion regulations (e.g. DIN EN 60079-14) and the safety instructions in this User Manual, as well as the ones in the Installation Guidelines!
Attention! Adhere to the provisions of the IECEx, ATEX and EX installation instructions for mounting and starting up!
The ExCam® IPQ1615 consists of a flame-proof camera housing (Ex-d) and, optionally (models with a terminal box …-T), a terminal box of a high degree of safety (Ex-e). Both units are connected via a reinforced 5 m cable. Mount the camera according to the desired field of view. Install the terminal box so that a good accessibility is provided, in order to facilitate electrical connection.
Please pay attention to the national and local regulations for mounting heavy loads. In case of doubt, take appropriate security measures.
Drawings for drill hole patterns and further information can be viewed on our product page:
Quick link: https://www.samcon.eu/en/products/network/excam-ipq1615/

Optional mounting accessories

Electrical connection
- Attention! The electrical connection of the equipment may only be carried out by qualified and skilled personnel!
- Attention! It is absolutely necessary to ground the ExCam® series’ housing via the PA connection.
- Attention! Please observe the national security, installation and accident preven-tion regulations (e.g. DIN EN 60079-14) and the safety instructions in this User Manual, as well as the ones in the Installation Guidelines!
The delivered ExCam® IPQ1615 is equipped with an electrical connection cable of the type (A)SKD02-T (models without heater) or type (A)SKDP03-T (models with heater). The maximum transmission range from the camera to the next active network interface is 100 meters and can be individually specified by the client. The user is NOT authorised to do electrical connection procedures inside the pressure-resistant enclosure.
Potential equalization
Potential equalization/grounding of the camera housing is absolutely necessary, in order to avoid static charges and thus the formation of sparks. For this purpose, a screw terminal is provided at the rear side, at the bottom (right) (see Figure 5-1). The cross-section of the potential equalization should comply with the National Ground Rules (at least 4mm2).
Wiring table:
| Potential | Colour (IEC 60757) | Cross-section | Comment |
| PA | GN/YE | 4 mm2 (rigid) | Terminal: Slotted screw M4x0.7 (DIN 84) with washer Ø9mm (DIN 125A), Keep 3 Nm tightening torque! |
Connection work at the device (terminal box) and fuses
- Supply of 24V DC for the heating
- Voltage supply: 22 V DC < Uin < 26 V DC
- Power consumption: Approx. 40W@-60°C (depends on temperature)
- Power supply for the camera (PoE)
- Voltage supply: PoE, IEEE 802.3af/802.3at type 1 class 3
- Reference voltage: +48 V DC (44…54 V DC)
- Maximum power consumption: 12.95 W
- Typical power consumption: 8.2 W
The figures 5.2 and 5.3 illustrate the potential cable terminations of the ExCam IPQ1615. Possible terminations are: terminal box or plug.
- Attention! Never open the Ex-e terminal box under voltage!
- Attention! Adhere to the international installation regulations for connection chambers with increased safety (Ex-e).
- Attention! Adhere to attached separate User Manual for the Ex-e terminal box.

Video Tutorial:
Observe our video tutorial: “SAMCON 01 Wiring the cable SKDP03-T to the junction box ExTB-3” https://go.samcon.eu/v01


The pin assignment of the SKD02-T is executed in accordance with the standard EIA/TIA-568B for 100BaseTX and 24VDC, as follows:
| Camera (Ex-d) (T568B) | Colour SKD02-T (IEC60757) | Terminal ExTB-3 | Cross-sec- tional sur- face | Comment |
| Tx+ | WH / OG | 1 | 0.26 mm2 | Solid conductor |
| Tx- | OG | 2 | 0.26 mm2 | Solid conductor |
| Rx+ | WH / GN | 3 | 0.26 mm2 | Solid conductor |
| Rx- | GN | 4 | 0.26 mm2 | Solid conductor |
| (PoE +48 VDC) | WH / BU | 5 | 0.26 mm2 | Solid conductor |
| (PoE +48 VDC) | BU | 6 | 0.26 mm2 | Solid conductor |
| (PoE GND) | WH / BN | 7 | 0.26 mm2 | Solid conductor |
| (PoE GND) | BN | 8 | 0.26 mm2 | Solid conductor |
| GND/SHD | YE / GN | PE | 2.5 mm2 | Flex |
The pin assignment of the ASKD02-T is executed in accordance with the standard EIA/TIA-568B for 100BaseTX and 24VDC, as follows:
| Camera (Ex-d) (T568B) | Colour ASKD02-T (IEC60757) | Terminal ExTB-3 | Cross-sec- tional sur- face | Comment |
| Reinforcement | YE / GN | PE | 2.5 mm2 | Flex |
| Tx+ | WH / OG | 1 | 0.26 mm2 | Solid conductor |
| Tx- | OG | 2 | 0.26 mm2 | Solid conductor |
| Rx+ | WH / GN | 3 | 0.26 mm2 | Solid conductor |
| Rx- | GN | 4 | 0.26 mm2 | Solid conductor |
| (PoE +48 VDC) | WH / BU | 5 | 0.26 mm2 | Solid conductor |
| (PoE +48 VDC) | BU | 6 | 0.26 mm2 | Solid conductor |
| (PoE GND) | WH / BN | 7 | 0.26 mm2 | Solid conductor |
| (PoE GND) | BN | 8 | 0.26 mm2 | Solid conductor |
| GND/SHD | YE / GN | PE | 2.5 mm2 | Flex |
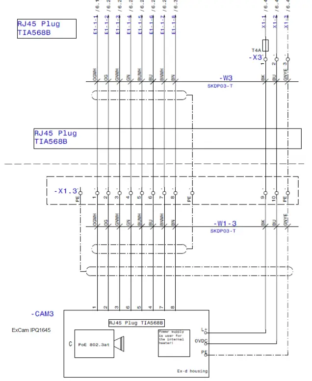
The pin assignment of the SKDP03-T is executed in accordance with the standard EIA/TIA-568B for 100BaseTX and 24VDC, as follows:
| Camera (Ex-d) (T568B) | Colour SKDP03-T (IEC60757) | Terminal ExTB-3 | Cross-sec- tional sur- face | Comment |
| Tx+ | WH / OG | 1 | 0.26 mm2 | Solid conductor |
| Tx- | OG | 2 | 0.26 mm2 | Solid conductor |
| Rx+ | WH / GN | 3 | 0.26 mm2 | Solid conductor |
| Rx- | GN | 4 | 0.26 mm2 | Solid conductor |
| (PoE +48 VDC) | WH / BU | 5 | 0.26 mm2 | Solid conductor |
| (PoE +48 VDC) | BU | 6 | 0.26 mm2 | Solid conductor |
| (PoE GND) | WH / BN | 7 | 0.26 mm2 | Solid conductor |
| (PoE GND) | BN | 8 | 0.26 mm2 | Solid conductor |
| GND/SHD | YE / GN | PE | 2.5 mm2 | Flex |
| L+ | BK | 9 | 1.5 mm2 | L+ 24VDC |
| L- | BU | 10 | 1.5 mm2 | L- 24VDC |
| PE | YE / GN | PE | 1.5 mm2 | PE |
The pin assignment of the ASKDP03-T is executed in accordance with the standard EIA/TIA-568B for 100BaseTX and 24VDC, as follows:
| Camera (Ex-d) (T568B) | Colour ASKDP03-T (IEC60757) | Terminal ExTB-3 | Cross-sec- tional sur- face | Comment |
| Reinforcement | YE / GN | PE | 2.5 mm2 | Flex |
| Tx+ | WH / OG | 1 | 0.26 mm2 | Solid conductor |
| Tx- | OG | 2 | 0.26 mm2 | Solid conductor |
| Rx+ | WH / GN | 3 | 0.26 mm2 | Solid conductor |
| Rx- | GN | 4 | 0.26 mm2 | Solid conductor |
| (PoE +48 VDC) | WH / BU | 5 | 0.26 mm2 | Solid conductor |
| (PoE +48 VDC) | BU | 6 | 0.26 mm2 | Solid conductor |
| (PoE GND) | WH / BN | 7 | 0.26 mm2 | Solid conductor |
| (PoE GND) | BN | 8 | 0.26 mm2 | Solid conductor |
| GND/SHD | YE / GN | PE | 2.5 mm2 | Flex |
| L+ | BK | 9 | 1.5 mm2 | L+ 24VDC |
| L- | BU | 10 | 1.5 mm2 | L- 24VDC |
| PE | YE / GN | PE | 1.5 mm2 | PE |



- Attention! Introduce the foiling up to about 15 mm close to the terminals, in order to prevent alien crosstalk. Make sure that the foiling cannot cause any short circuit of the data pairs!
- Attention! Bring the twisted pair composite up to about 10 mm close to the termi-nals, in order to ensure interference immunity.
- Attention! Use only terminals approved by SAMCON.
- Attention! Finally, check your network installation with a Class-D Link Test.
External connection and protection
There are several options of routing the ExTB-3 terminal box to a safe area:
Direct routing from the ExTB-3 into the safe area
In the case of direct routing from ExTB-3 to the safe area, the power supply and the volt-age signal are led from the safe area to the terminal box. Please observe the terminal box assignment, as described above.
- Attention! Cables and wires must comply with the requirements of the IEC 60079-0/1/7 & 14.
- Attention! The supply line must have a sufficient cross-section. The cable protec-tion must comply with national and international regulations.
Routing via ExConnection Rail (optional accessories)
In the case of routing the ExTB-3 into an ExConnection Rail, larger installation distances can be managed.
Note: In hazardous areas, the ExConnection Rail (optional accessories) acts as a PoE+ switch, a media converter from copper to fibre-optic cable, as well as a power supply for the cameras.
- Attention! Cables and wires must comply with the requirements of the IEC 60079-0/1/7 & 14.
- Attention! The supply line must have a sufficient cross-section. The cable protec-tion must comply with national and international regulations.
Appropriate cables & cable entries
An integral part of the device safety is the correct selection of the cables, wires and cable entries.
Attention! Cables and wires must comply with the requirements of the IEC 60079-0/1/7 & 14.
Attention! The supply line must have a sufficient cross-section. The cable protection must comply with national and international regulations.
For non-binding configuration and planning guidelines, please visit our website:
Perhaps our video will help you: “Cables for flameproof devices in potentially explosive atmospheres” http://go.samcon.eu/video-cable-ex


Particularly for installations requiring a suitable barrier gland, make sure that you handle them correctly and observe the rules and notes given in the respective mounting and as-sembly instructions.
We show the essential procedures in the following video tutorial:
Video Tutorial:
Please note our video tutorial: “SAMCON 02 Mounting and installing Ex-d barrier glands to ExConnection Rails” https://go.samcon.eu/v02


Fusing
PoE power supply requires no fuses. The power supply fusing depends on the cable cross-section and length.
- Attention! Recommendation for fusing relates to 40W@24VDC at 100 meters and 1.5 mm2
- Attention! When the heating switches on, high current peaks occur! Use slow-blow fuses.
- Attention! Please pay attention to the national and international regulations re-garding selectivity and line protection.
| Potential/ Wire no. | Colour (IEC60757) | Conductor | Voltage | Maximum power consumption/fusing: |
| L+ / 1 | BK | 1.5mm2, stranded wire | +24 V DC | 40 W of continuous power Fine-wire fuse (L+) 4000 mA -T- slow-blow (high inrush load!) |
| L- / 2 | BU | 1.5mm2, stranded wire | 0 V DC / GND | |
| PE | YE/GN | 1.5mm2, stranded wire | PE |
Plug assignments (RJ45)
The data transfer of the ExCam IPQ1615 uses a 100 Mbit/s Ethernet connection (100BASE-TX). If the cable termination uses a plug, the latter should be plugged into the RJ45 PoE slot of the network device (PSE). Prior to connecting it to the camera, the net-work device (PSE) can already be supplied with power, hence there is no „power ON“ priority which has to be observed.
- Attention! Use appropriate RJ45 plugs! Check the cable shielding, cross-section and the outside diameter!
- Attention! It is imperative to ensure a correct routing of the individual wires ac-cording to the EIA/TIA-568B”
- Attention! Finally, check your network installation with a Class-D Link Test.
Detailed instructions on how to connect a RJ45 plug are available in our video tutorial: “SAMCON 03 Mounting and installing the RJ45 jack to SAMCON cables” https://go.samcon.eu/v03

Tests prior to switching on voltage
- Attention! Prior to starting the device, perform all tests as indicated by the national regulations. Furthermore, check the correct function and installation of the device in accordance with this User Manual and other applicable regulations.
- Attention! Incorrect installation or operation of the camera may lead to a loss of warranty!
- Attention! Do not switch on the camera at temperatures below 0°C!
Working inside the camera housing (Ex-d)
The customer may open the housing only if it is absolutely necessary. Only exchanging the SD memory card or a hardware reset are reasons for this.
Preparation for work:
- Attention! Prepare your work carefully and in accordance with the relevant regulations.
- Attention! Depending on classification of hazard areas, it is imperative to obtain a work approval first!
If you adjust the camera yourself or open the pressure-resistant enclo-sure (Ex-d) under voltage, it is absolutely imperative to prevent poten-tially explosive atmosphere!
Opening the pressure-resistant housing
- WARNING – MAY NOT BE OPENED IN HAZARD AREAS
- Note: Depending on classification of hazard areas, it is imperative to obtain a work approval first!
Even after switching on the power supply, it is absolutely imperative to avoid potentially explosive atmosphere when opening the camera housing. Opening the housing requires disassembly and working in a safe (i.e. non-explosive!) area. - Attention! Pay attention not to damage the thread surface of the flame-proof gap.
- Attention! Pay attention not to damage the housing seals. Keep them clean!
If the ExCam IPQ1615 is equipped with a weather protection roof this has to be removed prior to starting your work! To do so, loosen the 4x8mm lens screws M4*0.7 at the front and rear sides of the bracket holders (Figure 6-1).
To open the stainless-steel housing (T07 VA2.3.x.x) of ExCam IPQ1615, loosen the eight cylinder-head hexagon screws (DIN 912/ ISO 4762) together with their spring rings (DIN 127A) on the rear side of the cable and power supply flange (see Figure 6-3). Caution: do not touch the screw threads with your skin or clothes! On the threads, there is LOCTITE® 243™ (chemical basis is dimethacrylate ester) applied to prevent the bolted connection from unintentional loosening because of impacts and vibrations and to seal them tightly. It is not permitted for the customer to open the front-side sight glass flange! There is no need of such an action.
Carefully pull out the cable and supply flange to the rear, as straight as possible. Because of negative pressure, it may be difficult to remove the flange. The cylindrical clearance fit (H8f7 – DIN ISO 286) of the camera body and flange may not be tilted! Risk of damage to the flame-proof gap (DIN EN 60079-1:2012)!
Attention: The mounting adapter with the housing’s PTC heater, camera module and op-tics, as well as the temperature control, and (if applicable) auxiliary relays and terminal block are fixed on the cable and supply flange. Dealing with these components, too, you have to work very carefully and precisely in order to avoid canting and damage to the in-built components! Caution: do not touch the cylindrical fit surface with your skin or clothes! On the surface, there is oil lubricating paste to protect the surface against fretting corrosion and mechanical stresses. When you open the housing, pay attention that you do not damage the GYLON® flat seal (blue, RAL5012) and do not make it dirty! The flat gasket is loosely attached to the cable and power supply flange. It is fixed only by the bolted connections!
- Attention! Pay attention not to damage the surface of the drill hole and the shaft (fitting) of the flame-proof gap.
- Attention! Pay attention not to damage the housing seals. Keep them clean!

Removing/inserting a SD memory card
Note: The ExCam IPQ1615 has a slot for a micro SDHC memory card (card not included). Saved video files can be played and deleted via the web interface. They are also available in a download list. Moreover, the videos available in the memory card can also be accessed via FTP server in the network.
If the memory card has to be replaced by the user, it should be, as far as possible, empty and pre-formatted with an ext4 or vFAT file system.
When touching electrical components, observe potential equalization (grounding of the body): carry electrostatic-discharge clothes, a PE wristband etc.!
Hardware Reset
To set all the parameters of the ExCam IPQ1615 (including the IP address) to default val-ues, you should run a hardware reset.
The parameters can be reset via the web interface or manually. If the camera placed in the network can no longer be reached or its state is uncontrollable, the reset should be per-formed manually. To do so, proceed as follows:
- Disconnect the camera installation module (Axis Q1615 MkIII) from the power supply.
- Press and hold the control button (see the illustration below) and, at the same time, connect the system to the voltage supply (PoE).
- Hold the control button pressed for about 30 seconds.
- Release the control button. After about a minute, the AXIS Q1615 MkIII will return to factory defaults. If there is a DHCP server in the network, the IP address will be the following: 192.168.0.90 (subnet masking 255.255.255.0).
- IP address and password can be redefined. If the hardware reset is not satisfactory or the network camera shows serious conflicts or does not work as usual (errors in the browser visualisation, frozen images, control commands no longer processed, slowing down of the system, etc.), it may be necessary to re-install the current firm-ware, or to install an update (see Chapter 7).
Closing of the pressure-resistant housing
For closing the housing, proceed in reverse order as when opening. Use exclusively origi-nal screws included in the supply.
The cable and power-supply flange (K3) is fixed by 8 cylinder-head screws M4*0,0.7 (ISO metric right-turning) with 30 mm thread length (DIN 912/ ISO 4762, grade 6g). Materials of bolted connections are identical to the pressure-resistant stainless steel housing (standard material no. 1.4404 AISI316L). Check whether the threaded holes are undamaged and clean. Before closing, it is also absolutely imperative to check the flame-proof gap (circular cylindrical fit).
Attention! If any mechanical damages occurred to the fitting gap, it is no longer allowed to use the housing!
Attention! Do not lock-in any foreign objects in the housing.
Dismantled screw locks (spring washers DIN 127A) must be used again.
The GYLON® gasket must be used in undamaged condition, according to the flange hole pattern, and placed between the flange and the hull. The lateral position of the flat surface / contact surface is arbitrary. If, when closing the housing, you see that the surface of the fitting gap is dirty or insuffi-ciently lubricated, clean it with a clean cloth and de-grease it with a suitable cleaning agent. Then re-grease it with lubricant suitable for this specific application (e.g., Molykote® P-40 gel for standard applications or special grease OKS 403 in the event of heavy seawater influence). The screwed connections of flange and body components must always be tightened cross-wise to a torque of 3 Nm! Do not tighten the screw too strongly! It can cause rupture of the cylinder head or over-stretching the threads, and thus to impairment of the pressure re-sistance or ignition protection class
Cylinder-head bolts for explosion-proof connection of the camera body with the flange component must always be tightened at a 3 Nm torque – crosswise and evenly!
Battery
The ExCam IPQ1615 is equipped with a high-temperature resistant Panasonic button cell BR2330A/VAN. This cell supplies energy to the internal real time clock (RTC). The cus-tomer is not allowed to replace the battery! In this case, please contact the manufacturer.
Network access and visualization
The most important procedures of the first starting up the camera are described below. The configuration menu of the web surface allows an intuitive navigation and offers several configuration possibilities. For detailed documentation and information how to use the web Interface, please see the User Manual for Axis or visit the following website:
https://www.axis.com/products/axis-q1615-mk-iii

The delivered ExCam IPQ1615 is set to the applicable net frequency (50Hz or 60Hz). If the camera is used at a location with a differing net frequency, the image might start to flicker, particularly in surroundings with fluorescent tubes. In such a case, the applicable settings have to be carried out inside the menu “System Options > Advanced > Plain Con-fig”.
- User: root
- Password: root
Browser Support
A list of the currently supported web browsers, operating systems, required add-ons, can be viewed at: http://www.axis.com/techsup/cam_servers/tech_notes/browsers.htm
Assigning the IP address
The ExCam IPQ1615 is intended for use in an Ethernet network and requires an IP address to access and control it. In the most today’s networks, a DHCP server is integrated. This server automatically assigns an IP address.
If there is no DHCP server available in the network, the IP default address of ExCam IPQ1615 is “192.168.0.90” (subnet masking 255.255.255.0).
With the “AXIS IP Utility”, it is possible to determine the IP address under Windows; the included USB stick contains this application. If it is not possible to assign the IP address, it might be necessary to change the firewall settings!
The “AXIS IP Utility“ tool automatically recognizes all ExCam devices and visualises them in the device list. It can also be used to manually assign a static IP address. For this pur-pose, the ExCam IPQ1615 network camera has to be installed in the same physical net-work segment (physical subnet) as the computer on which the AXIS IP Utility is running. The network signature of ExCam IPQ1615 is “AXIS Q1615” (see Figure 7-1). MAC address and serial number for clear device identification are also detected and displayed.
Password/ Identification
- The following user name is set at the factory: root
- The following password is set at the factory: root
Maintenance / Modification
The applicable regulations for the maintenance and servicing of electrical devices in po-tentially explosive atmospheres must be adhered to.
The required maintenance intervals are specific to the individual devices. The operating company has to determine these intervals depending on the application parameters. The maintenance tasks especially include examination of parts on which the ignition protection depends (e.g., proper condition of the casing, seals and cable entry points). If maintenance measures are necessary they have to be initiated and/or executed.
Repairs may only be carried out with original parts of SAMCON Prozessleittechnik GmbH. Damaged pressure-resistant housings have to be replaced completely. In case of doubt, send the part in question back to SAMCON Prozessleittechnik GmbH.
Reparations concerning the explosion protection must only be carried out in accordance with nationally applied regulations by SAMCON Prozessleittechnik GmbH or by an author-ised electrical technician authorised by SAMCON Prozessleittechnik GmbH. Rebuilding of or alterations to the devices are not permitted.
Disposal / Recycling
When disposing of the device, nationally applicable regulations must be observed. This Document is subject to alterations and additions.
Drawings & 3D models
All drawings, 3D models, certificates and other information are available in the download area of the product page on our website:
https://www.samcon.eu/en/products/network/excam-ipq1615/

If you wish additional technical information, please contact us at: [email protected]
Certificates and further documentation
Certificates and further documentation are available in the download area at the product website: https://www.samcon.eu/en/products/network/excam-ipq1615
History of revisions
- Product: ExCam® IPQ1615
- Title: User Manual for ExCam® IPQ1615
- Doc. -Id. 210222-PT08BA-ES-ExCam IPQ1615_en_rev.01.docx
- Author: Eva Schneider, Grad. Eng. (UAS)
- Created on: 22.02.2021
| Rev. Index | Date | Name | Comment | Approved by the ATEX Supervisor |
| 0 | 22.02.2021 | E. Schneider | Compilation of the document | |
| 1 | 23.01.2023 | E. Schneider | Change of EAC-Ex Certificate | Alexander Digital unterschrieben von Alexander Kruse DN: cn=Alexander Kruse, o, ou, Kruse [email protected], c=DE Datum: 2023.01.23 10:46:03 +01’00’ |
Schillerstrasse 17, 35102 Lohra-Altenvers, Germany
www.samcon.eu
[email protected]
Phone: +49 6426 9231-0
fax: – 31

References
YouTube
Explosion Proof Camera Housings - IECEx and ATEX CCTV Systems
Explosion Proof Camera Housings - IECEx and ATEX CCTV Systems
Explosion Proof Camera Housings - IECEx and ATEX CCTV Systems
YouTube
YouTube
YouTube
AXIS Q1615 Mk III Network Camera | Axis Communications
ExCam IPQ1615- Explosion Proof Camera (CCTV) with fullHD resolution, ATEX, IECEx, EAC-Ex & IP68, AI with Deep Learning
ExCam IPQ1615- Explosion Proof Camera (CCTV) with fullHD resolution, ATEX, IECEx, EAC-Ex & IP68, AI with Deep Learning















