
NSW
Liquid-cooled camera housing
Instruction manual

About this manual
Read all the documentation supplied carefully before installing and using this product. Keep the manual in a convenient place for future reference. 1.1 Typographical conventions
DANGER!
High-level hazard. Risk of electric shock. Disconnect the power supply before proceeding with any operation, unless indicated otherwise.
CAUTION!
Medium level hazard. This operation is very important for the system to function properly. Please read the procedure described very carefully and carry it out as instructed.
INFO
Description of system specifications. We recommend reading this part carefully in order to understand the subsequent stages.
Notes on copyright and information on trademarks
The mentioned names of products or companies are trademarks or registered trademarks.
Safety rules
CAUTION! Device installation and maintenance must be performed by specialist technical staff only.
CAUTION! The electrical system to which the unit is connected must be equipped with a 10A max automatic bipolar circuit breaker. The minimum distance between
the circuit breaker contacts must be 3mm (0.1in). The circuit breaker must be provided with protection against the fault current towards the ground (differential) and the overcurrent (magnetothermal).
- The manufacturer declines all responsibility for any damage caused by improper use of the appliances mentioned in this manual. Furthermore, the manufacturer reserves the right to modify its contents without any prior notice. The documentation contained in this manual has been collected and verified with great care. The manufacturer, however, cannot take any liability for its use. The same thing can be said for any person or company involved in the creation and production of this manual. Before starting any operation, make sure the power supply is disconnected.
- Be careful not to use cables that seem worn or old.
- Never, under any circumstances, make any changes or connections that are not shown in this handbook. Improper use of the appliance can cause serious hazards, risking the safety of personnel and of the installation.
- Use only original spare parts. Non-original spare parts could cause fire, electrical discharge, or other hazards.
- Before proceeding with installation, check the supplied material to make sure it corresponds to the order specification by examining the identification labels (4.2 Product marking label, page 4).
- The equipment is intended for installation in a Restricted Access Area by specialist technical staff.
Identification
4.1 Product description and type designation
The solid construction of this housing makes it suitable for heavy-duty applications, such as the surveillance of ovens, foundries, and other high-temperature environments.
The NSW housing, entirely made of polished stainless steel, consists of a body with a double chamber for the circulation of coolant or cooling air, closed by two very thick flanges. The rear flange enables cable passage using two cable glands PG13.5. The front flange can be equipped with tempered glass or quartz glass for high temperatures.
4.2 Product marking label
See the label attached to the product. Check the label on the product packaging.
Preparing the product for use
Any change that is not expressly approved by the manufacturer will invalidate the guarantee.
5.1 Unpacking
When the product is delivered, make sure that the package is intact and there are no signs that it has been dropped or scratched. If there are obvious signs of damage, contact the supplier immediately. When returning a faulty product we recommend using the original packaging for shipping. Keep the packaging in case you need to send the product for repairs.
5.2 Contents
Check the contents to make sure they correspond with the list of materials below:
- Housing
- Housing equipment:
- Allen wrench
- Spacers
- Bolts and screws
- Instruction manual
5.3 Safely disposing of the packaging material
The packaging material can all be recycled. The installer technician will be responsible for separating the material for disposal, and in any case for compliance with the legislation in force where the device is to be used.
Installation
6.1 Preparing the housing
Dismantle the front flange (01) of the housing by unscrewing the four screws (02) with the hexagonal wrench (03) provided.
Position the glass in its seating on the flange, after correctly inserting the O-rings in the order as shown.

If there is an IR-proof filter glass, see the specific assembly instructions (7.1 Installation of IR-proof glass kit, page 9). Position the front flange of the housing on the body, making sure that the sealing rings are correctly inserted in their seating so as not to damage them. Tighten the 4 screws using the Allen wrench supplied.

6.2 Housing Opening
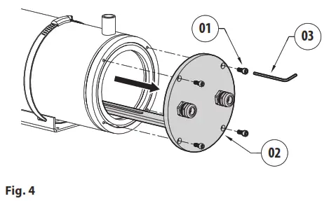
Unscrew the screws (01) on the rear flange (02) using the hexagonal wrench (03) provided. Slide out the rear cover plate of the housing, taking care to leave the sealing washer in its seating. By doing so, you can access the housing without dismantling the support bracket.
6.3 How to install the camera
Open the housing as described in the relative chapter (6.2 Housing opening, page 6). Assemble the camera on the slide using the insulating spacer (01) and the 1/4” screw and the washer (02) provided. If necessary, use the spacers to position the camera and lens correctly.
Insert the cables through the cable glands and electrically connect. Ensure the cable glands are firmly fastened.
6.4 Housing closure
Pay attention to the fixing. Tightening torque: 4Nm.
After installation and wiring, close the product. Pay attention not to damage the gasket. Make sure that the sealing ring is correctly fitted in its position.
6.5 Installing the housing
Pay attention to the fixing. Tightening torque: 4Nm.
Fasten the housing to the bracket using the screws provided.

6.6 Cooling circuit
The housing is equipped with an input and output joint on the cooling circuit, both of which are threaded 1/2” Gas. Installation and dispersal of heat requirements mean the position of the input and output joints on the cooling circuit must be adapted to the specific situation. The two joints on the cooling circuit placed near the front (01) and rear (02) flange can be used indifferently for cooling liquid input and output. If necessary, the housing can be rotated on its fixing base by loosening the two fixing clips (03).
6.6.1 Examples of system dimensioning
The following test data refer to the use of water as a cooling liquid, with an input temperature of the housing of 20°C and a maximum ambient temperature of 400°C.
WATER COOLING CIRCUIT (WITH INPUT WATER AT A TEMPERATURE OF 20°C)
| T environment (°C) | Water flow rate (l/min) | T inside the housing (°C) |
| 200 | 2 | 32 |
| 300 | 2.2 | 41 |
| 400 | 6.5 | 44 |
Tab. 1
The following test data refer to cooling with air, at an input temperature of the housing of 17°C and a maximum ambient temperature of 80°C.
| T environment (°C) | Air pressure (bar) | T inside the housing (m³/h) | T inside the housing (°C) |
| 80 | (bar) | 10 | 45 |
| 80 | 2 | 15 | 35 |
Tab. 2
6.7 Front flange with the air barrier
The flange with an air barrier is equipped with a 1/4” Gas thread joint and a reduction from 1/2” Gas to 1/4” Gas. This joint must be connected to the circuit with compressed air supplied by a compressor.

6.7.1 Suggested air capacity and pressure
Upstream of the housing, you are advised to install:
- Pressure gauge.
- Adjustment valve.
- Optional filters unit for compressed air cleaning (NXFIGRU2, filtration 0.1μm).
This allows you to:.
- Know and adjust the pressure to supply to the air barrier.
- Conduct simple maintenance.
Too high-pressure values can cause breakage of the window. Strictly comply with the maximum values listed below: Flange with 8 holes with double IR-proof glass
- System pressure: 4bar max
- Recommended minimum pressure: 2bar
Flange with 32 holes with tempered glass - System pressure: 6bar max
- Recommended minimum pressure: 2bar
For example purposes, the system pressure-output pressure and system pressure-air capacity graphics are outlined which are useful for compressor dimensioning. All the values must be considered purely approximate.


Accessories
7.1 Installation of IR-proof glass kit
The kit is composed of an IR-proof glass pair and a special air barrier flange that differs from the standard one, which must be replaced. Dismantle the front flange of the ousing by unscrewing the 4 screws using the hexagonal wrench provided. Insert the O-Ring gaskets (01), and (02) in the respective compartments in the flange. Position the glass air (03) in the specific compartment.
Correct orientation of the IR-proof glass. Marking (04) identifies the surface of each glass which must be turned outwards of the housing.

Position the new front flange on the body of the housing, paying attention to the gaskets that are correctly inserted in their compartments to avoid damaging them. Tighten the 4 screws using the Allen wrench supplied.
Cleaning
8.1 Cleaning the window
We recommend using a soft cloth with neutral soap diluted with water or specific products to clean the lenses.
Avoid ethyl alcohol, solvents, hydrogenated hydrocarbons, strong acid, and alkali. Such products may irreparably damage the surface.
Information on disposal and recycling
The European Directive 2012/19/EU on Waste Electrical and Electronic Equipment (WEEE) mandates that these devices should not be disposed of in the normal flow of municipal solid waste, but they should be collected separately in order to optimize the recovery stream and recycling of the materials that they contain and to reduce the impact
on human health and the environment due to the presence of potentially hazardous substances. The symbol of the crossed-out bin is marked on all products to remember this.
The waste may be delivered to appropriate collection centers or may be delivered free of charge to the distributor where you purchased the equipment at the time of purchase of a new equivalent or without obligation to a new purchase for equipment with a size smaller than 25cm (9.8in). For more information on the proper disposal of these devices, you can contact the responsible public service.
Technical data
10.1 General
Housing manufactured in polished stainless steel (austenitic stainless alloy steel resistant to corrosion and heat):
- AISI 316L
- UNI 6900-71: X 2 Cr Ni Mo 17 12 2
- DIN 17006: X 2 Cr Ni Mo 17 13 2
- N° werkst off: 1.4404
- AFNOR: Z2 CND 17-12
- BSI: 316S11
The screws utilized are in austenitic alloy stainless steel, corrosion, and heat resistant according to the following standards:
- ISO: 7380
- AISI: 316
- ISO quality: A4
- Resistance class ISO: from 50 to 70
10.2 Mechanical
External body polishing
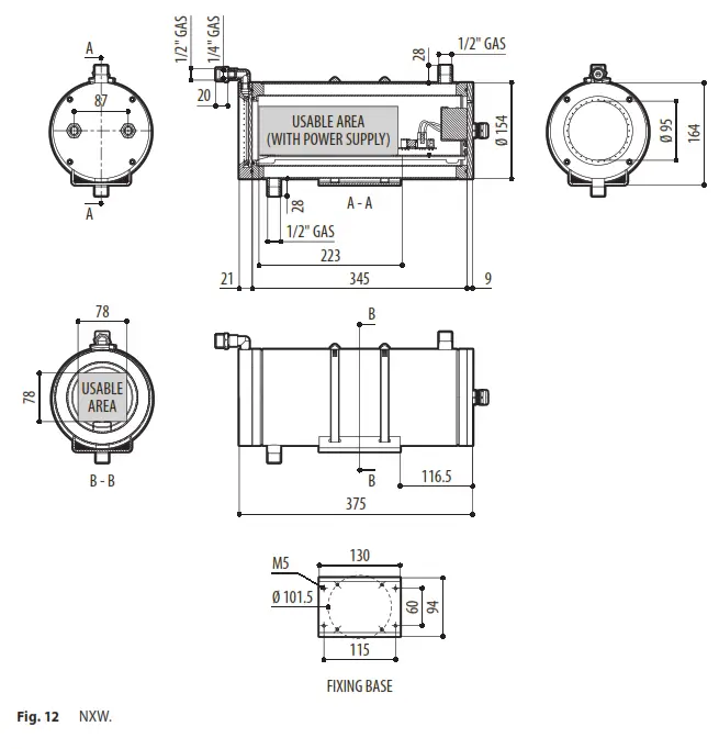
Dimensions (ØxL): 154x375mm (6×14.8in)
Internal usable dimensions (WxH): 78x78mm (3.1x 3.1in)
Internal usable length: 345mm (13.6in)
Internal usable length (with power supply): 223mm (8.8in)
2×1/2” GAS connectors for liquid input/output
The flange with an air barrier is equipped with a 1/4” Gas thread joint and a reduction from 1/2” Gas to 1/4” Gas.
Gaskets: O-ring
Flange thickness (back) : 9mm (0.35in)
Cable glands: 2xPG13.5 (nickel-plated brass)
Cooling liquid (application example with incoming water at 20°C (68°F) temperature):
- ambient temperature 200°C (392°F), water capacity 2l/min, the temperature inside the housing 32°C (89.6°F)
- ambient temperature 300°C (572°F), water capacity 2.2l/min, the temperature inside the housing 41°C (105.8°F)
- ambient temperature 400°C (752°F), water capacity 6.5l/min, the temperature inside the housing 4 4°C (111. 2° F)
Cooling Air (Application example with incoming air at 17°C(62°F) and an environmental temperature at 80°C(176°F)):
- with pressure 1bar, air capacity of 10m³/h, and the temperature inside the housing at 45°C (113°F)
- with pressure 2bar, air capacity 15m³/h, the temperature inside the housing 35°C (95°F)
Air barrier (Flange with 8 holes)
- Male input 1/2” GAS
- System pressure: 4bar max
- Recommended minimum pressure: 2bar
Air barrier (Flange with 32 holes)
- Male input 1/2” GAS
- System pressure: 6bar max
- Recommended minimum pressure: 2bar
Unit weight: 10.2kg (22lb)
10.3 Housing window
Usable diameter: 95mm (3.7in)
Tempered extra clear glass
- Thick: 6mm (0.24in)
- Operating temperature: 260°C (500°F) max, thermal gradient 108°C (226.4°F) max Quartz glass
- Thick: 6mm (0.24in)
- Operating temperature: 400°C (752°F) max, thermal gradient 220°C (428°F) max IR-proof glass
- Thick: 6.6mm (0.3in)
- Operating temperature: 260°C (500°F) max, thermal gradient 108°C (226.4°F) max
10.4 Electrical
Camera power supply
IN from 100Vac up to 240Vac, 50/60Hz – OUT 12Vdc, 1.25A
IN 230Vac, 50/60Hz – OUT 24Vac, 400mA
10.5 Environment
For indoors and outdoors installation
Maximum working temperature (with water cooling):
- with tempered glass 260°C (500°F) max
- with quartz glass 400°C (752°F) max
- with IR-proof glass 260°C (500°F) max
Relative humidity: from 5% up to 95%
10.6 Certifications
Electrical safety (CE): EN60065, EN62368-1
Electromagnetic compatibility (CE): EN50130-4, EN61000-6-3
IP protection degree: EN60529, IP66/IP67 EAC certification
Technical drawings
The indicated measurements are expressed in millimeters.

Headquarters Italy VIDEO TECH s.r.l.
Via Friuli, 6 – I-36015 Schio (VI) – Italy
Tel. +39 0445 697411 – Fax +39 0445 697414
Email: [email protected]
www.videotec.com
MNVCNXW_2222



















