
ASI071 Manual
Revision 1.5 Aug 2021
All materials related to this publication are subject to change without notice and its copyright totally belongs to Suzhou ZWO CO., LTD.
Instruction
Congratulations and thank you for buying one of our ASI CamerasThis manuals will give you a brief introduction to your ASI camera. Please take the time to read it thoroughly and if you have any other questions, feel free to contact us. [email protected]
ASI071 Camera is designed for astronomical photography. This is our first APS-C format CMOS camera which is not only suitable for DSO imaging, but also for another kind of astronomical imaging. The excellent performance and multifunctional usage will impress you a lot!
| Model | Mono or Color | Regulated TEC Cooling | Sensor |
| ASI071MC Pro | Color | Yes | SONY IMX071 CMOS |
| ASI071MC-COOL (Discontinued) | Color | Yes | SONY IMX071 CMOS |
For software installation instructions and other technical information please refer to “ASI USB3.0 Cameras software Manual” https://astronomy-imaging-camera.corni
What’s in the box?
ASI071MC Pro

Camera technical specifications
| Sensor | SONY IMX071 CMOS |
| Diagonal | 28.4mm |
| Resolution | 16 Mega Pixels 4944X3284 |
| Pixel Size | 4.78pm |
| Image area | 23.6mmX15.6nun |
| Max FPS at full resolution | 10FPS |
| Shutter | Rolling shutter |
| Exposure Range | 64ps-2000s |
| Read Noise | 2.3e @24db gain |
| QE peak | TBD |
| Full well | 46k e |
| ADC | 14 bit |
| DDRIII buffer | 256MB |
| Interface | USB3.0/USB2.0 |
| Adapters | M42X0.75 |
| Protect window | AR window |
| Dimensions | 86mm Diameter |
| Weight | 640g |
| Back Focus Distance | 17.5mm |
| Cooling: | Regulated Two-Stage TEC |
| Delta T | 35°C -40°C below ambient |
| Cooling Power consumption | 12V at 2A Max |
| Supported OS | Windows, Linux & Mac OSX |
| Working Temperature | -5°C-45°C |
| Storage Temperature | -20°C-60°C |
| Working Relative Humidity | 20%-80°A |
| Storage Relative Humidity | 20%-95% |
QE Graph & Read Noise
QE and Read noise are the most important parts to measure the performance of a camera.
Higher QE and Lower read noise are needed to improve the SNR of an image.
Here is the relative QE graph of ASI071.

Read noise includes pixel diode noise, circuit noise, and ADC quantization error noise, and the lower the better.
The Read Noise of the ASI071 cameras is extremely low when compared with traditional CCD cameras and it is even lower when the camera is used at a higher gain.
Depending on your target, you can set the gain lower for a higher dynamic range (longer exposure) or set the gain higher for lower noise (such as short exposure or lucky imaging).

Getting to know your camera
External View

Power consumption
ASI071 has one APS-C format sensor, the max power consumption is around 500ma@5V which is nearly the maximum power supply of USB2.0. We recommend customers connect ASI071 through USB3.0 which can provide 1A@5V power. You also need a separate power supply to power the cooler. We recommend using a 12V/3-5A or more DC adapter for a cooler power supply (2.1×5.5, center positive). Using a battery with 11-15V is also suitable for the cooler power supply. ASI071 and USB hub is powered from a 12V DC power supply if you connect it. Here is a test result of the cooler power consumption of the ASI071 camera. It only needs 0.5A to cool the camera to 30℃ below ambient.

DDR Buffer
ASI071 Pro camera includes one 256MB DDR3 memory buffer to help data transfer more stable and no amp-glow issue which is caused by the slow speed data transfer during reading out under USB2.0 Port.
DDR memory buffer is the main difference between ASI “Cool” and “Pro” cameras.
Cooling system
The ASI071 camera has a robust, regulated cooling system, which means that the camera sensor can be kept at the desired temperature throughout your imaging session. The super-low readout noise, combined with efficient cooling and adjustable gain setting, allows you to do short or lucky DSO imaging, unlike the traditional CCD cameras which need very long exposure for each frame. However, keep in mind that cooling won’t help with very short exposure such as less than 100ms.
Based on the testing result at 30℃ ambient temperature, the Delta T can be 35℃~40℃.
Please note that the Delta T might get down when the cooling system is working for a long time.
Also, as the ambient temperature falls, the Delta T would also decrease.
Here is a dark current test result of the ASI071 sensor at various temperatures.

Back focus distance
The M42 female flange to the sensor is 17.5mm. You can reach 55mm back focus distance with the 21mm and 16.5mm extender included in the camera package.
Protect Window
There is a protective window before the sensor of the ASI071 camera.
It’s an AR-AR coated BK7 glass, diameter is 42mm and 2mm thick.

Analog to Digital Converter (ADC)
The ASI071 camera records in 14bit ADC. This camera also supports ROI (region of interest) imaging, and smaller ROI has faster fps.
Here is the maximum speed of ASI071 running under USB2.0 and USB3.0.
| Resolution | USB 2.0 | USB3.0 |
| 14Bit ADC | 14Bit ADC | |
| 4944 X 3284 | 2.7fps | 10fps |
| 1920 X 1200 | 18.8fps | 28fps |
| 1280X 1080 | 31.3fps | 33fps |
| 640 X 480 | 69.5fps | 70fps |
| 320 X 240 | 134.2fps | 134fps |
Binning
The ASI071 camera supports hardware bin3 and software bin2, bin3, and bin4 mode.
Hardware binning is supported by sensor but is done in a digital domain like software binning and use 10bit ADC. The only advantage of hardware binning is faster fps (20fps). We recommend customers use software binning if they don’t need faster fps. Just set “hardware binning” on in software to enable hardware binning.
Tilt adjustment
The alignment of the sensor is just like aligning the primary mirror of Newtonian.
There are 3 directions you can adjust, each direction has one push and pull the screw.

How to use your camera
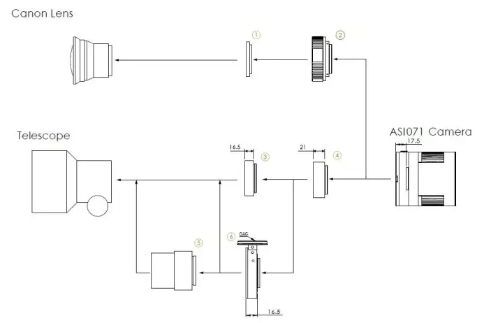
There are many adapters available for this camera for connecting to your scope or lens. Some are included with the camera and others you can order from our official website:

- 2” Filter (optional)
- EOS-T2 adapter
- M42 to M48 extender 16.5mm
- M42 extender 21mm
- Focal reducer
- OAG(16.5mm thickness)

Cleaning
The camera is sealed and comes with an AR protect window to protect the sensor from dust and humidity. We don’t recommend customers open the camera for cleaning. The dust can be removed by post-processing with a flat frame.
To see the dust, you just need to set up your telescope and point it to a bright place. A Barlow is required to see this dust clearly. Then attach the camera and adjust the exposure to make sure not overly exposed. You can see an image like below if it’s dirty.

The big dim spot on the image (at right) are the shadows of dust on the protected window.
The very small but very dark spot in the image (at left) are the shadows of the dust on the sensor.
The suggested way to clean them is to try to blow them away with a manual air pump. To clean the dust on the sensor you will need to open the camera chamber.
We have very detailed instructions on our website: https://astronomy-imaging-camera.com/manuals/How_to_clean_ASI_camera_and_redry_the_desiccants_EN_V1.2.pdf
Mechanical drawing
ASI071MC Pro

Servicing
For software upgrades please refer to “Support-manual and software” on our official website. https://astronomy-imaging-camera.com/
For repairs and consultation: https://support.astronomy-imaging-camera.com/
For customers who bought the camera from your local dealer, the dealer is responsible for the customer service.
Warranty
We provide a 2-year warranty for our products. We offer repair service or replacement for free if the camera doesn’t work within the warranty period.
After the warranty period, we continue to provide repair support and service on a charged basis. This warranty does not apply to damage that occurred as a result of abuse or misuse or caused by a fall or any other transportation failures after purchase.
The customer must pay for shipping when shipping the camera back for repair or replacement.



















