Stainless Steel Camera
Instruction Manual

About this manual
Read all the documentation supplied carefully before installing and using this product. Keep the manual in a convenient place for future reference.
Typographical conventions
DANGER!
High-level hazard. Risk of electric shock. Disconnect the power supply before proceeding with any operation, unless indicated otherwise.
DANGER! Mechanical hazard. Risk of crushing or shearing.
DANGER! Hot surface. Avoid contact. Surfaces are hot and may cause personal injury if touched.
CAUTION! Medium level hazard. This operation is very important for the system to function properly. Please read the procedure described very carefully and carry it out as instructed. INFO Description of system specifications. We recommend reading this part carefully in order to understand the subsequent stages.
Notes on copyright and information on trademarks
The mentioned names of products or companies are trademarks or registered trademarks. Microsoft Edge®, Windows XP®, Windows Vista®, indows 7®, Windows 8®, and windows 10® are the property of Microsoft Corporation. Google Chrome® is a trademark of Google LLC. Mozilla Firefox® is a trademark of the Mozilla Foundation. INTEL® ore™ 2 Duo, INTEL® Core™ 2 Quad, and INTEL® Xeon® are the property of Intel Corporation. ONVIF® is a trademark of Onvif, Inc.
Note on data security
Introduction
VIDEO TECH s.r.l. manufactures video surveillance products exclusively for professional use. VIDEO TECH s.r.l. products can be used in technical contexts and for wide-ranging purposes, from controlling the security of citizens to monitoring production processes in risk areas to apply for environmental monitoring and protection.
Some of these uses can involve the processing of personal data by those using a video surveillance system within which VIDEO TECH s.r.l. products are installed and integrated.
The wide-ranging application scenarios prevent the definition of standard IT safety measures set by default on products compatible with any use scenario and technical context. In particular, certain security measures (including measures composing a sector standard in devices intended for non-professional use) may be incompatible or unnecessary in
particular technical contexts or, on the contrary, insufficient.
It is therefore indispensable that risk analysis linked to IT security aspects, also in relation to applicable local standards on personal data protection, are performed by specialist staff responsible for the end use of the product.
The user of the product, therefore, availing of specialist staff in IT security, has to decide under his/her exclusive responsibility whether to:
- Enable certainly or all security functionalities offered by the VIDEO TECH s.r.l. device;
- Implement different security measures in system level;
- Combine the two options.
The aforementioned choice should be made based on the specific technical and legislative context, as well as the type of data processed using the video surveillance system.
Given the type of technical contexts within which VIDEO TECH s.r.l. devices are typically used, it is not possible or would it ever be advisable that the firmware for these devices automatically upgrades via the Internet. Over time, VIDEOTEC s.r.l. could release security upgrades for its devices, which should be manually installed by the user, always by specialist staff, if certain or all the security functionalities for the device provided are enabled. The user is obliged to be updated viaVIDEOTEC s.r.l. institutional communication channels on the availability of firmware security upgrades.
safety rules
CAUTION! The electrical system to which the unit is connected must be equipped with a 10A max automatic bipolar circuit breaker. This circuit breaker must be of the Listed type. The minimum distance between the circuit breaker contacts must be 3mm (0.1in). The circuit breaker must be provided with protection against the fault current towards the ground (differential) and the overcurrent (magnetothermal).
CAUTION! Device installation and maintenance must be performed by specialist technical staff only.
CAUTION! The TNV-1 installation type. The installation is type TNV-1, do not connect it to SELV circuits.
CAUTION! For continued protection against the risk of fire, replace only with the same type and rating of the fuse. Fuses must be replaced only by service personnel.
- The manufacturer declines all responsibility for any damage caused by improper use of the appliances mentioned in this manual.
Furthermore, the manufacturer reserves the right to modify its contents without any prior notice.
The documentation contained in this manual has been collected and verified with great care. The manufacturer, however, cannot take any liability for its use. The same thing can be said for any person or company involved in the creation and production of this manual. - Before starting any operation, make sure the power supply is disconnected.
- Be careful not to use cables that seem worn or old.
- Never, under any circumstances, make any changes or connections that are not shown in this handbook. Improper use of the appliance can cause serious hazards, risking the safety of personnel and of the installation.
- Use only original spare parts. Non-original spare parts could cause fire, electrical discharge or other hazards.
- Before proceeding with installation, check the supplied material to make sure it corresponds to the order specification by examining the identification labels (5.3 Product marking, page 11).
- Since the user is responsible for choosing the surface to which the unit is to be anchored, we do not supply the fixing devices for attaching the unit firmly to the particular surface. The installer is responsible for choosing fixing devices suitable for the specific purpose on hand. Use methods and materials capable of supporting at least 4 times the weight of the device.
- Choose an installation surface that is strong enough to sustain the weight of the device, also bearing in mind particular environmental aspects, such as exposure to strong winds.
- This device was designed to be permanently secured and connected to a building or on a suitable structure. The device must be permanently secured and connected before any operation.
- Make sure the product is to be secured to building before operation.
- Equipment intended for installation in Restricted Access Location performed by specialist technical staff.
- Handle the product with care to avoid accidental contacts, sharp edges, and corners.
- The main insulation must be set up externally to the product by a safety transformer and/or an insulated direct current power supply unit.
- To feed the product use a safety transformer and/or a voltage isolated power supply with the appropriate characteristics. The characteristics of output power must not exceed the following values. Supply voltage: 24Vac (±10%) or 24Vdc (±5%).
- A power disconnect device must be included in the electrical installation, and it must be very quickly recognizable and operated if needed.
- For technical services, consult only and exclusively authorized technicians.
- Use adequate personal protective equipment during installation.
- Comply with all the national standards during the device installation.
- This is a Class A product. In a domestic environment this product may cause radio interference. In this case the user may be required to take adequate measures.
- Connect the device to a power source corresponding to the indications given on the marking label. Before proceeding with the installation make sure that the power line is properly isolated.
- To comply with the main supply voltage dips and short interruption requirements, use a suitable Uninterruptable Power Supply (UPS) to power the unit.
- Power the device using a mains power supply 24Vac, 24Vdc, or, for models without a board for video analysis, a PSE (Power Sourcing Equipment) in compliance with IEEE 802.3at (PoE+).
- In the case of a 24Vac power supply, you must provide for adequate separation from the AC power supply line using double or reinforced insulation between the main power supply line and the secondary circuit.
Identification
5.1 Product description and type designation
5.1.1 NVX
NVX is an IP FULL HD super low-light camera with high corrosion resistance.
The NVX external housing is made entirely from AISI 316L stainless steel and has a compact and lightweight design that, along with the quick connectors, helps with installation and maintenance. The modular support for wall, ceiling, or parapet mounting is a standard feature.

5.1.2 NTX
NTX is a thermal IP camera with high corrosion resistance.
The thermal camera provides vision in fog, rain, smoke, across long-range distances, or even in complete darkness.
The germanium window has non-scratch treated, antireflection, Hard Carbon Coating (DLC) on the outside, and antireflection inside; the spectral range is from 7.5μm to 14μm.

5.2 Product overview
The main parts of the product are illustrated below.
- Fastening support.
- Rotation support.
- Camera support.
- Sunshield.
- Camera.

5.3 Product marking
See the label attached to the product.

The label shows:
- Model identification code.
- Supply voltage (V).
- Frequency (Hz).
- Max current (A).
- Serial number.
5.3.1 Checking the markings
Before proceeding further with installation, make sure the material supplied corresponds to the order specification by examining the marking labels.
Never, under any circumstances, make any changes or connections that are not shown in this handbook. Improper use of the appliance can cause serious
hazards, risking the safety of personnel and of the installation.
Versions
6.1 NVX
6.1.1 Version with integrated wiper
The standard version of the product is supplied with an integrated wiper.

6.1.2 Version without wiper
There is a simplified version of this product not equipped with a wiper.
Versions are available with a glass window and a polycarbonate window.

6.1.3 Day/Night camera
This version of the product is equipped with a Day/ Night Full HD camera.
6.1.4 VIDEO TECH ANALYTICS
This version of the product integrates the VIDEO TECH Analytics function.
6.2 NTX
6.2.1 Germanium window
The version with the germanium window has been developed for applications with thermal cameras.

6.3 Model Identification
NVX – CONFIGURATION OPTIONS
| Voltage | Camera | Versions | Video analytics | Revision | |||||
| NVX | 2 24Vac/24Vdc/PoE+ | 10 | Super low-light Day/Night camera, FULL HD 1080p, 30x, with DELUX technology | W | With wiper | 00 | Without integrated video analytics (without VIDEO TECH ANALYTICS) | A | Complies with ONVIF, Profile 0, Profile S, and Profile T |
| 20 | SONY FCB-EV7520 camera, FULL HD 1080p, 30x | S | Without wiper/Glass window | 01 | With integrated video analytics (VIDEO TECH ANALYTICS) | J | Complies with ONVIF, Profile S and Profile T | ||
| P | Without wiper/Polycarbonate window | ||||||||
Tab. 1 NVX.
NTX – CONFIGURATION OPTIONS
| Voltage | Camera | Radiometry | Version | Thermal camera frequency | ||||||||
| X | 2 | 24Vac/24Vdc/ PoE+ | D | Thermal camera 35mm, 640×512 | 0 | Thermal camera with radiometric functions | R Germanium window | 0 | 0 | A | – 7.5Hz | |
| E | Thermal camera 25mm, 640×512 | R | Thermal camera with advanced radiometric functions | H 30Hz | ||||||||
| U | Thermal camera 19mm, 640×512 | |||||||||||
| G | Thermal camera 13mm, 640×512 | |||||||||||
| H | Thermal camera 9mm, 640×512 | |||||||||||
| I | Thermal camera 35mm, 336×256 | |||||||||||
| L | Thermal camera 25mm, 336×256 | |||||||||||
| Z | Thermal camera 19mm, 336×256 | |||||||||||
| M | Thermal camera 13mm, 336×256 | |||||||||||
| Q | Thermal camera 9mm, 336×256 | |||||||||||
Preparing the product for use
Any change that is not expressly approved by the manufacturer will invalidate the guarantee.
7.1 Unpacking
When the product is delivered, make sure that the package is intact and that there are no signs that it has been dropped or scratched.
If there are obvious signs of damage, contact the supplier immediately.
When returning a faulty product we recommend using the original packaging for shipping.
Keep the packaging in case you need to send the product for repairs.
7.2 Safely disposing of packaging material
The packaging material can all be recycled. The installer technician will be responsible for separating the material for disposal, and in any case for compliance with the legislation in force where the device is to be used.
7.3 Contents
Check the contents to make sure they correspond with the list of materials as below:
- Camera
- Fastening support
- Rotation support
- Camera support
- Sunshield
- Equipment:
- Quick connectors and caps
- Instruction manual
- Bolts and screws (version with wiper)
- Support for wash system (version with wiper)
- Nozzle for wash system (version with wiper)
- Cable tie (version with wiper)
- Supplied with support:
- Allen wrench
- Bolts and screws
7.4 Preparatory work before installation
CAUTION! Device installation and maintenance must be performed by specialist technical staff only.
Use appropriate tools for the installation.
The particular nature of the site where the device is to be installed may mean special tools are required for installation.
The product must be fastened with suitable equipment. The fastening means must guarantee mechanical sealing when a force equal to at least 4 times the weight of the device is applied.
Choose an installation surface that is strong enough to sustain the weight of the device, also bearing in mind particular environmental aspects, such as exposure to strong winds.
It should be installed so that no one can be hit by moving parts. It should be installed so that moving parts cannot hit other objects and create hazardous situations.
Make sure the product is to be secured to the building before operation.
For technical services, consult only and exclusively authorized technicians.
Since the user is responsible for choosing the surface to which the unit is to be anchored, we do not supply the fixing devices for attaching the unit firmly to the particular surface. The installer is responsible for choosing fixing devices suitable for the specific purpose on hand.
7.4.1 Wall, railing, or ceiling fastening
The product can be installed on a wall, a railing, or on the ceiling.
Fasten the fastening support (01) to its final installation surface.
Assemble the camera support (03) to the camera using the four M5 screws and the washers supplied.
Fasten the rotation element (02) to the fastening support (01) and to the camera support (03) using the seven M5 screws and the washers supplied. Once the final position of the product is defined, fully tighten the M5 screws.
Pay attention to the fixing. Tightening torque: 4.5Nm (±0.5Nm).


In-ceiling installation, the sun shield should be dismantled.
7.4.2 Installation options
The product can be installed in the positions illustrated below.
The vertical inclination range of the camera is from -90° to 0°.

The sunshield must be removed in the ceiling installation option.

Fig. 15 Example of ceiling installation, vertical rotation, 0°.
Fig. 16 Example of ceiling installation, vertical rotation, -90°.
The product can be anchored with a chain or a metal wire to prevent the camera from falling in the event the support fails. For this reason, the hole can be used as shown in the igure (Fig. 17, page 17).
Fig. 17
Installation
CAUTION! The electrical system to which the unit is connected must be equipped with a 10A max automatic bipolar circuit breaker.
The minimum distance between the circuit breaker contacts must be 3mm (0.1in).
The circuit breaker must be provided with protection against the fault current towards the ground (differential) and the overcurrent (magnetothermal).
Electrical connections must be performed with the power supply disconnected and the circuit-breaker open.
A power disconnect device must be included in the electrical installation, and it must be very quickly recognizable and operated if needed.
All disconnected wires must be electrically isolated.
VIDEO TECH strongly recommends testing the device configuration and performance before putting it on the final installation site.
8.1 Functional ground
If the unit is powered using an Ethernet (PoE+) line, the connection should take place with a functional ground external cable, towards the system ground.
Use cables with the characteristics outlined below.
- Nominal section of the cables used:
2.5mm² (14AWG) min.
Installation of the functional ground cable as illustrated in the figure.

Fig. 18
8.2 Quick connectors cabling
The product is equipped with quick connectors to facilitate installation.
The back of the product has fixed connectors. You must cable the connectors on the cable side (mobile connectors).

Fig. 19 Rear view of the camera. Camera side connectors.
Once installation is complete, insert the mobile connectors in the corresponding fixed connectors on the back of the product.
If the mobile connectors are not used, fasten the cap supplied on the back of the product.
8.2.1 Mobile connectors cabling (power supply, I/O)
Power the device using a 24Vac or 24Vdc power supply.
Power the device using the Ethernet line (models without video analytics board) using PSE (Power Sourcing Equipment) in compliance with IEEE 802. 3at (PoE+).

Fig. 20 Front view of the pins and internal view of the terminals.
CONN 1 (4-POLE CONNECTOR)
| Pin number | Function |
| 1 | Washer pump relay |
| 2 | Washer pump relay |
| 3 | Auxiliary relay (configurable relay) |
| 4 | Auxiliary relay (configurable relay) |
Tab. 3
CONN 2 (5-POLE CONNECTOR)
| Pin number | Function |
| 1 | Power supply 24Vac/24Vdc |
| 2 | |
| 3 | Not used |
| 4 | Factory Default* |
| 5 |
Tab. 4 *Factory Default can be performed in the NVX versions of the product equipped with a wiper and all the NTX versions.
The polarity of the voltage applied to pins 1 and 2 of connector 2 is irrelevant.
Earthing is not planned since the product does not require it when powered in 24Vac or 24Vdc.
Use cables with the characteristics outlined below.
- Section: from 0.14mm² (26AWG) up to 0.75mm² (18AWG).
- The overall diameter of the cable: from 4mm (0.16in) up to 8mm (0.3in).
- Length (power supply cables): The section of the conductors influences the maximum permitted length for the cables.
The maximum length of the cables based on the section of the conductors is outlined in the following table.
| MAXIMUM CABLE LENGTH | ||
| Section | Without board for video analysis | With board for video analysis |
| 0.34mm2 (22AWG) | 20m (66ft) | 15m (49.2ft) |
| 0.5mm2 (20AWG) | 30m (98ft) | 25m (82ft) |
| 0.75mm2 (18AWG) | 50m (164ft) | 40m (131ft) |
Tab. 5
Cable the mobile connector by operating as follows.
Unsheathe the cable up to a maximum of 18mm. Peel the conductors up to a maximum of 5mm.
Insert the cable using the sealing nut (01), the gasket (02) and the body of the connector (03).

Fig. 21
Loosen the screws on the terminals (04) on the front of the connector, insert the conductors and fasten them tightening the screws. Screw in the body of the connector (03) to the front with the terminals (05), tightening the ring nut (06).
Pay attention to the fixing. Tightening torque: from 0.29Nm up to 0.39Nm.

Fig. 22
Insert the gasket (02) inside the compartment of the body of the connector (03). Lastly, fasten the sealing nut (01).

Fig. 23
Pay attention to the fixing. Tightening torque: from 0.39Nm up to 0.59Nm.

Fig. 24 Complete assembly.
Before fastening the mobile connectors to the relevant connectors on the back of the camera, ensure the TAPS correspond.

Fig. 25
Connect the mobile connector to the fixed connector and tighten the ring nut.
8.2.2 Relays connection
The relay can be used with the specifications outlined below.
- Working voltage: up to 30Vac or 60Vdc.
- Current: 1A max.
Use cables with the characteristics outlined below.
- Section: from 0.14mm² (26AWG) up to 0.75mm² (18AWG).
The relay contacts are situated on the relevant quick connector. The relays have no polarity (Tab. 3, page 19).
8.2.3 Mobile connectors cabling (Ethernet, PoE+)
If the device is not equipped with a video analytics board, it can be powered with PSE (Power Sourcing Equipment) in compliance with IEEE 802.3at (PoE+).
Use Ethernet cables with the characteristics outlined below.
- Diameter: from 5mm (0.2in) up to 6mm (0.24in).
- Shielding: SF/UTP.
- Category: 5e.
- Length: 100m (328ft) max (PoE+).
Cable the mobile connector by operating as follows.
Insert the Ethernet cable using the sealing nut (01), the cage (02), the gasket (03), and the body of the connector (04).

Fig. 26
Crimp the shielded RJ45 connector supplied.
Connect the sleeve to the shielded RJ45 connector.
Carry out the connections as described in the table (according to the standard specifications: TIA/EIA568-B).

Fig. 27
CONNECTION OF THE ETHERNET CABLE
| Pin number | Cable color |
| 1 | Orange-White |
| 2 | Orange |
| 3 | Green-White |
| 4 | Blue |
| 5 | Blue-White |
| 6 | Green |
| 7 | Brown-White |
| 8 | Brown |
Tab. 6

Fig. 28
Delicately pull the Ethernet cable (05) until the RJ45 connector (06) is completely inserted in the compartment of the mobile connector body.
After inserting the cage and the gasket, tighten the sealing nut (07).
Pay attention to the fixing. Tightening torque: From 0.9Nm up to 1Nm.

Connect the mobile connector to the fixed connector and tighten the ring nut.
8.2.4 Connection of the Ethernet cable
The Ethernet cable shield on the operator side must always be earthed. Use a shielded RJ45 connector. Connect the sleeve to the shielded RJ45 connector.
The product can be directly connected to an Ethernet switch.
The example below shows a typical installation.

Fig. 31
Switching on
Make sure that the unit and other components of the installation are closed so that it is impossible to come into contact with live parts.
Make sure that all parts are fastened down firmly and safely.
The automatic pre-heating (De-Ice) process could be started whenever the device is switched on and the ambient temperature is below -10°C (+14°F). The procedure is necessary to guarantee the correct operation of the devices even at low temperatures. Preheating procedure length: 60 minutes.
The unit is switched on by connecting the power supply.
To switch off the unit disconnect the power.
Configuration
10.1 Default IP address
The unit is configured to obtain an IP address from a DHCP server.
The IP address acquired via DHCP is visible in the DHCP server log file.
If the DHCP server is not available, the unit automatically configures itself with a self-generated IP address in the 169.254.x.x/16 subnet. Configuring the IP address of the PC as belonging to the same subnet (example: IP address: 169.254.1.1, subnet mask: 255.255.0.0).
Use an ONVIF-compliant VMS or a network sniffer to find the IP address of the device (IP scan utility).
10.2 Web interface
Browsers supported (the latest version): Microsoft Edge, Google Chrome, Mozilla Firefox.
10.2.1 First access to the web pages
The first operation in configuring the device consists in connecting to the web interface.
To access the web interface of the product, simply use a browser to connect to https://ip_address.com
On first access, the Home page will be displayed.
For the configuration of the web interface, please refer to the instruction manual relating to the installed firmware version, available on the product web page on
Accessories and Supports
For further details on configuration and use, refer to the relative manual.
11.1 Washer
The product, if equipped with a wiper, can be equipped with an external pump that provides water to clean the glass.

Fig. 32
To complete the installation of the washing system, use the kit supplied with the camera.
Insert the head of the nozzle (01) on the support (02) by tightening the nut (03).

Fig. 33
Fasten the nozzle and the support assembled by using one of the accessory holes (01) on the front of the housing. Tighten the screw and the washer (02).
Insert the delivery pipe of the nozzle (03). Secure the delivery pipe to the support with a clip (04).

Fig. 34
11.2 Mounting bracket for LED illuminator
A mounting bracket is necessary to install the GEKO IRH VIDEO TECH LED illuminator.

Fig. 35 NVXIRBKT.
11.3 LED illuminator

Fig. 36 GEKO IRH.
11.4 Corner mount adaptor

Fig. 37 UEAC.
11.5 Pole mount adaptor

Fig. 38 UEAP.
11.6 Counter-plate
The counter-plate can be used for wall or ceiling assembly, even for channel applications. The four holes with a bigger center-to-center distance give higher mechanical strength.

11.7 Dust protection frontal shield

Maintenance
Before doing any technical work on the device, disconnect the power supply.
CAUTION! Device installation and maintenance must be performed by specialist technical staff only.
12.1 Sunshield removal
The product is supplied with the sunshield already installed.
For installation or maintenance needs, the sunshield can be dismantled. Unscrew the sunshield screws and remove it.
Re-assemble the sunshield before fastening the camera to the camera support.
Pay attention to the fixing. Tightening torque: 4Nm (±0.5Nm).

12.2 Opening and closing the camera
To carry out some maintenance operations, the camera must be opened.
Carefully remove the front slide. Pay attention not to damage the internal connection cables.
Unscrew the closure screws and remove the slide connected to the front of the camera.

To close the camera, follow the inverse procedure.
Pay attention to the fixing. Tightening torque: 4.5Nm (±0.5Nm).
12.3 Camera board description
BOARD DESCRIPTION
| Connector/ Terminal | Function |
| F1 | Fuse |
| SW1 | Reset dip-switch |
Tab. 7

12.4 Fuse replacement
CAUTION! For continued protection against the risk of fire, replace only with the same type and rating of the fuse. Fuses must be replaced only by service personnel.
If necessary, the connector board’s fuse can be replaced. The new fuse must comply with the directions given in the table.
FUSES REPLACEMENT
| Voltage | Fuse F1 |
| 24Vac, 50/60Hz | T 2A H 250V 5×20 |
| 24Vdc |
Tab. 8
As an alternative, use approved fuses featuring the same characteristics.
To replace the fuse, open the camera. (12.2 Opening and closing the camera, page 26).
Identify the fuse to replace.

Fig. 44
12.5 Factory Default
Once the factory default procedure has terminated, you need to configure the unit as described in the relevant chapter (10.1 Default IP address, page 23).
12.5.1 Factory Default, NVX (version with wiper), NTX
- Disconnect the power supply to the unit.
- Short circuit terminals 4 and 5 of CONN 2 (or the relevant conductors, Tab. 4, page 19).
- Power the unit. Wait for 2 minutes.
- Disconnect the power supply to the unit.
- Remove the short circuit.
- Power the unit.
12.5.2 Factory Default, NVX (version without wiper)
It is possible to reset to the factory default settings.
Follow the procedure below:
- Disconnect the power supply to the unit.
- Open the camera (12.2 Opening and closing the camera, page 26).
- Identify the reset dip switch (SW1,12.3 Camera board description, page 26).
- Set the reset dip switch to ON.
- Power the unit. Wait for 2 minutes.
- Disconnect the power supply to the unit.
- Set the reset dip switch to OFF.
- Re-insert the slide and close the camera. Be especially careful not to damage internal cables during closure.
- Power the unit.
Cleaning
The frequency will depend on the type of environment in which the product is used.
13.1 Cleaning the window
Avoid ethyl alcohol, solvents, hydrogenated hydrocarbons, strong acid, and alkali. Such products may irreparably damage the surface.
We recommend using a soft cloth with neutral soap diluted with water or specific products to clean the glass’s lenses.
13.2 Cleaning the germanium window
Avoid ethyl alcohol, solvents, hydrogenated hydrocarbons, strong acid, and alkali. Such products may irreparably damage the surface.
Cleaning the window take care not to scratch or damage the outer surface treated with carbon coating. Damage to this coating could also interfere with the transparency of the surface to infrared light.
Cleaning should be done with mild soap diluted with water.
Information on disposal and recycling
The European Directive 2012/19/EU on Waste Electrical and Electronic Equipment (WEEE) mandates that these devices should not be disposed of in the normal flow of municipal solid waste, but they should be collected separately in order to optimize the recovery stream and recycling of the materials that they contain and to reduce the impact on human health and the environment due to the presence of potentially hazardous substances.
The symbol of the crossed-out bin is marked on all products to remember this.
The waste may be delivered to the appropriate collection centers or may be delivered free of charge to the distributor where you purchased the equipment at the time of purchase of a new equivalent or without obligation to a new purchase for equipment with a size smaller than 25cm (9.8in).
For more information on the proper disposal of these devices, you can contact the responsible public service.
Technical data
15.1 NVX
15.1.1 General
Simple installation thanks to quick connectors
Quick configuration and setup
15.1.2 Mechanical
AISI 316L stainless steel construction Slot for a safety chain Unit weight:
- 4.9kg (10.8lb) (fastening support included)
- 4kg (8.8lb) (fastening support not included)
15.1.3 Windows for camera
Glass window extra clear
- Thick: 3mm (0.1in) Polycarbonate window (available only for the version without wiper)
- Thick: 3mm (0.1in)
15.1.4 Electrical
Supply voltage/Current consumption:
- 24Vac, 1.32A, 50/60Hz
- 24Vdc, 0.9A
- PoE+ (IEEE 802.3at), not available for the version with VIDEO TECH Analytics
Power consumption
- Versions without VIDEO TECH Analytics: 21W
- Versions with VIDEO TECH Analytics: 25.2W
15.1.5 Network
Ethernet connection: 100 Base-TX
Connector: RJ45
15.1.6 Video
Video encoder
- Communication protocol: ONVIF, Profile Q, Profile S, and Profile T
- Device configuration: TCP/IPv4-IPv6, UDP/IPv4IPv6, HTTP, HTTPS, NTP, DHCP, WS-DISCOVERY, DSCP, IGMP (Multicast), SOAP, DNS
- Streaming: RTSP, RTCP, RTP/IPv4-IPv6, HTTP, Multicast
- Video compression: H.264/AVC, MJPEG, JPEG, MPEG4
- 3 independent video streams Full HD
- Image resolution: from 320x180pixel up to 1920x1080pixel in 6 steps
- Selectable frame rate from 1 to 60 images per second (fps)
- Web Server
- Motion Detection
- Video analytics: VIDEO TECH ANALYTICS (optional)
- QoS: Differentiated DSCPs for streaming and device management
- SNMP and NTCIP protocols
15.1.7 I/O interface
I/O alarm board (version with wiper)
- Input for remote reset: 1
- Relay outputs: 1+1 (1 relay reserved for washer pump and one configurable, 1A, 30Vac/60Vdc max)
15.1.8 Cameras
Day/Night Full HD 30x DELUX
Resolution: Full HD 1080p (1920×1080)
Image Sensor: 1/2.8″ Exmor™ R CMOS sensor
Effective Pixels: approx. 2.38 Megapixels
Minimum Illumination:
- Colour: 0.006lx (F1.6, 30 IRE)
- B/W: 0.0006lx (F1.6, 30 IRE)
Focal length: from 4.5mm (wide) up to 135mm (tele)
Zoom: 30x (480x with digital zoom)
Iris: from F1.6 up to F9.6 (Auto, Manual)
Horizontal Viewing Angle: from 61.60° (wide end) up to 2.50° (tele end)
Vertical Viewing Angle: from 37.07° (wide end) up to 1.44° (tele end)
Shutter speed: from 1/1s up to 1/10000s (Auto, Manual)
White balance: Auto, Manual
Gain: from 0dB up to 100dB (Auto, Manual) Wide Dynamic Range: 120dB
Focus System: Auto, Manual, Trigger
Picture Effects: E-flip, Colour enhancement
Noise removal: 2D (3 levels), 3D (3 levels)
Exposure Control: Auto, Manual, Priority (Iris Priority, Shutter Priority), Brightness, Custom
De-fog: On/Off
Privacy zones masking: maximum 8 settable masks Indoor Flicker Reduction
Auto Slowshutter: Off, On (from 1/30s up to 1/1s)
Exposure compensation: Off, On (from level 0 up to level 14)
Sharpness: from level 0 up to level 3
SONY FCB-EV7520 Day/Night Full HD 30x
Resolution: Full HD 1080p (1920×1080)
Image Sensor: 1/2.8″ Exmor™ R CMOS sensor
Effective Pixels: approx. 2.13 Megapixels
Minimum Illumination:
- Colour: 0.0013lx (50 IRE, High sensitivity on)
- B/W: 0.0008lx (30 IRE, High sensitivity on)
Focal length: from 4.3mm (wide) up to 129mm (tele)
Zoom: 30x (360x with digital zoom)
Iris: from F1.6 up to F14 (Auto, Manual)
Horizontal Viewing Angle: from 63.7° (wide end) up to 2.3° (tele end)
Vertical Viewing Angle: from 38.5° (wide end) up to 1.3° (tele end)
Shutter speed: from 1/1s up to 1/10000s (Auto, Manual)
White balance: Auto, Auto Tracing, Indoor, Outdoor, Manual, Outdoor Auto, Sodium Lamp (Fix/Auto/Outdoor Auto)
Gain: from 0dB up to 50.0dB (Auto, Manual)
Wide Dynamic Range: 120dB
Focus System: Auto (PTZ Trigger, Full Auto), Manual
Picture Effects: E-flip
Noise removal (2D, 3D): Off, On (from level 1 up to level 5)
Exposure Control: Auto, Manual, Priority (Shutter priority, Iris priority, Brightness priority)
De-fog: Off, Low, Mid, High
Privacy zones masking (maximum 8 settable masks) Indoor Flicker Reduction
Gain Limit: from10.7dB up to 50dB
High sensitivity: On/Off
Backlight Compensation: On/Off
Auto Slowshutter: On/Off
Exposure compensation: Off, On (from -10.5dB up to +10.5dB)
Sharpness: from level 0 up to level 15
High Light Compensation (HLC): Off, Low, Mid, High, Masking Level (Off, On, from level 1 up to level 15)
Digital image stabilization: On/Off
15.1.9 Environment
For indoors and outdoors installation
Operating temperature
- Version with 24Vac or 24Vdc power supply: from -40°C (-40°F) up to +65°C (149°F) (up to +50°C (122°F), for versions with VIDEO TECH ANALYTICS)
- Version with PoE+ power supply: from -40°C (-40°F) up to +60°C (140°F)
- The temperature test complies with NEMA-TS 2-2003 (R2008) par. 2.1.5.1, test profile fig. 2-1 (from -34°C (-29.2°F) to +74°C (165.2°F)) (not valid for versions with VIDEO TECH Analytics) Surge immunity: up to 1kV line to line, up to 2kV line to earth (Class 3)
Relative humidity: from 5% up to 95%
15.1.10 Certifications
Electrical safety (CE): EN60950-1, IEC60950-1, EN62368-1, IEC62368-1
Electromagnetic compatibility (CE): EN61000-6-4, EN50130-4, EN55032 (Class A), FCC Part 15 (Class A), ICES003
Outdoor installation (CE): EN60950-22, IEC60950-22
IP protection degree (EN60529): IP66, IP67, IP68 (2h30 min, 2m (6.56ft)), IP69
UL certification (not valid for versions with VIDEO TECH
Analytics): cULus Listed, TYPE 4X, TYPE 6P
EAC certification
KC certification (certification only valid for the codes: NVX2xxxxxJ)
15.1.11 Certifications – Railway applications
The versions with VIDEO TECH ANALYTICS are not certified for railway applications
Compliance to railway application standard: EN50121-4 (only with 24Vac or 24Vdc power supply)
15.1.12 Certifications – Marine applications
The versions with VIDEO TECH ANALYTICS are not certified for marine applications
Lloyd’s Register Marine Type Approval
- Test Specification Number 1 (ENV1, ENV2, ENV3, ENV5)
Electromagnetic compatibility: EN60945
Salty fog resistance: EN60068-2-52
Tested at 70°C (158°F) for 16 hours in compliance with EN60068-2-2
15.2 NTX
15.2.1 General
Simple installation thanks to quick connectors
Quick configuration and setup
15.2.2 Mechanical
AISI 316L stainless steel construction Slot for safety chain
Unit weight:
- 4.9kg (10.8lb) (fastening support included)
- 4kg (8.8lb) (fastening support not included)
15.2.3 Windows for camera
Germanium window
- Thick: 1.5mm (0.06in)
- External treatment: anti scratch (Hard Carbon Coating – DLC), antireflection
- Internal treatment: antireflection
- Spectral range: from 7.5μm up to 14μm
- Medium transmittance (from 7.5μm up to 11.5μm): 91.2%
- Medium transmittance (from 11.5μm up to 14μm): 80.9%
15.2.4 Electrical
Supply voltage/Current consumption:
- 24Vac, 1.32A, 50/60Hz
- 24Vdc, 0.9A
- PoE+ (IEEE 802.3at)
Power consumption: 21W
15.2.5 Network
Ethernet connection: 100 Base-TX
Connector: RJ45
15.2.6 Video
Video encoder
- Communication protocol: ONVIF, Profile Q, Profile S and Profile T, ONVIF Thermal Service
- Device configuration: TCP/IPv4-IPv6, UDP/IPv4IPv6, HTTP, HTTPS, NTP, DHCP, WSDISCOVERY, DSCP, IGMP (Multicast), SOAP, DNS
- Streaming: RTSP, RTCP, RTP/IPv4-IPv6, HTTP, Multicast
- Video compression: H.264/AVC, MJPEG, JPEG, MPEG4
- 3 independent video streams
- Image resolution: from 320x180pixel up to 720x480pixel in 4 steps
- Selectable frame rate from 1 to 30 images per second (fps)
- Web Server
- Motion Detection
- QoS: Differentiated DSCPs for streaming and device management
- SNMP and NTCIP protocols
15.2.7 I/O interface
I/O alarm board
- Input for remote reset: 1
- Relay output: 1 (1A, 30Vac/60Vdc max)
15.2.8 Cameras
THERMAL CAMERAS (RESOLUTION 336X256)
| Lens 9mm | Lens 13mm | Lens 19mm | Lens 25mm | Lens 35mm | |
| Image Sensor | Uncooled VOx micro- bolometer | Uncooled VOx micro- bolometer | Uncooled VOx micro- bolometer | Uncooled VOx micro- bolometer | Uncooled VOx microbolometer |
| Interpolated resolution | 720×480 | 720×480 | 720×480 | 720×480 | 720×480 |
| Pixel dimensions | 17pm | 17pm | 17pm | 17pm | 17pm |
| Spectral response – long wave infrared (LWIR) | from 7.Spm to 13.5pm | from 7.5pm to 13.5pm | from 7.Spm to 13.5pm | from 7.Spm to 13.5pm | from 7.Spm to 13.5pm |
| Internal shutter (only for sensor compensation) | Video stop < 1s | Video stop < 1s | Video stop < 1s | Video stop < 1s | Video stop < 1s |
| Digital Detail Enhancement (DDE) | √ | √ | √ | √ | √ |
| Digital Zoom | 2x, 4x | 2x, 4x | 2x, 4x | 2x, 4x | 2x, 4x |
| Image updating frequency | 7.SFPs | 7.SFPs | 7.SFPs | 7.SFPs | 7.SFPs |
| Image updating high frequency | 30fps | 30fps | 30fps | 30fps | 30fps |
| Scene range (High Gain) | -40°C ++160°C (-40°F ÷ +320°F) | -40°C ÷ +160°C (-40°F + +320°F) | -40°C ++160°C (-40°F + +320°F) | -40°C ++160°C (-40°F ÷ +320°F) | -40°C ÷ +160°C (-40°F ÷ +320°F) |
| Scene range (Low Gain) | -40°C ÷ +550°C (-40°F ÷ +1022°F) | -40°C ÷ +550°C (-40°F ÷ +1022°F) | -40°C ÷ +550°C (-40°F ÷ +1022°F) | -40°C ++550°C (-40°F ÷ +1022°F) | -40°C + +550°C (-40°F ÷ +1022°F) |
| Horizontal field of view | 35° | 25° | 17° | 13° | 9,3° |
| Vertical field of view | 27° | 19° | 13° | 10° | 7,1° |
| F-number | F/1.25 | F/1.25 | F/1.25 | F/1.1 | F/1.2 |
| Thermal sensitivity (NETD), Thermal camera with radiometric functions | < 50mK at f/1.0 | < 50mK at f/1.0 | < 50mK at f/1.0 | < 50mK at f/1.0 | < 50mK at f/1.0 |
| Thermal sensitivity (NETD), Thermal camera with advanced radiometric functions | < 30mK at f/1.0 | < 30mK at f/1.0 | < 30mK at f/1.0 | < 30mK at f/1.0 | < 30mK at f/1.0 |
| Person (detection / recognition / identification) | 285m / 71 m / 36m (935ft / 233ft / 118ft) | 440m / 112m / 56m (1443ft / 2368ft / 183ft) | 640m / 160m / 80m (2099ft / 524ft / 262ft) | 930m / 230m / 116m (3051 ft / 754ft / 380ft) | 1280m / 320m / 160m (4199ft / 1050ft / 525ft) |
| Car (detection / recognition / identification) | 880m / 220m / 108m (2887ft / 722ft / 354ft) | 1340m / 340m / 170m (4396ft / 111 5ft / 557ft) | 1950m / 500m / 250m (6397ft/ 1640ft/ 820ft) | 2800m / 710m / 360m (9186ft / 2329ft / 1181ft) | 3850m / 950m / 295m (12631 ft / 3116ft / 967ft) |
Radiometric analysis does not affect camera performance.
THERMAL CAMERAS (RESOLUTION 640X512)
| Lens 9mm | Lens 13mm | Lens 19mm | Lens 25mm | Lens 35mm | |
| Image Sensor | Uncooled VOx micro- bolometer | Uncooled VOx micro- bolometer | Uncooled VOx micro- bolometer | Uncooled VOx micro- bolometer | Uncooled VOx microbolometer |
| Interpolated resolution | 720×480 | 720×480 | 720×480 | 720×480 | 720×480 |
| Pixel dimensions | 17pm | 17pm | 17pm | 17pm | 17pm |
| Spectral response – long wave infrared (LWIR) | from 7.5pm to 13.5pm | from 7.5pm to 13.5pm | from 7.Spm to 13.5pm | from 7.Spm to 13.5pm | from 7.Spm to 13.5pm |
| Internal shutter (only for sensor compensation) | Video stop < 1s | Video stop < 1s | Video stop < 1s | Video stop < 1s | Video stop < 1s |
| Digital Detail Enhancement (DDE) | √ | √ | √ | √ | √ |
| Digital Zoom | 2x, 4x, 8x | 2x, 4x, 8x | 2x, 4x, 8x | 2x, 4x, 8x | 2x, 4x, 8x |
| Image updating frequency | 7.SFPs | 7.SFPs | 7.SFPs | 7.SFPs | 7.SFPs |
| Image updating high frequency | 30fps | 30fps | 30fps | 30fps | 30fps |
| Scene range (High Gain) | -40°C ++160°C (-40°F + +320°F) | -40°C ++160°C (-40°F + +320°F) | -40°C ++160°C (-40°F + +320°F) | -40°C ++160°C (-40°F + +320°F) | -40°C + +160°C (-40°F + +320°F) |
| Scene Range (Low Gain) | -40°C ++550°C (-40°F + +1022°F) | -40°C + +550°C (-40°F + +1022°F) | -40°C + +550°C (-40°F + +1022°F) | -40°C ++550°C (-40°F + +1022°F) | -40°C + +550°C (-40°F + +1022°F) |
| Horizontal field of view | 69° | 45° | 32° | 25° | 18° |
| Vertical field of view | 56° | 37° | 26° | 20° | 14° |
| F-number | F/1.4 | F/1.25 | F/1.25 | F/1.1 | F/1.2 |
| Thermal sensitivity (NETD), Thermal camera with radiometric functions | < 50mK at f/1.0 | < 50mK at f/1.0 | < 50mK at f/1.0 | < 50mK at f/1.0 | < 50mK at f/1.0 |
| Thermal sensitivity (NETD), Thermal camera with advanced radiometric functions | < 30mK at f/1.0 | < 30mK at f/1.0 | < 30mK at f/1.0 | < 30mK at f/1.0 | < 30mK at f/1.0 |
| Person (detection / recognition / identification) | 250m / 63m / 31 m (820ft / 207ft / 102ft) | 390m / 95m / 47m (1280ft / 312ft / 154ft) | 570m / 144m / 72m (1870 / 472 / 236ft) | 820m / 210m / 104m (2690ft / 689ft / 341ft) | 1140m / 280m / 142m (3740ft / 919ft / 466ft) |
| Car (detection / recognition / identification) | 720m / 175m /88m (2362 / 574 / 289ft) | 1080m / 275m / 140m (3543ft / 902ft / 459ft) | 1550m / 400m / 200m (5085ft / 1312ft / 656ft) | 2200m / 580m / 290m (7218ft / 1903ft / 951 ft) | 3000m / 800m / 200m (9843ft / 2625ft / 656ft) |
Radiometric analysis does not affect camera performance.
15.2.9 Environment
For indoors and outdoors installation
Operating temperature
- Version with 24Vac or 24Vdc power supply: from -40°C (-40°F) up to +65°C (149°F)
- Version with PoE+ power supply: from -40°C (-40°F) up to +60°C (140°F)
- The temperature test complies with NEMA-TS 2-2003 (R2008) par. 2.1.5.1, test profile fig. 2-1 (from -34°C (-29.2°F) to +74°C (165.2°F))
Surge immunity: up to 1kV line to line, up to 2kV line to earth (Class 3)
Relative humidity: from 5% up to 95%
15.2.10 Certifications
Electrical safety (CE): EN60950-1, IEC60950-1,
EN62368-1, IEC62368-1
Electromagnetic compatibility (CE): EN61000-6-4,
EN50130-4, EN55032 (Class A), FCC Part 15 (Class A),
ICES003
Outdoor installation (CE): EN60950-22, IEC60950-22
IP protection degree (EN60529): IP66, IP67, IP68 (2h30
min, 2m (6.56ft)), IP69
UL certification: cULus Listed, TYPE 4X, TYPE 6P
EAC certification
15.2.11 Certifications – Railway applications
Compliance to railway application standards: EN50121-4 (only with 24Vac or 24Vdc power supply)
15.2.12 Certifications – Marine applications
Lloyd’s Register Marine Type Approval
- Test Specification Number 1 (ENV1, ENV2, ENV3, ENV5)
Electromagnetic compatibility: EN60945
Salty fog resistance: EN60068-2-52
Tested at 70°C (158°F) for 16 hours in compliance with EN60068-2-2
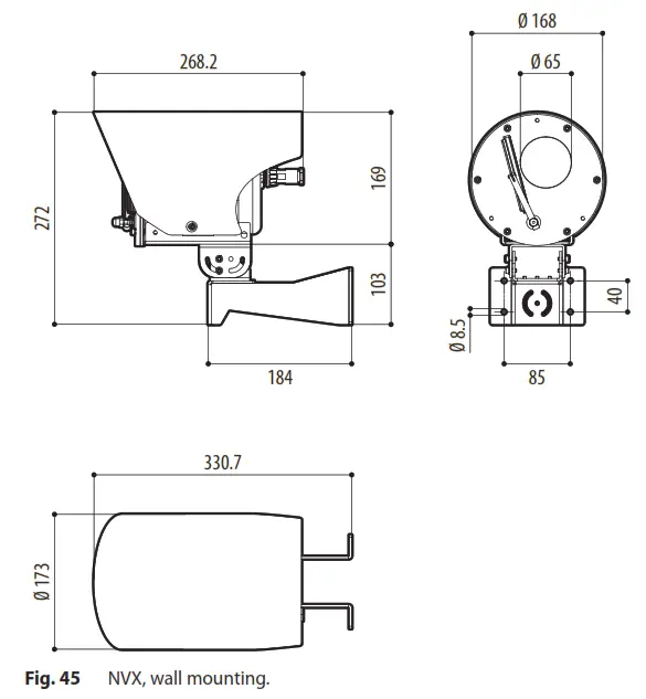
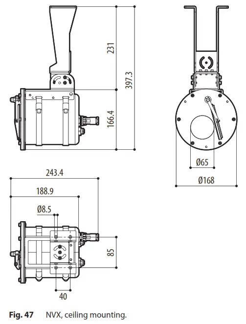
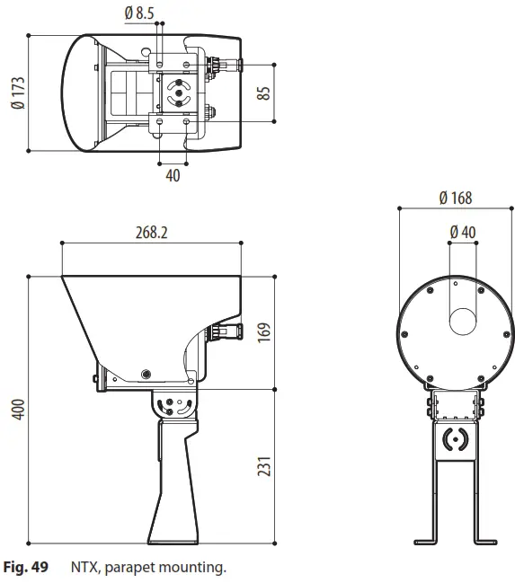
Technical drawings
The indicated measurements are expressed in millimeters.
![]() | ![]() |
![]() | ![]() |
![]() | ![]() |


MNVCNVX_2222_EN
Headquarters Italy Videotec s.r.l.
Via Friuli, 6 – I-36015 Schio (VI) – Italy
Tel. +39 0445 697411 – Fax +39 0445 697414
Email: [email protected]
www.videotec.com























