audio-technica 4 Zone Antenna Combiner for Wireless Microphones

| Caution : To reduce the risk of fire or shock hazard, do not expose this appliance to heat or moisture. Warning : To prevent electric shock, do not remove the cover. Refer all servicing to qualified service personnel or distributors. | |
Read this instruction manual before using. |
|
The 4 ZONE is designed to combine multiple pairs of diversity antennas used for wireless microphone receivers. It provides 2 x 4 antenna inputs to maximize coverage areas. It features RF input ON/OFF, input attenuation from 0 dB to -31 dB, DC power for in-line amplifiers or active antennas, and individual input signal ON/OFF control.
Accessories
- AC Power Cable x1
- BNC to BNC coaxial Cable x2
Specifications
- Carrier Frequency Range: 470~960MHz
- Full System Gain: 3dB(±3dB)
- Input/Output Impedance: 50 Ω
- A/B Antenna Input:4+4
- OIP3: -35dBm(typ.) @ 2-tone;Pi=-15dBm/tone
- RF Input Attenuation: -31~0dB (Step:1dB)
- Input/Output Connectors: BNC(F):Input x8 / Output x2
- Functions:
1. DC Power (for In-Line Amplifier) ON/OFF Control
2. RF Input Attenuation Control
3. RF Input Signal ON/OFF Control - In-Line Amplifier Power: 12V/200mA*8
- Power Supply: 100~240VAC; MAX 2A 50/60Hz
- Dimension(mm): 480mm(W)*45mm(H)*260mm(D)

- Power switch
- Antenna Selection key: Select the CH to be set, press and hold for 2 seconds to enter the settings mode.
- Up / Down key: In the settings mode, press the up / down key to select the parameter.
- Lock key: press and hold for 2 seconds to lock or unlock panel key function
- 3-digit display
- Settings Selection Indicator
- Status indicator: Indicates the current antenna status
a. Red: RF input enabled, In-Line Amplifier power on.
b. Green: RF input enabled, In-Line Amplifier power off.
c. Off: The antenna input is disabled.
d. All 8 channels flashing at the same time: Power supply is abnormal.
- AC power supply: AC power input: 100 ~ 240VAC, MAX 2A, 50 / 60Hz.
- Antenna B output
- Antenna A inputs
- Antenna A output
- Antenna B inputs
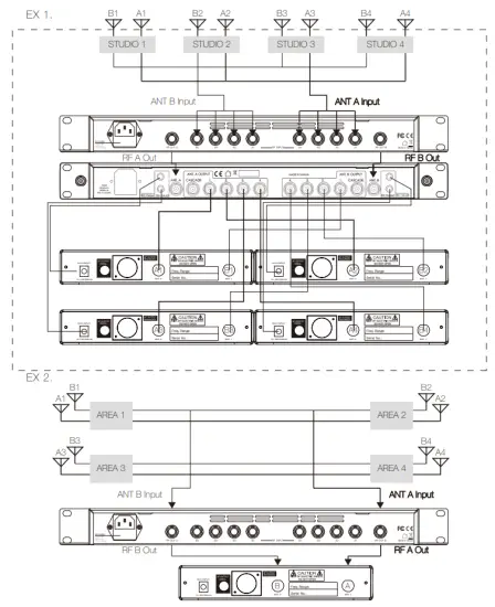
4ZONE Antenna Configuration

Installation
- Connect the antenna to the antenna inputs of the 4 Zone with a coaxial cable. Long cable runs may require an In-Line Amplifier.
- Connect the antenna outputs to the receiver or antenna distributor with a coaxial cable.
- When not in use, store the 4 Zone with the power off.
Application

Operation
To enter the settings mode, press and hold the desired input channel’s Antenna Selection key ② for 2 seconds until the input channel’s indicator light flashes. Use the Antenna Selection key to cycle through the 3 settings menus as indicated by the Settings
Selection Indicator ⑥. Use the Up / Down keys ③ to change the parameters in each settings mode. After setting your parameters in the third settings mode (RF Input), press the Antenna Selection key a final time to save and exit the settings. For a step by step video, please visit rfvenue.com
Setting Parameters:
- RF input attenuation
Press the up / down key to adjust the input attenuation in 1dB increments.
0dB: No attenuation
Maximum attenuation level is – 31dB per input channel
- Antenna DC power
On (applies +12V DC / 200mA to RF input channels for active antennas or in-line amplifiers) OFF
- RF Input ON/OFF
En: Input Enabled
dis: input disabled; signal isolation ~ 80 dBm
- To Return to Default Settings
1. Turn off the power
2. Press and hold the Lock Key
3. Turn on the power while continuing to hold the lock key until the display show rSt
Notes
- This product is designed for combining receive antennas for wireless microphone receivers and is not recommended for use with transmitters.
- Use standard 50Ω coaxial cable.
- An In-Line Amplifier may be used to compensate for losses associated with long runs of coaxial cable. Enable DC power when using amplifiers.
- Adjust the RF input attenuation levels if signals exceed normal ranges of wireless microphone receivers.
























