Danfoss AK-CC55 Case-Room Controller Installation Guide
Identification

Dimensions

Principle

The controller is provided with labels from the factory indicating a general application.
When selecting the required application, specific labels are provided so that you can mount the relevant one.
Data communication

Important: It is important that the installation of the data communication cable is performed correctly with sufficient distance to high voltage cables.
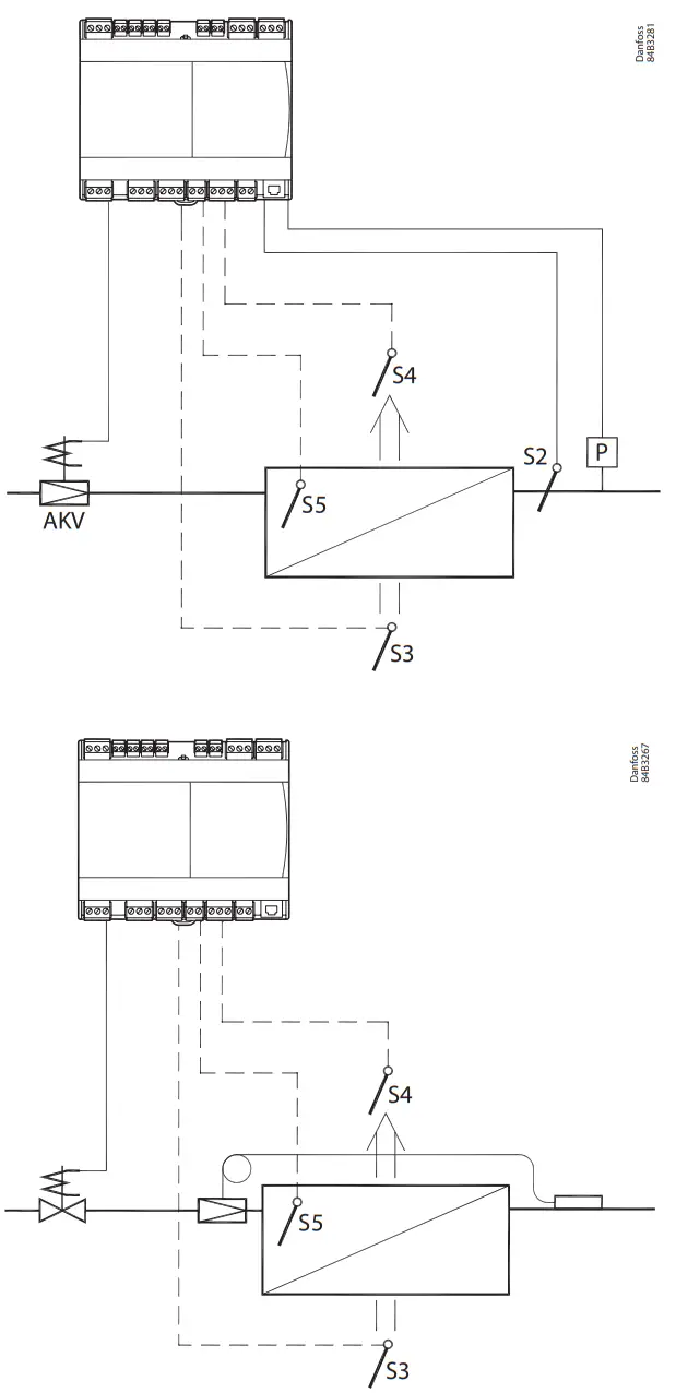
AKV info
(Application 5 – 9)
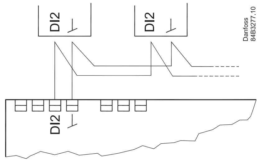
Coordinated defrost via cable connections

The following controllers can be connected in this way:
EKC 204A, AK-CC 210, AK-CC 250,
AK-CC 450, AK-CC 550 and AK-CC55.
Refrigeration is resumed at the same time when all controllers have terminated defrost.
External display
AK-UI55
Display
084B4075 / 084B4076 / 084B4077
Cable 3 m: 084B4078
Cable 6 m: 084B4079
(L: max. 100 m)
AKS 32R info
(Application 5 – 9)
The signal from one pressure transmitter can be received by up to 10 controllers.
There must not be a significant pressure drop from the pressure transmitter’s position in the suction line to the individual evaporators.
Relay info
(Application 1 – 4)
Electric noise
Cables for sensors, low voltage DI inputs and data communication must be kept separate from other electric cables:
- Use separate cable trays
- Keep a distance between cables of at least 10 cm
- Long cables at the low voltage DI input should be avoided
Installation considerations
Accidental damage, poor installation, or site conditions, can give rise to malfunctions of the control system, and ultimately lead to a plant breakdown.
Every possible safeguard is incorporated into our products to prevent this. However, a wrong installation could still present problems. Electronic controls are no substitute for normal, good engineering practice.
Danfoss will not be responsible for any goods, or plant components, damaged as a result of the above defects. It is the installer’s responsibility to check the installation thoroughly, and to fit the necessary safety devices.
Special reference is made to the necessity of signals to the controller when the compressor is stopped and to the need of liquid receivers before the compressors.
Your local Danfoss agent will be pleased to assist with further advice, etc.
Technical data
Electrical specifications
| Electrical data | Value |
| Supply voltage AC [V] | 115 V / 230 V, 50/60 Hz |
| Power consumption [VA] | 5 VA |
| Power ON indicator | Green LED |
| Electrical cable dimensioning [mm2] | Max. 1.5 mm2 multi-core cable |
Sensor and measuring data
| Sensor and measuring data | Value |
| Sensor S2 | Pt 1000 AKS11 |
| Sensor S3, S4, S5 | Pt 1000 AKS11 PTC 1000 EKS111 NTC5K EKS211 NTC10K EKS221 sensor (All 3 must be of the same type) |
| Temperature measuring accuracy | Pt1000: -60 – 120 °C. ±0.5 K PTC1000: -60 – 80 °C. ±0.5 K NTC5K: -40 – 80 °C. ±1.0 K NTC10K: -40 – 120 °C. ±1.0 K |
| Pt1000 sensor specification | ±0.3 K at 0 °C ±0.005 K per degree |
| Pe measuring | AKS 32R Ratiometric pressure transmitter: 10 – 90% |
Input and output relay specifications
| Input and output relay specifications | Input/ output | Description |
| Digital input | DI1 DI2 | Signal from dry contact functions Requirements to contacts: Gold plating Cable length must be max. 15 m Use auxiliary relays when the cable is longer Open loop: 12 V (SELV) Contact 3.5 mA |
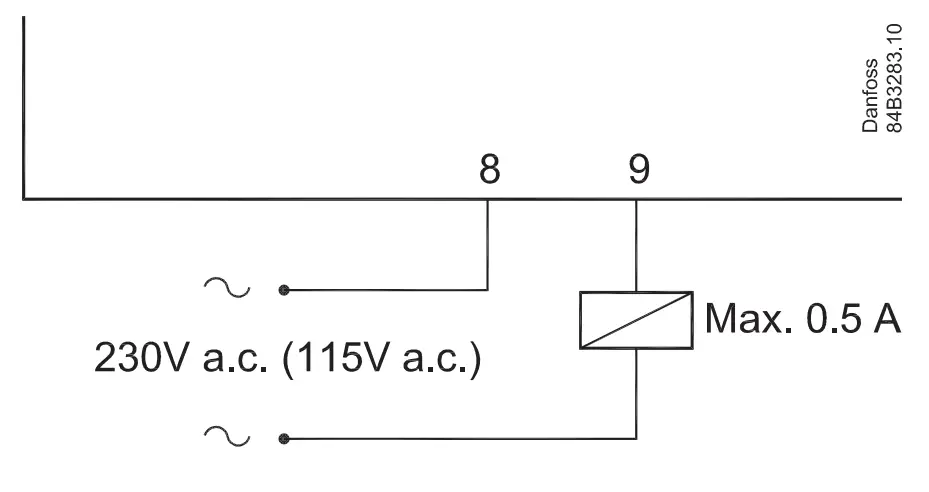
| Solid state output | DO1 (for AKV coil) | 115 V / 230 V AC Max. 0.5 A (No overload protection!) Max. 1 x 20 W AKV for 115 V AC 2 x 20 W AKV for 230 V AC Note: 2 EC coils are not supported. |
| Relays | DO2 DO3 DO4 | 115 V / 230 V AC Load max.: CE. 8 (6)A UL. 8A res. 3FLA 18LRA Load min.: 1VA Inrush: DO2 DO3 TV-5 80A |
| Analogue output/ PWM | AO1 | 0 / 10 V Pulse Width Modulated (PWM) max. 15 mA. 0 – 10 V variable, max. 2 mA |
NOTE:
- DO2 to DO4 are 16 A relays
- Max. load must be observed
- DO2 / DO3 is recommended for load with high inrush current e.g. EC Fan and LED light
- All relays are sealed for use with flammable refrigerant like Propane R290
- Compliance with EN 60 335-2-89: 2010 Annex BB
Function data
| Function data | Value |
| Display | LED 3 digit |
| External display, AK-CC55 Compact | 1 external display |
| External display connection | RJ12 |
| Max. display cable length [m] | 100 m |
| Data communication built-in | MODBUS |
| Clock battery backup power reserve | 4 days |
| Mounting | DIN rail |
Environmental conditions
| Environmental conditions | Value |
| Ambient temperature range, operating [°C] | 0 – 55 °C |
| Ambient temperature range, transport [°C] | -40 – 70 °C |
| Enclosure rating IP | IP20 |
| Relative humidity range [%] | 20 – 80%, non-condensing |
| Shocks/Vibrations | No shocks and vibrations allowed |
Operation with setting display
Display AK-UI 55 Set
The values will be shown with three digits, and with a setting you can determine whether the temperature is to be shown in °C or in °F
Lights up in event of:
Energy optimization Cooling Defrosting Fan operation
Up arrow / Down arrow / Arrow to left:
Navigation in the menu and setting of values.
Long press (3 seconds) will start a defrost, “-d-” is shown in the display. Ongoing defrosting can be stopped by a long press.
SET:
Long press (3 seconds) gives access to the “SEt” menu.
If the operation is locked with a password, “PS” is shown. Enter the code.
Shows the setting for a chosen parameter / saves a changed setting.
Short press gives access to entering of the thermostat’s cut-out limit.
The display can give the following messages:
- -d- Defrost is in progress
- Err The temperature cannot be displayed due to a sensor error
- Err1 The display cannot load data from the controller. Disconnect and then reconnect the display
- Err2 Lost display communication
- ALA The alarm button is activated. The first alarm code is then shown
- – – – At top position of the menu or when max. value has been reached, the three dashes are shown in the top of the display
- – – – At bottom position of menu or when min. value has been reached, the three dashes are shown in the bottom of the display
- Loc The menu operation is locked. Unlock by pressing (for 3 seconds) on the ‘up arrow’ and ‘down arrow’ simultaneously
- UnL The menu operation is unlocked
- – – – The parameter has reached min. or max. limit
- PS A password is required for access to the menu
- Fan Appliance cleaning has been initiated. The fans are running
- OFF Appliance cleaning is activated and the appliance can now be cleaned
- OFF The main switch is set to Off
- SEr The main switch is set to service / manual operation
- CO2 Flashes: Will display in event of a refrigerant leakage alarm, but only if the refrigerant is set up for CO2
Factory setting
If you need to return to the factory-set values, do the following:
- Cut off the supply voltage to the controller
- Keep up “∧” and down “∨” arrow buttons depressed at the same time as you reconnect the supply voltage
- When FAc is shown in the display, select “yes”.
Parameter grouping at display operation


Output status
When you want info on a relay output, the dot will show whether the relay is activated (energized) for e.g.:
do4 = not activated
do.4 = activated
*)
The output’s function.
(Determined at configuration).
The DOs and AOs can also be forced controlled from this menu, when r12
Main switch has been set in position “service”.
Forced control of a function can also be performed in codes q11 to q27.
**)
The input’s function.
(Determined at configuration).
Get a good start
With the following procedure you can start regulation very quickly:
- Open parameter r12 and stop the regulation (in a new and not previously set unit, r12 will already be set to 0 which means stopped regulation.)
- Select application based on the wiring diagrams on pages 2-4
- Open parameter o61 and set the application number
- For network. Set the address in o03
- Then select a set of presets from the “Food type” help table
- Open parameter r89 and set the number for the array of presettings. The few selected settings will now be transferred to the menu
- Set the desired cut-out temperature r00
- Set the weighted thermostat air temperature between S4 and S3 sensor r15
- Set the weighted thermostat air temperature between S4 and S3 during night operation r61
- Set the weighted alarm air temperature between S4 and S3 A36
- Set the weighted display readout between S4 and S3 o17
- Select refrigerant via parameter o30 (only application 5-9)
- Set the pressure transmitter min. and max. range via parameter o20 and o21 (only application 5-9)
- Set the desired defrost method in d01
- Set the interval time between defrost starts in d03
- Set the desired defrost sensor in d10
- Set the maximum defrost time in d04
- Set the defrost stop temperature in d02
- Open parameter r12 and start the regulation
- Go through the parameter list and change the factory values where needed.
- Get the controller up and running on network:
- MODBUS: Activate scan function in system unit
- If another data communication card is used in the controller:
- Lon RS485: Activate the function o04
Food type
| Setting of presettings (r89). After setting 1-5, setting is returned to 0. Food type = | 1 Vege- tables | 2 Milk | 3 Meat/ fish | 4 Frozen food | 5 Ice cream |
| Temperature (r00) | 8 °C | 0 °C | -2 °C | -20 °C | -24 °C |
| Max. temp. setting (r02) | 10 °C | 4 °C | 2 °C | -16 °C | -20 °C |
| Min. temp. setting (r03) | 4 °C | -4 °C | -6 °C | -24 °C | -28 °C |
| Upper alarm limit (A13) | 14 °C | 8 °C | 8 °C | -15 °C | -15 °C |
| Lower alarm limit (A14) | 0 °C | -5 °C | -5 °C | -30 °C | -30 °C |
| Upper alarm limit for S6 (A22) | 14 °C | 8 °C | 8 °C | -15 °C | -15 °C |
| Lower alarm limit for S6 (A23) | 0 °C | -5 °C | -5 °C | -30 °C | -30 °C |
| Can only be set when r12=0. | |||||
| Fault message | ||
| In an error situation the alarm LED on the front will be on and the alarm relay will be activated (depending on priority). If you push the alarm button for 3 seconds you can see the alarm report in the display. (Alarm priorities can be changed. See the User Guide.) Here are the messages that may appear: | ||
| Code | Alarm text | Description |
| E01 | Hardware failure | The controller has a hardware failure |
| E06 | Clock lost time | Clock has lost valid time |
| E20 | Pe Evap. pressure A – Sensor error | Sensor signal is out of range. Please check the sensor for correct operation |
| E24 | S2 Gas outlet A – Sensor error | Sensor signal is out of range. Please check the sensor for correct operation |
| E25 | S3 Air ON evap. A – Sensor error | Sensor signal is out of range. Please check the sensor for correct operation |
| E26 | S4 Air OFF evap. A – Sensor error | Sensor signal is out of range. Please check the sensor for correct operation |
| E27 | S5 Evaporator A – Sensor error | Sensor signal is out of range. Please check the sensor for correct operation |
| A01 | High temperature alarm A | The alarm temperature has been above the max alarm limit for a longer time period than the set alarm delay. |
| A02 | Low temperature alarm A | The alarm temperature has been below the min alarm limit for a longer time period than the set alarm delay. |
| A04 | Door open alarm | The door has been open for a too long time |
| A05 | Max defrost hold time exceeded | The controller has been waiting longer time than permitted after a co-ordinated defrost. |
| A11 | Refrigerant not selected | The refrigerant has not been selected hence control can not be initiated |
| A15 | DI alarm 1 | Alarm signal from digital input signal |
| A16 | DI alarm 2 | Alarm signal from digital input signal |
| A45 | Main switch set OFF | The controller manin switch has been set to either Stop or Manaual control. Alternatively a digital input set up for “main switch” function, has stopped control |
| A59 | Case in cleaning mode | A case cleaning operation has been started on a case |
| AA2 | CO2 leak detected | CO2 is leaking from the refrigerantion system |
| AA3 | Refrigerant leak detected | Refrigerant is leaking from the refrigeration system |
| a04 | Wrong IO configuration | Inputs and outputs have not been configured correctly |
| Data communication The importance of individual alarms can be defined with a setting. The setting must be carried out in the group “Alarm destinations” | ||
Additional information not relevant for safe installation and use can be found on Danfoss Store:
For more detailed information, please see the respective User Guide.
Danfoss A/S
Climate Solutions • danfoss.com • +45 7488 2222
Any information, including, but not limited to information on selection of product, its application or use, product design, weight, dimensions, capacity or any other technical data in product manuals, catalogues descriptions, advertisements, etc. and whether made available in writing, orally, electronically, online or via download, shall be considered informative, and is only binding if and to the extent, explicit reference is made in a quotation or order confirmation. Danfoss cannot accept any responsibility for possible errors in catalogues, brochures, videos and other material. Danfoss reserves the right to alter its products without notice. This also applies to products ordered but not delivered provided that such alterations can be made without changes to form, fit or function of the product.
All trademarks in this material are property of Danfoss A/S or Danfoss group companies. Danfoss and the Danfoss logo are trademarks of Danfoss A/S. All rights reserved.




























