Vive Maestro Wireless Dimmers and Switches User Manual

Vive Maestro Wireless Dimmers and Switches.
The Maestro Wireless solution incorporates Maestro
Wireless load controls, wireless sensors, and wireless remote controls, which provide a system that delivers energy savings, convenience, and ease of installation.
Maestro Wireless dimmers and switches use Lutron patented Clear Connect RF Technology, which enables wireless communication with
Radio Powr Savr sensors and Pico remote controls for light control and general switched loads.
These products are also compatible with the Vive hub which enables a simple setup process using a standard web browser on any Wi-Fi enabled phone, tablet or computer. It also enables control and monitoring of all Vive devices. The Vive hub can be added at any time. System reprogramming will be required. For a complete list of features supported with the Vive hub, see specification submittal 369902.
Note for Replacement: MRF2S – the “S” model can replace the non-”S” model.
Features

- The Maestro Wireless solution provides dimming / switching of multiple load types, occupancy/vacancy sensing, and daylight harvesting.
- Lutron patented Clear Connect RF Technology works through walls and floors.
- Incorporates advanced features such as fade ON / fade OFF, high-end trim, and rapid full-ON (a Vive hub is required to set high-end trim).
- Controls include Front Accessible Service Switch (FASS) for safe lamp replacement.
- Two-wire dimmers and switches available for retrofit applications.
- Power failure memory: If power is interrupted, the control will return to its previously set level prior to interruption.
Maestro Wireless Dimmers

Models Available Dimmers
CFL / LED/Halogen / Incandescent
MRF2S-6CL-XX 1 150 W CFL / LED Dimmer ; 600 W / 600 VA Incandescent, 120 V~ MRF2S-6ND-120-XX 1,2 600 W / 600 VA Spec-Grade Neutral Wire Dimmer, 120 V~ 150 W CFL / LED Dimmer Electronic Low-Voltage Dimmer MRF2S-6ELV120-XX1 600 W ELV Dimmer 120 V~ (neutral required) 150 W CFL / LED Dimmer.

Companion Dimmers
Claro Gloss Finishes
MA-R-XX 1,2 Companion Dimmer 120 V~
Satin Colors Satin Finishes
MSC-AD-XX 1 Companion Dimmer 120 V~
1 “XX” in the model number represents color / finish code. See Colors and Finishes at end of document.
2 BAA-compliant model numbers available. Add a “U” prefix to the model number. For a complete list of BAA/TAA
compliant products please visit our website at Lutron.com/BAA and select “Download BAA Product List”.
Ganging and Derating
When combining controls in the same wallbox, derating is required. Dimmer Load Type and Capacity.
No Neutral Required
Note: Do not mix ELV and MLV load types on a single control.
- Dimmer Load Type:
MRF2S-6CL is designed for use with permanently-installed incandescent, CFL, LED, or tungsten halogen only.
• MRF2S-6ND-120 is designed for use with permanently-installed incandescent, CFL, LED, magnetic low-voltage, or tungsten halogen only. Can control Power Modules
(PHPM-PA-DV, PHPM-3F-DV-WH, PHPM-WBX-DV-WH, and GRX-TVI) and legacy interfaces Hi-Power 2•4•6 Boosters (HP-2, HP-4, HP-6).
• MRF2S-6ELV120 is designed for use with permanently-installed electronic low-voltage, incandescent, CFL, LED or tungsten/halogen only. Do not install dimmers to control
receptacles or motor-operated appliances. - Low-Voltage Applications:
• Use MRF2S-6ND-120 with magnetic (core and coil) low-voltage transformers only. Not for use with electronic (solid‑state) low-voltage transformers.
• Use MRF2S-6ELV120 with electronic (solid-state) low-voltage transformers only. Operation of a low-voltage circuit with lamps inoperative or removed may result in transformer
overheating and premature failure. Lutron strongly recommends the following:
– Do not operate low-voltage circuits without operative lamps in place.
– Replace burned-out lamps as quickly as possible.
– Use transformers that incorporate thermal protection or fused transformer primary windings to prevent transformer failure due to overcurrent.
• See Application Note #559 for dimming low voltage LEDs. - BAA-compliant model numbers available. Add a “U” prefix to the model number. For a complete list of BAA/TAA compliant products please visit our website at Lutron.com/BAA and select “Download BAA Product List”.
Mixing Lamp Types

Mixing lamp types
(using a combination of CFL / LED, and Incandescent / Halogen bulbs) and ganging with other dimmers or electronic switches may reduce maximum wattage, as shown.
Example: If fins from one side of dimmer are removed and you have two 24 W bulbs installed (total CFL Wattage = 48 W), you may add up to 300 W of incandescent or halogen lighting.
Example: If a dimmer is installed in location “B” above and there are two 24 W CFL bulbs installed (Total CFL Wattage = 48 W), you may add up to 300 W of
incandescent or halogen lighting.
Maestro Wireless Switches

Models Available
Switches
Lighting and motor loads
MRF2S-6ANS-XX 1,2,4 6 A Lighting/3 A Fan (1/10 HP motor),
Electronic Switch 120 V~
MRF2S-8ANS120-XX 1,2,4 8 A Lighting, 5.8 A Fan (1/4 HP motor), Spec-Grade
Electronic Switch 120 V~
MRF2S-8S-DV-XX 2,3,4 8 A Lighting, 3 A Fan (1/10 HP motor, 120 V~ only),
Spec‑Grade Electronic Switch 120–277 V~, no neutral wire required.
Companion Switches
Claro Gloss Finishes
MA-AS-XX 2,4 Companion Switch 120 V~
MA-AS-277-XX 2,4 Companion Switch 277 V~
Satin Colors Satin Finishes
MSC-AS-XX 4 Companion Switch 120 V~
MSC-AS-277-XX 4 Companion Switch 277 V~
- Neutral wire required.
- BAA-compliant model numbers available. Add a “U” prefix to the model number. For a complete list of BAA/TAA compliant products please visit our website at Lutron.com/BAA and select “Download BAA Product List”.
- May require LUT-MLC (included with MRF2S-8S-DV models) to ensure proper function with low-wattage load types. See page 11 for details.
- “XX” in the model number represents color / finish code. See Colors and Finishes at end of document.
Ganging and Derating
When combining controls in the same wallbox, derating is required. Switch Load Type and Capacity.


- Switch Load Type:
• MRF2S-8ANS120 is designed for use with permanently-installed lighting loads and with fan motor loads up to 1/4 HP (5.8 A).
• MRF2S‑8S-DV is designed for use with permanently-installed lighting loads and with fan motor loads up to 1/10 HP (3 A, 120 V~ only).
• MRF2‑6ANS is designed for use with permanently-installed lighting loads and with fan motor loads up to 1/10 HP (3 A). - For loads larger than 8 A (120 V~), the MRF2S-8ANS120 switch can be used with the PHPM‑SW‑DV‑WH power booster.
- The LUT-MLC ensures proper function with low-wattage fluorescent, CFL, and LED load types. See page 11 for details.
- Maximum load for double-gang application is 8 A. Triple-gang application derates maximum load to 7 A.
- BAA-compliant model numbers available. Add a “U” prefix to the model number. For a complete list of BAA/TAA compliant products please visit our website at Lutron.com/BAA and select “Download BAA Product List”.
Specifications Regulatory Approvals
- UL® Listed.
- cUL® Listed (MRF2S-6CL only).
- CSA Certified (except for MRF2S-6CL).
- FCC Approved. Complies with the limits for a Class B digital device, pursuant to Part 15 of the FCC Rules.
- Industry Canada Certified.
- The following model numbers have been tested and found compliant with UL 2043 for use in air handling spaces: MRF2S-6CL-GR, MRF2S-6ELV-GR, MRF2S-6ND-GR
Power Operating voltage: - 120 V~ 50/60 Hz (all models)
- 277 V~ 50/60 Hz (MRF2S-8S-DV)
Environment - Ambient operating temperature: 32 °F to 104 °F (0 °C to 40 °C)
- 0% to 90% humidity, non‑condensing.
- Indoor use only.
- All drivers and ballasts used with Vive wireless controls must comply with the limits for a Class A device pursuant to Part 15 of the FCC Rules. Key Design Features
Dimmers - On a single-tap, lights fade UP or DOWN.
- On a double-tap, lights go to full ON.
- Light levels can be fine-tuned by pressing and holding the dimming rocker until the desired light level is reached.
- Two-wire dimmers available. Switches
- On a single-tap, lights turn ON or OFF.
- Two-wire switches available.
All RF Local Controls
- Tested to withstand electrostatic discharge without damage or memory loss, in accordance with IEC 61000-4-2.
- Tested to withstand surge voltages without damage or loss of operation, in accordance with IEEE C62.41-1991 Recommended Practice on Surge Voltages in Low-Voltage AC Power Circuits.
- Controls always operate locally and do not require system control.
- Power failure memory: should power be interrupted, the control will return to its previously-set level prior to the interruption when power is restored.
- Uses conventional 3-way and 4-way wiring.
- Multiple location control from Dimmer / Switch and up to nine Companion Dimmers / Switches.
- Use Lutron Designer (Claro and Satin Colors) wallplates or designer-style wallplates from other manufacturers. Wallplates are sold separately.
- Lutron Claro and Satin Colors wallplates snap on with no visible means of attachment.
- Requires a one-gang U.S. wallbox; 31⁄2 in (89 mm) deep recommended, 21⁄4 in (57 mm) deep minimum.
- Green indicator lights. System Communications and Capacity
- Maestro Wireless controls communicate with the Pico remote controls and Radio Power Savr sensors through radio frequency (RF).
- Receives wireless inputs from up to 10 Pico remote controls, 10 Radio Powr Savr occupancy / vacancy sensors, and 1 Radio Powr Savr daylight sensor
- Maestro Wireless local controls must be located within 60 ft (18 m) line-of-sight or 30 ft (9 m) through walls, of Radio Power Savr sensors. The 60 ft (18 m) range is not reduced by a ceiling tile obstruction.
- Maestro Wireless local controls must be located within 60 ft (18 m) line-of-sight or 30 ft (9 m) through walls, of a Pico remote control. The 60 ft (18 m) range is not reduced by a ceiling tile obstruction.
Dimensions
All dimensions are shown as: in (mm)

Mounting

Operation

FASS Front Accessible Service Switch
Important Notice: To service load, remove power by pulling the FASS out completely on either the Dimmer / Switch or Companion Dimmer / Switch. After
servicing load, push the FASS back in fully to restore power to the control.
Wiring Diagrams
Single-Location Dimmer Installation without Neutral MRF2S-6CL
- When using controls in single location installations, tighten the blue terminal without any wires attached. Do not connect the blue terminal to any other wiring or to ground.
- Up to nine Maestro Companion Dimmers may be connected to the Maestro Wireless Dimmer. Total blue terminal wire length may be up to 250 ft (76 m).
Wiring Diagrams (continued
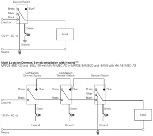
Single-Location Dimmer / Switch Installation with Neutral MRF2S-6ND-120, -6ELV120, -8ANS120, and -6ANS

- When using controls in single location installations, tighten the blue terminal without any wires attached. Do not connect the blue terminal to any other wiring or to ground.
- Up to nine Maestro Companion Dimmers / Switches may be connected to the Maestro Wireless Dimmer / Switch. Total blue terminal wire length may be up to 250 ft (76 m).
- Neutral-wire Dimmers / Switches must be connected on the Load side of a multi-location installation.
Wiring Diagrams (continued)
Single-Location Switch Installation with LUT-MLC 1 MRF2S-8S-DV.

- A LUT-MLC ensures proper function when fluorescent, CFL, or LED loads are used. Install the LUT-MLC inside a load fixture or in a separate J-box within the circuit.
- When using controls in single-location installations, tighten the blue terminal without any wires attached. Do not connect the blue terminal to any other wiring or to ground.
- Up to nine Maestro Companion Switches may be connected to the Maestro Wireless Switch. Total blue terminal wire length may be up to 250 ft (76 m).
- Requires MA-AS / MSC-AS for 120 V~ applications, and MA-AS-277 / MSC-AS-277 for 277 V~ applications.
Wiring Diagrams (continued
Single-Location Switch Installation with Power Booster Single Feed MRF2S-8ANS120 and -6ANS with PHPM-SW-DV-WH
- When using controls in single-location installations, tighten the blue terminal. Do not connect the blue terminal to any other wiring or to ground.
- Up to nine Maestro Companion Switches may be connected to the Maestro Wireless Switch. Total blue terminal wire length may be up to 250 ft (76 m).
- Neutral-wire Switches must be connected on the Load side of a multi-location installation.
Wiring Diagrams (continued)
Single-Location Switch Installation with Power Booster Dual Feed MRF2S-8ANS120 and -6ANS with PHPM-SW-DV-WH

- When using controls in single-location installations, tighten the blue terminal. Do not connect the blue terminal to any other wiring or to ground.
- Up to nine Maestro Companion Switches may be connected to the Maestro Wireless Switch. Total blue terminal wire length may be up to 250 ft (76 m).
- Neutral-wire Switches must be connected on the Load side of a multi-location installation.
Wiring Diagrams (continued
Single-Location Dimmer Installation with Power Booster Single Feed MRF2S-6ND-120 with PHPM-PA-DV-WH

- When using controls in single-location installations, tighten the blue terminal. Do not connect the blue terminal to any other wiring or to ground.
- Up to nine Maestro Companion Dimmers may be connected to the Maestro Wireless Dimmer. Total blue terminal wire length may be up to 250 ft (76 m).
- Neutral-wire Dimmers must be connected on the Load side of a multi-location installation.
Wiring Diagrams (continued)
Single-Location Dimmer Installation with Power Booster Dual Feed
MRF2S-6ND-120 with PHPM-PA-DV-WH

- When using controls in single-location installations, tighten the blue terminal. Do not connect the blue terminal to any other wiring or to ground.
- Up to nine Maestro Companion Dimmers may be connected to the Maestro Wireless Dimmer. Total blue terminal wire length may be up to 250 ft (76 m).
- Neutral-wire Dimmers must be connected on the Load side of a multi-location installation.
Colors and Finishes

The Lutron logo, Lutron, Maestro, Maestro Wireless, Clear Connect, Pico, Claro, Vive, Satin Colors, FASS, Hi-Power 2•4•6, Radio Powr Savr, and the design
of the Pico remote are trademarks or registered trademarks of Lutron Electronics Co., Inc. in the US and/or other countries. All other product names, logos, and brands are property of their respective owners.


















